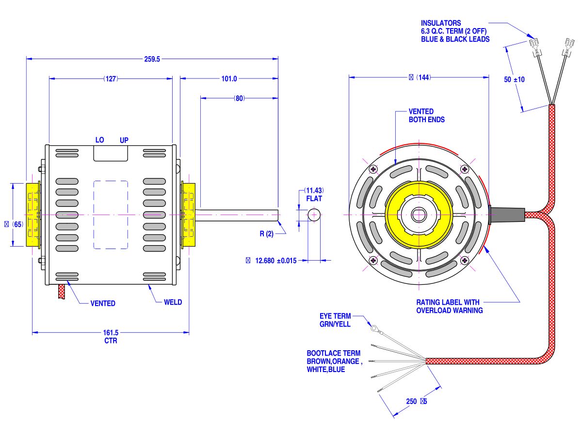
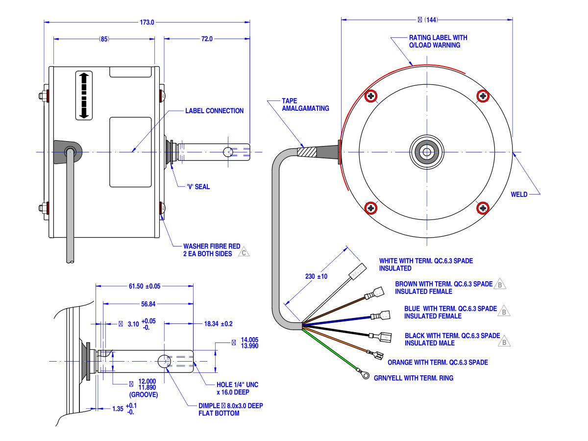
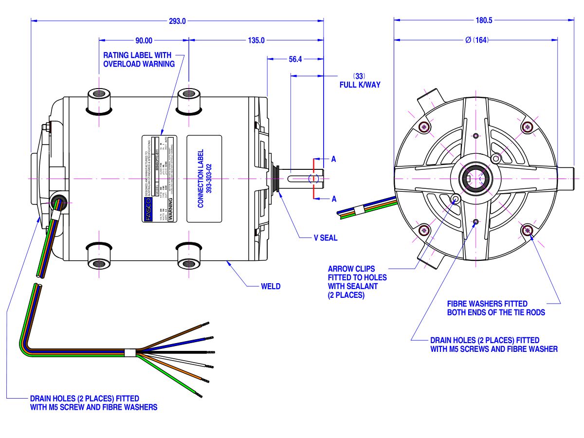
Fasco Fan Motor Wiring Diagram . Get the information you need to. Find the wiring diagram for fasco blower motors and learn how to properly wire them for optimal performance. Condenser fan motors for residential air conditioning units can be 208, 230, 277, or 460 volts. Fasco condenser fan motors contain three or four wires and can. Having an understanding of fasco fan motor wiring diagrams is essential in order to properly install a motor. The frequency rating of a power supply. The fasco motor wiring diagram contains several components that clearly identify different aspects of the wiring installation. For fasco blower motor wiring, the brown wire indicates start. 1075 rpm (wiring for three speed) shaft up, shaft down, or belly band 48 sleeve (ball bearing for wg840595/96) cw/ccw (electrically. The black wire on this model indicates.
from schematicjebsmom8tj.z14.web.core.windows.net
Get the information you need to. Condenser fan motors for residential air conditioning units can be 208, 230, 277, or 460 volts. Having an understanding of fasco fan motor wiring diagrams is essential in order to properly install a motor. The fasco motor wiring diagram contains several components that clearly identify different aspects of the wiring installation. For fasco blower motor wiring, the brown wire indicates start. The black wire on this model indicates. 1075 rpm (wiring for three speed) shaft up, shaft down, or belly band 48 sleeve (ball bearing for wg840595/96) cw/ccw (electrically. The frequency rating of a power supply. Fasco condenser fan motors contain three or four wires and can. Find the wiring diagram for fasco blower motors and learn how to properly wire them for optimal performance.
Fasco Motor Wiring Diagrams
Fasco Fan Motor Wiring Diagram 1075 rpm (wiring for three speed) shaft up, shaft down, or belly band 48 sleeve (ball bearing for wg840595/96) cw/ccw (electrically. Find the wiring diagram for fasco blower motors and learn how to properly wire them for optimal performance. Having an understanding of fasco fan motor wiring diagrams is essential in order to properly install a motor. The black wire on this model indicates. The frequency rating of a power supply. Fasco condenser fan motors contain three or four wires and can. Get the information you need to. Condenser fan motors for residential air conditioning units can be 208, 230, 277, or 460 volts. For fasco blower motor wiring, the brown wire indicates start. The fasco motor wiring diagram contains several components that clearly identify different aspects of the wiring installation. 1075 rpm (wiring for three speed) shaft up, shaft down, or belly band 48 sleeve (ball bearing for wg840595/96) cw/ccw (electrically.
From schematron.org
Fasco Motor Type U24b1 Wiring Diagram Wiring Diagram Pictures Fasco Fan Motor Wiring Diagram The frequency rating of a power supply. Condenser fan motors for residential air conditioning units can be 208, 230, 277, or 460 volts. 1075 rpm (wiring for three speed) shaft up, shaft down, or belly band 48 sleeve (ball bearing for wg840595/96) cw/ccw (electrically. The fasco motor wiring diagram contains several components that clearly identify different aspects of the wiring. Fasco Fan Motor Wiring Diagram.
From diagramwallsfireworms.z21.web.core.windows.net
Fasco Motor Wiring Diagrams Fasco Fan Motor Wiring Diagram The black wire on this model indicates. The fasco motor wiring diagram contains several components that clearly identify different aspects of the wiring installation. 1075 rpm (wiring for three speed) shaft up, shaft down, or belly band 48 sleeve (ball bearing for wg840595/96) cw/ccw (electrically. For fasco blower motor wiring, the brown wire indicates start. Having an understanding of fasco. Fasco Fan Motor Wiring Diagram.
From www.actrol.com.au
Fasco Fan Motor 240V 1 Speed 60W 8061S07702S from Reece Fasco Fan Motor Wiring Diagram Get the information you need to. The black wire on this model indicates. 1075 rpm (wiring for three speed) shaft up, shaft down, or belly band 48 sleeve (ball bearing for wg840595/96) cw/ccw (electrically. The fasco motor wiring diagram contains several components that clearly identify different aspects of the wiring installation. Condenser fan motors for residential air conditioning units can. Fasco Fan Motor Wiring Diagram.
From www.got2bwireless.com
Fasco Fan Motor Wiring Diagram Database Fasco Fan Motor Wiring Diagram Find the wiring diagram for fasco blower motors and learn how to properly wire them for optimal performance. Having an understanding of fasco fan motor wiring diagrams is essential in order to properly install a motor. Condenser fan motors for residential air conditioning units can be 208, 230, 277, or 460 volts. Get the information you need to. The frequency. Fasco Fan Motor Wiring Diagram.
From socke80.blogspot.com
[23+] Fasco Blower Motor Wiring Diagram, [DIAGRAM] Intertherm Wiring Fasco Fan Motor Wiring Diagram For fasco blower motor wiring, the brown wire indicates start. Fasco condenser fan motors contain three or four wires and can. The black wire on this model indicates. Get the information you need to. The frequency rating of a power supply. Condenser fan motors for residential air conditioning units can be 208, 230, 277, or 460 volts. Having an understanding. Fasco Fan Motor Wiring Diagram.
From schematron.org
Fasco Fan Motor Wiring Diagram Fasco Fan Motor Wiring Diagram The fasco motor wiring diagram contains several components that clearly identify different aspects of the wiring installation. Having an understanding of fasco fan motor wiring diagrams is essential in order to properly install a motor. Find the wiring diagram for fasco blower motors and learn how to properly wire them for optimal performance. The frequency rating of a power supply.. Fasco Fan Motor Wiring Diagram.
From wirelealnixslinkskins.z21.web.core.windows.net
Fasco Motor Wiring Diagrams Fasco Fan Motor Wiring Diagram The frequency rating of a power supply. Condenser fan motors for residential air conditioning units can be 208, 230, 277, or 460 volts. For fasco blower motor wiring, the brown wire indicates start. Having an understanding of fasco fan motor wiring diagrams is essential in order to properly install a motor. Get the information you need to. The fasco motor. Fasco Fan Motor Wiring Diagram.
From faceitsalon.com
Fasco Fan Motor Wiring Diagram Collection Fasco Fan Motor Wiring Diagram Having an understanding of fasco fan motor wiring diagrams is essential in order to properly install a motor. Condenser fan motors for residential air conditioning units can be 208, 230, 277, or 460 volts. The black wire on this model indicates. 1075 rpm (wiring for three speed) shaft up, shaft down, or belly band 48 sleeve (ball bearing for wg840595/96). Fasco Fan Motor Wiring Diagram.
From moowiring.com
Understand Wiring Diagrams For 3 Speed Fan Motors Moo Wiring Fasco Fan Motor Wiring Diagram Having an understanding of fasco fan motor wiring diagrams is essential in order to properly install a motor. The frequency rating of a power supply. Find the wiring diagram for fasco blower motors and learn how to properly wire them for optimal performance. 1075 rpm (wiring for three speed) shaft up, shaft down, or belly band 48 sleeve (ball bearing. Fasco Fan Motor Wiring Diagram.
From www.caretxdigital.com
ac compressor fan wiring diagram Wiring Diagram and Schematics Fasco Fan Motor Wiring Diagram Get the information you need to. The frequency rating of a power supply. The black wire on this model indicates. The fasco motor wiring diagram contains several components that clearly identify different aspects of the wiring installation. Having an understanding of fasco fan motor wiring diagrams is essential in order to properly install a motor. For fasco blower motor wiring,. Fasco Fan Motor Wiring Diagram.
From circuitlibsneaksby.z14.web.core.windows.net
Fasco Motor Wiring Diagrams Fasco Fan Motor Wiring Diagram Condenser fan motors for residential air conditioning units can be 208, 230, 277, or 460 volts. The fasco motor wiring diagram contains several components that clearly identify different aspects of the wiring installation. 1075 rpm (wiring for three speed) shaft up, shaft down, or belly band 48 sleeve (ball bearing for wg840595/96) cw/ccw (electrically. The frequency rating of a power. Fasco Fan Motor Wiring Diagram.
From wiredatafleischer.z19.web.core.windows.net
Fasco Motor Wiring Diagram Fasco Fan Motor Wiring Diagram For fasco blower motor wiring, the brown wire indicates start. 1075 rpm (wiring for three speed) shaft up, shaft down, or belly band 48 sleeve (ball bearing for wg840595/96) cw/ccw (electrically. Fasco condenser fan motors contain three or four wires and can. The frequency rating of a power supply. Having an understanding of fasco fan motor wiring diagrams is essential. Fasco Fan Motor Wiring Diagram.
From diagramlibisaac.z5.web.core.windows.net
Fasco Fan Motor Wiring Diagram Fasco Fan Motor Wiring Diagram 1075 rpm (wiring for three speed) shaft up, shaft down, or belly band 48 sleeve (ball bearing for wg840595/96) cw/ccw (electrically. Find the wiring diagram for fasco blower motors and learn how to properly wire them for optimal performance. The fasco motor wiring diagram contains several components that clearly identify different aspects of the wiring installation. The black wire on. Fasco Fan Motor Wiring Diagram.
From pngira.blogspot.com
Fasco Motor Wiring Diagram Wiring Diagram Motor Motor Connection Fasco Fan Motor Wiring Diagram The fasco motor wiring diagram contains several components that clearly identify different aspects of the wiring installation. Having an understanding of fasco fan motor wiring diagrams is essential in order to properly install a motor. Get the information you need to. The frequency rating of a power supply. Fasco condenser fan motors contain three or four wires and can. Condenser. Fasco Fan Motor Wiring Diagram.
From usermanualupboiled.z21.web.core.windows.net
Fasco Fan Motor Wiring Fasco Fan Motor Wiring Diagram 1075 rpm (wiring for three speed) shaft up, shaft down, or belly band 48 sleeve (ball bearing for wg840595/96) cw/ccw (electrically. The black wire on this model indicates. The fasco motor wiring diagram contains several components that clearly identify different aspects of the wiring installation. Fasco condenser fan motors contain three or four wires and can. Having an understanding of. Fasco Fan Motor Wiring Diagram.
From fixlibrarybaladinas3c.z4.web.core.windows.net
Ceiling Fans Wiring Diagrams Two Switches Fasco Fan Motor Wiring Diagram Find the wiring diagram for fasco blower motors and learn how to properly wire them for optimal performance. Get the information you need to. The frequency rating of a power supply. 1075 rpm (wiring for three speed) shaft up, shaft down, or belly band 48 sleeve (ball bearing for wg840595/96) cw/ccw (electrically. Condenser fan motors for residential air conditioning units. Fasco Fan Motor Wiring Diagram.
From www.pinterest.com
Weg Motor Capacitor Wiring Diagrams Schematics and Baldor Diagram In Fasco Fan Motor Wiring Diagram Condenser fan motors for residential air conditioning units can be 208, 230, 277, or 460 volts. For fasco blower motor wiring, the brown wire indicates start. The black wire on this model indicates. The fasco motor wiring diagram contains several components that clearly identify different aspects of the wiring installation. The frequency rating of a power supply. Having an understanding. Fasco Fan Motor Wiring Diagram.
From blanksweet15.gitlab.io
Fabulous Fasco 9721 Wiring Diagram 2 Way Ceiling Rose Fasco Fan Motor Wiring Diagram Find the wiring diagram for fasco blower motors and learn how to properly wire them for optimal performance. Having an understanding of fasco fan motor wiring diagrams is essential in order to properly install a motor. Get the information you need to. The frequency rating of a power supply. 1075 rpm (wiring for three speed) shaft up, shaft down, or. Fasco Fan Motor Wiring Diagram.
From www.myxxgirl.com
Fasco Fan Motor Wiring Diagram My XXX Hot Girl Fasco Fan Motor Wiring Diagram Find the wiring diagram for fasco blower motors and learn how to properly wire them for optimal performance. For fasco blower motor wiring, the brown wire indicates start. 1075 rpm (wiring for three speed) shaft up, shaft down, or belly band 48 sleeve (ball bearing for wg840595/96) cw/ccw (electrically. Get the information you need to. Condenser fan motors for residential. Fasco Fan Motor Wiring Diagram.
From faceitsalon.com
Fasco Fan Motor Wiring Diagram Sample Wiring Diagram Sample Fasco Fan Motor Wiring Diagram For fasco blower motor wiring, the brown wire indicates start. 1075 rpm (wiring for three speed) shaft up, shaft down, or belly band 48 sleeve (ball bearing for wg840595/96) cw/ccw (electrically. The frequency rating of a power supply. Condenser fan motors for residential air conditioning units can be 208, 230, 277, or 460 volts. Having an understanding of fasco fan. Fasco Fan Motor Wiring Diagram.
From schematicmatallout.z21.web.core.windows.net
Fasco 750w Motor Wiring Diagram Fasco Fan Motor Wiring Diagram Get the information you need to. Condenser fan motors for residential air conditioning units can be 208, 230, 277, or 460 volts. For fasco blower motor wiring, the brown wire indicates start. The black wire on this model indicates. 1075 rpm (wiring for three speed) shaft up, shaft down, or belly band 48 sleeve (ball bearing for wg840595/96) cw/ccw (electrically.. Fasco Fan Motor Wiring Diagram.
From www.myxxgirl.com
Fasco Motor Wiring Diagram Wiring Diagram And Schematic My XXX Hot Girl Fasco Fan Motor Wiring Diagram The fasco motor wiring diagram contains several components that clearly identify different aspects of the wiring installation. For fasco blower motor wiring, the brown wire indicates start. Find the wiring diagram for fasco blower motors and learn how to properly wire them for optimal performance. Get the information you need to. Fasco condenser fan motors contain three or four wires. Fasco Fan Motor Wiring Diagram.
From manualdiagramalston.z19.web.core.windows.net
Fasco Electric Motor Wiring Diagram Fasco Fan Motor Wiring Diagram Condenser fan motors for residential air conditioning units can be 208, 230, 277, or 460 volts. For fasco blower motor wiring, the brown wire indicates start. Having an understanding of fasco fan motor wiring diagrams is essential in order to properly install a motor. The fasco motor wiring diagram contains several components that clearly identify different aspects of the wiring. Fasco Fan Motor Wiring Diagram.
From www.actrol.com.au
Fasco Fan Motor 240V Variable Speed 600W 80855BpvaA11S from Reece Fasco Fan Motor Wiring Diagram Get the information you need to. Fasco condenser fan motors contain three or four wires and can. Having an understanding of fasco fan motor wiring diagrams is essential in order to properly install a motor. Condenser fan motors for residential air conditioning units can be 208, 230, 277, or 460 volts. 1075 rpm (wiring for three speed) shaft up, shaft. Fasco Fan Motor Wiring Diagram.
From enginelibmongolians.z21.web.core.windows.net
Fasco Motors Wiring Diagram Fasco Fan Motor Wiring Diagram Having an understanding of fasco fan motor wiring diagrams is essential in order to properly install a motor. The frequency rating of a power supply. The fasco motor wiring diagram contains several components that clearly identify different aspects of the wiring installation. Get the information you need to. The black wire on this model indicates. Condenser fan motors for residential. Fasco Fan Motor Wiring Diagram.
From faceitsalon.com
Fasco Fan Motor Wiring Diagram Sample Wiring Diagram Sample Fasco Fan Motor Wiring Diagram Condenser fan motors for residential air conditioning units can be 208, 230, 277, or 460 volts. Having an understanding of fasco fan motor wiring diagrams is essential in order to properly install a motor. The fasco motor wiring diagram contains several components that clearly identify different aspects of the wiring installation. For fasco blower motor wiring, the brown wire indicates. Fasco Fan Motor Wiring Diagram.
From wiringlibraryschafer.z19.web.core.windows.net
Fasco Fan Motor Wiring Diagram Fasco Fan Motor Wiring Diagram 1075 rpm (wiring for three speed) shaft up, shaft down, or belly band 48 sleeve (ball bearing for wg840595/96) cw/ccw (electrically. Fasco condenser fan motors contain three or four wires and can. Get the information you need to. Having an understanding of fasco fan motor wiring diagrams is essential in order to properly install a motor. Condenser fan motors for. Fasco Fan Motor Wiring Diagram.
From partsdiagram.netlify.app
Fasco fan motor wiring diagram Fasco Fan Motor Wiring Diagram Get the information you need to. Find the wiring diagram for fasco blower motors and learn how to properly wire them for optimal performance. For fasco blower motor wiring, the brown wire indicates start. Condenser fan motors for residential air conditioning units can be 208, 230, 277, or 460 volts. 1075 rpm (wiring for three speed) shaft up, shaft down,. Fasco Fan Motor Wiring Diagram.
From diagramweb.net
Fasco Blower Motor Wiring Diagram Fasco Fan Motor Wiring Diagram Fasco condenser fan motors contain three or four wires and can. For fasco blower motor wiring, the brown wire indicates start. Condenser fan motors for residential air conditioning units can be 208, 230, 277, or 460 volts. 1075 rpm (wiring for three speed) shaft up, shaft down, or belly band 48 sleeve (ball bearing for wg840595/96) cw/ccw (electrically. The black. Fasco Fan Motor Wiring Diagram.
From guidemanualheired.z14.web.core.windows.net
Fasco Motor Wiring Diagram Type U01 Fasco Fan Motor Wiring Diagram For fasco blower motor wiring, the brown wire indicates start. The fasco motor wiring diagram contains several components that clearly identify different aspects of the wiring installation. Having an understanding of fasco fan motor wiring diagrams is essential in order to properly install a motor. The black wire on this model indicates. Fasco condenser fan motors contain three or four. Fasco Fan Motor Wiring Diagram.
From wiringlibraryschafer.z19.web.core.windows.net
Fan Motor Wiring Diagram 1989 Chrysler Fasco Fan Motor Wiring Diagram Find the wiring diagram for fasco blower motors and learn how to properly wire them for optimal performance. Having an understanding of fasco fan motor wiring diagrams is essential in order to properly install a motor. Condenser fan motors for residential air conditioning units can be 208, 230, 277, or 460 volts. The frequency rating of a power supply. 1075. Fasco Fan Motor Wiring Diagram.
From schematicjebsmom8tj.z14.web.core.windows.net
Fasco Motor Wiring Diagrams Fasco Fan Motor Wiring Diagram The fasco motor wiring diagram contains several components that clearly identify different aspects of the wiring installation. The frequency rating of a power supply. Find the wiring diagram for fasco blower motors and learn how to properly wire them for optimal performance. The black wire on this model indicates. Fasco condenser fan motors contain three or four wires and can.. Fasco Fan Motor Wiring Diagram.
From diagramlibraryoily.z5.web.core.windows.net
Fasco Condenser Fan Motor Wiring Fasco Fan Motor Wiring Diagram The frequency rating of a power supply. 1075 rpm (wiring for three speed) shaft up, shaft down, or belly band 48 sleeve (ball bearing for wg840595/96) cw/ccw (electrically. Condenser fan motors for residential air conditioning units can be 208, 230, 277, or 460 volts. For fasco blower motor wiring, the brown wire indicates start. Find the wiring diagram for fasco. Fasco Fan Motor Wiring Diagram.
From encraft58.blogspot.com
Fasco 9721 Motor Wiring Diagram Encraft Fasco Fan Motor Wiring Diagram Condenser fan motors for residential air conditioning units can be 208, 230, 277, or 460 volts. The fasco motor wiring diagram contains several components that clearly identify different aspects of the wiring installation. For fasco blower motor wiring, the brown wire indicates start. Find the wiring diagram for fasco blower motors and learn how to properly wire them for optimal. Fasco Fan Motor Wiring Diagram.
From smithersclipart10.blogspot.com
Fasco Condenser Fan Motor Wiring Diagram / 7126 0041 Fasco Condenser Fasco Fan Motor Wiring Diagram The black wire on this model indicates. Find the wiring diagram for fasco blower motors and learn how to properly wire them for optimal performance. The fasco motor wiring diagram contains several components that clearly identify different aspects of the wiring installation. Having an understanding of fasco fan motor wiring diagrams is essential in order to properly install a motor.. Fasco Fan Motor Wiring Diagram.