How To Test A Differential Pressure Gauge . Differential pressure gauges can be used to measure the flow rate of a liquid inside a pipe. Ashcroft has specialized in pressure instrumentation since 1852. It is commonly used in industrial settings to monitor and control various processes, such as fluid flow, gas flow, and filtration systems. To put it simply, a differential pressure gauges is an object that acts as an essential visual indicator of the difference of pressure between two pressure points of one pipe system. Using two pressure measurement values and a little math, differential pressure can calculate level, flow, interface, and even density. A differential pressure gauge is a device used to measure the difference in pressure between two points in a system. What is a differential pressure gauge? In this application video we demonstrate three methods to calibrate a differential. A differential pressure gauge measures the difference in pressure between two points in a system and presents the subsequent differential pressure directly on a single gauge dial.
from www.indiamart.com
Using two pressure measurement values and a little math, differential pressure can calculate level, flow, interface, and even density. To put it simply, a differential pressure gauges is an object that acts as an essential visual indicator of the difference of pressure between two pressure points of one pipe system. In this application video we demonstrate three methods to calibrate a differential. It is commonly used in industrial settings to monitor and control various processes, such as fluid flow, gas flow, and filtration systems. A differential pressure gauge is a device used to measure the difference in pressure between two points in a system. What is a differential pressure gauge? Ashcroft has specialized in pressure instrumentation since 1852. Differential pressure gauges can be used to measure the flow rate of a liquid inside a pipe. A differential pressure gauge measures the difference in pressure between two points in a system and presents the subsequent differential pressure directly on a single gauge dial.
GEMTECH G2020 Differential pressure Gauges 020 inch at Rs 4508
How To Test A Differential Pressure Gauge It is commonly used in industrial settings to monitor and control various processes, such as fluid flow, gas flow, and filtration systems. Using two pressure measurement values and a little math, differential pressure can calculate level, flow, interface, and even density. Differential pressure gauges can be used to measure the flow rate of a liquid inside a pipe. To put it simply, a differential pressure gauges is an object that acts as an essential visual indicator of the difference of pressure between two pressure points of one pipe system. What is a differential pressure gauge? A differential pressure gauge measures the difference in pressure between two points in a system and presents the subsequent differential pressure directly on a single gauge dial. In this application video we demonstrate three methods to calibrate a differential. Ashcroft has specialized in pressure instrumentation since 1852. It is commonly used in industrial settings to monitor and control various processes, such as fluid flow, gas flow, and filtration systems. A differential pressure gauge is a device used to measure the difference in pressure between two points in a system.
From www.indiamart.com
Wholesaler GEMTECH Differential Pressure Gauge From Kailash Industrial How To Test A Differential Pressure Gauge What is a differential pressure gauge? A differential pressure gauge is a device used to measure the difference in pressure between two points in a system. It is commonly used in industrial settings to monitor and control various processes, such as fluid flow, gas flow, and filtration systems. To put it simply, a differential pressure gauges is an object that. How To Test A Differential Pressure Gauge.
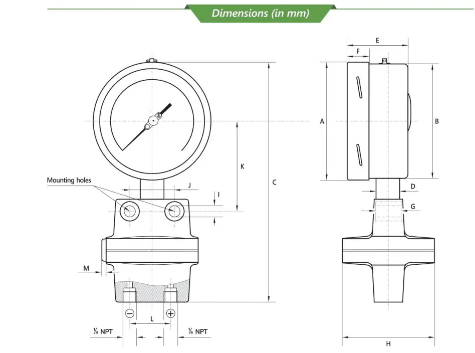
From www.akronbrass.com
3 1/2'' (89 Mm) High Pressure Test Gauge Kit How To Test A Differential Pressure Gauge A differential pressure gauge is a device used to measure the difference in pressure between two points in a system. A differential pressure gauge measures the difference in pressure between two points in a system and presents the subsequent differential pressure directly on a single gauge dial. Differential pressure gauges can be used to measure the flow rate of a. How To Test A Differential Pressure Gauge.
From differentialpressure.com
Differential Pressure Gauge Applications Differential Pressure Plus How To Test A Differential Pressure Gauge Ashcroft has specialized in pressure instrumentation since 1852. A differential pressure gauge measures the difference in pressure between two points in a system and presents the subsequent differential pressure directly on a single gauge dial. It is commonly used in industrial settings to monitor and control various processes, such as fluid flow, gas flow, and filtration systems. Using two pressure. How To Test A Differential Pressure Gauge.
From www.wika.ca
Differential Pressure Gauges 732.51 WIKA Canada How To Test A Differential Pressure Gauge A differential pressure gauge measures the difference in pressure between two points in a system and presents the subsequent differential pressure directly on a single gauge dial. Using two pressure measurement values and a little math, differential pressure can calculate level, flow, interface, and even density. A differential pressure gauge is a device used to measure the difference in pressure. How To Test A Differential Pressure Gauge.
From differentialpressure.com
50PSI Aluminum PG Series (Differential Pressure Gauge) Differential How To Test A Differential Pressure Gauge What is a differential pressure gauge? In this application video we demonstrate three methods to calibrate a differential. Using two pressure measurement values and a little math, differential pressure can calculate level, flow, interface, and even density. It is commonly used in industrial settings to monitor and control various processes, such as fluid flow, gas flow, and filtration systems. A. How To Test A Differential Pressure Gauge.
From www.grainger.com
DWYER Differential Pressure Gauge 2 to 0 to 2 in wc, Dual SingleSide How To Test A Differential Pressure Gauge Using two pressure measurement values and a little math, differential pressure can calculate level, flow, interface, and even density. To put it simply, a differential pressure gauges is an object that acts as an essential visual indicator of the difference of pressure between two pressure points of one pipe system. A differential pressure gauge is a device used to measure. How To Test A Differential Pressure Gauge.
From instrumentationtools.com
differential pressure gauge working principle pdf Archives Inst Tools How To Test A Differential Pressure Gauge Differential pressure gauges can be used to measure the flow rate of a liquid inside a pipe. A differential pressure gauge is a device used to measure the difference in pressure between two points in a system. In this application video we demonstrate three methods to calibrate a differential. It is commonly used in industrial settings to monitor and control. How To Test A Differential Pressure Gauge.
From www.wika.ca
Differential Pressure Gauges 712.25DP WIKA Canada How To Test A Differential Pressure Gauge To put it simply, a differential pressure gauges is an object that acts as an essential visual indicator of the difference of pressure between two pressure points of one pipe system. Differential pressure gauges can be used to measure the flow rate of a liquid inside a pipe. Ashcroft has specialized in pressure instrumentation since 1852. A differential pressure gauge. How To Test A Differential Pressure Gauge.
From differentialpressure.com
Differential Pressure Gauges & Indicators Differential Pressure Plus How To Test A Differential Pressure Gauge What is a differential pressure gauge? A differential pressure gauge is a device used to measure the difference in pressure between two points in a system. It is commonly used in industrial settings to monitor and control various processes, such as fluid flow, gas flow, and filtration systems. In this application video we demonstrate three methods to calibrate a differential.. How To Test A Differential Pressure Gauge.
From differentialpressure.com
400dgc differential pressure gauge and filter indicator Differential How To Test A Differential Pressure Gauge In this application video we demonstrate three methods to calibrate a differential. A differential pressure gauge measures the difference in pressure between two points in a system and presents the subsequent differential pressure directly on a single gauge dial. Using two pressure measurement values and a little math, differential pressure can calculate level, flow, interface, and even density. To put. How To Test A Differential Pressure Gauge.
From www.dwyer-inst.com
Series 490A Hydronic Differential Pressure Manometer is a versatile How To Test A Differential Pressure Gauge What is a differential pressure gauge? Ashcroft has specialized in pressure instrumentation since 1852. To put it simply, a differential pressure gauges is an object that acts as an essential visual indicator of the difference of pressure between two pressure points of one pipe system. It is commonly used in industrial settings to monitor and control various processes, such as. How To Test A Differential Pressure Gauge.
From instrumentationtools.com
Absolute Pressure Gauges Principle Instrumentation Tools How To Test A Differential Pressure Gauge What is a differential pressure gauge? In this application video we demonstrate three methods to calibrate a differential. Using two pressure measurement values and a little math, differential pressure can calculate level, flow, interface, and even density. To put it simply, a differential pressure gauges is an object that acts as an essential visual indicator of the difference of pressure. How To Test A Differential Pressure Gauge.
From www.indiamart.com
Low Cost Differential Pressure Gauge at Rs 2400/unit Low Pressure How To Test A Differential Pressure Gauge Ashcroft has specialized in pressure instrumentation since 1852. What is a differential pressure gauge? A differential pressure gauge is a device used to measure the difference in pressure between two points in a system. To put it simply, a differential pressure gauges is an object that acts as an essential visual indicator of the difference of pressure between two pressure. How To Test A Differential Pressure Gauge.
From www.wika.ca
Differential Pressure Test Gauge 3002.75D WIKA Canada How To Test A Differential Pressure Gauge It is commonly used in industrial settings to monitor and control various processes, such as fluid flow, gas flow, and filtration systems. What is a differential pressure gauge? In this application video we demonstrate three methods to calibrate a differential. Differential pressure gauges can be used to measure the flow rate of a liquid inside a pipe. A differential pressure. How To Test A Differential Pressure Gauge.
From www.indiamart.com
GEMTECH G2020 Differential pressure Gauges 020 inch at Rs 4508 How To Test A Differential Pressure Gauge It is commonly used in industrial settings to monitor and control various processes, such as fluid flow, gas flow, and filtration systems. In this application video we demonstrate three methods to calibrate a differential. Differential pressure gauges can be used to measure the flow rate of a liquid inside a pipe. To put it simply, a differential pressure gauges is. How To Test A Differential Pressure Gauge.
From differentialpressure.com
30PSI Aluminum PG Series (Differential Pressure Gauge) Differential How To Test A Differential Pressure Gauge It is commonly used in industrial settings to monitor and control various processes, such as fluid flow, gas flow, and filtration systems. Using two pressure measurement values and a little math, differential pressure can calculate level, flow, interface, and even density. What is a differential pressure gauge? To put it simply, a differential pressure gauges is an object that acts. How To Test A Differential Pressure Gauge.
From tillescenter.org
00.25 Inches of Water Differential Pressure Gauge tillescenter How To Test A Differential Pressure Gauge Differential pressure gauges can be used to measure the flow rate of a liquid inside a pipe. Ashcroft has specialized in pressure instrumentation since 1852. Using two pressure measurement values and a little math, differential pressure can calculate level, flow, interface, and even density. A differential pressure gauge is a device used to measure the difference in pressure between two. How To Test A Differential Pressure Gauge.
From www.ashcroft.com
5503 Differential Pressure (DP) Gauge Ashcroft Process Gauges How To Test A Differential Pressure Gauge It is commonly used in industrial settings to monitor and control various processes, such as fluid flow, gas flow, and filtration systems. A differential pressure gauge measures the difference in pressure between two points in a system and presents the subsequent differential pressure directly on a single gauge dial. Differential pressure gauges can be used to measure the flow rate. How To Test A Differential Pressure Gauge.
From instrumentationtools.com
Differential Pressure Gauge Principle Instrumentation Tools How To Test A Differential Pressure Gauge Ashcroft has specialized in pressure instrumentation since 1852. It is commonly used in industrial settings to monitor and control various processes, such as fluid flow, gas flow, and filtration systems. What is a differential pressure gauge? Differential pressure gauges can be used to measure the flow rate of a liquid inside a pipe. A differential pressure gauge is a device. How To Test A Differential Pressure Gauge.
From www.desertcart.ae
Buy Smart Differential Pressure Gauge, Pointer Disc Pressure Meter How To Test A Differential Pressure Gauge A differential pressure gauge measures the difference in pressure between two points in a system and presents the subsequent differential pressure directly on a single gauge dial. Differential pressure gauges can be used to measure the flow rate of a liquid inside a pipe. Using two pressure measurement values and a little math, differential pressure can calculate level, flow, interface,. How To Test A Differential Pressure Gauge.
From tuckson.com
Differential Pressure Gauge Tuckson Instruments How To Test A Differential Pressure Gauge Ashcroft has specialized in pressure instrumentation since 1852. Using two pressure measurement values and a little math, differential pressure can calculate level, flow, interface, and even density. To put it simply, a differential pressure gauges is an object that acts as an essential visual indicator of the difference of pressure between two pressure points of one pipe system. It is. How To Test A Differential Pressure Gauge.
From www.tradeindia.com
Differential Pressure Gauge at 4500.00 INR in Ahmedabad, Gujarat How To Test A Differential Pressure Gauge It is commonly used in industrial settings to monitor and control various processes, such as fluid flow, gas flow, and filtration systems. Using two pressure measurement values and a little math, differential pressure can calculate level, flow, interface, and even density. A differential pressure gauge is a device used to measure the difference in pressure between two points in a. How To Test A Differential Pressure Gauge.
From www.alibaba.com
Differential Pressure Gauge For Process Industry Buy Pressure Gauge How To Test A Differential Pressure Gauge Using two pressure measurement values and a little math, differential pressure can calculate level, flow, interface, and even density. What is a differential pressure gauge? A differential pressure gauge measures the difference in pressure between two points in a system and presents the subsequent differential pressure directly on a single gauge dial. To put it simply, a differential pressure gauges. How To Test A Differential Pressure Gauge.
From www.iqsdirectory.com
Pressure Gauge What Is It? How Is It Used? Types Of How To Test A Differential Pressure Gauge A differential pressure gauge is a device used to measure the difference in pressure between two points in a system. Using two pressure measurement values and a little math, differential pressure can calculate level, flow, interface, and even density. In this application video we demonstrate three methods to calibrate a differential. A differential pressure gauge measures the difference in pressure. How To Test A Differential Pressure Gauge.
From www.tpk.com.sg
Differential Pressure Gauges TPK Engineering Controls Pte Ltd How To Test A Differential Pressure Gauge To put it simply, a differential pressure gauges is an object that acts as an essential visual indicator of the difference of pressure between two pressure points of one pipe system. Ashcroft has specialized in pressure instrumentation since 1852. A differential pressure gauge is a device used to measure the difference in pressure between two points in a system. It. How To Test A Differential Pressure Gauge.
From www.myxxgirl.com
Differential Pressure Gauge Installation My XXX Hot Girl How To Test A Differential Pressure Gauge Using two pressure measurement values and a little math, differential pressure can calculate level, flow, interface, and even density. It is commonly used in industrial settings to monitor and control various processes, such as fluid flow, gas flow, and filtration systems. Differential pressure gauges can be used to measure the flow rate of a liquid inside a pipe. To put. How To Test A Differential Pressure Gauge.
From www.precisionmass.com
D100Bellow Type Differential Pressure Gauges Precision Mass How To Test A Differential Pressure Gauge Ashcroft has specialized in pressure instrumentation since 1852. To put it simply, a differential pressure gauges is an object that acts as an essential visual indicator of the difference of pressure between two pressure points of one pipe system. Using two pressure measurement values and a little math, differential pressure can calculate level, flow, interface, and even density. What is. How To Test A Differential Pressure Gauge.
From www.pdblowers.com
Differential Pressure Gauge How To Test A Differential Pressure Gauge Using two pressure measurement values and a little math, differential pressure can calculate level, flow, interface, and even density. To put it simply, a differential pressure gauges is an object that acts as an essential visual indicator of the difference of pressure between two pressure points of one pipe system. It is commonly used in industrial settings to monitor and. How To Test A Differential Pressure Gauge.
From www.amazon.it
Dwyer Magnehelic Series 2000 Differential pressure gauge, range 5 0 How To Test A Differential Pressure Gauge To put it simply, a differential pressure gauges is an object that acts as an essential visual indicator of the difference of pressure between two pressure points of one pipe system. Using two pressure measurement values and a little math, differential pressure can calculate level, flow, interface, and even density. Ashcroft has specialized in pressure instrumentation since 1852. A differential. How To Test A Differential Pressure Gauge.
From stiko.com
differential pressure gauge with special contact and manifold in How To Test A Differential Pressure Gauge A differential pressure gauge measures the difference in pressure between two points in a system and presents the subsequent differential pressure directly on a single gauge dial. In this application video we demonstrate three methods to calibrate a differential. Ashcroft has specialized in pressure instrumentation since 1852. It is commonly used in industrial settings to monitor and control various processes,. How To Test A Differential Pressure Gauge.
From www.delta-mobrey.com
Differential Pressure Gauge DG Range Delta Mobrey How To Test A Differential Pressure Gauge Ashcroft has specialized in pressure instrumentation since 1852. A differential pressure gauge is a device used to measure the difference in pressure between two points in a system. It is commonly used in industrial settings to monitor and control various processes, such as fluid flow, gas flow, and filtration systems. Differential pressure gauges can be used to measure the flow. How To Test A Differential Pressure Gauge.
From stiko.com
Differential Pressure Gauges • Stiko How To Test A Differential Pressure Gauge To put it simply, a differential pressure gauges is an object that acts as an essential visual indicator of the difference of pressure between two pressure points of one pipe system. Differential pressure gauges can be used to measure the flow rate of a liquid inside a pipe. Using two pressure measurement values and a little math, differential pressure can. How To Test A Differential Pressure Gauge.
From www.grainger.com
WGTC, 0 to 15 in wc, Bottom, Differential Pressure Gauge 801CN7 How To Test A Differential Pressure Gauge It is commonly used in industrial settings to monitor and control various processes, such as fluid flow, gas flow, and filtration systems. A differential pressure gauge measures the difference in pressure between two points in a system and presents the subsequent differential pressure directly on a single gauge dial. What is a differential pressure gauge? A differential pressure gauge is. How To Test A Differential Pressure Gauge.
From homershams.co.nz
DigiMag Differential Pressure Gauge How To Test A Differential Pressure Gauge Using two pressure measurement values and a little math, differential pressure can calculate level, flow, interface, and even density. In this application video we demonstrate three methods to calibrate a differential. A differential pressure gauge is a device used to measure the difference in pressure between two points in a system. Differential pressure gauges can be used to measure the. How To Test A Differential Pressure Gauge.
From www.youtube.com
Pressure Gauge Types and Working Principle Simple Science YouTube How To Test A Differential Pressure Gauge A differential pressure gauge measures the difference in pressure between two points in a system and presents the subsequent differential pressure directly on a single gauge dial. Using two pressure measurement values and a little math, differential pressure can calculate level, flow, interface, and even density. To put it simply, a differential pressure gauges is an object that acts as. How To Test A Differential Pressure Gauge.