Craftsman Arc Welder Replacement Parts . 113.201392 welding system pdf manual download. Sears partsdirect has the parts you need to fix any type of problem you may encounter with your craftsman wire feed welder 117076002. Shop oem replacement parts by symptoms or model diagrams for your craftsman 113201372 craftsman 230 amp welder! How to restore a craftsman welder. If this craftsman electric welder fails to perform properly, due to a defect in material or workmanship, within one year from the date of purchase, sears will repair it free of charge,. View and download craftsman 113.201392 owner's manual online. 295 amp dual range arc welder. I removed the cover to expose — surprisingly little. 4 parts list for craftsman 230 amp welder model 113.201372; Here are the diagrams and repair parts for official craftsman 113201250 ac arc welder, as well as links to manuals and error code tables, if. Cleaning was first to remove decades of funk.
from www.bidspotter.com
Cleaning was first to remove decades of funk. I removed the cover to expose — surprisingly little. 113.201392 welding system pdf manual download. Here are the diagrams and repair parts for official craftsman 113201250 ac arc welder, as well as links to manuals and error code tables, if. 4 parts list for craftsman 230 amp welder model 113.201372; Shop oem replacement parts by symptoms or model diagrams for your craftsman 113201372 craftsman 230 amp welder! View and download craftsman 113.201392 owner's manual online. Sears partsdirect has the parts you need to fix any type of problem you may encounter with your craftsman wire feed welder 117076002. If this craftsman electric welder fails to perform properly, due to a defect in material or workmanship, within one year from the date of purchase, sears will repair it free of charge,. 295 amp dual range arc welder.
Craftsman Colormatic arc welder
Craftsman Arc Welder Replacement Parts Here are the diagrams and repair parts for official craftsman 113201250 ac arc welder, as well as links to manuals and error code tables, if. 295 amp dual range arc welder. Here are the diagrams and repair parts for official craftsman 113201250 ac arc welder, as well as links to manuals and error code tables, if. 113.201392 welding system pdf manual download. If this craftsman electric welder fails to perform properly, due to a defect in material or workmanship, within one year from the date of purchase, sears will repair it free of charge,. I removed the cover to expose — surprisingly little. Shop oem replacement parts by symptoms or model diagrams for your craftsman 113201372 craftsman 230 amp welder! View and download craftsman 113.201392 owner's manual online. Cleaning was first to remove decades of funk. 4 parts list for craftsman 230 amp welder model 113.201372; How to restore a craftsman welder. Sears partsdirect has the parts you need to fix any type of problem you may encounter with your craftsman wire feed welder 117076002.
From www.searspartsdirect.com
Welder Cable Plug 61171 parts Sears PartsDirect Craftsman Arc Welder Replacement Parts View and download craftsman 113.201392 owner's manual online. Here are the diagrams and repair parts for official craftsman 113201250 ac arc welder, as well as links to manuals and error code tables, if. 113.201392 welding system pdf manual download. Shop oem replacement parts by symptoms or model diagrams for your craftsman 113201372 craftsman 230 amp welder! If this craftsman electric. Craftsman Arc Welder Replacement Parts.
From usermanual.wiki
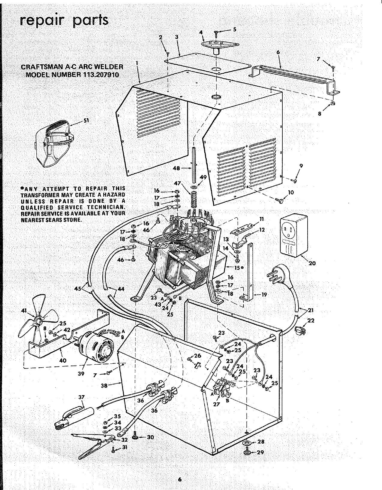
Craftsman 113207910 User Manual 225 AMP A.C. ARC WELDER Manuals And Craftsman Arc Welder Replacement Parts Sears partsdirect has the parts you need to fix any type of problem you may encounter with your craftsman wire feed welder 117076002. How to restore a craftsman welder. Cleaning was first to remove decades of funk. Here are the diagrams and repair parts for official craftsman 113201250 ac arc welder, as well as links to manuals and error code. Craftsman Arc Welder Replacement Parts.
From www.jackssmallengines.com
Campbell Hausfeld WG3000 Parts Diagram for ArcWelder Parts Craftsman Arc Welder Replacement Parts 113.201392 welding system pdf manual download. Here are the diagrams and repair parts for official craftsman 113201250 ac arc welder, as well as links to manuals and error code tables, if. Sears partsdirect has the parts you need to fix any type of problem you may encounter with your craftsman wire feed welder 117076002. I removed the cover to expose. Craftsman Arc Welder Replacement Parts.
From www.bidspotter.com
SEARS/CRAFTSMAN 230/140 AC/DC INFINITE AMP ARC WELDER Craftsman Arc Welder Replacement Parts I removed the cover to expose — surprisingly little. Here are the diagrams and repair parts for official craftsman 113201250 ac arc welder, as well as links to manuals and error code tables, if. Cleaning was first to remove decades of funk. If this craftsman electric welder fails to perform properly, due to a defect in material or workmanship, within. Craftsman Arc Welder Replacement Parts.
From www.proxibid.com
Sears Craftsman Arc Welder, Model No 113201260, 40230amps, with Craftsman Arc Welder Replacement Parts 113.201392 welding system pdf manual download. Cleaning was first to remove decades of funk. 295 amp dual range arc welder. 4 parts list for craftsman 230 amp welder model 113.201372; Sears partsdirect has the parts you need to fix any type of problem you may encounter with your craftsman wire feed welder 117076002. Shop oem replacement parts by symptoms or. Craftsman Arc Welder Replacement Parts.
From www.searspartsdirect.com
Craftsman 113202421 welder parts Sears PartsDirect Craftsman Arc Welder Replacement Parts Shop oem replacement parts by symptoms or model diagrams for your craftsman 113201372 craftsman 230 amp welder! Cleaning was first to remove decades of funk. Here are the diagrams and repair parts for official craftsman 113201250 ac arc welder, as well as links to manuals and error code tables, if. How to restore a craftsman welder. I removed the cover. Craftsman Arc Welder Replacement Parts.
From auctions.ejsauction.com
Lot Craftsman Home N Shop Arc Welder Craftsman Arc Welder Replacement Parts Here are the diagrams and repair parts for official craftsman 113201250 ac arc welder, as well as links to manuals and error code tables, if. How to restore a craftsman welder. 295 amp dual range arc welder. Shop oem replacement parts by symptoms or model diagrams for your craftsman 113201372 craftsman 230 amp welder! 113.201392 welding system pdf manual download.. Craftsman Arc Welder Replacement Parts.
From guidefixandy.z13.web.core.windows.net
Craftsman 20569 Welder Manual Craftsman Arc Welder Replacement Parts I removed the cover to expose — surprisingly little. Cleaning was first to remove decades of funk. 4 parts list for craftsman 230 amp welder model 113.201372; If this craftsman electric welder fails to perform properly, due to a defect in material or workmanship, within one year from the date of purchase, sears will repair it free of charge,. 113.201392. Craftsman Arc Welder Replacement Parts.
From katherinemwallpaper.blogspot.com
Craftsman 35230 Arc Welder Manual Vintage Sears Craftsman 90 Amp 230 Craftsman Arc Welder Replacement Parts I removed the cover to expose — surprisingly little. If this craftsman electric welder fails to perform properly, due to a defect in material or workmanship, within one year from the date of purchase, sears will repair it free of charge,. 113.201392 welding system pdf manual download. Cleaning was first to remove decades of funk. Here are the diagrams and. Craftsman Arc Welder Replacement Parts.
From www.bidspotter.com
CRAFTSMAN 230 AMP DUAL RANGE ARC WELDER Craftsman Arc Welder Replacement Parts How to restore a craftsman welder. 295 amp dual range arc welder. 113.201392 welding system pdf manual download. Here are the diagrams and repair parts for official craftsman 113201250 ac arc welder, as well as links to manuals and error code tables, if. If this craftsman electric welder fails to perform properly, due to a defect in material or workmanship,. Craftsman Arc Welder Replacement Parts.
From parts.sears.com
CRAFTSMAN CRAFTSMAN AC 230 AMP Parts Model 113201890 Sears PartsDirect Craftsman Arc Welder Replacement Parts Here are the diagrams and repair parts for official craftsman 113201250 ac arc welder, as well as links to manuals and error code tables, if. If this craftsman electric welder fails to perform properly, due to a defect in material or workmanship, within one year from the date of purchase, sears will repair it free of charge,. 295 amp dual. Craftsman Arc Welder Replacement Parts.
From parts.sears.com
CRAFTSMAN SEARS 50 AMP A.C. ARC HOBBY WELDER Parts Model 93420175 Craftsman Arc Welder Replacement Parts Cleaning was first to remove decades of funk. 113.201392 welding system pdf manual download. How to restore a craftsman welder. View and download craftsman 113.201392 owner's manual online. 4 parts list for craftsman 230 amp welder model 113.201372; 295 amp dual range arc welder. If this craftsman electric welder fails to perform properly, due to a defect in material or. Craftsman Arc Welder Replacement Parts.
From www.purplewave.com
Craftsman Home N' Shop 30200 infinite amp selection ARC welder in Craftsman Arc Welder Replacement Parts Sears partsdirect has the parts you need to fix any type of problem you may encounter with your craftsman wire feed welder 117076002. 4 parts list for craftsman 230 amp welder model 113.201372; Here are the diagrams and repair parts for official craftsman 113201250 ac arc welder, as well as links to manuals and error code tables, if. View and. Craftsman Arc Welder Replacement Parts.
From auctions.ejsauction.com
Lot Craftsman 230 AC Infinite Amp Arc Welder Craftsman Arc Welder Replacement Parts 113.201392 welding system pdf manual download. I removed the cover to expose — surprisingly little. How to restore a craftsman welder. 4 parts list for craftsman 230 amp welder model 113.201372; View and download craftsman 113.201392 owner's manual online. 295 amp dual range arc welder. If this craftsman electric welder fails to perform properly, due to a defect in material. Craftsman Arc Welder Replacement Parts.
From www.bidspotter.com
SEARS CRAFTSMAN 30295 ARC WELDER Craftsman Arc Welder Replacement Parts If this craftsman electric welder fails to perform properly, due to a defect in material or workmanship, within one year from the date of purchase, sears will repair it free of charge,. Cleaning was first to remove decades of funk. Sears partsdirect has the parts you need to fix any type of problem you may encounter with your craftsman wire. Craftsman Arc Welder Replacement Parts.
From parts.sears.com
CRAFTSMAN CRAFTSMAN 35125 AMP VARIABLE CONTROL AC ARC WELDER Parts Craftsman Arc Welder Replacement Parts I removed the cover to expose — surprisingly little. 295 amp dual range arc welder. 113.201392 welding system pdf manual download. Shop oem replacement parts by symptoms or model diagrams for your craftsman 113201372 craftsman 230 amp welder! How to restore a craftsman welder. Cleaning was first to remove decades of funk. 4 parts list for craftsman 230 amp welder. Craftsman Arc Welder Replacement Parts.
From parts.sears.com
Craftsman Arc Welder Unit Parts Model 113201431 Craftsman Arc Welder Replacement Parts Sears partsdirect has the parts you need to fix any type of problem you may encounter with your craftsman wire feed welder 117076002. Cleaning was first to remove decades of funk. How to restore a craftsman welder. I removed the cover to expose — surprisingly little. 113.201392 welding system pdf manual download. Here are the diagrams and repair parts for. Craftsman Arc Welder Replacement Parts.
From usermanual.wiki
Craftsman 113207910 User Manual 225 AMP A.C. ARC WELDER Manuals And Craftsman Arc Welder Replacement Parts View and download craftsman 113.201392 owner's manual online. If this craftsman electric welder fails to perform properly, due to a defect in material or workmanship, within one year from the date of purchase, sears will repair it free of charge,. Sears partsdirect has the parts you need to fix any type of problem you may encounter with your craftsman wire. Craftsman Arc Welder Replacement Parts.
From usermanual.wiki
Craftsman 93420129 User Manual ARC WELDER Manuals And Guides L0805389 Craftsman Arc Welder Replacement Parts I removed the cover to expose — surprisingly little. View and download craftsman 113.201392 owner's manual online. 295 amp dual range arc welder. Cleaning was first to remove decades of funk. How to restore a craftsman welder. Shop oem replacement parts by symptoms or model diagrams for your craftsman 113201372 craftsman 230 amp welder! 4 parts list for craftsman 230. Craftsman Arc Welder Replacement Parts.
From wiringenginepeters.z19.web.core.windows.net
Craftsman 35 230 Arc Welder Manual Craftsman Arc Welder Replacement Parts 113.201392 welding system pdf manual download. Here are the diagrams and repair parts for official craftsman 113201250 ac arc welder, as well as links to manuals and error code tables, if. 295 amp dual range arc welder. Shop oem replacement parts by symptoms or model diagrams for your craftsman 113201372 craftsman 230 amp welder! Sears partsdirect has the parts you. Craftsman Arc Welder Replacement Parts.
From www.auctionzip.com
Lot craftsman 230 amp arc welder w/ cart Craftsman Arc Welder Replacement Parts I removed the cover to expose — surprisingly little. 113.201392 welding system pdf manual download. Here are the diagrams and repair parts for official craftsman 113201250 ac arc welder, as well as links to manuals and error code tables, if. Sears partsdirect has the parts you need to fix any type of problem you may encounter with your craftsman wire. Craftsman Arc Welder Replacement Parts.
From www.propertyroom.com
Sears Craftsman Arc Welder Property Room Craftsman Arc Welder Replacement Parts Here are the diagrams and repair parts for official craftsman 113201250 ac arc welder, as well as links to manuals and error code tables, if. Cleaning was first to remove decades of funk. 4 parts list for craftsman 230 amp welder model 113.201372; 295 amp dual range arc welder. If this craftsman electric welder fails to perform properly, due to. Craftsman Arc Welder Replacement Parts.
From www.searspartsdirect.com
CRAFTSMAN CRAFTSMAN A. C. ARC WELDER Parts Model 1131923 Sears Craftsman Arc Welder Replacement Parts How to restore a craftsman welder. Here are the diagrams and repair parts for official craftsman 113201250 ac arc welder, as well as links to manuals and error code tables, if. Shop oem replacement parts by symptoms or model diagrams for your craftsman 113201372 craftsman 230 amp welder! Sears partsdirect has the parts you need to fix any type of. Craftsman Arc Welder Replacement Parts.
From www.ebth.com
Craftsman Arc Welder with 35230 AC Amp Output and Welding Gear EBTH Craftsman Arc Welder Replacement Parts 4 parts list for craftsman 230 amp welder model 113.201372; How to restore a craftsman welder. Sears partsdirect has the parts you need to fix any type of problem you may encounter with your craftsman wire feed welder 117076002. Shop oem replacement parts by symptoms or model diagrams for your craftsman 113201372 craftsman 230 amp welder! Here are the diagrams. Craftsman Arc Welder Replacement Parts.
From www.jeffmartinauctioneers.com
CRAFTSMAN ARC WELDER Jeff Martin Auctioneers, Inc. Craftsman Arc Welder Replacement Parts Here are the diagrams and repair parts for official craftsman 113201250 ac arc welder, as well as links to manuals and error code tables, if. Shop oem replacement parts by symptoms or model diagrams for your craftsman 113201372 craftsman 230 amp welder! Sears partsdirect has the parts you need to fix any type of problem you may encounter with your. Craftsman Arc Welder Replacement Parts.
From www.sears.com
Craftsman Arc Welder Craftsman Arc Welder Replacement Parts Sears partsdirect has the parts you need to fix any type of problem you may encounter with your craftsman wire feed welder 117076002. If this craftsman electric welder fails to perform properly, due to a defect in material or workmanship, within one year from the date of purchase, sears will repair it free of charge,. View and download craftsman 113.201392. Craftsman Arc Welder Replacement Parts.
From parts.sears.com
CRAFTSMAN MIG WELDER Parts Model 934205591 Sears PartsDirect Craftsman Arc Welder Replacement Parts 295 amp dual range arc welder. How to restore a craftsman welder. Shop oem replacement parts by symptoms or model diagrams for your craftsman 113201372 craftsman 230 amp welder! I removed the cover to expose — surprisingly little. If this craftsman electric welder fails to perform properly, due to a defect in material or workmanship, within one year from the. Craftsman Arc Welder Replacement Parts.
From hgrinc.com
Used Sears/craftsman Variable Amp Selection Arc Welder HGR Industrial... Craftsman Arc Welder Replacement Parts If this craftsman electric welder fails to perform properly, due to a defect in material or workmanship, within one year from the date of purchase, sears will repair it free of charge,. View and download craftsman 113.201392 owner's manual online. 113.201392 welding system pdf manual download. 4 parts list for craftsman 230 amp welder model 113.201372; 295 amp dual range. Craftsman Arc Welder Replacement Parts.
From www.bidspotter.com
Craftsman Colormatic arc welder Craftsman Arc Welder Replacement Parts 113.201392 welding system pdf manual download. Sears partsdirect has the parts you need to fix any type of problem you may encounter with your craftsman wire feed welder 117076002. 4 parts list for craftsman 230 amp welder model 113.201372; View and download craftsman 113.201392 owner's manual online. 295 amp dual range arc welder. Here are the diagrams and repair parts. Craftsman Arc Welder Replacement Parts.
From www.icollector.com
Sears Craftsman Arc Welder (230 Amp) (Colormatic / Continuous Control Craftsman Arc Welder Replacement Parts Cleaning was first to remove decades of funk. Shop oem replacement parts by symptoms or model diagrams for your craftsman 113201372 craftsman 230 amp welder! If this craftsman electric welder fails to perform properly, due to a defect in material or workmanship, within one year from the date of purchase, sears will repair it free of charge,. How to restore. Craftsman Arc Welder Replacement Parts.
From www.sears.com
Craftsman Arc 240 AC/180 DC Welder Craftsman Arc Welder Replacement Parts 295 amp dual range arc welder. If this craftsman electric welder fails to perform properly, due to a defect in material or workmanship, within one year from the date of purchase, sears will repair it free of charge,. I removed the cover to expose — surprisingly little. Cleaning was first to remove decades of funk. Shop oem replacement parts by. Craftsman Arc Welder Replacement Parts.
From www.ereplacementparts.com
Craftsman 117071 Welder Craftsman Arc Welder Replacement Parts Cleaning was first to remove decades of funk. View and download craftsman 113.201392 owner's manual online. If this craftsman electric welder fails to perform properly, due to a defect in material or workmanship, within one year from the date of purchase, sears will repair it free of charge,. I removed the cover to expose — surprisingly little. Sears partsdirect has. Craftsman Arc Welder Replacement Parts.
From parts.sears.com
301 Moved Permanently Craftsman Arc Welder Replacement Parts If this craftsman electric welder fails to perform properly, due to a defect in material or workmanship, within one year from the date of purchase, sears will repair it free of charge,. 113.201392 welding system pdf manual download. Here are the diagrams and repair parts for official craftsman 113201250 ac arc welder, as well as links to manuals and error. Craftsman Arc Welder Replacement Parts.
From usermanual.wiki
Craftsman 113201392 User Manual 295 AMP ARC WELDER Manuals And Guides Craftsman Arc Welder Replacement Parts If this craftsman electric welder fails to perform properly, due to a defect in material or workmanship, within one year from the date of purchase, sears will repair it free of charge,. Shop oem replacement parts by symptoms or model diagrams for your craftsman 113201372 craftsman 230 amp welder! 295 amp dual range arc welder. I removed the cover to. Craftsman Arc Welder Replacement Parts.
From www.bidspotter.com
Craftsman AC/230 DC/140 amp arc welder, aluminum welding capable Craftsman Arc Welder Replacement Parts I removed the cover to expose — surprisingly little. 4 parts list for craftsman 230 amp welder model 113.201372; Here are the diagrams and repair parts for official craftsman 113201250 ac arc welder, as well as links to manuals and error code tables, if. 113.201392 welding system pdf manual download. Shop oem replacement parts by symptoms or model diagrams for. Craftsman Arc Welder Replacement Parts.