Programmable Gain Amplifier Ic . the mcp6s21/2/6/8 and mcp6s91/2/3 precision programmable gain amplifiers (pgas) are programmable over an spi bus. find a wide range of pgas and vgas with zero drift, high precision and wide bandwidth from ti. high gain is needed for a small sensor voltage, but with a large output, a high gain will cause the amplifier or adc to saturate. microchip’s family of programmable gain amplifiers and operational amplifiers are suitable for low power, precision and. select from ti's programmable & variable gain amplifiers (pgas & vgas) family of devices. So, some type of predictably. programmable gain instrumentation amplifiers are a critical component in the data acquisition space, enabling good snr.
from projectiot123.com
the mcp6s21/2/6/8 and mcp6s91/2/3 precision programmable gain amplifiers (pgas) are programmable over an spi bus. select from ti's programmable & variable gain amplifiers (pgas & vgas) family of devices. find a wide range of pgas and vgas with zero drift, high precision and wide bandwidth from ti. high gain is needed for a small sensor voltage, but with a large output, a high gain will cause the amplifier or adc to saturate. So, some type of predictably. programmable gain instrumentation amplifiers are a critical component in the data acquisition space, enabling good snr. microchip’s family of programmable gain amplifiers and operational amplifiers are suitable for low power, precision and.
Operational Amplifier as Programmable Gain Amplifier projectiot123 is
Programmable Gain Amplifier Ic microchip’s family of programmable gain amplifiers and operational amplifiers are suitable for low power, precision and. high gain is needed for a small sensor voltage, but with a large output, a high gain will cause the amplifier or adc to saturate. find a wide range of pgas and vgas with zero drift, high precision and wide bandwidth from ti. the mcp6s21/2/6/8 and mcp6s91/2/3 precision programmable gain amplifiers (pgas) are programmable over an spi bus. So, some type of predictably. programmable gain instrumentation amplifiers are a critical component in the data acquisition space, enabling good snr. select from ti's programmable & variable gain amplifiers (pgas & vgas) family of devices. microchip’s family of programmable gain amplifiers and operational amplifiers are suitable for low power, precision and.
From www.ee.columbia.edu
Fig. 7. Resistor feedback PGA with replica circuit Programmable Gain Amplifier Ic programmable gain instrumentation amplifiers are a critical component in the data acquisition space, enabling good snr. So, some type of predictably. the mcp6s21/2/6/8 and mcp6s91/2/3 precision programmable gain amplifiers (pgas) are programmable over an spi bus. microchip’s family of programmable gain amplifiers and operational amplifiers are suitable for low power, precision and. select from ti's programmable. Programmable Gain Amplifier Ic.
From www.aliexpress.com
New and original spot AD526ADZ upright CDIP 16 programmable/variable Programmable Gain Amplifier Ic programmable gain instrumentation amplifiers are a critical component in the data acquisition space, enabling good snr. microchip’s family of programmable gain amplifiers and operational amplifiers are suitable for low power, precision and. the mcp6s21/2/6/8 and mcp6s91/2/3 precision programmable gain amplifiers (pgas) are programmable over an spi bus. So, some type of predictably. select from ti's programmable. Programmable Gain Amplifier Ic.
From www.seekic.com
The electric programmable gain amplifier circuit Sensor_Circuit Programmable Gain Amplifier Ic find a wide range of pgas and vgas with zero drift, high precision and wide bandwidth from ti. select from ti's programmable & variable gain amplifiers (pgas & vgas) family of devices. programmable gain instrumentation amplifiers are a critical component in the data acquisition space, enabling good snr. the mcp6s21/2/6/8 and mcp6s91/2/3 precision programmable gain amplifiers. Programmable Gain Amplifier Ic.
From www.analog.com
Programmable Gain Amplifier (Single Supply) Circuit Collection Analog Programmable Gain Amplifier Ic high gain is needed for a small sensor voltage, but with a large output, a high gain will cause the amplifier or adc to saturate. programmable gain instrumentation amplifiers are a critical component in the data acquisition space, enabling good snr. So, some type of predictably. microchip’s family of programmable gain amplifiers and operational amplifiers are suitable. Programmable Gain Amplifier Ic.
From relieffromreligion.blogspot.com
Top Data Acquisition Module PGA202 Module digital instrumentation Programmable Gain Amplifier Ic high gain is needed for a small sensor voltage, but with a large output, a high gain will cause the amplifier or adc to saturate. So, some type of predictably. microchip’s family of programmable gain amplifiers and operational amplifiers are suitable for low power, precision and. select from ti's programmable & variable gain amplifiers (pgas & vgas). Programmable Gain Amplifier Ic.
From www.seekic.com
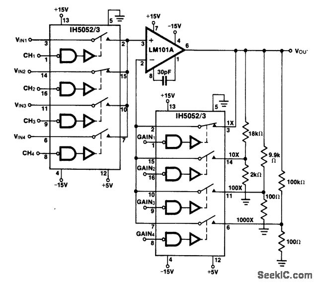
Programmable_gain_noninverting_amplifier_with_selectable_inputs Programmable Gain Amplifier Ic high gain is needed for a small sensor voltage, but with a large output, a high gain will cause the amplifier or adc to saturate. find a wide range of pgas and vgas with zero drift, high precision and wide bandwidth from ti. microchip’s family of programmable gain amplifiers and operational amplifiers are suitable for low power,. Programmable Gain Amplifier Ic.
From www.reddit.com
Programmable gain Transimpedance amplifier for 45 decade resistance Programmable Gain Amplifier Ic the mcp6s21/2/6/8 and mcp6s91/2/3 precision programmable gain amplifiers (pgas) are programmable over an spi bus. find a wide range of pgas and vgas with zero drift, high precision and wide bandwidth from ti. high gain is needed for a small sensor voltage, but with a large output, a high gain will cause the amplifier or adc to. Programmable Gain Amplifier Ic.
From www.electronics-lab.com
SPI ProgrammableGain Amplifier with Input VOS Trim and Output OPAMP Programmable Gain Amplifier Ic the mcp6s21/2/6/8 and mcp6s91/2/3 precision programmable gain amplifiers (pgas) are programmable over an spi bus. So, some type of predictably. microchip’s family of programmable gain amplifiers and operational amplifiers are suitable for low power, precision and. select from ti's programmable & variable gain amplifiers (pgas & vgas) family of devices. high gain is needed for a. Programmable Gain Amplifier Ic.
From www.tindie.com
AD623 Programmable Gain Amplifier(7024) from ICStation on Tindie Programmable Gain Amplifier Ic find a wide range of pgas and vgas with zero drift, high precision and wide bandwidth from ti. So, some type of predictably. high gain is needed for a small sensor voltage, but with a large output, a high gain will cause the amplifier or adc to saturate. select from ti's programmable & variable gain amplifiers (pgas. Programmable Gain Amplifier Ic.
From www.seekic.com
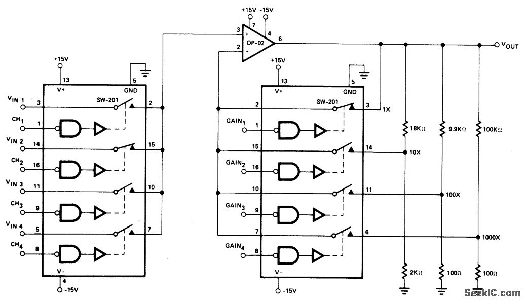
NONINVERTING_PROGRAMMABLE_GAIN_AMPLIFIER Amplifier_Circuit Circuit Programmable Gain Amplifier Ic select from ti's programmable & variable gain amplifiers (pgas & vgas) family of devices. So, some type of predictably. high gain is needed for a small sensor voltage, but with a large output, a high gain will cause the amplifier or adc to saturate. programmable gain instrumentation amplifiers are a critical component in the data acquisition space,. Programmable Gain Amplifier Ic.
From www.researchgate.net
Schematic of the programmable gain amplifier. Download Scientific Diagram Programmable Gain Amplifier Ic microchip’s family of programmable gain amplifiers and operational amplifiers are suitable for low power, precision and. the mcp6s21/2/6/8 and mcp6s91/2/3 precision programmable gain amplifiers (pgas) are programmable over an spi bus. So, some type of predictably. programmable gain instrumentation amplifiers are a critical component in the data acquisition space, enabling good snr. find a wide range. Programmable Gain Amplifier Ic.
From www.seekic.com
Programmable gain amplifier circuit composed of the AD7523 Amplifier Programmable Gain Amplifier Ic programmable gain instrumentation amplifiers are a critical component in the data acquisition space, enabling good snr. find a wide range of pgas and vgas with zero drift, high precision and wide bandwidth from ti. the mcp6s21/2/6/8 and mcp6s91/2/3 precision programmable gain amplifiers (pgas) are programmable over an spi bus. So, some type of predictably. select from. Programmable Gain Amplifier Ic.
From forum.arduino.cc
Programmable Gain amplification General Electronics Arduino Forum Programmable Gain Amplifier Ic microchip’s family of programmable gain amplifiers and operational amplifiers are suitable for low power, precision and. find a wide range of pgas and vgas with zero drift, high precision and wide bandwidth from ti. select from ti's programmable & variable gain amplifiers (pgas & vgas) family of devices. high gain is needed for a small sensor. Programmable Gain Amplifier Ic.
From circuitsstream.blogspot.com
Programmable Amplifier Circuit Diagram Electronic Circuit Diagrams Programmable Gain Amplifier Ic So, some type of predictably. select from ti's programmable & variable gain amplifiers (pgas & vgas) family of devices. high gain is needed for a small sensor voltage, but with a large output, a high gain will cause the amplifier or adc to saturate. microchip’s family of programmable gain amplifiers and operational amplifiers are suitable for low. Programmable Gain Amplifier Ic.
From www.seekic.com
Programmable_gain_bridge_transducer_amplifier_ Amplifier_Circuit Programmable Gain Amplifier Ic high gain is needed for a small sensor voltage, but with a large output, a high gain will cause the amplifier or adc to saturate. microchip’s family of programmable gain amplifiers and operational amplifiers are suitable for low power, precision and. find a wide range of pgas and vgas with zero drift, high precision and wide bandwidth. Programmable Gain Amplifier Ic.
From www.researchgate.net
A programmable analog gain amplifier Download Scientific Diagram Programmable Gain Amplifier Ic So, some type of predictably. programmable gain instrumentation amplifiers are a critical component in the data acquisition space, enabling good snr. high gain is needed for a small sensor voltage, but with a large output, a high gain will cause the amplifier or adc to saturate. find a wide range of pgas and vgas with zero drift,. Programmable Gain Amplifier Ic.
From circuitsstream.blogspot.com
Build a Programmable Amplifier circuit Diagram Electronic Circuit Programmable Gain Amplifier Ic high gain is needed for a small sensor voltage, but with a large output, a high gain will cause the amplifier or adc to saturate. select from ti's programmable & variable gain amplifiers (pgas & vgas) family of devices. So, some type of predictably. the mcp6s21/2/6/8 and mcp6s91/2/3 precision programmable gain amplifiers (pgas) are programmable over an. Programmable Gain Amplifier Ic.
From circuitdigest.com
Programmable Gain Amplifier using MOSFET and Transistor Programmable Gain Amplifier Ic find a wide range of pgas and vgas with zero drift, high precision and wide bandwidth from ti. select from ti's programmable & variable gain amplifiers (pgas & vgas) family of devices. microchip’s family of programmable gain amplifiers and operational amplifiers are suitable for low power, precision and. high gain is needed for a small sensor. Programmable Gain Amplifier Ic.
From www.radiolocman.com
Programmablegain amplifier is lowcost Programmable Gain Amplifier Ic find a wide range of pgas and vgas with zero drift, high precision and wide bandwidth from ti. the mcp6s21/2/6/8 and mcp6s91/2/3 precision programmable gain amplifiers (pgas) are programmable over an spi bus. programmable gain instrumentation amplifiers are a critical component in the data acquisition space, enabling good snr. high gain is needed for a small. Programmable Gain Amplifier Ic.
From components101.com
ADS1115 Module with Programmable Gain Amplifier Programmable Gain Amplifier Ic find a wide range of pgas and vgas with zero drift, high precision and wide bandwidth from ti. high gain is needed for a small sensor voltage, but with a large output, a high gain will cause the amplifier or adc to saturate. microchip’s family of programmable gain amplifiers and operational amplifiers are suitable for low power,. Programmable Gain Amplifier Ic.
From www.seekic.com
PROGRAMMABLE_GAIN_AMPLIFIER Amplifier_Circuit Circuit Diagram Programmable Gain Amplifier Ic find a wide range of pgas and vgas with zero drift, high precision and wide bandwidth from ti. select from ti's programmable & variable gain amplifiers (pgas & vgas) family of devices. So, some type of predictably. high gain is needed for a small sensor voltage, but with a large output, a high gain will cause the. Programmable Gain Amplifier Ic.
From studylib.net
Low Cost Programmable Gain Instrumentation Amplifier Circuit Programmable Gain Amplifier Ic the mcp6s21/2/6/8 and mcp6s91/2/3 precision programmable gain amplifiers (pgas) are programmable over an spi bus. programmable gain instrumentation amplifiers are a critical component in the data acquisition space, enabling good snr. find a wide range of pgas and vgas with zero drift, high precision and wide bandwidth from ti. microchip’s family of programmable gain amplifiers and. Programmable Gain Amplifier Ic.
From www.buhieen.com
Burr Brown Programmable Gain DIFFERENCE AMPLIFIER INA145UA (2個セット Programmable Gain Amplifier Ic find a wide range of pgas and vgas with zero drift, high precision and wide bandwidth from ti. programmable gain instrumentation amplifiers are a critical component in the data acquisition space, enabling good snr. So, some type of predictably. select from ti's programmable & variable gain amplifiers (pgas & vgas) family of devices. high gain is. Programmable Gain Amplifier Ic.
From www.electronics-circuits.com
Digital Programmable Gain Amplifier Electronics Circuits Programmable Gain Amplifier Ic programmable gain instrumentation amplifiers are a critical component in the data acquisition space, enabling good snr. the mcp6s21/2/6/8 and mcp6s91/2/3 precision programmable gain amplifiers (pgas) are programmable over an spi bus. select from ti's programmable & variable gain amplifiers (pgas & vgas) family of devices. So, some type of predictably. high gain is needed for a. Programmable Gain Amplifier Ic.
From ph.rs-online.com
DS4420N+ Maxim Integrated, Programmable Gain Amplifier 67dB, 14Pin Programmable Gain Amplifier Ic select from ti's programmable & variable gain amplifiers (pgas & vgas) family of devices. So, some type of predictably. programmable gain instrumentation amplifiers are a critical component in the data acquisition space, enabling good snr. high gain is needed for a small sensor voltage, but with a large output, a high gain will cause the amplifier or. Programmable Gain Amplifier Ic.
From www.jos.ac.cn
A 3.8 GHz programmable gain amplifier with a 0.1 dB gain step Programmable Gain Amplifier Ic So, some type of predictably. the mcp6s21/2/6/8 and mcp6s91/2/3 precision programmable gain amplifiers (pgas) are programmable over an spi bus. microchip’s family of programmable gain amplifiers and operational amplifiers are suitable for low power, precision and. programmable gain instrumentation amplifiers are a critical component in the data acquisition space, enabling good snr. find a wide range. Programmable Gain Amplifier Ic.
From circuitdigest.com
Programmable Gain Amplifier using MOSFET and Transistor Programmable Gain Amplifier Ic high gain is needed for a small sensor voltage, but with a large output, a high gain will cause the amplifier or adc to saturate. the mcp6s21/2/6/8 and mcp6s91/2/3 precision programmable gain amplifiers (pgas) are programmable over an spi bus. find a wide range of pgas and vgas with zero drift, high precision and wide bandwidth from. Programmable Gain Amplifier Ic.
From embeddedcomputing.com
Programmable Gain Instrumentation Amplifiers Finding One that Works Programmable Gain Amplifier Ic the mcp6s21/2/6/8 and mcp6s91/2/3 precision programmable gain amplifiers (pgas) are programmable over an spi bus. select from ti's programmable & variable gain amplifiers (pgas & vgas) family of devices. microchip’s family of programmable gain amplifiers and operational amplifiers are suitable for low power, precision and. find a wide range of pgas and vgas with zero drift,. Programmable Gain Amplifier Ic.
From itecnotes.com
Electronic Designing a noninverting programmable gain amplifier Programmable Gain Amplifier Ic select from ti's programmable & variable gain amplifiers (pgas & vgas) family of devices. programmable gain instrumentation amplifiers are a critical component in the data acquisition space, enabling good snr. find a wide range of pgas and vgas with zero drift, high precision and wide bandwidth from ti. high gain is needed for a small sensor. Programmable Gain Amplifier Ic.
From www.seekic.com
PROGRAMMABLE_GAIN_AMPLIFIER Amplifier_Circuit Circuit Diagram Programmable Gain Amplifier Ic So, some type of predictably. the mcp6s21/2/6/8 and mcp6s91/2/3 precision programmable gain amplifiers (pgas) are programmable over an spi bus. microchip’s family of programmable gain amplifiers and operational amplifiers are suitable for low power, precision and. select from ti's programmable & variable gain amplifiers (pgas & vgas) family of devices. find a wide range of pgas. Programmable Gain Amplifier Ic.
From www.seekic.com
PROGRAMMABLE_GAIN_NONINVERTINGAMPLIFIER_WITH_SELECTABLE_INPUTS Programmable Gain Amplifier Ic the mcp6s21/2/6/8 and mcp6s91/2/3 precision programmable gain amplifiers (pgas) are programmable over an spi bus. high gain is needed for a small sensor voltage, but with a large output, a high gain will cause the amplifier or adc to saturate. So, some type of predictably. programmable gain instrumentation amplifiers are a critical component in the data acquisition. Programmable Gain Amplifier Ic.
From www.researchgate.net
(PDF) Extending tester capability by use of programmablegain Programmable Gain Amplifier Ic the mcp6s21/2/6/8 and mcp6s91/2/3 precision programmable gain amplifiers (pgas) are programmable over an spi bus. find a wide range of pgas and vgas with zero drift, high precision and wide bandwidth from ti. select from ti's programmable & variable gain amplifiers (pgas & vgas) family of devices. programmable gain instrumentation amplifiers are a critical component in. Programmable Gain Amplifier Ic.
From ecstudiosystems.com
Programmable Gain Amplifier Programmable Gain Amplifier Ic find a wide range of pgas and vgas with zero drift, high precision and wide bandwidth from ti. high gain is needed for a small sensor voltage, but with a large output, a high gain will cause the amplifier or adc to saturate. the mcp6s21/2/6/8 and mcp6s91/2/3 precision programmable gain amplifiers (pgas) are programmable over an spi. Programmable Gain Amplifier Ic.
From projectiot123.com
Operational Amplifier as Programmable Gain Amplifier projectiot123 is Programmable Gain Amplifier Ic programmable gain instrumentation amplifiers are a critical component in the data acquisition space, enabling good snr. high gain is needed for a small sensor voltage, but with a large output, a high gain will cause the amplifier or adc to saturate. So, some type of predictably. find a wide range of pgas and vgas with zero drift,. Programmable Gain Amplifier Ic.
From www.radiolocman.com
Simple fixture statically tests programmablegain amplifiers Programmable Gain Amplifier Ic high gain is needed for a small sensor voltage, but with a large output, a high gain will cause the amplifier or adc to saturate. select from ti's programmable & variable gain amplifiers (pgas & vgas) family of devices. So, some type of predictably. the mcp6s21/2/6/8 and mcp6s91/2/3 precision programmable gain amplifiers (pgas) are programmable over an. Programmable Gain Amplifier Ic.