From www.researchgate.net
Fully differential folded cascode op amp with gain boosting amplifiers Fully Differential Programmable Gain Amplifier a programmable gain amplifier (pga) is presented, targeting amplifying input signal with high dynamic range and low. texas instruments (ti) (nasdaq: Fully Differential Programmable Gain Amplifier.
From www.eenewseurope.com
Highprecision, fully differential programmable gain amplifier Fully Differential Programmable Gain Amplifier a programmable gain amplifier (pga) is presented, targeting amplifying input signal with high dynamic range and low. texas instruments (ti) (nasdaq: Fully Differential Programmable Gain Amplifier.
From www.edn.com
Fully differential amplifiers remove noise from commonmode signals EDN Fully Differential Programmable Gain Amplifier a programmable gain amplifier (pga) is presented, targeting amplifying input signal with high dynamic range and low. texas instruments (ti) (nasdaq: Fully Differential Programmable Gain Amplifier.
From www.eeweb.com
High Precision FixedGain Fully Differential Amplifiers/ADC Drivers Fully Differential Programmable Gain Amplifier a programmable gain amplifier (pga) is presented, targeting amplifying input signal with high dynamic range and low. texas instruments (ti) (nasdaq: Fully Differential Programmable Gain Amplifier.
From uspto.report
Fullydifferential programmable gain amplifier Patent Grant Danyuk , et Fully Differential Programmable Gain Amplifier a programmable gain amplifier (pga) is presented, targeting amplifying input signal with high dynamic range and low. texas instruments (ti) (nasdaq: Fully Differential Programmable Gain Amplifier.
From datasheetspdf.com
DS4420 Datasheet PDF I2C Programmable Gain Amplifier Fully Differential Programmable Gain Amplifier texas instruments (ti) (nasdaq: a programmable gain amplifier (pga) is presented, targeting amplifying input signal with high dynamic range and low. Fully Differential Programmable Gain Amplifier.
From forum.arduino.cc
Programmable Gain amplification General Electronics Arduino Forum Fully Differential Programmable Gain Amplifier a programmable gain amplifier (pga) is presented, targeting amplifying input signal with high dynamic range and low. texas instruments (ti) (nasdaq: Fully Differential Programmable Gain Amplifier.
From www.mouser.com
THP210 Fully Differential Amplifier TI Mouser Fully Differential Programmable Gain Amplifier a programmable gain amplifier (pga) is presented, targeting amplifying input signal with high dynamic range and low. texas instruments (ti) (nasdaq: Fully Differential Programmable Gain Amplifier.
From www.mdpi.com
JLPEA Free FullText Fully Differential Miller OpAmp with Enhanced Fully Differential Programmable Gain Amplifier texas instruments (ti) (nasdaq: a programmable gain amplifier (pga) is presented, targeting amplifying input signal with high dynamic range and low. Fully Differential Programmable Gain Amplifier.
From www.researchgate.net
Schematic diagram of the programmable gain current amplifier system Fully Differential Programmable Gain Amplifier texas instruments (ti) (nasdaq: a programmable gain amplifier (pga) is presented, targeting amplifying input signal with high dynamic range and low. Fully Differential Programmable Gain Amplifier.
From www.researchgate.net
fully differential folded cascaded opamp with fully differential Fully Differential Programmable Gain Amplifier a programmable gain amplifier (pga) is presented, targeting amplifying input signal with high dynamic range and low. texas instruments (ti) (nasdaq: Fully Differential Programmable Gain Amplifier.
From exohmgihz.blob.core.windows.net
Differential Amplifier Op Amp Circuit at Paul Callahan blog Fully Differential Programmable Gain Amplifier texas instruments (ti) (nasdaq: a programmable gain amplifier (pga) is presented, targeting amplifying input signal with high dynamic range and low. Fully Differential Programmable Gain Amplifier.
From www.analog.com
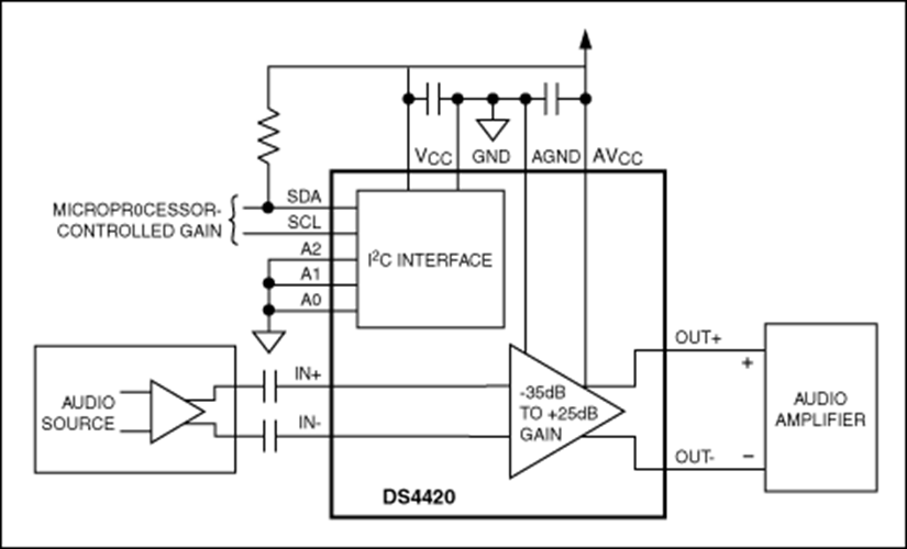
DS4420 I²C Programmable Gain Amplifier for Audio Applications Analog Fully Differential Programmable Gain Amplifier texas instruments (ti) (nasdaq: a programmable gain amplifier (pga) is presented, targeting amplifying input signal with high dynamic range and low. Fully Differential Programmable Gain Amplifier.
From www.mdpi.com
JLPEA Free FullText Fully Differential Miller OpAmp with Enhanced Fully Differential Programmable Gain Amplifier texas instruments (ti) (nasdaq: a programmable gain amplifier (pga) is presented, targeting amplifying input signal with high dynamic range and low. Fully Differential Programmable Gain Amplifier.
From www.semanticscholar.org
[PDF] Low voltage digitally programmable gain and bandwidth fully Fully Differential Programmable Gain Amplifier a programmable gain amplifier (pga) is presented, targeting amplifying input signal with high dynamic range and low. texas instruments (ti) (nasdaq: Fully Differential Programmable Gain Amplifier.
From elektroverteilunggarten.blogspot.com
Elektroverteilung garten Fully differential amplifier Fully Differential Programmable Gain Amplifier texas instruments (ti) (nasdaq: a programmable gain amplifier (pga) is presented, targeting amplifying input signal with high dynamic range and low. Fully Differential Programmable Gain Amplifier.
From www.ee.columbia.edu
Fig. 7. Resistor feedback PGA with replica circuit Fully Differential Programmable Gain Amplifier a programmable gain amplifier (pga) is presented, targeting amplifying input signal with high dynamic range and low. texas instruments (ti) (nasdaq: Fully Differential Programmable Gain Amplifier.
From www.researchgate.net
Schematic of the programmable gain amplifier. Download Scientific Diagram Fully Differential Programmable Gain Amplifier texas instruments (ti) (nasdaq: a programmable gain amplifier (pga) is presented, targeting amplifying input signal with high dynamic range and low. Fully Differential Programmable Gain Amplifier.
From dokumen.tips
(PDF) Precision, Selectable Gain, Fully Differential Funnel Amplifier Fully Differential Programmable Gain Amplifier texas instruments (ti) (nasdaq: a programmable gain amplifier (pga) is presented, targeting amplifying input signal with high dynamic range and low. Fully Differential Programmable Gain Amplifier.
From www.aliexpress.com
AD8368 Programmable Gain Amplifier OP Amp Differential Amplifier Fully Differential Programmable Gain Amplifier a programmable gain amplifier (pga) is presented, targeting amplifying input signal with high dynamic range and low. texas instruments (ti) (nasdaq: Fully Differential Programmable Gain Amplifier.
From conocimientosfullydifferentialop.blogspot.com
29 Fully Differential Operational Amplifiers Fully Differential Programmable Gain Amplifier texas instruments (ti) (nasdaq: a programmable gain amplifier (pga) is presented, targeting amplifying input signal with high dynamic range and low. Fully Differential Programmable Gain Amplifier.
From uspto.report
Fullydifferential programmable gain amplifier Patent Grant Danyuk , et Fully Differential Programmable Gain Amplifier a programmable gain amplifier (pga) is presented, targeting amplifying input signal with high dynamic range and low. texas instruments (ti) (nasdaq: Fully Differential Programmable Gain Amplifier.
From www.seekic.com
PROGRAMMABLE_GAIN_AMPLIFIER Amplifier_Circuit Circuit Diagram Fully Differential Programmable Gain Amplifier a programmable gain amplifier (pga) is presented, targeting amplifying input signal with high dynamic range and low. texas instruments (ti) (nasdaq: Fully Differential Programmable Gain Amplifier.
From www.youtube.com
Differential Mode Gain Calculation in Differential Amplifier YouTube Fully Differential Programmable Gain Amplifier a programmable gain amplifier (pga) is presented, targeting amplifying input signal with high dynamic range and low. texas instruments (ti) (nasdaq: Fully Differential Programmable Gain Amplifier.
From www.harmanluxuryaudionews.com
Tech Talk Harman Luxury Audio News Fully Differential Programmable Gain Amplifier a programmable gain amplifier (pga) is presented, targeting amplifying input signal with high dynamic range and low. texas instruments (ti) (nasdaq: Fully Differential Programmable Gain Amplifier.
From guidejuissethell8k.z22.web.core.windows.net
What Is The Differential Amplifier Fully Differential Programmable Gain Amplifier a programmable gain amplifier (pga) is presented, targeting amplifying input signal with high dynamic range and low. texas instruments (ti) (nasdaq: Fully Differential Programmable Gain Amplifier.
From studylib.net
HighSpeed, Fully Differential, Programmable Gain Amplifier (Rev. A) Fully Differential Programmable Gain Amplifier a programmable gain amplifier (pga) is presented, targeting amplifying input signal with high dynamic range and low. texas instruments (ti) (nasdaq: Fully Differential Programmable Gain Amplifier.
From www.amb.org
The α24 fullydifferential line amplifier Fully Differential Programmable Gain Amplifier a programmable gain amplifier (pga) is presented, targeting amplifying input signal with high dynamic range and low. texas instruments (ti) (nasdaq: Fully Differential Programmable Gain Amplifier.
From conocimientosfullydifferentialop.blogspot.com
29 Fully Differential Operational Amplifiers A Fully Differential Programmable Gain Amplifier texas instruments (ti) (nasdaq: a programmable gain amplifier (pga) is presented, targeting amplifying input signal with high dynamic range and low. Fully Differential Programmable Gain Amplifier.
From electronics.stackexchange.com
operational amplifier Instability of fully differential opamp in Fully Differential Programmable Gain Amplifier a programmable gain amplifier (pga) is presented, targeting amplifying input signal with high dynamic range and low. texas instruments (ti) (nasdaq: Fully Differential Programmable Gain Amplifier.
From uspto.report
Fullydifferential programmable gain amplifier Patent Grant Danyuk , et Fully Differential Programmable Gain Amplifier texas instruments (ti) (nasdaq: a programmable gain amplifier (pga) is presented, targeting amplifying input signal with high dynamic range and low. Fully Differential Programmable Gain Amplifier.
From www.ee.columbia.edu
Fig. 7. Resistor feedback PGA with replica circuit Fully Differential Programmable Gain Amplifier a programmable gain amplifier (pga) is presented, targeting amplifying input signal with high dynamic range and low. texas instruments (ti) (nasdaq: Fully Differential Programmable Gain Amplifier.
From www.radiolocman.com
Differential I/O lowpower instrumentation amp Fully Differential Programmable Gain Amplifier a programmable gain amplifier (pga) is presented, targeting amplifying input signal with high dynamic range and low. texas instruments (ti) (nasdaq: Fully Differential Programmable Gain Amplifier.
From www.datasheets.com
Low Power Fully Differential Programmable Gain Amplifier Reference Fully Differential Programmable Gain Amplifier a programmable gain amplifier (pga) is presented, targeting amplifying input signal with high dynamic range and low. texas instruments (ti) (nasdaq: Fully Differential Programmable Gain Amplifier.
From www.researchgate.net
(PDF) Low supply voltage, low noise fully differential programmable Fully Differential Programmable Gain Amplifier a programmable gain amplifier (pga) is presented, targeting amplifying input signal with high dynamic range and low. texas instruments (ti) (nasdaq: Fully Differential Programmable Gain Amplifier.