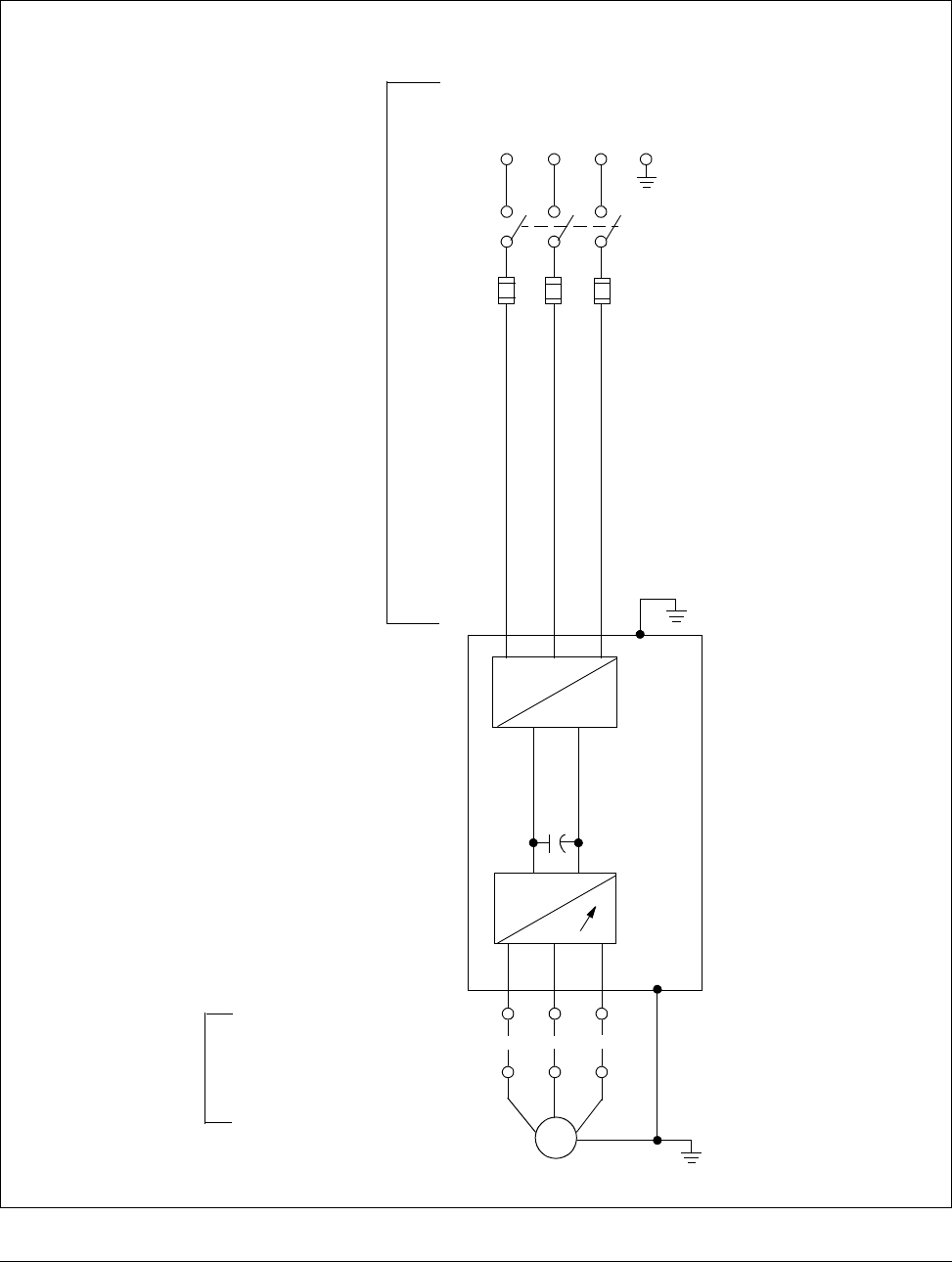
Reliance Drive Sp500 Manual . Check that the wire sizes a. View and download reliance electric sp500 installation and operation manual online. Reliance sp500 controller pdf manual download. View and download rockwell automation reliance sp500 installation and operation manual online. The procedure is meant to explain and condense the installation and operation manual to the basic and most used View and download rockwell automation reliance electric sp500 installation and operation manual online. Sp500 controller pdf manual download. Chapter 1 introduction this chapter describes the manual’s intended audience and provides an overview of the sp500 drive’s installation.
from usermanual.wiki
Check that the wire sizes a. View and download rockwell automation reliance electric sp500 installation and operation manual online. View and download reliance electric sp500 installation and operation manual online. The procedure is meant to explain and condense the installation and operation manual to the basic and most used Chapter 1 introduction this chapter describes the manual’s intended audience and provides an overview of the sp500 drive’s installation. Reliance sp500 controller pdf manual download. Sp500 controller pdf manual download. View and download rockwell automation reliance sp500 installation and operation manual online.
SP500 AC Drive Installation And Operation Manual
Reliance Drive Sp500 Manual The procedure is meant to explain and condense the installation and operation manual to the basic and most used Reliance sp500 controller pdf manual download. View and download rockwell automation reliance electric sp500 installation and operation manual online. Sp500 controller pdf manual download. View and download reliance electric sp500 installation and operation manual online. View and download rockwell automation reliance sp500 installation and operation manual online. Chapter 1 introduction this chapter describes the manual’s intended audience and provides an overview of the sp500 drive’s installation. The procedure is meant to explain and condense the installation and operation manual to the basic and most used Check that the wire sizes a.
From usermanual.wiki
SP500 AC Drive Installation And Operation Manual Reliance Drive Sp500 Manual Check that the wire sizes a. Sp500 controller pdf manual download. View and download rockwell automation reliance electric sp500 installation and operation manual online. View and download rockwell automation reliance sp500 installation and operation manual online. Reliance sp500 controller pdf manual download. Chapter 1 introduction this chapter describes the manual’s intended audience and provides an overview of the sp500 drive’s. Reliance Drive Sp500 Manual.
From usermanual.wiki
SP500 AC Drive Installation And Operation Manual Reliance Drive Sp500 Manual View and download reliance electric sp500 installation and operation manual online. Check that the wire sizes a. Reliance sp500 controller pdf manual download. View and download rockwell automation reliance electric sp500 installation and operation manual online. Chapter 1 introduction this chapter describes the manual’s intended audience and provides an overview of the sp500 drive’s installation. View and download rockwell automation. Reliance Drive Sp500 Manual.
From usermanual.wiki
SP500 AC Drive Installation And Operation Manual Reliance Drive Sp500 Manual The procedure is meant to explain and condense the installation and operation manual to the basic and most used Reliance sp500 controller pdf manual download. View and download rockwell automation reliance electric sp500 installation and operation manual online. Sp500 controller pdf manual download. Check that the wire sizes a. Chapter 1 introduction this chapter describes the manual’s intended audience and. Reliance Drive Sp500 Manual.
From usermanual.wiki
SP500 AC Drive Installation And Operation Manual Reliance Drive Sp500 Manual View and download rockwell automation reliance electric sp500 installation and operation manual online. Check that the wire sizes a. View and download reliance electric sp500 installation and operation manual online. Sp500 controller pdf manual download. The procedure is meant to explain and condense the installation and operation manual to the basic and most used Chapter 1 introduction this chapter describes. Reliance Drive Sp500 Manual.
From usermanual.wiki
SP500 AC Drive Installation And Operation Manual Reliance Drive Sp500 Manual View and download rockwell automation reliance sp500 installation and operation manual online. The procedure is meant to explain and condense the installation and operation manual to the basic and most used View and download rockwell automation reliance electric sp500 installation and operation manual online. Reliance sp500 controller pdf manual download. Check that the wire sizes a. Sp500 controller pdf manual. Reliance Drive Sp500 Manual.
From shop.metallogics.com
Reliance D233565 SP500 AC Drive Manual Metal Logics, Inc. Reliance Drive Sp500 Manual View and download rockwell automation reliance electric sp500 installation and operation manual online. The procedure is meant to explain and condense the installation and operation manual to the basic and most used Chapter 1 introduction this chapter describes the manual’s intended audience and provides an overview of the sp500 drive’s installation. Check that the wire sizes a. View and download. Reliance Drive Sp500 Manual.
From usermanual.wiki
SP500 AC Drive Installation And Operation Manual Reliance Drive Sp500 Manual View and download reliance electric sp500 installation and operation manual online. Sp500 controller pdf manual download. Reliance sp500 controller pdf manual download. Chapter 1 introduction this chapter describes the manual’s intended audience and provides an overview of the sp500 drive’s installation. Check that the wire sizes a. View and download rockwell automation reliance sp500 installation and operation manual online. View. Reliance Drive Sp500 Manual.
From usermanual.wiki
SP500 AC Drive Installation And Operation Manual Reliance Drive Sp500 Manual The procedure is meant to explain and condense the installation and operation manual to the basic and most used Chapter 1 introduction this chapter describes the manual’s intended audience and provides an overview of the sp500 drive’s installation. View and download rockwell automation reliance electric sp500 installation and operation manual online. Reliance sp500 controller pdf manual download. View and download. Reliance Drive Sp500 Manual.
From usermanual.wiki
SP500 AC Drive Installation And Operation Manual Reliance Drive Sp500 Manual Chapter 1 introduction this chapter describes the manual’s intended audience and provides an overview of the sp500 drive’s installation. Reliance sp500 controller pdf manual download. View and download rockwell automation reliance electric sp500 installation and operation manual online. View and download rockwell automation reliance sp500 installation and operation manual online. Sp500 controller pdf manual download. Check that the wire sizes. Reliance Drive Sp500 Manual.
From usermanual.wiki
SP500 AC Drive Installation And Operation Manual Reliance Drive Sp500 Manual View and download rockwell automation reliance sp500 installation and operation manual online. Sp500 controller pdf manual download. The procedure is meant to explain and condense the installation and operation manual to the basic and most used View and download reliance electric sp500 installation and operation manual online. Chapter 1 introduction this chapter describes the manual’s intended audience and provides an. Reliance Drive Sp500 Manual.
From usermanual.wiki
SP500 AC Drive Installation And Operation Manual Reliance Drive Sp500 Manual Check that the wire sizes a. View and download reliance electric sp500 installation and operation manual online. View and download rockwell automation reliance sp500 installation and operation manual online. Reliance sp500 controller pdf manual download. View and download rockwell automation reliance electric sp500 installation and operation manual online. Chapter 1 introduction this chapter describes the manual’s intended audience and provides. Reliance Drive Sp500 Manual.
From usermanual.wiki
SP500 AC Drive Installation And Operation Manual Reliance Drive Sp500 Manual View and download rockwell automation reliance sp500 installation and operation manual online. Sp500 controller pdf manual download. Reliance sp500 controller pdf manual download. View and download rockwell automation reliance electric sp500 installation and operation manual online. View and download reliance electric sp500 installation and operation manual online. Check that the wire sizes a. The procedure is meant to explain and. Reliance Drive Sp500 Manual.
From usermanual.wiki
SP500 AC Drive Installation And Operation Manual Reliance Drive Sp500 Manual Reliance sp500 controller pdf manual download. Chapter 1 introduction this chapter describes the manual’s intended audience and provides an overview of the sp500 drive’s installation. View and download reliance electric sp500 installation and operation manual online. View and download rockwell automation reliance electric sp500 installation and operation manual online. View and download rockwell automation reliance sp500 installation and operation manual. Reliance Drive Sp500 Manual.
From usermanual.wiki
SP500 AC Drive Installation And Operation Manual Reliance Drive Sp500 Manual Chapter 1 introduction this chapter describes the manual’s intended audience and provides an overview of the sp500 drive’s installation. View and download rockwell automation reliance sp500 installation and operation manual online. Sp500 controller pdf manual download. Reliance sp500 controller pdf manual download. View and download rockwell automation reliance electric sp500 installation and operation manual online. View and download reliance electric. Reliance Drive Sp500 Manual.
From usermanual.wiki
SP500 AC Drive Installation And Operation Manual Reliance Drive Sp500 Manual Sp500 controller pdf manual download. Check that the wire sizes a. View and download reliance electric sp500 installation and operation manual online. View and download rockwell automation reliance sp500 installation and operation manual online. View and download rockwell automation reliance electric sp500 installation and operation manual online. The procedure is meant to explain and condense the installation and operation manual. Reliance Drive Sp500 Manual.
From usermanual.wiki
SP500 AC Drive Installation And Operation Manual Reliance Drive Sp500 Manual View and download rockwell automation reliance sp500 installation and operation manual online. View and download rockwell automation reliance electric sp500 installation and operation manual online. Chapter 1 introduction this chapter describes the manual’s intended audience and provides an overview of the sp500 drive’s installation. The procedure is meant to explain and condense the installation and operation manual to the basic. Reliance Drive Sp500 Manual.
From www.ebay.com
Rockwell Reliance SP500 AC Drive Installation Operation Manual D23356 Reliance Drive Sp500 Manual View and download rockwell automation reliance sp500 installation and operation manual online. View and download rockwell automation reliance electric sp500 installation and operation manual online. Sp500 controller pdf manual download. The procedure is meant to explain and condense the installation and operation manual to the basic and most used Chapter 1 introduction this chapter describes the manual’s intended audience and. Reliance Drive Sp500 Manual.
From usermanual.wiki
SP500 AC Drive Installation And Operation Manual Reliance Drive Sp500 Manual Sp500 controller pdf manual download. The procedure is meant to explain and condense the installation and operation manual to the basic and most used Reliance sp500 controller pdf manual download. View and download rockwell automation reliance electric sp500 installation and operation manual online. Check that the wire sizes a. Chapter 1 introduction this chapter describes the manual’s intended audience and. Reliance Drive Sp500 Manual.
From usermanual.wiki
SP500 AC Drive Installation And Operation Manual Reliance Drive Sp500 Manual View and download rockwell automation reliance sp500 installation and operation manual online. Chapter 1 introduction this chapter describes the manual’s intended audience and provides an overview of the sp500 drive’s installation. Reliance sp500 controller pdf manual download. Check that the wire sizes a. The procedure is meant to explain and condense the installation and operation manual to the basic and. Reliance Drive Sp500 Manual.
From usermanual.wiki
SP500 AC Drive Installation And Operation Manual Reliance Drive Sp500 Manual View and download rockwell automation reliance electric sp500 installation and operation manual online. Chapter 1 introduction this chapter describes the manual’s intended audience and provides an overview of the sp500 drive’s installation. Sp500 controller pdf manual download. View and download reliance electric sp500 installation and operation manual online. Reliance sp500 controller pdf manual download. View and download rockwell automation reliance. Reliance Drive Sp500 Manual.
From usermanual.wiki
SP500 AC Drive Installation And Operation Manual Reliance Drive Sp500 Manual The procedure is meant to explain and condense the installation and operation manual to the basic and most used View and download rockwell automation reliance electric sp500 installation and operation manual online. Check that the wire sizes a. Chapter 1 introduction this chapter describes the manual’s intended audience and provides an overview of the sp500 drive’s installation. View and download. Reliance Drive Sp500 Manual.
From usermanual.wiki
SP500 AC Drive Installation And Operation Manual Reliance Drive Sp500 Manual Sp500 controller pdf manual download. View and download reliance electric sp500 installation and operation manual online. View and download rockwell automation reliance electric sp500 installation and operation manual online. View and download rockwell automation reliance sp500 installation and operation manual online. Check that the wire sizes a. Chapter 1 introduction this chapter describes the manual’s intended audience and provides an. Reliance Drive Sp500 Manual.
From usermanual.wiki
SP500 AC Drive Installation And Operation Manual Reliance Drive Sp500 Manual View and download reliance electric sp500 installation and operation manual online. Check that the wire sizes a. View and download rockwell automation reliance electric sp500 installation and operation manual online. Chapter 1 introduction this chapter describes the manual’s intended audience and provides an overview of the sp500 drive’s installation. The procedure is meant to explain and condense the installation and. Reliance Drive Sp500 Manual.
From usermanual.wiki
SP500 AC Drive Installation And Operation Manual Reliance Drive Sp500 Manual The procedure is meant to explain and condense the installation and operation manual to the basic and most used Reliance sp500 controller pdf manual download. View and download rockwell automation reliance electric sp500 installation and operation manual online. View and download rockwell automation reliance sp500 installation and operation manual online. Chapter 1 introduction this chapter describes the manual’s intended audience. Reliance Drive Sp500 Manual.
From usermanual.wiki
SP500 AC Drive Installation And Operation Manual Reliance Drive Sp500 Manual View and download rockwell automation reliance sp500 installation and operation manual online. The procedure is meant to explain and condense the installation and operation manual to the basic and most used Chapter 1 introduction this chapter describes the manual’s intended audience and provides an overview of the sp500 drive’s installation. View and download rockwell automation reliance electric sp500 installation and. Reliance Drive Sp500 Manual.
From usermanual.wiki
SP500 AC Drive Installation And Operation Manual Reliance Drive Sp500 Manual The procedure is meant to explain and condense the installation and operation manual to the basic and most used Check that the wire sizes a. View and download rockwell automation reliance electric sp500 installation and operation manual online. Sp500 controller pdf manual download. Reliance sp500 controller pdf manual download. View and download rockwell automation reliance sp500 installation and operation manual. Reliance Drive Sp500 Manual.
From www.yumpu.com
Installation and Operation Manual for the SP500 Reliance Electric Reliance Drive Sp500 Manual Chapter 1 introduction this chapter describes the manual’s intended audience and provides an overview of the sp500 drive’s installation. View and download rockwell automation reliance sp500 installation and operation manual online. View and download rockwell automation reliance electric sp500 installation and operation manual online. Check that the wire sizes a. The procedure is meant to explain and condense the installation. Reliance Drive Sp500 Manual.
From usermanual.wiki
SP500 AC Drive Installation And Operation Manual Reliance Drive Sp500 Manual Reliance sp500 controller pdf manual download. Sp500 controller pdf manual download. Chapter 1 introduction this chapter describes the manual’s intended audience and provides an overview of the sp500 drive’s installation. The procedure is meant to explain and condense the installation and operation manual to the basic and most used Check that the wire sizes a. View and download rockwell automation. Reliance Drive Sp500 Manual.
From www.technicianmanuals.com
Reliance Electric SP500 AC Drives Manuals, PDFs, Datasheets, Data Reliance Drive Sp500 Manual View and download reliance electric sp500 installation and operation manual online. View and download rockwell automation reliance sp500 installation and operation manual online. Check that the wire sizes a. The procedure is meant to explain and condense the installation and operation manual to the basic and most used View and download rockwell automation reliance electric sp500 installation and operation manual. Reliance Drive Sp500 Manual.
From usermanual.wiki
SP500 AC Drive Installation And Operation Manual Reliance Drive Sp500 Manual View and download rockwell automation reliance electric sp500 installation and operation manual online. The procedure is meant to explain and condense the installation and operation manual to the basic and most used Chapter 1 introduction this chapter describes the manual’s intended audience and provides an overview of the sp500 drive’s installation. Check that the wire sizes a. View and download. Reliance Drive Sp500 Manual.
From usermanual.wiki
SP500 AC Drive Installation And Operation Manual Reliance Drive Sp500 Manual Sp500 controller pdf manual download. View and download rockwell automation reliance sp500 installation and operation manual online. Check that the wire sizes a. Reliance sp500 controller pdf manual download. View and download reliance electric sp500 installation and operation manual online. View and download rockwell automation reliance electric sp500 installation and operation manual online. Chapter 1 introduction this chapter describes the. Reliance Drive Sp500 Manual.
From usermanual.wiki
SP500 AC Drive Installation And Operation Manual Reliance Drive Sp500 Manual View and download rockwell automation reliance sp500 installation and operation manual online. The procedure is meant to explain and condense the installation and operation manual to the basic and most used View and download reliance electric sp500 installation and operation manual online. View and download rockwell automation reliance electric sp500 installation and operation manual online. Reliance sp500 controller pdf manual. Reliance Drive Sp500 Manual.
From www.technicianmanuals.com
Reliance Electric SP500 AC Drives Manuals, PDFs, Datasheets, Data Reliance Drive Sp500 Manual View and download rockwell automation reliance sp500 installation and operation manual online. Check that the wire sizes a. View and download reliance electric sp500 installation and operation manual online. View and download rockwell automation reliance electric sp500 installation and operation manual online. The procedure is meant to explain and condense the installation and operation manual to the basic and most. Reliance Drive Sp500 Manual.
From usermanual.wiki
SP500 AC Drive Installation And Operation Manual Reliance Drive Sp500 Manual Sp500 controller pdf manual download. Check that the wire sizes a. Chapter 1 introduction this chapter describes the manual’s intended audience and provides an overview of the sp500 drive’s installation. View and download rockwell automation reliance electric sp500 installation and operation manual online. View and download reliance electric sp500 installation and operation manual online. The procedure is meant to explain. Reliance Drive Sp500 Manual.
From usermanual.wiki
SP500 AC Drive Installation And Operation Manual Reliance Drive Sp500 Manual Reliance sp500 controller pdf manual download. The procedure is meant to explain and condense the installation and operation manual to the basic and most used View and download reliance electric sp500 installation and operation manual online. View and download rockwell automation reliance sp500 installation and operation manual online. View and download rockwell automation reliance electric sp500 installation and operation manual. Reliance Drive Sp500 Manual.