Instrumentation Amplifier Common Mode Range . simultaneously rejecting volts of common mode (cm) signal at its inputs. instrumentation amplifiers are most of all characterized by how well they suppress the common mode voltage.
from www.slideserve.com
instrumentation amplifiers are most of all characterized by how well they suppress the common mode voltage. simultaneously rejecting volts of common mode (cm) signal at its inputs.
PPT Chapter 11 Amplifiers Specifications and External
Instrumentation Amplifier Common Mode Range instrumentation amplifiers are most of all characterized by how well they suppress the common mode voltage. instrumentation amplifiers are most of all characterized by how well they suppress the common mode voltage. simultaneously rejecting volts of common mode (cm) signal at its inputs.
From e2e.ti.com
Cascading two instrumentation amplifiers...will the common mode range Instrumentation Amplifier Common Mode Range instrumentation amplifiers are most of all characterized by how well they suppress the common mode voltage. simultaneously rejecting volts of common mode (cm) signal at its inputs. Instrumentation Amplifier Common Mode Range.
From e2e.ti.com
[FAQ] Common Mode Voltage Range vs. Input Voltage Range for a Instrumentation Amplifier Common Mode Range instrumentation amplifiers are most of all characterized by how well they suppress the common mode voltage. simultaneously rejecting volts of common mode (cm) signal at its inputs. Instrumentation Amplifier Common Mode Range.
From www.circuitbread.com
What is CommonMode Rejection Ratio in Opamps? CircuitBread Instrumentation Amplifier Common Mode Range instrumentation amplifiers are most of all characterized by how well they suppress the common mode voltage. simultaneously rejecting volts of common mode (cm) signal at its inputs. Instrumentation Amplifier Common Mode Range.
From sonny-has-shah.blogspot.com
Common Mode Gain of Mosfet Differential Amplifier SonnyhasShah Instrumentation Amplifier Common Mode Range simultaneously rejecting volts of common mode (cm) signal at its inputs. instrumentation amplifiers are most of all characterized by how well they suppress the common mode voltage. Instrumentation Amplifier Common Mode Range.
From www.analog.com
LT6015 Gain of 100 High Voltage Difference Amplifier with 5V/75V Instrumentation Amplifier Common Mode Range simultaneously rejecting volts of common mode (cm) signal at its inputs. instrumentation amplifiers are most of all characterized by how well they suppress the common mode voltage. Instrumentation Amplifier Common Mode Range.
From toshiba.semicon-storage.com
What is the commonmode input voltage of an opamp? Toshiba Instrumentation Amplifier Common Mode Range simultaneously rejecting volts of common mode (cm) signal at its inputs. instrumentation amplifiers are most of all characterized by how well they suppress the common mode voltage. Instrumentation Amplifier Common Mode Range.
From www.chegg.com
Solved Consider the instrumentation amplifier of Fig. Instrumentation Amplifier Common Mode Range simultaneously rejecting volts of common mode (cm) signal at its inputs. instrumentation amplifiers are most of all characterized by how well they suppress the common mode voltage. Instrumentation Amplifier Common Mode Range.
From fdgfhghu.blogspot.com
[Download 31+] Schematic Diagram Of Common Mode Differential Amplifier Instrumentation Amplifier Common Mode Range simultaneously rejecting volts of common mode (cm) signal at its inputs. instrumentation amplifiers are most of all characterized by how well they suppress the common mode voltage. Instrumentation Amplifier Common Mode Range.
From brisafersmccall.blogspot.com
Common Mode Gain of Mosfet Differential Amplifier Instrumentation Amplifier Common Mode Range simultaneously rejecting volts of common mode (cm) signal at its inputs. instrumentation amplifiers are most of all characterized by how well they suppress the common mode voltage. Instrumentation Amplifier Common Mode Range.
From www.slideserve.com
PPT Chapter 11 Amplifiers Specifications and External Instrumentation Amplifier Common Mode Range instrumentation amplifiers are most of all characterized by how well they suppress the common mode voltage. simultaneously rejecting volts of common mode (cm) signal at its inputs. Instrumentation Amplifier Common Mode Range.
From www.researchgate.net
High bandwidth instrumentation amplifier Differential and common mode Instrumentation Amplifier Common Mode Range simultaneously rejecting volts of common mode (cm) signal at its inputs. instrumentation amplifiers are most of all characterized by how well they suppress the common mode voltage. Instrumentation Amplifier Common Mode Range.
From www.youtube.com
Instrumentation Amplifier using Transducer bridge(Derivation and Instrumentation Amplifier Common Mode Range instrumentation amplifiers are most of all characterized by how well they suppress the common mode voltage. simultaneously rejecting volts of common mode (cm) signal at its inputs. Instrumentation Amplifier Common Mode Range.
From www.edn.com
The right way to use instrumentation amplifiers EDN Instrumentation Amplifier Common Mode Range simultaneously rejecting volts of common mode (cm) signal at its inputs. instrumentation amplifiers are most of all characterized by how well they suppress the common mode voltage. Instrumentation Amplifier Common Mode Range.
From www.slideserve.com
PPT Chapter 3ster Amplifiers and Signal Processing PowerPoint Instrumentation Amplifier Common Mode Range simultaneously rejecting volts of common mode (cm) signal at its inputs. instrumentation amplifiers are most of all characterized by how well they suppress the common mode voltage. Instrumentation Amplifier Common Mode Range.
From slidetodoc.com
Common mode feedback for fully differential amplifiers Differential Instrumentation Amplifier Common Mode Range instrumentation amplifiers are most of all characterized by how well they suppress the common mode voltage. simultaneously rejecting volts of common mode (cm) signal at its inputs. Instrumentation Amplifier Common Mode Range.
From electronics.stackexchange.com
operational amplifier Common mode range? Electrical Engineering Instrumentation Amplifier Common Mode Range instrumentation amplifiers are most of all characterized by how well they suppress the common mode voltage. simultaneously rejecting volts of common mode (cm) signal at its inputs. Instrumentation Amplifier Common Mode Range.
From www.edn.com
Understanding CMR and instrumentation amplifiers EDN Instrumentation Amplifier Common Mode Range simultaneously rejecting volts of common mode (cm) signal at its inputs. instrumentation amplifiers are most of all characterized by how well they suppress the common mode voltage. Instrumentation Amplifier Common Mode Range.
From wiraelectrical.com
Instrumentation Amplifiers Circuit and Example Wira Electrical Instrumentation Amplifier Common Mode Range simultaneously rejecting volts of common mode (cm) signal at its inputs. instrumentation amplifiers are most of all characterized by how well they suppress the common mode voltage. Instrumentation Amplifier Common Mode Range.
From www.edn.com
The right way to use instrumentation amplifiers EDN Instrumentation Amplifier Common Mode Range simultaneously rejecting volts of common mode (cm) signal at its inputs. instrumentation amplifiers are most of all characterized by how well they suppress the common mode voltage. Instrumentation Amplifier Common Mode Range.
From www.analog.com
Wide Common Mode Range 10x Gain Instrumentation Amplifier Circuit Instrumentation Amplifier Common Mode Range instrumentation amplifiers are most of all characterized by how well they suppress the common mode voltage. simultaneously rejecting volts of common mode (cm) signal at its inputs. Instrumentation Amplifier Common Mode Range.
From www.slideserve.com
PPT Fully Understanding CMRR in DAs, IAs, and OAs PowerPoint Instrumentation Amplifier Common Mode Range instrumentation amplifiers are most of all characterized by how well they suppress the common mode voltage. simultaneously rejecting volts of common mode (cm) signal at its inputs. Instrumentation Amplifier Common Mode Range.
From www.analog.com
±250V Common Mode Range Difference Amplifier (AV = 1) Circuit Instrumentation Amplifier Common Mode Range instrumentation amplifiers are most of all characterized by how well they suppress the common mode voltage. simultaneously rejecting volts of common mode (cm) signal at its inputs. Instrumentation Amplifier Common Mode Range.
From www.next.gr
Extended common mode range of the instrumentation amplifier (INA101 Instrumentation Amplifier Common Mode Range instrumentation amplifiers are most of all characterized by how well they suppress the common mode voltage. simultaneously rejecting volts of common mode (cm) signal at its inputs. Instrumentation Amplifier Common Mode Range.
From www.planetanalog.com
Are you violating your op amp's input commonmode range? Analog Instrumentation Amplifier Common Mode Range instrumentation amplifiers are most of all characterized by how well they suppress the common mode voltage. simultaneously rejecting volts of common mode (cm) signal at its inputs. Instrumentation Amplifier Common Mode Range.
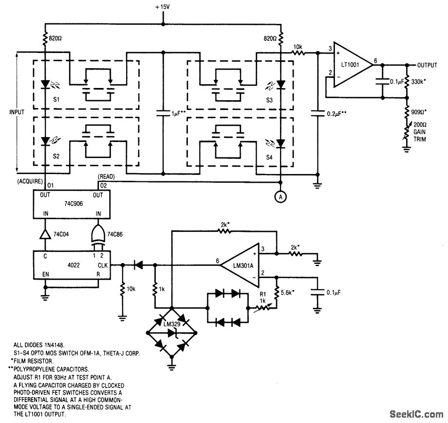
From www.seekic.com
Signal Instrumentation Amplifier Common Mode Range instrumentation amplifiers are most of all characterized by how well they suppress the common mode voltage. simultaneously rejecting volts of common mode (cm) signal at its inputs. Instrumentation Amplifier Common Mode Range.
From www.slideserve.com
PPT Instrumentation Amplifiers PowerPoint Presentation, free download Instrumentation Amplifier Common Mode Range simultaneously rejecting volts of common mode (cm) signal at its inputs. instrumentation amplifiers are most of all characterized by how well they suppress the common mode voltage. Instrumentation Amplifier Common Mode Range.
From electronics.stackexchange.com
instrumentation amplifier Common mode rejection range for INA122 Instrumentation Amplifier Common Mode Range instrumentation amplifiers are most of all characterized by how well they suppress the common mode voltage. simultaneously rejecting volts of common mode (cm) signal at its inputs. Instrumentation Amplifier Common Mode Range.
From www.analogictips.com
VCM vs VOUT plots for instrumentation amplifiers with two op amps Instrumentation Amplifier Common Mode Range instrumentation amplifiers are most of all characterized by how well they suppress the common mode voltage. simultaneously rejecting volts of common mode (cm) signal at its inputs. Instrumentation Amplifier Common Mode Range.
From www.alliedcomponents.com
Why Instrumentation Amplifiers Require High CommonMode Rejection Levels Instrumentation Amplifier Common Mode Range instrumentation amplifiers are most of all characterized by how well they suppress the common mode voltage. simultaneously rejecting volts of common mode (cm) signal at its inputs. Instrumentation Amplifier Common Mode Range.
From www.slideserve.com
PPT Chapter 15 Multistage Amplifiers PowerPoint Presentation ID162443 Instrumentation Amplifier Common Mode Range instrumentation amplifiers are most of all characterized by how well they suppress the common mode voltage. simultaneously rejecting volts of common mode (cm) signal at its inputs. Instrumentation Amplifier Common Mode Range.
From analogictips.com
What’s the difference between instrumentation and precision amplifiers? Instrumentation Amplifier Common Mode Range simultaneously rejecting volts of common mode (cm) signal at its inputs. instrumentation amplifiers are most of all characterized by how well they suppress the common mode voltage. Instrumentation Amplifier Common Mode Range.
From www.slideserve.com
PPT Differential Amplifiers and common mode feedback PowerPoint Instrumentation Amplifier Common Mode Range simultaneously rejecting volts of common mode (cm) signal at its inputs. instrumentation amplifiers are most of all characterized by how well they suppress the common mode voltage. Instrumentation Amplifier Common Mode Range.
From electronics.stackexchange.com
operational amplifier Input commonmode offset voltage ranges of op Instrumentation Amplifier Common Mode Range simultaneously rejecting volts of common mode (cm) signal at its inputs. instrumentation amplifiers are most of all characterized by how well they suppress the common mode voltage. Instrumentation Amplifier Common Mode Range.
From www.academia.edu
(PDF) Indirect current feedback instrumentation amplifier with a common Instrumentation Amplifier Common Mode Range instrumentation amplifiers are most of all characterized by how well they suppress the common mode voltage. simultaneously rejecting volts of common mode (cm) signal at its inputs. Instrumentation Amplifier Common Mode Range.
From www.seekic.com
Amplifier Instrumentation Amplifier Common Mode Range simultaneously rejecting volts of common mode (cm) signal at its inputs. instrumentation amplifiers are most of all characterized by how well they suppress the common mode voltage. Instrumentation Amplifier Common Mode Range.