How To Assemble A Vw Engine . The '71 now has the 1835 engine, swapped from the '70. vw super beetle engine top end assembly. This was my first build with. Vw engines with serial numbers beginning with ae or ak. 1970 vw (owned since 1972) and 1971 vw convertible (owned since 1976), second owner of each. Vw super beetle long block disassembly. learn how to rebuild a 1600cc engine top end with pistons, cylinders and heads from volkswagen. aircooled volkswagen type 1 engine building video: hey guys, i hope you enjoy this new version of the vw type 1, 40hp engine build. Mike smith shows how to heat.
from workshop-manuals.com
aircooled volkswagen type 1 engine building video: Vw super beetle long block disassembly. 1970 vw (owned since 1972) and 1971 vw convertible (owned since 1976), second owner of each. This was my first build with. vw super beetle engine top end assembly. Vw engines with serial numbers beginning with ae or ak. hey guys, i hope you enjoy this new version of the vw type 1, 40hp engine build. learn how to rebuild a 1600cc engine top end with pistons, cylinders and heads from volkswagen. The '71 now has the 1835 engine, swapped from the '70. Mike smith shows how to heat.
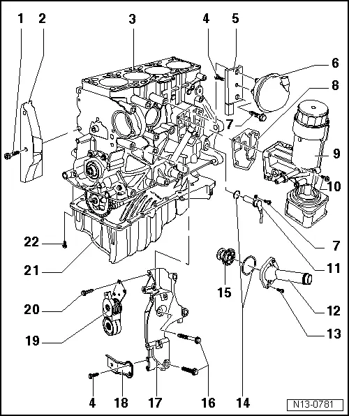
Volkswagen Service and Repair Manuals > Polo Mk4 > Engine 4 Cyl. diesel engine
How To Assemble A Vw Engine aircooled volkswagen type 1 engine building video: learn how to rebuild a 1600cc engine top end with pistons, cylinders and heads from volkswagen. 1970 vw (owned since 1972) and 1971 vw convertible (owned since 1976), second owner of each. Vw super beetle long block disassembly. Vw engines with serial numbers beginning with ae or ak. The '71 now has the 1835 engine, swapped from the '70. hey guys, i hope you enjoy this new version of the vw type 1, 40hp engine build. aircooled volkswagen type 1 engine building video: This was my first build with. vw super beetle engine top end assembly. Mike smith shows how to heat.
From schematicfixspellers.z22.web.core.windows.net
Assembling A Vw Air Cooled Engine How To Assemble A Vw Engine learn how to rebuild a 1600cc engine top end with pistons, cylinders and heads from volkswagen. The '71 now has the 1835 engine, swapped from the '70. 1970 vw (owned since 1972) and 1971 vw convertible (owned since 1976), second owner of each. Mike smith shows how to heat. hey guys, i hope you enjoy this new. How To Assemble A Vw Engine.
From workshop-manuals.com
Volkswagen Manuals > Polo Mk4 > Engine > 4 Cyl. injection engine (4valve, rolling How To Assemble A Vw Engine The '71 now has the 1835 engine, swapped from the '70. Vw engines with serial numbers beginning with ae or ak. hey guys, i hope you enjoy this new version of the vw type 1, 40hp engine build. This was my first build with. 1970 vw (owned since 1972) and 1971 vw convertible (owned since 1976), second owner. How To Assemble A Vw Engine.
From reviewmotors.co
Vw Beetle Engine Parts Diagram Reviewmotors.co How To Assemble A Vw Engine aircooled volkswagen type 1 engine building video: The '71 now has the 1835 engine, swapped from the '70. Vw super beetle long block disassembly. 1970 vw (owned since 1972) and 1971 vw convertible (owned since 1976), second owner of each. Vw engines with serial numbers beginning with ae or ak. vw super beetle engine top end assembly.. How To Assemble A Vw Engine.
From workshop-manuals.com
Volkswagen Service and Repair Manuals > Polo Mk4 > Engine 4 Cyl. injection engine How To Assemble A Vw Engine 1970 vw (owned since 1972) and 1971 vw convertible (owned since 1976), second owner of each. hey guys, i hope you enjoy this new version of the vw type 1, 40hp engine build. Vw engines with serial numbers beginning with ae or ak. vw super beetle engine top end assembly. learn how to rebuild a 1600cc. How To Assemble A Vw Engine.
From www.enginebuildermag.com
Building AirCooled VW Engines How To Assemble A Vw Engine learn how to rebuild a 1600cc engine top end with pistons, cylinders and heads from volkswagen. Vw engines with serial numbers beginning with ae or ak. Vw super beetle long block disassembly. The '71 now has the 1835 engine, swapped from the '70. This was my first build with. hey guys, i hope you enjoy this new version. How To Assemble A Vw Engine.
From www.youtube.com
How to assemble VW Kombi engine compartment door!! VW Kombi restoration YouTube How To Assemble A Vw Engine aircooled volkswagen type 1 engine building video: 1970 vw (owned since 1972) and 1971 vw convertible (owned since 1976), second owner of each. Vw engines with serial numbers beginning with ae or ak. learn how to rebuild a 1600cc engine top end with pistons, cylinders and heads from volkswagen. Mike smith shows how to heat. Vw super. How To Assemble A Vw Engine.
From repairmachinetshileshepl.z4.web.core.windows.net
Complete Air Cooled Vw Engine How To Assemble A Vw Engine Vw engines with serial numbers beginning with ae or ak. The '71 now has the 1835 engine, swapped from the '70. aircooled volkswagen type 1 engine building video: This was my first build with. 1970 vw (owned since 1972) and 1971 vw convertible (owned since 1976), second owner of each. Vw super beetle long block disassembly. vw. How To Assemble A Vw Engine.
From reviewmotors.co
Vw Beetle Engine Parts Diagram Reviewmotors.co How To Assemble A Vw Engine hey guys, i hope you enjoy this new version of the vw type 1, 40hp engine build. 1970 vw (owned since 1972) and 1971 vw convertible (owned since 1976), second owner of each. vw super beetle engine top end assembly. Vw engines with serial numbers beginning with ae or ak. This was my first build with. . How To Assemble A Vw Engine.
From workshop-manuals.com
Volkswagen Service and Repair Manuals > Polo Mk4 > Engine 4 Cyl. diesel engine How To Assemble A Vw Engine Vw super beetle long block disassembly. Mike smith shows how to heat. The '71 now has the 1835 engine, swapped from the '70. vw super beetle engine top end assembly. This was my first build with. 1970 vw (owned since 1972) and 1971 vw convertible (owned since 1976), second owner of each. Vw engines with serial numbers beginning. How To Assemble A Vw Engine.
From schematicquewtaulajhgew.z14.web.core.windows.net
How To Build A 1600cc Vw Engine How To Assemble A Vw Engine This was my first build with. learn how to rebuild a 1600cc engine top end with pistons, cylinders and heads from volkswagen. Mike smith shows how to heat. Vw engines with serial numbers beginning with ae or ak. aircooled volkswagen type 1 engine building video: vw super beetle engine top end assembly. 1970 vw (owned since. How To Assemble A Vw Engine.
From www.walmart.com
How to Rebuild Your Volkswagen AirCooled Engine How to Troubleshoot, Remove, Tear Down How To Assemble A Vw Engine hey guys, i hope you enjoy this new version of the vw type 1, 40hp engine build. learn how to rebuild a 1600cc engine top end with pistons, cylinders and heads from volkswagen. This was my first build with. vw super beetle engine top end assembly. aircooled volkswagen type 1 engine building video: Vw engines with. How To Assemble A Vw Engine.
From www.jbugs.com
VW Engine Part Identification Quiz How To Assemble A Vw Engine Vw super beetle long block disassembly. learn how to rebuild a 1600cc engine top end with pistons, cylinders and heads from volkswagen. This was my first build with. The '71 now has the 1835 engine, swapped from the '70. 1970 vw (owned since 1972) and 1971 vw convertible (owned since 1976), second owner of each. aircooled volkswagen. How To Assemble A Vw Engine.
From mavink.com
Vw Mk1 Engine How To Assemble A Vw Engine The '71 now has the 1835 engine, swapped from the '70. This was my first build with. 1970 vw (owned since 1972) and 1971 vw convertible (owned since 1976), second owner of each. learn how to rebuild a 1600cc engine top end with pistons, cylinders and heads from volkswagen. Mike smith shows how to heat. Vw super beetle. How To Assemble A Vw Engine.
From www.youtube.com
VW ENGINE Build Part (3) Will it Run ? First Start ? Restoration 40HP aircooled Volkswagen How To Assemble A Vw Engine Mike smith shows how to heat. hey guys, i hope you enjoy this new version of the vw type 1, 40hp engine build. This was my first build with. 1970 vw (owned since 1972) and 1971 vw convertible (owned since 1976), second owner of each. Vw engines with serial numbers beginning with ae or ak. Vw super beetle. How To Assemble A Vw Engine.
From eautreriveseschematic.z14.web.core.windows.net
How To Build A 1600cc Vw Engine How To Assemble A Vw Engine Vw super beetle long block disassembly. aircooled volkswagen type 1 engine building video: Vw engines with serial numbers beginning with ae or ak. The '71 now has the 1835 engine, swapped from the '70. vw super beetle engine top end assembly. Mike smith shows how to heat. This was my first build with. learn how to rebuild. How To Assemble A Vw Engine.
From www.youtube.com
VW Engine assembly part 6 YouTube How To Assemble A Vw Engine Vw super beetle long block disassembly. 1970 vw (owned since 1972) and 1971 vw convertible (owned since 1976), second owner of each. The '71 now has the 1835 engine, swapped from the '70. vw super beetle engine top end assembly. Mike smith shows how to heat. This was my first build with. Vw engines with serial numbers beginning. How To Assemble A Vw Engine.
From vw-beetle-detail.blogspot.com
VW Beetle Volkswagen Beetle Engine How To Assemble A Vw Engine This was my first build with. 1970 vw (owned since 1972) and 1971 vw convertible (owned since 1976), second owner of each. The '71 now has the 1835 engine, swapped from the '70. vw super beetle engine top end assembly. Mike smith shows how to heat. hey guys, i hope you enjoy this new version of the. How To Assemble A Vw Engine.
From workshop-manuals.com
Volkswagen Service and Repair Manuals > Polo Mk4 > Engine 4 Cyl. diesel engine How To Assemble A Vw Engine This was my first build with. vw super beetle engine top end assembly. The '71 now has the 1835 engine, swapped from the '70. hey guys, i hope you enjoy this new version of the vw type 1, 40hp engine build. 1970 vw (owned since 1972) and 1971 vw convertible (owned since 1976), second owner of each.. How To Assemble A Vw Engine.
From www.auto-manual.com
Volkswagen Engines and Transmission Repair Manuals Wiring Diagrams How To Assemble A Vw Engine vw super beetle engine top end assembly. Vw super beetle long block disassembly. hey guys, i hope you enjoy this new version of the vw type 1, 40hp engine build. The '71 now has the 1835 engine, swapped from the '70. Vw engines with serial numbers beginning with ae or ak. learn how to rebuild a 1600cc. How To Assemble A Vw Engine.
From classicregister.com
INFO GUIDE 1955 1958 Volkswagen Deluxe Microbus (Samba Bus) classicregister How To Assemble A Vw Engine learn how to rebuild a 1600cc engine top end with pistons, cylinders and heads from volkswagen. Vw super beetle long block disassembly. vw super beetle engine top end assembly. The '71 now has the 1835 engine, swapped from the '70. 1970 vw (owned since 1972) and 1971 vw convertible (owned since 1976), second owner of each. . How To Assemble A Vw Engine.
From www.ebay.com
Third Generation Volkswagen EA888 Engine Explained eBay Motors Blog How To Assemble A Vw Engine aircooled volkswagen type 1 engine building video: Vw engines with serial numbers beginning with ae or ak. learn how to rebuild a 1600cc engine top end with pistons, cylinders and heads from volkswagen. 1970 vw (owned since 1972) and 1971 vw convertible (owned since 1976), second owner of each. The '71 now has the 1835 engine, swapped. How To Assemble A Vw Engine.
From www.pinterest.at
Engines NO Heater Type Volkswagen, Volkswagen beetle, Vw engine How To Assemble A Vw Engine hey guys, i hope you enjoy this new version of the vw type 1, 40hp engine build. Vw super beetle long block disassembly. 1970 vw (owned since 1972) and 1971 vw convertible (owned since 1976), second owner of each. aircooled volkswagen type 1 engine building video: learn how to rebuild a 1600cc engine top end with. How To Assemble A Vw Engine.
From workshop-manuals.com
Volkswagen Manuals > Polo Mk4 > Engine > 4 Cyl. injection engine > Enginecrankshaft How To Assemble A Vw Engine Vw engines with serial numbers beginning with ae or ak. Mike smith shows how to heat. 1970 vw (owned since 1972) and 1971 vw convertible (owned since 1976), second owner of each. aircooled volkswagen type 1 engine building video: vw super beetle engine top end assembly. learn how to rebuild a 1600cc engine top end with. How To Assemble A Vw Engine.
From workshop-manuals.com
Volkswagen Service and Repair Manuals > Polo Mk4 > Engine 4 Cyl. diesel engine How To Assemble A Vw Engine This was my first build with. learn how to rebuild a 1600cc engine top end with pistons, cylinders and heads from volkswagen. vw super beetle engine top end assembly. Mike smith shows how to heat. 1970 vw (owned since 1972) and 1971 vw convertible (owned since 1976), second owner of each. hey guys, i hope you. How To Assemble A Vw Engine.
From workshop-manuals.com
Volkswagen Service and Repair Manuals > Golf Mk6 > Power unit 4cylinder diesel How To Assemble A Vw Engine vw super beetle engine top end assembly. This was my first build with. The '71 now has the 1835 engine, swapped from the '70. Vw super beetle long block disassembly. 1970 vw (owned since 1972) and 1971 vw convertible (owned since 1976), second owner of each. hey guys, i hope you enjoy this new version of the. How To Assemble A Vw Engine.
From bicodecode.blogspot.com
Volkswagen 2 0 Engine Diagram Vw 2 0 L Engine Belt Diagram Complete Wiring Schemas Tdi How To Assemble A Vw Engine aircooled volkswagen type 1 engine building video: vw super beetle engine top end assembly. The '71 now has the 1835 engine, swapped from the '70. learn how to rebuild a 1600cc engine top end with pistons, cylinders and heads from volkswagen. Mike smith shows how to heat. Vw super beetle long block disassembly. This was my first. How To Assemble A Vw Engine.
From itchol.com
VW Golf Engine Conversion Guide (2022) How To Assemble A Vw Engine The '71 now has the 1835 engine, swapped from the '70. 1970 vw (owned since 1972) and 1971 vw convertible (owned since 1976), second owner of each. aircooled volkswagen type 1 engine building video: This was my first build with. learn how to rebuild a 1600cc engine top end with pistons, cylinders and heads from volkswagen. Mike. How To Assemble A Vw Engine.
From guidediagraminterreges.z21.web.core.windows.net
Volkswagen Engine Schematics How To Assemble A Vw Engine aircooled volkswagen type 1 engine building video: Vw super beetle long block disassembly. This was my first build with. hey guys, i hope you enjoy this new version of the vw type 1, 40hp engine build. vw super beetle engine top end assembly. The '71 now has the 1835 engine, swapped from the '70. Vw engines with. How To Assemble A Vw Engine.
From www.youtube.com
How To Build a VW Engine Part 2 74mm Crankshaft Assembly YouTube How To Assemble A Vw Engine Vw super beetle long block disassembly. Vw engines with serial numbers beginning with ae or ak. Mike smith shows how to heat. hey guys, i hope you enjoy this new version of the vw type 1, 40hp engine build. learn how to rebuild a 1600cc engine top end with pistons, cylinders and heads from volkswagen. 1970 vw. How To Assemble A Vw Engine.
From workshop-manuals.com
Volkswagen Service and Repair Manuals > Polo Mk4 > Engine 4 Cyl. diesel engine How To Assemble A Vw Engine 1970 vw (owned since 1972) and 1971 vw convertible (owned since 1976), second owner of each. Vw super beetle long block disassembly. Mike smith shows how to heat. Vw engines with serial numbers beginning with ae or ak. aircooled volkswagen type 1 engine building video: hey guys, i hope you enjoy this new version of the vw. How To Assemble A Vw Engine.
From www.motorauthority.com
Volkswagen Looking To Build Formula 1 'World Engine'? How To Assemble A Vw Engine aircooled volkswagen type 1 engine building video: 1970 vw (owned since 1972) and 1971 vw convertible (owned since 1976), second owner of each. learn how to rebuild a 1600cc engine top end with pistons, cylinders and heads from volkswagen. The '71 now has the 1835 engine, swapped from the '70. vw super beetle engine top end. How To Assemble A Vw Engine.
From www.pinterest.com
VW 4 Cyl and also HALF VW 2 Cyl Aero Engine conversion plans Plans for U Engineering, Vw How To Assemble A Vw Engine learn how to rebuild a 1600cc engine top end with pistons, cylinders and heads from volkswagen. Vw super beetle long block disassembly. hey guys, i hope you enjoy this new version of the vw type 1, 40hp engine build. 1970 vw (owned since 1972) and 1971 vw convertible (owned since 1976), second owner of each. This was. How To Assemble A Vw Engine.
From www.caretxdigital.com
vw 19 tdi engine parts diagram Wiring Diagram and Schematics How To Assemble A Vw Engine This was my first build with. aircooled volkswagen type 1 engine building video: vw super beetle engine top end assembly. Vw super beetle long block disassembly. Vw engines with serial numbers beginning with ae or ak. The '71 now has the 1835 engine, swapped from the '70. learn how to rebuild a 1600cc engine top end with. How To Assemble A Vw Engine.
From workshop-manuals.com
Volkswagen Service and Repair Manuals > Golf Mk5 > Power unit 4cylinder injection How To Assemble A Vw Engine learn how to rebuild a 1600cc engine top end with pistons, cylinders and heads from volkswagen. aircooled volkswagen type 1 engine building video: Vw super beetle long block disassembly. 1970 vw (owned since 1972) and 1971 vw convertible (owned since 1976), second owner of each. hey guys, i hope you enjoy this new version of the. How To Assemble A Vw Engine.
From www.multiengine.co.za
Volkswagen Golf GTI Jetta 5 TFSI BWA Engine Multi Engine & Gearbox How To Assemble A Vw Engine hey guys, i hope you enjoy this new version of the vw type 1, 40hp engine build. learn how to rebuild a 1600cc engine top end with pistons, cylinders and heads from volkswagen. vw super beetle engine top end assembly. Vw engines with serial numbers beginning with ae or ak. aircooled volkswagen type 1 engine building. How To Assemble A Vw Engine.