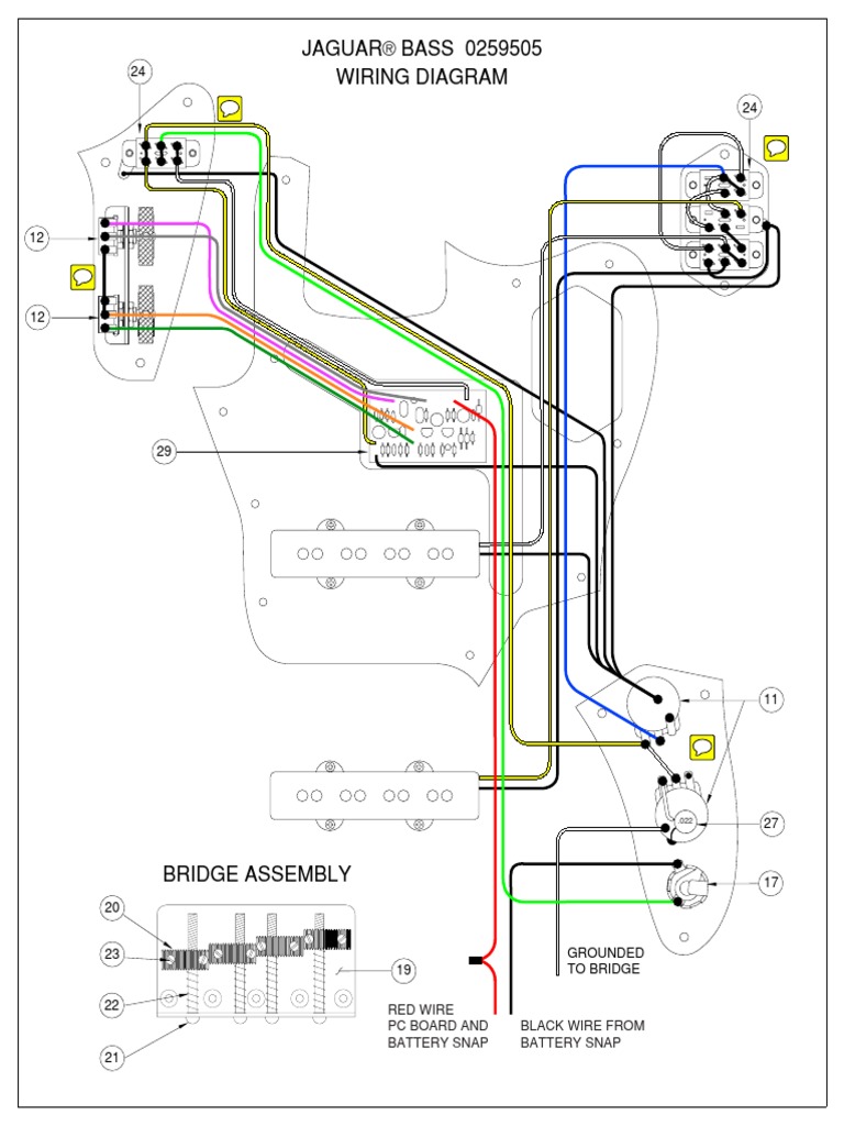
Jaguar Bass Wiring . There are also two wheels on the horn that alter the volume. Follow the diagram to correctly wire your pickups, controls, and. On the rounded lower horn is a chrome plate with. Explore different wirings and configurations to customize your guitar's sound. I routed it out and followed the lindy fralin wiring diagram for a jaguar guitar, but i changed the tone and. Get a comprehensive fender jaguar wiring diagram to help you understand the electrical setup of your guitar. Find the official squier jaguar bass wiring diagram for your bass guitar. The fender jaguar bass wiring schematic is the essential map for connecting and controlling the various components of the instrument, such as pickups and switches. Hello, i'm trying to wire two jazz pickups to this bass. First, the first models of the jaguar bass had two pickups, each of which can be turned on and off.
from wiringdiagram.2bitboer.com
First, the first models of the jaguar bass had two pickups, each of which can be turned on and off. On the rounded lower horn is a chrome plate with. Get a comprehensive fender jaguar wiring diagram to help you understand the electrical setup of your guitar. There are also two wheels on the horn that alter the volume. The fender jaguar bass wiring schematic is the essential map for connecting and controlling the various components of the instrument, such as pickups and switches. Explore different wirings and configurations to customize your guitar's sound. Find the official squier jaguar bass wiring diagram for your bass guitar. I routed it out and followed the lindy fralin wiring diagram for a jaguar guitar, but i changed the tone and. Hello, i'm trying to wire two jazz pickups to this bass. Follow the diagram to correctly wire your pickups, controls, and.
Squier Jaguar Bass Wiring Diagram Wiring Diagram
Jaguar Bass Wiring Hello, i'm trying to wire two jazz pickups to this bass. Explore different wirings and configurations to customize your guitar's sound. Find the official squier jaguar bass wiring diagram for your bass guitar. Hello, i'm trying to wire two jazz pickups to this bass. I routed it out and followed the lindy fralin wiring diagram for a jaguar guitar, but i changed the tone and. Follow the diagram to correctly wire your pickups, controls, and. On the rounded lower horn is a chrome plate with. There are also two wheels on the horn that alter the volume. Get a comprehensive fender jaguar wiring diagram to help you understand the electrical setup of your guitar. The fender jaguar bass wiring schematic is the essential map for connecting and controlling the various components of the instrument, such as pickups and switches. First, the first models of the jaguar bass had two pickups, each of which can be turned on and off.
From www.got2bwireless.com
Fender Jaguar Bass Wiring Diagram Database Jaguar Bass Wiring Get a comprehensive fender jaguar wiring diagram to help you understand the electrical setup of your guitar. I routed it out and followed the lindy fralin wiring diagram for a jaguar guitar, but i changed the tone and. The fender jaguar bass wiring schematic is the essential map for connecting and controlling the various components of the instrument, such as. Jaguar Bass Wiring.
From wiringdiagram.2bitboer.com
Squier Jaguar Bass Wiring Diagram Wiring Diagram Jaguar Bass Wiring Hello, i'm trying to wire two jazz pickups to this bass. First, the first models of the jaguar bass had two pickups, each of which can be turned on and off. On the rounded lower horn is a chrome plate with. Find the official squier jaguar bass wiring diagram for your bass guitar. The fender jaguar bass wiring schematic is. Jaguar Bass Wiring.
From www.scribd.com
Jaguar Bass Wiring Diagram PDF Jaguar Bass Wiring On the rounded lower horn is a chrome plate with. Explore different wirings and configurations to customize your guitar's sound. Find the official squier jaguar bass wiring diagram for your bass guitar. First, the first models of the jaguar bass had two pickups, each of which can be turned on and off. Get a comprehensive fender jaguar wiring diagram to. Jaguar Bass Wiring.
From wiringdiagram.2bitboer.com
Fender Squier Jaguar Bass Wiring Diagram Wiring Diagram Jaguar Bass Wiring Hello, i'm trying to wire two jazz pickups to this bass. The fender jaguar bass wiring schematic is the essential map for connecting and controlling the various components of the instrument, such as pickups and switches. Get a comprehensive fender jaguar wiring diagram to help you understand the electrical setup of your guitar. Find the official squier jaguar bass wiring. Jaguar Bass Wiring.
From stewart-switch.com
Squier Jaguar Bass Wiring Diagram Jaguar Bass Wiring The fender jaguar bass wiring schematic is the essential map for connecting and controlling the various components of the instrument, such as pickups and switches. Hello, i'm trying to wire two jazz pickups to this bass. Follow the diagram to correctly wire your pickups, controls, and. I routed it out and followed the lindy fralin wiring diagram for a jaguar. Jaguar Bass Wiring.
From wiringdiagram.2bitboer.com
Fender Jaguar Bass Wiring Schematic Wiring Diagram Jaguar Bass Wiring Find the official squier jaguar bass wiring diagram for your bass guitar. There are also two wheels on the horn that alter the volume. First, the first models of the jaguar bass had two pickups, each of which can be turned on and off. Explore different wirings and configurations to customize your guitar's sound. I routed it out and followed. Jaguar Bass Wiring.
From circuitenginedismal.z13.web.core.windows.net
Jaguar Bass Wiring Diagram Jaguar Bass Wiring Explore different wirings and configurations to customize your guitar's sound. Get a comprehensive fender jaguar wiring diagram to help you understand the electrical setup of your guitar. Hello, i'm trying to wire two jazz pickups to this bass. I routed it out and followed the lindy fralin wiring diagram for a jaguar guitar, but i changed the tone and. Find. Jaguar Bass Wiring.
From sleekfer4.blogspot.com
Jaguar Bass Wiring Diagram Sleekfer Jaguar Bass Wiring I routed it out and followed the lindy fralin wiring diagram for a jaguar guitar, but i changed the tone and. The fender jaguar bass wiring schematic is the essential map for connecting and controlling the various components of the instrument, such as pickups and switches. There are also two wheels on the horn that alter the volume. First, the. Jaguar Bass Wiring.
From diagram.tntuservices.com
Fender Jaguar Bass Wiring Diagram Wiring Diagram and Schematic Role Jaguar Bass Wiring The fender jaguar bass wiring schematic is the essential map for connecting and controlling the various components of the instrument, such as pickups and switches. On the rounded lower horn is a chrome plate with. Hello, i'm trying to wire two jazz pickups to this bass. There are also two wheels on the horn that alter the volume. Explore different. Jaguar Bass Wiring.
From www.smarts4k.com
Fender Jaguar Bass Wiring Diagram 4K Wallpapers Review Jaguar Bass Wiring I routed it out and followed the lindy fralin wiring diagram for a jaguar guitar, but i changed the tone and. Hello, i'm trying to wire two jazz pickups to this bass. The fender jaguar bass wiring schematic is the essential map for connecting and controlling the various components of the instrument, such as pickups and switches. Explore different wirings. Jaguar Bass Wiring.
From diagramweb.net
Fender Jaguar Baritone Wiring Diagram Jaguar Bass Wiring I routed it out and followed the lindy fralin wiring diagram for a jaguar guitar, but i changed the tone and. The fender jaguar bass wiring schematic is the essential map for connecting and controlling the various components of the instrument, such as pickups and switches. Hello, i'm trying to wire two jazz pickups to this bass. Explore different wirings. Jaguar Bass Wiring.
From diagramweb.net
Squier Vintage Modified Jaguar Wiring Diagram Jaguar Bass Wiring The fender jaguar bass wiring schematic is the essential map for connecting and controlling the various components of the instrument, such as pickups and switches. Get a comprehensive fender jaguar wiring diagram to help you understand the electrical setup of your guitar. On the rounded lower horn is a chrome plate with. Hello, i'm trying to wire two jazz pickups. Jaguar Bass Wiring.
From www.wiringdraw.com
Squier Vintage Modified Jaguar Bass Special Wiring Diagram Wiring Jaguar Bass Wiring First, the first models of the jaguar bass had two pickups, each of which can be turned on and off. Follow the diagram to correctly wire your pickups, controls, and. Find the official squier jaguar bass wiring diagram for your bass guitar. The fender jaguar bass wiring schematic is the essential map for connecting and controlling the various components of. Jaguar Bass Wiring.
From teteapled.blogspot.com
[24+] Fender Jaguar Wiring Diagram, Jazz Bass Standard Pastrana Guitars Jaguar Bass Wiring There are also two wheels on the horn that alter the volume. First, the first models of the jaguar bass had two pickups, each of which can be turned on and off. Hello, i'm trying to wire two jazz pickups to this bass. I routed it out and followed the lindy fralin wiring diagram for a jaguar guitar, but i. Jaguar Bass Wiring.
From guidepartflosses.z19.web.core.windows.net
Jaguar Bass Wiring Diagram Jaguar Bass Wiring Follow the diagram to correctly wire your pickups, controls, and. I routed it out and followed the lindy fralin wiring diagram for a jaguar guitar, but i changed the tone and. Find the official squier jaguar bass wiring diagram for your bass guitar. Get a comprehensive fender jaguar wiring diagram to help you understand the electrical setup of your guitar.. Jaguar Bass Wiring.
From sleekfer4.blogspot.com
Jaguar Bass Wiring Diagram Sleekfer Jaguar Bass Wiring There are also two wheels on the horn that alter the volume. Find the official squier jaguar bass wiring diagram for your bass guitar. First, the first models of the jaguar bass had two pickups, each of which can be turned on and off. On the rounded lower horn is a chrome plate with. Get a comprehensive fender jaguar wiring. Jaguar Bass Wiring.
From www.talkbass.com
Help with Jaguar Bass Wiring Jaguar Bass Wiring On the rounded lower horn is a chrome plate with. The fender jaguar bass wiring schematic is the essential map for connecting and controlling the various components of the instrument, such as pickups and switches. Explore different wirings and configurations to customize your guitar's sound. There are also two wheels on the horn that alter the volume. Find the official. Jaguar Bass Wiring.
From wiringdiagram.2bitboer.com
Squier Vintage Modified Jaguar Bass Special Wiring Diagram Wiring Diagram Jaguar Bass Wiring On the rounded lower horn is a chrome plate with. Hello, i'm trying to wire two jazz pickups to this bass. Follow the diagram to correctly wire your pickups, controls, and. Explore different wirings and configurations to customize your guitar's sound. First, the first models of the jaguar bass had two pickups, each of which can be turned on and. Jaguar Bass Wiring.
From guidefixaldridge.z4.web.core.windows.net
Active Pickup Wiring Diagrams Jaguar Squier Jaguar Bass Wiring Hello, i'm trying to wire two jazz pickups to this bass. Follow the diagram to correctly wire your pickups, controls, and. There are also two wheels on the horn that alter the volume. I routed it out and followed the lindy fralin wiring diagram for a jaguar guitar, but i changed the tone and. Explore different wirings and configurations to. Jaguar Bass Wiring.
From ekarobet9.blogspot.com
Fender Jaguar Bass Japan Wiring Diagram, Fender Jaguar Wiring Mods Jaguar Bass Wiring Explore different wirings and configurations to customize your guitar's sound. I routed it out and followed the lindy fralin wiring diagram for a jaguar guitar, but i changed the tone and. The fender jaguar bass wiring schematic is the essential map for connecting and controlling the various components of the instrument, such as pickups and switches. Hello, i'm trying to. Jaguar Bass Wiring.
From autoctrls.com
How to Wire Your Squier Jaguar Bass StepbyStep Diagram and Guide Jaguar Bass Wiring Find the official squier jaguar bass wiring diagram for your bass guitar. First, the first models of the jaguar bass had two pickups, each of which can be turned on and off. Follow the diagram to correctly wire your pickups, controls, and. I routed it out and followed the lindy fralin wiring diagram for a jaguar guitar, but i changed. Jaguar Bass Wiring.
From autoctrls.com
How to Wire Your Squier Jaguar Bass StepbyStep Diagram and Guide Jaguar Bass Wiring First, the first models of the jaguar bass had two pickups, each of which can be turned on and off. I routed it out and followed the lindy fralin wiring diagram for a jaguar guitar, but i changed the tone and. Get a comprehensive fender jaguar wiring diagram to help you understand the electrical setup of your guitar. There are. Jaguar Bass Wiring.
From www.circuitdiagram.co
Squier Classic Vibe Jaguar Bass Wiring Diagram Circuit Diagram Jaguar Bass Wiring Get a comprehensive fender jaguar wiring diagram to help you understand the electrical setup of your guitar. I routed it out and followed the lindy fralin wiring diagram for a jaguar guitar, but i changed the tone and. Hello, i'm trying to wire two jazz pickups to this bass. Follow the diagram to correctly wire your pickups, controls, and. The. Jaguar Bass Wiring.
From wiringdiagram.2bitboer.com
Fender Jaguar Bass Wiring Schematic Wiring Diagram Jaguar Bass Wiring Hello, i'm trying to wire two jazz pickups to this bass. The fender jaguar bass wiring schematic is the essential map for connecting and controlling the various components of the instrument, such as pickups and switches. First, the first models of the jaguar bass had two pickups, each of which can be turned on and off. On the rounded lower. Jaguar Bass Wiring.
From wiringdiagram.2bitboer.com
Fender Jaguar Bass Wiring Schematic Wiring Diagram Jaguar Bass Wiring First, the first models of the jaguar bass had two pickups, each of which can be turned on and off. Follow the diagram to correctly wire your pickups, controls, and. Explore different wirings and configurations to customize your guitar's sound. Hello, i'm trying to wire two jazz pickups to this bass. The fender jaguar bass wiring schematic is the essential. Jaguar Bass Wiring.
From wiringdiagram.2bitboer.com
Fender Jaguar Bass Wiring Schematic Wiring Diagram Jaguar Bass Wiring There are also two wheels on the horn that alter the volume. Get a comprehensive fender jaguar wiring diagram to help you understand the electrical setup of your guitar. First, the first models of the jaguar bass had two pickups, each of which can be turned on and off. I routed it out and followed the lindy fralin wiring diagram. Jaguar Bass Wiring.
From www.circuitdiagram.co
Fender Squier Jaguar Bass Wiring Diagram Jaguar Bass Wiring Explore different wirings and configurations to customize your guitar's sound. Get a comprehensive fender jaguar wiring diagram to help you understand the electrical setup of your guitar. I routed it out and followed the lindy fralin wiring diagram for a jaguar guitar, but i changed the tone and. Hello, i'm trying to wire two jazz pickups to this bass. First,. Jaguar Bass Wiring.
From www.circuitdiagram.co
Fender Jaguar Bass Wiring Diagram Circuit Diagram Jaguar Bass Wiring There are also two wheels on the horn that alter the volume. Follow the diagram to correctly wire your pickups, controls, and. Hello, i'm trying to wire two jazz pickups to this bass. On the rounded lower horn is a chrome plate with. Explore different wirings and configurations to customize your guitar's sound. Get a comprehensive fender jaguar wiring diagram. Jaguar Bass Wiring.
From wiringdiagram.2bitboer.com
Fender Jaguar Bass Wiring Schematic Wiring Diagram Jaguar Bass Wiring Hello, i'm trying to wire two jazz pickups to this bass. On the rounded lower horn is a chrome plate with. I routed it out and followed the lindy fralin wiring diagram for a jaguar guitar, but i changed the tone and. Follow the diagram to correctly wire your pickups, controls, and. Find the official squier jaguar bass wiring diagram. Jaguar Bass Wiring.
From www.myxxgirl.com
Jaguar Bass Wiring My XXX Hot Girl Jaguar Bass Wiring Find the official squier jaguar bass wiring diagram for your bass guitar. On the rounded lower horn is a chrome plate with. Get a comprehensive fender jaguar wiring diagram to help you understand the electrical setup of your guitar. There are also two wheels on the horn that alter the volume. Hello, i'm trying to wire two jazz pickups to. Jaguar Bass Wiring.
From kamerampwpplampung.blogspot.com
KAMERA MPW PP LAMPUNG berita dalam foto Kegiatan [39+] Squier Classic Jaguar Bass Wiring Follow the diagram to correctly wire your pickups, controls, and. Find the official squier jaguar bass wiring diagram for your bass guitar. Hello, i'm trying to wire two jazz pickups to this bass. I routed it out and followed the lindy fralin wiring diagram for a jaguar guitar, but i changed the tone and. The fender jaguar bass wiring schematic. Jaguar Bass Wiring.
From www.got2bwireless.com
Fender Jaguar Bass Wiring Diagram Database Jaguar Bass Wiring I routed it out and followed the lindy fralin wiring diagram for a jaguar guitar, but i changed the tone and. Find the official squier jaguar bass wiring diagram for your bass guitar. The fender jaguar bass wiring schematic is the essential map for connecting and controlling the various components of the instrument, such as pickups and switches. Follow the. Jaguar Bass Wiring.
From wiringpartpatricia.z21.web.core.windows.net
Jaguar Wiring Diagram For Guitar Jaguar Bass Wiring I routed it out and followed the lindy fralin wiring diagram for a jaguar guitar, but i changed the tone and. Find the official squier jaguar bass wiring diagram for your bass guitar. Get a comprehensive fender jaguar wiring diagram to help you understand the electrical setup of your guitar. Explore different wirings and configurations to customize your guitar's sound.. Jaguar Bass Wiring.
From www.talkbass.com
Jaguar Bass alternate wiring Jaguar Bass Wiring There are also two wheels on the horn that alter the volume. Hello, i'm trying to wire two jazz pickups to this bass. First, the first models of the jaguar bass had two pickups, each of which can be turned on and off. Follow the diagram to correctly wire your pickups, controls, and. Find the official squier jaguar bass wiring. Jaguar Bass Wiring.
From autoctrls.com
How to Wire Your Squier Jaguar Bass StepbyStep Diagram and Guide Jaguar Bass Wiring I routed it out and followed the lindy fralin wiring diagram for a jaguar guitar, but i changed the tone and. Get a comprehensive fender jaguar wiring diagram to help you understand the electrical setup of your guitar. First, the first models of the jaguar bass had two pickups, each of which can be turned on and off. Explore different. Jaguar Bass Wiring.