Outboard Engine Tilt Mechanism . In this video i go through the manual tilt lock bracket and shallow water mechanism on an outboard motor. outboard motor manual tilt and lock. about press copyright contact us creators advertise developers terms. operation of tilting systems. how to tilt your manual start mercury 9.9hp to tilt your motor in the up. to lower the motor back down, pull the motor slightly toward you, pull up on the tilt up lock arm 1 and slowly let the motor down. 91k views 2 years ago.
from www.google.com
operation of tilting systems. In this video i go through the manual tilt lock bracket and shallow water mechanism on an outboard motor. about press copyright contact us creators advertise developers terms. how to tilt your manual start mercury 9.9hp to tilt your motor in the up. to lower the motor back down, pull the motor slightly toward you, pull up on the tilt up lock arm 1 and slowly let the motor down. outboard motor manual tilt and lock. 91k views 2 years ago.
Patent US2972328 Tilting mechanism for outboard motors Google Patents
Outboard Engine Tilt Mechanism operation of tilting systems. outboard motor manual tilt and lock. 91k views 2 years ago. about press copyright contact us creators advertise developers terms. how to tilt your manual start mercury 9.9hp to tilt your motor in the up. operation of tilting systems. to lower the motor back down, pull the motor slightly toward you, pull up on the tilt up lock arm 1 and slowly let the motor down. In this video i go through the manual tilt lock bracket and shallow water mechanism on an outboard motor.
From www.google.com
Patent US2972328 Tilting mechanism for outboard motors Google Patents Outboard Engine Tilt Mechanism how to tilt your manual start mercury 9.9hp to tilt your motor in the up. 91k views 2 years ago. In this video i go through the manual tilt lock bracket and shallow water mechanism on an outboard motor. operation of tilting systems. about press copyright contact us creators advertise developers terms. to lower the motor. Outboard Engine Tilt Mechanism.
From google.it
Patent USRE27932 Outboard motor tilting mechanism Google Patents Outboard Engine Tilt Mechanism operation of tilting systems. 91k views 2 years ago. about press copyright contact us creators advertise developers terms. In this video i go through the manual tilt lock bracket and shallow water mechanism on an outboard motor. how to tilt your manual start mercury 9.9hp to tilt your motor in the up. outboard motor manual tilt. Outboard Engine Tilt Mechanism.
From www.pinterest.com
Garelick EezIn Outboard Motor Tilter 71036 Outboard, Outboard motors Outboard Engine Tilt Mechanism In this video i go through the manual tilt lock bracket and shallow water mechanism on an outboard motor. about press copyright contact us creators advertise developers terms. to lower the motor back down, pull the motor slightly toward you, pull up on the tilt up lock arm 1 and slowly let the motor down. outboard motor. Outboard Engine Tilt Mechanism.
From www.wiringdraw.com
Mercury Outboard Motor Tilt Trim Wiring Diagram Wiring Draw And Schematic Outboard Engine Tilt Mechanism In this video i go through the manual tilt lock bracket and shallow water mechanism on an outboard motor. how to tilt your manual start mercury 9.9hp to tilt your motor in the up. outboard motor manual tilt and lock. 91k views 2 years ago. to lower the motor back down, pull the motor slightly toward you,. Outboard Engine Tilt Mechanism.
From www.icollector.com
HONDA 20 HP 4 STROKE OUTBOARD MOTOR Outboard Engine Tilt Mechanism outboard motor manual tilt and lock. In this video i go through the manual tilt lock bracket and shallow water mechanism on an outboard motor. about press copyright contact us creators advertise developers terms. 91k views 2 years ago. how to tilt your manual start mercury 9.9hp to tilt your motor in the up. operation of. Outboard Engine Tilt Mechanism.
From www.islandinflatables.com.au
5HP Parsun Outboard Motor Long Shaft 4Stroke Manual Start Outboard Engine Tilt Mechanism operation of tilting systems. In this video i go through the manual tilt lock bracket and shallow water mechanism on an outboard motor. about press copyright contact us creators advertise developers terms. 91k views 2 years ago. how to tilt your manual start mercury 9.9hp to tilt your motor in the up. to lower the motor. Outboard Engine Tilt Mechanism.
From www.walmart.com
Dotline Adjustable Outboard Motor Tilter 1250 Outboard Engine Tilt Mechanism 91k views 2 years ago. about press copyright contact us creators advertise developers terms. to lower the motor back down, pull the motor slightly toward you, pull up on the tilt up lock arm 1 and slowly let the motor down. outboard motor manual tilt and lock. how to tilt your manual start mercury 9.9hp to. Outboard Engine Tilt Mechanism.
From boats.tradeaboat.com.au
Tohatsu Outboards extends powertilt choice Outboard Engine Tilt Mechanism operation of tilting systems. outboard motor manual tilt and lock. In this video i go through the manual tilt lock bracket and shallow water mechanism on an outboard motor. 91k views 2 years ago. to lower the motor back down, pull the motor slightly toward you, pull up on the tilt up lock arm 1 and slowly. Outboard Engine Tilt Mechanism.
From google.it
Patent USRE27932 Outboard motor tilting mechanism Google Patents Outboard Engine Tilt Mechanism outboard motor manual tilt and lock. operation of tilting systems. 91k views 2 years ago. to lower the motor back down, pull the motor slightly toward you, pull up on the tilt up lock arm 1 and slowly let the motor down. about press copyright contact us creators advertise developers terms. In this video i go. Outboard Engine Tilt Mechanism.
From www.whitstablemarine.co.uk
Mercury 5 hp 4Stroke Outboards Whitstable Marine Outboard Engine Tilt Mechanism In this video i go through the manual tilt lock bracket and shallow water mechanism on an outboard motor. operation of tilting systems. about press copyright contact us creators advertise developers terms. to lower the motor back down, pull the motor slightly toward you, pull up on the tilt up lock arm 1 and slowly let the. Outboard Engine Tilt Mechanism.
From www.google.com
Patent US2972328 Tilting mechanism for outboard motors Google Patents Outboard Engine Tilt Mechanism 91k views 2 years ago. about press copyright contact us creators advertise developers terms. In this video i go through the manual tilt lock bracket and shallow water mechanism on an outboard motor. outboard motor manual tilt and lock. to lower the motor back down, pull the motor slightly toward you, pull up on the tilt up. Outboard Engine Tilt Mechanism.
From mydiagram.online
[DIAGRAM] Electrical Diagram For Honda Bf90a Outboard Motor MYDIAGRAM Outboard Engine Tilt Mechanism to lower the motor back down, pull the motor slightly toward you, pull up on the tilt up lock arm 1 and slowly let the motor down. outboard motor manual tilt and lock. about press copyright contact us creators advertise developers terms. In this video i go through the manual tilt lock bracket and shallow water mechanism. Outboard Engine Tilt Mechanism.
From www.youtube.com
Force 50 hp outboard tilt and trim YouTube Outboard Engine Tilt Mechanism In this video i go through the manual tilt lock bracket and shallow water mechanism on an outboard motor. 91k views 2 years ago. to lower the motor back down, pull the motor slightly toward you, pull up on the tilt up lock arm 1 and slowly let the motor down. operation of tilting systems. how to. Outboard Engine Tilt Mechanism.
From google.it
Patent USRE27932 Outboard motor tilting mechanism Google Patents Outboard Engine Tilt Mechanism how to tilt your manual start mercury 9.9hp to tilt your motor in the up. to lower the motor back down, pull the motor slightly toward you, pull up on the tilt up lock arm 1 and slowly let the motor down. outboard motor manual tilt and lock. operation of tilting systems. In this video i. Outboard Engine Tilt Mechanism.
From www.rollerauction.com
Garelick Outboard Motor Tilter Roller Auctions Outboard Engine Tilt Mechanism how to tilt your manual start mercury 9.9hp to tilt your motor in the up. to lower the motor back down, pull the motor slightly toward you, pull up on the tilt up lock arm 1 and slowly let the motor down. operation of tilting systems. 91k views 2 years ago. outboard motor manual tilt and. Outboard Engine Tilt Mechanism.
From www.ebay.co.uk
Wood Blind Spares Parts Tilt Tilter Mechanism 48mm x 38mm Hex Outboard Engine Tilt Mechanism about press copyright contact us creators advertise developers terms. 91k views 2 years ago. how to tilt your manual start mercury 9.9hp to tilt your motor in the up. to lower the motor back down, pull the motor slightly toward you, pull up on the tilt up lock arm 1 and slowly let the motor down. . Outboard Engine Tilt Mechanism.
From www.overtons.com
Dotline Adjustable Outboard Motor Tilter Overton's Outboard Engine Tilt Mechanism to lower the motor back down, pull the motor slightly toward you, pull up on the tilt up lock arm 1 and slowly let the motor down. operation of tilting systems. 91k views 2 years ago. outboard motor manual tilt and lock. In this video i go through the manual tilt lock bracket and shallow water mechanism. Outboard Engine Tilt Mechanism.
From fixmyblinds.com
Bali and Graber Wand Tilt Mechanism for Low Profile Head Rails with a Outboard Engine Tilt Mechanism operation of tilting systems. about press copyright contact us creators advertise developers terms. to lower the motor back down, pull the motor slightly toward you, pull up on the tilt up lock arm 1 and slowly let the motor down. outboard motor manual tilt and lock. In this video i go through the manual tilt lock. Outboard Engine Tilt Mechanism.
From www.ebay.co.uk
Tilt Tilter Control Mechanism 25mm 35mm 50mm Free ONE eBay Outboard Engine Tilt Mechanism In this video i go through the manual tilt lock bracket and shallow water mechanism on an outboard motor. about press copyright contact us creators advertise developers terms. outboard motor manual tilt and lock. operation of tilting systems. 91k views 2 years ago. how to tilt your manual start mercury 9.9hp to tilt your motor in. Outboard Engine Tilt Mechanism.
From www.sportsmansguide.com
Garelick Outboard Motor Tilter 44143, Motor Accessories at Sportsman Outboard Engine Tilt Mechanism about press copyright contact us creators advertise developers terms. how to tilt your manual start mercury 9.9hp to tilt your motor in the up. to lower the motor back down, pull the motor slightly toward you, pull up on the tilt up lock arm 1 and slowly let the motor down. In this video i go through. Outboard Engine Tilt Mechanism.
From www.dreamstime.com
Mechanism of the Outboard Motor. Stock Photo Image of swim, gasoline Outboard Engine Tilt Mechanism to lower the motor back down, pull the motor slightly toward you, pull up on the tilt up lock arm 1 and slowly let the motor down. In this video i go through the manual tilt lock bracket and shallow water mechanism on an outboard motor. operation of tilting systems. 91k views 2 years ago. about press. Outboard Engine Tilt Mechanism.
From www.youtube.com
Project 1 Tilt Mechanism YouTube Outboard Engine Tilt Mechanism how to tilt your manual start mercury 9.9hp to tilt your motor in the up. 91k views 2 years ago. about press copyright contact us creators advertise developers terms. operation of tilting systems. to lower the motor back down, pull the motor slightly toward you, pull up on the tilt up lock arm 1 and slowly. Outboard Engine Tilt Mechanism.
From www.michigan-sportsman.com
Outboard Motor Tilter Michigan Sportsman Forum Outboard Engine Tilt Mechanism outboard motor manual tilt and lock. about press copyright contact us creators advertise developers terms. operation of tilting systems. 91k views 2 years ago. how to tilt your manual start mercury 9.9hp to tilt your motor in the up. to lower the motor back down, pull the motor slightly toward you, pull up on the. Outboard Engine Tilt Mechanism.
From www.pinterest.com
Swivel Bracket & Reverse Lock for Mercury / Mariner (50 / 60 HP (3 Outboard Engine Tilt Mechanism about press copyright contact us creators advertise developers terms. operation of tilting systems. 91k views 2 years ago. how to tilt your manual start mercury 9.9hp to tilt your motor in the up. outboard motor manual tilt and lock. In this video i go through the manual tilt lock bracket and shallow water mechanism on an. Outboard Engine Tilt Mechanism.
From www.google.com
Patent US2972328 Tilting mechanism for outboard motors Google Patents Outboard Engine Tilt Mechanism outboard motor manual tilt and lock. to lower the motor back down, pull the motor slightly toward you, pull up on the tilt up lock arm 1 and slowly let the motor down. In this video i go through the manual tilt lock bracket and shallow water mechanism on an outboard motor. about press copyright contact us. Outboard Engine Tilt Mechanism.
From www.youtube.com
Tilt and Trim any Outboard YouTube Outboard Engine Tilt Mechanism outboard motor manual tilt and lock. how to tilt your manual start mercury 9.9hp to tilt your motor in the up. about press copyright contact us creators advertise developers terms. 91k views 2 years ago. to lower the motor back down, pull the motor slightly toward you, pull up on the tilt up lock arm 1. Outboard Engine Tilt Mechanism.
From www.google.com
Patent US5156561 Trim and tilt mechanism for use with outboard engine Outboard Engine Tilt Mechanism 91k views 2 years ago. how to tilt your manual start mercury 9.9hp to tilt your motor in the up. In this video i go through the manual tilt lock bracket and shallow water mechanism on an outboard motor. about press copyright contact us creators advertise developers terms. to lower the motor back down, pull the motor. Outboard Engine Tilt Mechanism.
From google.it
Patent US6471556 Tilting mechanism for outboard motor Google Patents Outboard Engine Tilt Mechanism about press copyright contact us creators advertise developers terms. how to tilt your manual start mercury 9.9hp to tilt your motor in the up. operation of tilting systems. 91k views 2 years ago. to lower the motor back down, pull the motor slightly toward you, pull up on the tilt up lock arm 1 and slowly. Outboard Engine Tilt Mechanism.
From shop.multisteer.com
Hydraulic Helm pump With Tilt Mechanism Single Outboard Outboard Engine Tilt Mechanism operation of tilting systems. how to tilt your manual start mercury 9.9hp to tilt your motor in the up. about press copyright contact us creators advertise developers terms. to lower the motor back down, pull the motor slightly toward you, pull up on the tilt up lock arm 1 and slowly let the motor down. 91k. Outboard Engine Tilt Mechanism.
From www.wholesalemarine.com
Garelick Curved Outboard Motor Tilter Wholesale Marine Outboard Engine Tilt Mechanism how to tilt your manual start mercury 9.9hp to tilt your motor in the up. to lower the motor back down, pull the motor slightly toward you, pull up on the tilt up lock arm 1 and slowly let the motor down. outboard motor manual tilt and lock. operation of tilting systems. about press copyright. Outboard Engine Tilt Mechanism.
From goneoutdoors.com
How to Make Your Own Power Tilt Mechanism for an Outboard Gone Outboard Engine Tilt Mechanism outboard motor manual tilt and lock. to lower the motor back down, pull the motor slightly toward you, pull up on the tilt up lock arm 1 and slowly let the motor down. operation of tilting systems. about press copyright contact us creators advertise developers terms. In this video i go through the manual tilt lock. Outboard Engine Tilt Mechanism.
From www.google.com
Patent US4402675 Outboard motor tilt mechanism Google Patents Outboard Engine Tilt Mechanism outboard motor manual tilt and lock. 91k views 2 years ago. how to tilt your manual start mercury 9.9hp to tilt your motor in the up. In this video i go through the manual tilt lock bracket and shallow water mechanism on an outboard motor. operation of tilting systems. to lower the motor back down, pull. Outboard Engine Tilt Mechanism.
From www.justanswer.com
I need help with outboard motor tilt trim mechanism and wiring. Here is Outboard Engine Tilt Mechanism 91k views 2 years ago. about press copyright contact us creators advertise developers terms. to lower the motor back down, pull the motor slightly toward you, pull up on the tilt up lock arm 1 and slowly let the motor down. how to tilt your manual start mercury 9.9hp to tilt your motor in the up. . Outboard Engine Tilt Mechanism.
From google.it
Patent USRE27932 Outboard motor tilting mechanism Google Patents Outboard Engine Tilt Mechanism In this video i go through the manual tilt lock bracket and shallow water mechanism on an outboard motor. outboard motor manual tilt and lock. operation of tilting systems. about press copyright contact us creators advertise developers terms. to lower the motor back down, pull the motor slightly toward you, pull up on the tilt up. Outboard Engine Tilt Mechanism.
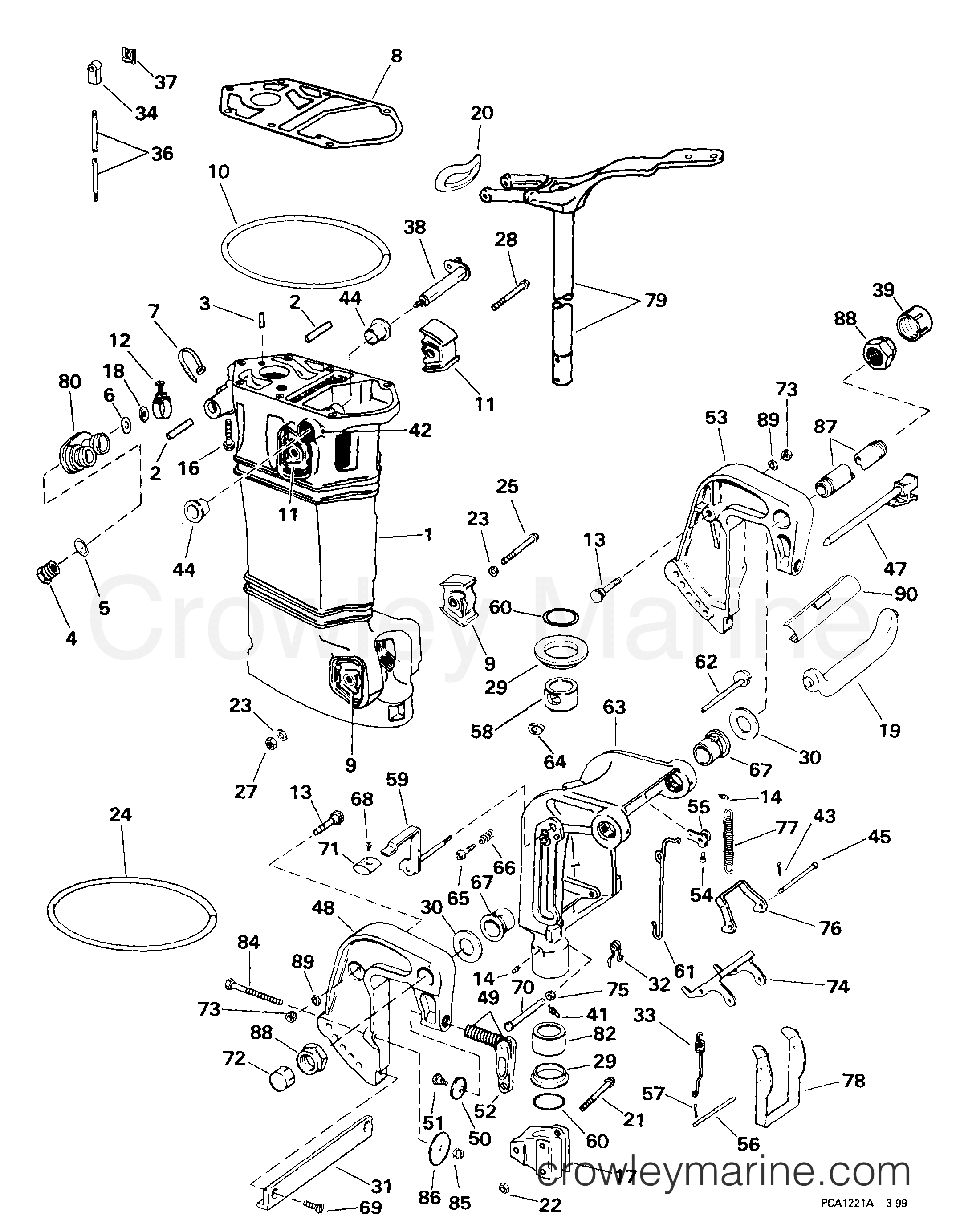
From www.crowleymarine.com
MIDSECTION MANUAL TILT R, RL, E, EL, TEL 1999 Johnson Outboards Outboard Engine Tilt Mechanism operation of tilting systems. 91k views 2 years ago. to lower the motor back down, pull the motor slightly toward you, pull up on the tilt up lock arm 1 and slowly let the motor down. about press copyright contact us creators advertise developers terms. outboard motor manual tilt and lock. how to tilt your. Outboard Engine Tilt Mechanism.