Briggs And Stratton Generator Reset Button . It can be scary (and simply inconvenient) to lose power to your home. Identify your generator’s controller by removing the cover and follow the appropriate directions below. Maintenance reset service code detection system the operator must reset the service code detection system servicing the system each time it activates. The briggs & stratton 20kw standby generator is equipped with an automatic transfer switch, making it easy to use and operate. Discover expert troubleshooting tips for briggs and stratton generators. Learn how your home generator can perform its best with our home generator quick start guide. 15000 watt home generator system. 040213 portable generator pdf manual. Learn how to reset your generator effectively. The fix could be as easy as resetting your generator. View and download briggs & stratton 040213 service and troubleshooting manual online. To reset the briggs & stratton. To do so, press the control board. That's why you rely on your standby generator to back up your home during. When a power outage occurs, the generator will.
from www.grainger.com
To do so, press the control board. Maintenance reset service code detection system the operator must reset the service code detection system servicing the system each time it activates. 15000 watt home generator system. Learn how to reset your generator effectively. 040213 portable generator pdf manual. View and download briggs & stratton 040213 service and troubleshooting manual online. When a power outage occurs, the generator will. That's why you rely on your standby generator to back up your home during. It can be scary (and simply inconvenient) to lose power to your home. To reset the briggs & stratton.
BRIGGS & STRATTON Recoil Portable Generator, 5000 Rated Watts, 6250
Briggs And Stratton Generator Reset Button 040213 portable generator pdf manual. Learn how to reset your generator effectively. When a power outage occurs, the generator will. It can be scary (and simply inconvenient) to lose power to your home. To do so, press the control board. 040213 portable generator pdf manual. The briggs & stratton 20kw standby generator is equipped with an automatic transfer switch, making it easy to use and operate. Maintenance reset service code detection system the operator must reset the service code detection system servicing the system each time it activates. That's why you rely on your standby generator to back up your home during. 15000 watt home generator system. View and download briggs & stratton 040213 service and troubleshooting manual online. Discover expert troubleshooting tips for briggs and stratton generators. Learn how your home generator can perform its best with our home generator quick start guide. To reset the briggs & stratton. Identify your generator’s controller by removing the cover and follow the appropriate directions below. The fix could be as easy as resetting your generator.
From www.partswarehouse.com
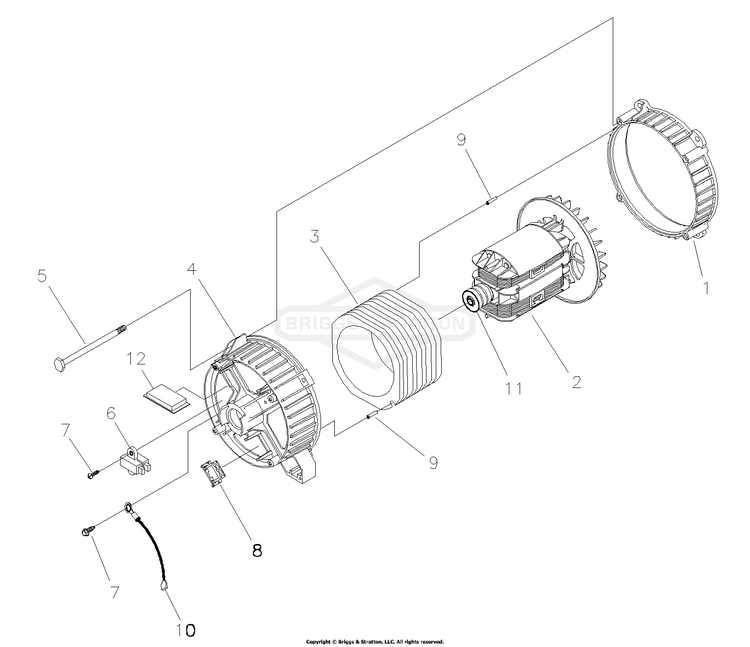
0304730 Briggs and Stratton Generator 1,600 Watt Inverter Generator Briggs And Stratton Generator Reset Button 15000 watt home generator system. Identify your generator’s controller by removing the cover and follow the appropriate directions below. That's why you rely on your standby generator to back up your home during. Learn how your home generator can perform its best with our home generator quick start guide. It can be scary (and simply inconvenient) to lose power to. Briggs And Stratton Generator Reset Button.
From www.caretxdigital.com
Briggs And Stratton 5500 Watt Generator Wiring Diagram Wiring Diagram Briggs And Stratton Generator Reset Button 040213 portable generator pdf manual. That's why you rely on your standby generator to back up your home during. Learn how to reset your generator effectively. Discover expert troubleshooting tips for briggs and stratton generators. 15000 watt home generator system. When a power outage occurs, the generator will. Maintenance reset service code detection system the operator must reset the service. Briggs And Stratton Generator Reset Button.
From www.electricgeneratorsdirect.com
Briggs & Stratton 040783 PowerProtect™ PP22 22kW Generator System Briggs And Stratton Generator Reset Button Identify your generator’s controller by removing the cover and follow the appropriate directions below. To do so, press the control board. It can be scary (and simply inconvenient) to lose power to your home. Learn how to reset your generator effectively. Maintenance reset service code detection system the operator must reset the service code detection system servicing the system each. Briggs And Stratton Generator Reset Button.
From www.propertyroom.com
Briggs And Stratton Generator Property Room Briggs And Stratton Generator Reset Button Discover expert troubleshooting tips for briggs and stratton generators. Learn how to reset your generator effectively. Learn how your home generator can perform its best with our home generator quick start guide. View and download briggs & stratton 040213 service and troubleshooting manual online. Identify your generator’s controller by removing the cover and follow the appropriate directions below. 15000 watt. Briggs And Stratton Generator Reset Button.
From fixengineinennatrose6w.z22.web.core.windows.net
Briggs And Stratton Portable Generator Parts Briggs And Stratton Generator Reset Button When a power outage occurs, the generator will. That's why you rely on your standby generator to back up your home during. To do so, press the control board. Identify your generator’s controller by removing the cover and follow the appropriate directions below. It can be scary (and simply inconvenient) to lose power to your home. The briggs & stratton. Briggs And Stratton Generator Reset Button.
From www.youtube.com
How to start 10,000 watt Generator Briggs and Stratton Elite series Briggs And Stratton Generator Reset Button View and download briggs & stratton 040213 service and troubleshooting manual online. To do so, press the control board. It can be scary (and simply inconvenient) to lose power to your home. Maintenance reset service code detection system the operator must reset the service code detection system servicing the system each time it activates. The briggs & stratton 20kw standby. Briggs And Stratton Generator Reset Button.
From norwall.com
Briggs and Stratton 12kW Generator + 200 Amp ATS Norwall Briggs And Stratton Generator Reset Button To reset the briggs & stratton. The fix could be as easy as resetting your generator. When a power outage occurs, the generator will. To do so, press the control board. Learn how your home generator can perform its best with our home generator quick start guide. The briggs & stratton 20kw standby generator is equipped with an automatic transfer. Briggs And Stratton Generator Reset Button.
From www.partswarehouse.com
0302530 Briggs and Stratton Generator 5,550 Watt PartsWarehouse Briggs And Stratton Generator Reset Button When a power outage occurs, the generator will. 15000 watt home generator system. Discover expert troubleshooting tips for briggs and stratton generators. Learn how to reset your generator effectively. That's why you rely on your standby generator to back up your home during. Maintenance reset service code detection system the operator must reset the service code detection system servicing the. Briggs And Stratton Generator Reset Button.
From www.propertyroom.com
Briggs And Stratton Generator Property Room Briggs And Stratton Generator Reset Button 040213 portable generator pdf manual. The briggs & stratton 20kw standby generator is equipped with an automatic transfer switch, making it easy to use and operate. Identify your generator’s controller by removing the cover and follow the appropriate directions below. 15000 watt home generator system. To do so, press the control board. When a power outage occurs, the generator will.. Briggs And Stratton Generator Reset Button.
From www.repairtoolparts.com
Briggs and Stratton 018150 Parts List Briggs and Stratton 018150 Briggs And Stratton Generator Reset Button The briggs & stratton 20kw standby generator is equipped with an automatic transfer switch, making it easy to use and operate. Learn how your home generator can perform its best with our home generator quick start guide. Learn how to reset your generator effectively. View and download briggs & stratton 040213 service and troubleshooting manual online. Identify your generator’s controller. Briggs And Stratton Generator Reset Button.
From notsealed.com
What to check if your Briggs and Stratton generator won't start. Not Briggs And Stratton Generator Reset Button Identify your generator’s controller by removing the cover and follow the appropriate directions below. To do so, press the control board. It can be scary (and simply inconvenient) to lose power to your home. View and download briggs & stratton 040213 service and troubleshooting manual online. 15000 watt home generator system. The fix could be as easy as resetting your. Briggs And Stratton Generator Reset Button.
From www.grainger.com
BRIGGS & STRATTON Recoil Portable Generator, 5000 Rated Watts, 6250 Briggs And Stratton Generator Reset Button It can be scary (and simply inconvenient) to lose power to your home. The fix could be as easy as resetting your generator. 15000 watt home generator system. Learn how your home generator can perform its best with our home generator quick start guide. Discover expert troubleshooting tips for briggs and stratton generators. The briggs & stratton 20kw standby generator. Briggs And Stratton Generator Reset Button.
From galvinconanstuart.blogspot.com
Briggs And Stratton Generator Parts Diagram General Wiring Diagram Briggs And Stratton Generator Reset Button The briggs & stratton 20kw standby generator is equipped with an automatic transfer switch, making it easy to use and operate. Learn how to reset your generator effectively. Identify your generator’s controller by removing the cover and follow the appropriate directions below. To do so, press the control board. Learn how your home generator can perform its best with our. Briggs And Stratton Generator Reset Button.
From www.youtube.com
How to start a Briggs and Stratton generator YouTube Briggs And Stratton Generator Reset Button Identify your generator’s controller by removing the cover and follow the appropriate directions below. To do so, press the control board. Maintenance reset service code detection system the operator must reset the service code detection system servicing the system each time it activates. Discover expert troubleshooting tips for briggs and stratton generators. 040213 portable generator pdf manual. It can be. Briggs And Stratton Generator Reset Button.
From circuitbirsovjz.z4.web.core.windows.net
Briggs And Stratton 1450 Series Generator Briggs And Stratton Generator Reset Button Identify your generator’s controller by removing the cover and follow the appropriate directions below. The fix could be as easy as resetting your generator. Discover expert troubleshooting tips for briggs and stratton generators. Maintenance reset service code detection system the operator must reset the service code detection system servicing the system each time it activates. Learn how your home generator. Briggs And Stratton Generator Reset Button.
From www.partswarehouse.com
HPP16070 Briggs and Stratton Generator BSP5500LEA PartsWarehouse Briggs And Stratton Generator Reset Button That's why you rely on your standby generator to back up your home during. Identify your generator’s controller by removing the cover and follow the appropriate directions below. View and download briggs & stratton 040213 service and troubleshooting manual online. Maintenance reset service code detection system the operator must reset the service code detection system servicing the system each time. Briggs And Stratton Generator Reset Button.
From www.youtube.com
How To Change The Oil On A Briggs & Stratton Generator YouTube Briggs And Stratton Generator Reset Button 040213 portable generator pdf manual. Identify your generator’s controller by removing the cover and follow the appropriate directions below. 15000 watt home generator system. Learn how your home generator can perform its best with our home generator quick start guide. It can be scary (and simply inconvenient) to lose power to your home. That's why you rely on your standby. Briggs And Stratton Generator Reset Button.
From www.ebay.com
Carburetor for Briggs and Stratton Generator model 030424 eBay Briggs And Stratton Generator Reset Button The fix could be as easy as resetting your generator. Discover expert troubleshooting tips for briggs and stratton generators. Identify your generator’s controller by removing the cover and follow the appropriate directions below. 15000 watt home generator system. Learn how to reset your generator effectively. To reset the briggs & stratton. View and download briggs & stratton 040213 service and. Briggs And Stratton Generator Reset Button.
From www.wiringdigital.com
Wiring Diagram Briggs And Stratton Generator Wiring Digital and Schematic Briggs And Stratton Generator Reset Button Identify your generator’s controller by removing the cover and follow the appropriate directions below. Discover expert troubleshooting tips for briggs and stratton generators. 040213 portable generator pdf manual. That's why you rely on your standby generator to back up your home during. To reset the briggs & stratton. 15000 watt home generator system. The fix could be as easy as. Briggs And Stratton Generator Reset Button.
From www.partswarehouse.com
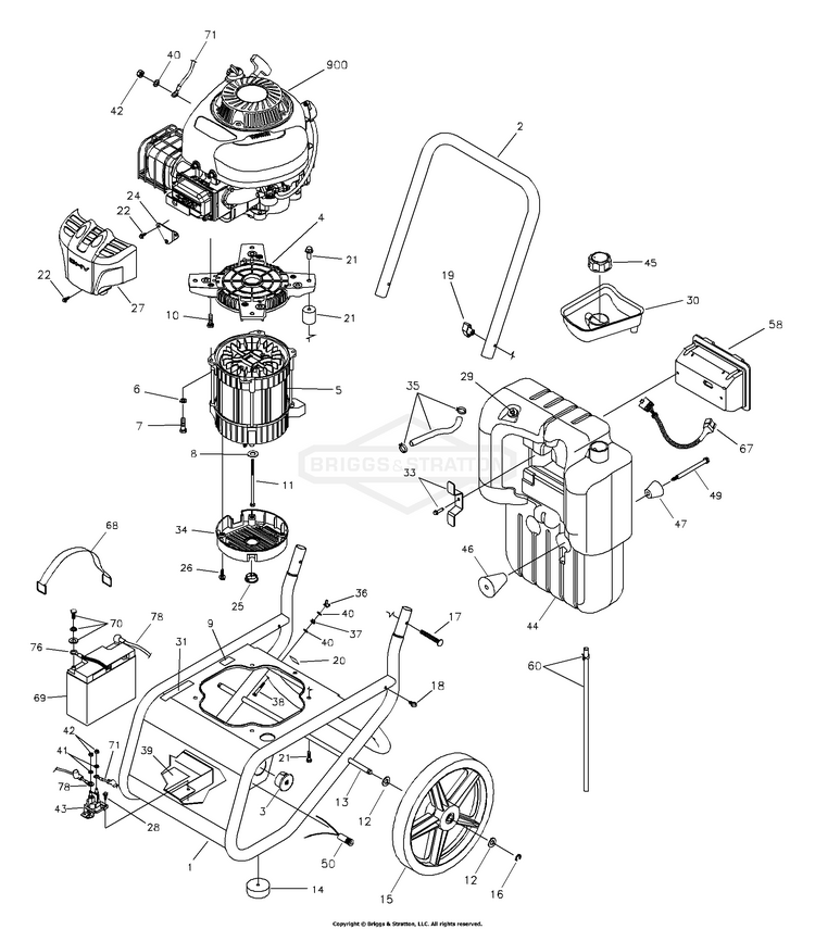
0302350 Briggs and Stratton Generator 5,500 Watt PartsWarehouse Briggs And Stratton Generator Reset Button 040213 portable generator pdf manual. The fix could be as easy as resetting your generator. It can be scary (and simply inconvenient) to lose power to your home. That's why you rely on your standby generator to back up your home during. To reset the briggs & stratton. To do so, press the control board. Identify your generator’s controller by. Briggs And Stratton Generator Reset Button.
From manualpartjacob.z21.web.core.windows.net
Briggs & Stratton 6250 Generator Manual Briggs And Stratton Generator Reset Button The briggs & stratton 20kw standby generator is equipped with an automatic transfer switch, making it easy to use and operate. View and download briggs & stratton 040213 service and troubleshooting manual online. To do so, press the control board. Learn how your home generator can perform its best with our home generator quick start guide. 15000 watt home generator. Briggs And Stratton Generator Reset Button.
From www.partswarehouse.com
0302520 Briggs and Stratton Generator 4,000 Watt PartsWarehouse Briggs And Stratton Generator Reset Button To do so, press the control board. Learn how your home generator can perform its best with our home generator quick start guide. The briggs & stratton 20kw standby generator is equipped with an automatic transfer switch, making it easy to use and operate. View and download briggs & stratton 040213 service and troubleshooting manual online. Maintenance reset service code. Briggs And Stratton Generator Reset Button.
From www.protoolreviews.com
Briggs & Stratton Elite Series 8000Watt Generator with Bluetooth PTR Briggs And Stratton Generator Reset Button Learn how your home generator can perform its best with our home generator quick start guide. The briggs & stratton 20kw standby generator is equipped with an automatic transfer switch, making it easy to use and operate. The fix could be as easy as resetting your generator. To do so, press the control board. Discover expert troubleshooting tips for briggs. Briggs And Stratton Generator Reset Button.
From www.youtube.com
Briggs & Stratton Generator Won't Start Backfired From Intake Stopped Briggs And Stratton Generator Reset Button Identify your generator’s controller by removing the cover and follow the appropriate directions below. Learn how to reset your generator effectively. It can be scary (and simply inconvenient) to lose power to your home. When a power outage occurs, the generator will. The fix could be as easy as resetting your generator. 15000 watt home generator system. That's why you. Briggs And Stratton Generator Reset Button.
From www.wiringdigital.com
Briggs And Stratton 5500 Watt Generator Wiring Diagram Wiring Digital Briggs And Stratton Generator Reset Button 15000 watt home generator system. It can be scary (and simply inconvenient) to lose power to your home. The fix could be as easy as resetting your generator. That's why you rely on your standby generator to back up your home during. To do so, press the control board. To reset the briggs & stratton. Learn how your home generator. Briggs And Stratton Generator Reset Button.
From www.ebay.co.uk
used briggs and stratton generator, 5hp eBay Briggs And Stratton Generator Reset Button 15000 watt home generator system. Identify your generator’s controller by removing the cover and follow the appropriate directions below. Learn how your home generator can perform its best with our home generator quick start guide. That's why you rely on your standby generator to back up your home during. It can be scary (and simply inconvenient) to lose power to. Briggs And Stratton Generator Reset Button.
From www.partswarehouse.com
03047000 Briggs and Stratton Generator 7,000 Watt PartsWarehouse Briggs And Stratton Generator Reset Button 15000 watt home generator system. To do so, press the control board. Maintenance reset service code detection system the operator must reset the service code detection system servicing the system each time it activates. The briggs & stratton 20kw standby generator is equipped with an automatic transfer switch, making it easy to use and operate. Learn how to reset your. Briggs And Stratton Generator Reset Button.
From www.partswarehouse.com
0302520 Briggs and Stratton Generator 4,000 Watt PartsWarehouse Briggs And Stratton Generator Reset Button Learn how to reset your generator effectively. The briggs & stratton 20kw standby generator is equipped with an automatic transfer switch, making it easy to use and operate. Discover expert troubleshooting tips for briggs and stratton generators. It can be scary (and simply inconvenient) to lose power to your home. To reset the briggs & stratton. That's why you rely. Briggs And Stratton Generator Reset Button.
From www.partswarehouse.com
04051701 Briggs and Stratton Generator 12,000 Watt Standby Generator Briggs And Stratton Generator Reset Button The fix could be as easy as resetting your generator. The briggs & stratton 20kw standby generator is equipped with an automatic transfer switch, making it easy to use and operate. 040213 portable generator pdf manual. Maintenance reset service code detection system the operator must reset the service code detection system servicing the system each time it activates. That's why. Briggs And Stratton Generator Reset Button.
From www.partswarehouse.com
0302050 Briggs and Stratton Generator 5,800 Watt PartsWarehouse Briggs And Stratton Generator Reset Button View and download briggs & stratton 040213 service and troubleshooting manual online. To reset the briggs & stratton. Learn how to reset your generator effectively. The briggs & stratton 20kw standby generator is equipped with an automatic transfer switch, making it easy to use and operate. It can be scary (and simply inconvenient) to lose power to your home. Discover. Briggs And Stratton Generator Reset Button.
From ranquejarahpfixengine.z13.web.core.windows.net
Briggs & Stratton Home Generator Parts Briggs And Stratton Generator Reset Button It can be scary (and simply inconvenient) to lose power to your home. View and download briggs & stratton 040213 service and troubleshooting manual online. The briggs & stratton 20kw standby generator is equipped with an automatic transfer switch, making it easy to use and operate. Learn how to reset your generator effectively. 040213 portable generator pdf manual. The fix. Briggs And Stratton Generator Reset Button.
From www.wiringdigital.com
Briggs And Stratton 5500 Watt Generator Wiring Diagram Wiring Digital Briggs And Stratton Generator Reset Button 040213 portable generator pdf manual. The fix could be as easy as resetting your generator. Learn how to reset your generator effectively. Learn how your home generator can perform its best with our home generator quick start guide. That's why you rely on your standby generator to back up your home during. Discover expert troubleshooting tips for briggs and stratton. Briggs And Stratton Generator Reset Button.
From www.partswarehouse.com
0302520 Briggs and Stratton Generator 4,000 Watt PartsWarehouse Briggs And Stratton Generator Reset Button Maintenance reset service code detection system the operator must reset the service code detection system servicing the system each time it activates. 040213 portable generator pdf manual. To do so, press the control board. View and download briggs & stratton 040213 service and troubleshooting manual online. When a power outage occurs, the generator will. It can be scary (and simply. Briggs And Stratton Generator Reset Button.
From www.partswarehouse.com
03068100 Briggs and Stratton Generator 5,000 Watt PartsWarehouse Briggs And Stratton Generator Reset Button Discover expert troubleshooting tips for briggs and stratton generators. Maintenance reset service code detection system the operator must reset the service code detection system servicing the system each time it activates. It can be scary (and simply inconvenient) to lose power to your home. Identify your generator’s controller by removing the cover and follow the appropriate directions below. To do. Briggs And Stratton Generator Reset Button.
From www.partswarehouse.com
03802600 Briggs and Stratton Generator 6250A, 5,000 Watt PartsWarehouse Briggs And Stratton Generator Reset Button The fix could be as easy as resetting your generator. Learn how to reset your generator effectively. Discover expert troubleshooting tips for briggs and stratton generators. Identify your generator’s controller by removing the cover and follow the appropriate directions below. Maintenance reset service code detection system the operator must reset the service code detection system servicing the system each time. Briggs And Stratton Generator Reset Button.