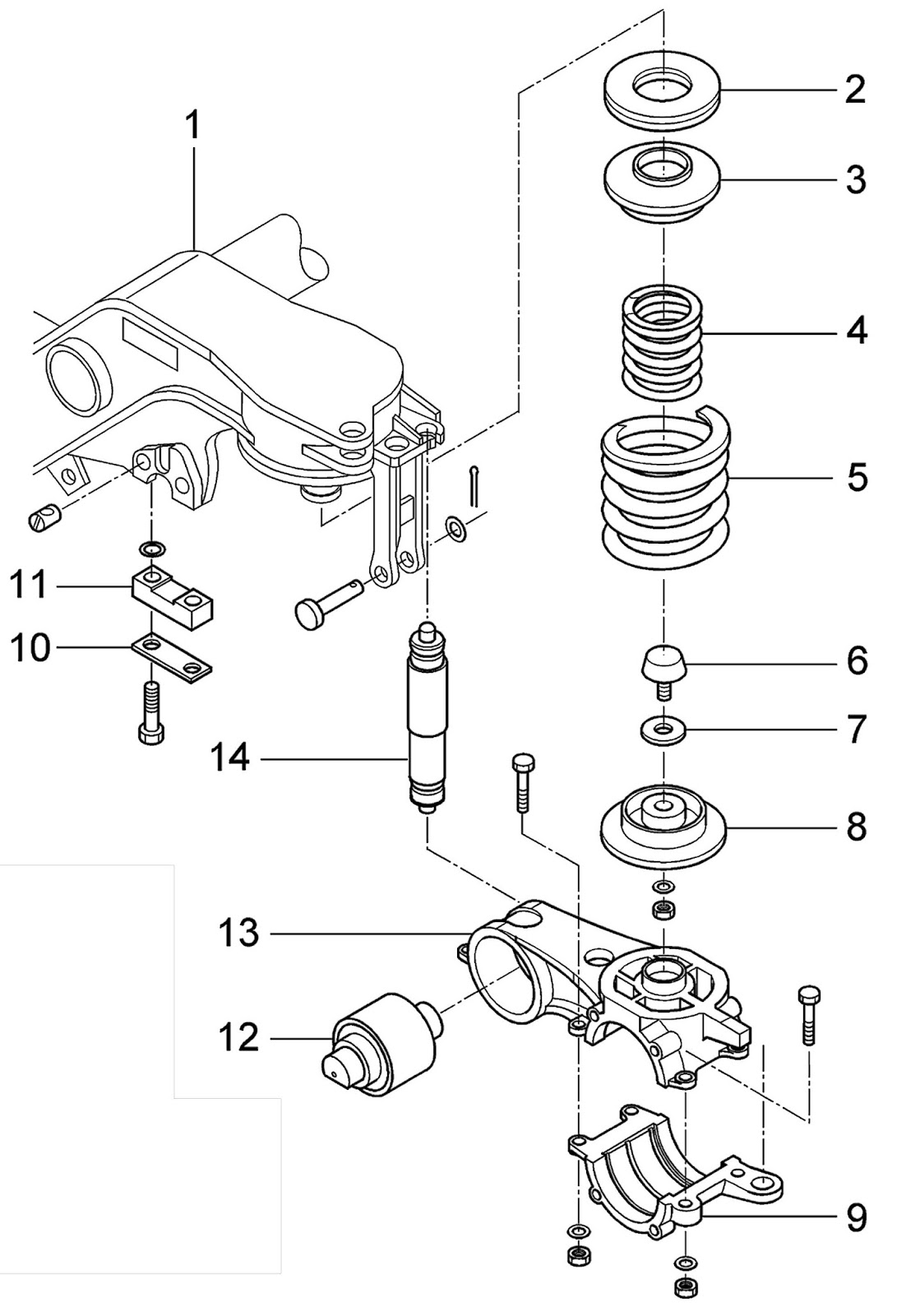
Control Arm In Lhb Coaches . Now a day’s lhb coaching stock is increasing day by day in all railways. Perform a visual check of bogies for abnormally low control arm lug clearance, which could be tell tale sign of coil spring failure. Visually check control arm parts for damages, cracks or corrosion marks. New variants of lhb coaches have been rolled out by indian railways. Inspect the rubber joint until it is visible for, damages and ageing. So it has become essential to all coaching depots to have spare parts. Each type of coach has its unique features which have been provided as. It has become necessary to develop a separate maintenance manual. It discusses that lhb coaches were introduced in india through a technology transfer agreement with alstom germany. #controlarmworkingprinciple, #controlam, #whatiscontrolarmarrangements, #lhbbogie, #lhbcoach training, #indianrailway,. Each type of coach has their unique features which have been provided as. New variants of lhb coaches have been rolled out by indian railways.
from www.researchgate.net
New variants of lhb coaches have been rolled out by indian railways. Now a day’s lhb coaching stock is increasing day by day in all railways. Perform a visual check of bogies for abnormally low control arm lug clearance, which could be tell tale sign of coil spring failure. #controlarmworkingprinciple, #controlam, #whatiscontrolarmarrangements, #lhbbogie, #lhbcoach training, #indianrailway,. Each type of coach has their unique features which have been provided as. Inspect the rubber joint until it is visible for, damages and ageing. New variants of lhb coaches have been rolled out by indian railways. So it has become essential to all coaching depots to have spare parts. It has become necessary to develop a separate maintenance manual. Each type of coach has its unique features which have been provided as.
(PDF) Modal analysis of FIAT Bogie of LHB railway coach
Control Arm In Lhb Coaches New variants of lhb coaches have been rolled out by indian railways. Perform a visual check of bogies for abnormally low control arm lug clearance, which could be tell tale sign of coil spring failure. #controlarmworkingprinciple, #controlam, #whatiscontrolarmarrangements, #lhbbogie, #lhbcoach training, #indianrailway,. Now a day’s lhb coaching stock is increasing day by day in all railways. Visually check control arm parts for damages, cracks or corrosion marks. So it has become essential to all coaching depots to have spare parts. Each type of coach has their unique features which have been provided as. It has become necessary to develop a separate maintenance manual. New variants of lhb coaches have been rolled out by indian railways. Inspect the rubber joint until it is visible for, damages and ageing. New variants of lhb coaches have been rolled out by indian railways. Each type of coach has its unique features which have been provided as. It discusses that lhb coaches were introduced in india through a technology transfer agreement with alstom germany.
From www.youtube.com
LHB Coach Primary Suspension primary suspension YouTube Control Arm In Lhb Coaches Each type of coach has its unique features which have been provided as. New variants of lhb coaches have been rolled out by indian railways. Visually check control arm parts for damages, cracks or corrosion marks. New variants of lhb coaches have been rolled out by indian railways. Inspect the rubber joint until it is visible for, damages and ageing.. Control Arm In Lhb Coaches.
From www.youtube.com
LHB Coach Brake Control Panel Details brakecontrolpanel Lhb coach Control Arm In Lhb Coaches Now a day’s lhb coaching stock is increasing day by day in all railways. New variants of lhb coaches have been rolled out by indian railways. It discusses that lhb coaches were introduced in india through a technology transfer agreement with alstom germany. Perform a visual check of bogies for abnormally low control arm lug clearance, which could be tell. Control Arm In Lhb Coaches.
From www.youtube.com
Making LHB coach model YouTube Control Arm In Lhb Coaches #controlarmworkingprinciple, #controlam, #whatiscontrolarmarrangements, #lhbbogie, #lhbcoach training, #indianrailway,. So it has become essential to all coaching depots to have spare parts. Now a day’s lhb coaching stock is increasing day by day in all railways. It has become necessary to develop a separate maintenance manual. New variants of lhb coaches have been rolled out by indian railways. Visually check control arm. Control Arm In Lhb Coaches.
From www.youtube.com
LHB Coach/FIAT Bogie Parts name & all dimensions, Clearances tech je Control Arm In Lhb Coaches Each type of coach has its unique features which have been provided as. It discusses that lhb coaches were introduced in india through a technology transfer agreement with alstom germany. Now a day’s lhb coaching stock is increasing day by day in all railways. Visually check control arm parts for damages, cracks or corrosion marks. #controlarmworkingprinciple, #controlam, #whatiscontrolarmarrangements, #lhbbogie, #lhbcoach. Control Arm In Lhb Coaches.
From www.youtube.com
ICF Bogie vs LHB bogie explained YouTube Control Arm In Lhb Coaches Inspect the rubber joint until it is visible for, damages and ageing. So it has become essential to all coaching depots to have spare parts. It discusses that lhb coaches were introduced in india through a technology transfer agreement with alstom germany. It has become necessary to develop a separate maintenance manual. Now a day’s lhb coaching stock is increasing. Control Arm In Lhb Coaches.
From railmaniac.blogspot.com
Rail Maniac LHB FIAT BOGIE ( DETAILED ) Control Arm In Lhb Coaches Inspect the rubber joint until it is visible for, damages and ageing. Perform a visual check of bogies for abnormally low control arm lug clearance, which could be tell tale sign of coil spring failure. Visually check control arm parts for damages, cracks or corrosion marks. So it has become essential to all coaching depots to have spare parts. It. Control Arm In Lhb Coaches.
From www.youtube.com
How does the suspension system work in the lhb bogie? YouTube Control Arm In Lhb Coaches Perform a visual check of bogies for abnormally low control arm lug clearance, which could be tell tale sign of coil spring failure. Each type of coach has its unique features which have been provided as. Each type of coach has their unique features which have been provided as. New variants of lhb coaches have been rolled out by indian. Control Arm In Lhb Coaches.
From railmaniac.blogspot.com
Rail Maniac Innovative Design of "RDSO TRAIL COACH ( LHB SLR ) WITH Control Arm In Lhb Coaches Each type of coach has their unique features which have been provided as. Each type of coach has its unique features which have been provided as. New variants of lhb coaches have been rolled out by indian railways. So it has become essential to all coaching depots to have spare parts. Perform a visual check of bogies for abnormally low. Control Arm In Lhb Coaches.
From www.pinterest.com
lhb bogie control arm controlarm explain working of primary Control Arm In Lhb Coaches Visually check control arm parts for damages, cracks or corrosion marks. It has become necessary to develop a separate maintenance manual. So it has become essential to all coaching depots to have spare parts. Inspect the rubber joint until it is visible for, damages and ageing. New variants of lhb coaches have been rolled out by indian railways. New variants. Control Arm In Lhb Coaches.
From www.youtube.com
How to make fiat bogie for lhb coach model YouTube Control Arm In Lhb Coaches Perform a visual check of bogies for abnormally low control arm lug clearance, which could be tell tale sign of coil spring failure. New variants of lhb coaches have been rolled out by indian railways. Each type of coach has their unique features which have been provided as. Now a day’s lhb coaching stock is increasing day by day in. Control Arm In Lhb Coaches.
From www.youtube.com
LHB bogie traction center working of traction center Live animation Control Arm In Lhb Coaches Inspect the rubber joint until it is visible for, damages and ageing. Now a day’s lhb coaching stock is increasing day by day in all railways. New variants of lhb coaches have been rolled out by indian railways. Perform a visual check of bogies for abnormally low control arm lug clearance, which could be tell tale sign of coil spring. Control Arm In Lhb Coaches.
From www.youtube.com
Fiat bogie control arm How do LHB Bogie control Arm works? YouTube Control Arm In Lhb Coaches New variants of lhb coaches have been rolled out by indian railways. Visually check control arm parts for damages, cracks or corrosion marks. Each type of coach has their unique features which have been provided as. New variants of lhb coaches have been rolled out by indian railways. It discusses that lhb coaches were introduced in india through a technology. Control Arm In Lhb Coaches.
From www.macphersonride.com
Control Arms MacPherson Control Arm In Lhb Coaches It discusses that lhb coaches were introduced in india through a technology transfer agreement with alstom germany. Each type of coach has its unique features which have been provided as. Now a day’s lhb coaching stock is increasing day by day in all railways. Inspect the rubber joint until it is visible for, damages and ageing. #controlarmworkingprinciple, #controlam, #whatiscontrolarmarrangements, #lhbbogie,. Control Arm In Lhb Coaches.
From www.scribd.com
Indian Railway LHB Coach Diagram Pump Control Control Arm In Lhb Coaches New variants of lhb coaches have been rolled out by indian railways. It discusses that lhb coaches were introduced in india through a technology transfer agreement with alstom germany. #controlarmworkingprinciple, #controlam, #whatiscontrolarmarrangements, #lhbbogie, #lhbcoach training, #indianrailway,. Visually check control arm parts for damages, cracks or corrosion marks. Each type of coach has its unique features which have been provided as.. Control Arm In Lhb Coaches.
From www.youtube.com
How to control wheel shelling in LHB coaches YouTube Control Arm In Lhb Coaches Each type of coach has their unique features which have been provided as. Now a day’s lhb coaching stock is increasing day by day in all railways. Each type of coach has its unique features which have been provided as. Visually check control arm parts for damages, cracks or corrosion marks. Perform a visual check of bogies for abnormally low. Control Arm In Lhb Coaches.
From railcoaches.blogspot.com
ELECTRICAL COACH CARE LHB Coaches in pictures Control Arm In Lhb Coaches Perform a visual check of bogies for abnormally low control arm lug clearance, which could be tell tale sign of coil spring failure. Visually check control arm parts for damages, cracks or corrosion marks. So it has become essential to all coaching depots to have spare parts. Each type of coach has their unique features which have been provided as.. Control Arm In Lhb Coaches.
From www.youtube.com
lhb fiat bogie LHB coach's fiat bogie parts Explained fiat bogie Control Arm In Lhb Coaches It discusses that lhb coaches were introduced in india through a technology transfer agreement with alstom germany. New variants of lhb coaches have been rolled out by indian railways. Each type of coach has its unique features which have been provided as. #controlarmworkingprinciple, #controlam, #whatiscontrolarmarrangements, #lhbbogie, #lhbcoach training, #indianrailway,. It has become necessary to develop a separate maintenance manual. Now. Control Arm In Lhb Coaches.
From www.youtube.com
Vande Bharat bogie vs LHB bogie YouTube Control Arm In Lhb Coaches So it has become essential to all coaching depots to have spare parts. Each type of coach has their unique features which have been provided as. New variants of lhb coaches have been rolled out by indian railways. It discusses that lhb coaches were introduced in india through a technology transfer agreement with alstom germany. New variants of lhb coaches. Control Arm In Lhb Coaches.
From railmaniac.blogspot.com
Rail Maniac LHB FIAT BOGIE ( DETAILED ) Control Arm In Lhb Coaches Visually check control arm parts for damages, cracks or corrosion marks. New variants of lhb coaches have been rolled out by indian railways. New variants of lhb coaches have been rolled out by indian railways. It has become necessary to develop a separate maintenance manual. So it has become essential to all coaching depots to have spare parts. Inspect the. Control Arm In Lhb Coaches.
From www.youtube.com
LHB NONAC COACH CONTACTOR K01 CONTROL CIRCUIT DIAGRAM YouTube Control Arm In Lhb Coaches It has become necessary to develop a separate maintenance manual. It discusses that lhb coaches were introduced in india through a technology transfer agreement with alstom germany. Each type of coach has its unique features which have been provided as. Now a day’s lhb coaching stock is increasing day by day in all railways. Visually check control arm parts for. Control Arm In Lhb Coaches.
From www.youtube.com
Unique Coach Coupling LHB coach coupled with ICF Screw Coupler Coach Control Arm In Lhb Coaches Now a day’s lhb coaching stock is increasing day by day in all railways. Perform a visual check of bogies for abnormally low control arm lug clearance, which could be tell tale sign of coil spring failure. New variants of lhb coaches have been rolled out by indian railways. New variants of lhb coaches have been rolled out by indian. Control Arm In Lhb Coaches.
From www.youtube.com
Linke Hofmann Busch coaches Basic Overview of LHB Coach LHB Coach Control Arm In Lhb Coaches #controlarmworkingprinciple, #controlam, #whatiscontrolarmarrangements, #lhbbogie, #lhbcoach training, #indianrailway,. Inspect the rubber joint until it is visible for, damages and ageing. Each type of coach has their unique features which have been provided as. It discusses that lhb coaches were introduced in india through a technology transfer agreement with alstom germany. Now a day’s lhb coaching stock is increasing day by day. Control Arm In Lhb Coaches.
From railmaniac.blogspot.com
Rail Maniac LHB FIAT BOGIE ( DETAILED ) Control Arm In Lhb Coaches It discusses that lhb coaches were introduced in india through a technology transfer agreement with alstom germany. So it has become essential to all coaching depots to have spare parts. Each type of coach has its unique features which have been provided as. New variants of lhb coaches have been rolled out by indian railways. New variants of lhb coaches. Control Arm In Lhb Coaches.
From railmaniac.blogspot.com
Rail Maniac LHB FIAT BOGIE ( DETAILED ) Control Arm In Lhb Coaches New variants of lhb coaches have been rolled out by indian railways. It discusses that lhb coaches were introduced in india through a technology transfer agreement with alstom germany. Inspect the rubber joint until it is visible for, damages and ageing. So it has become essential to all coaching depots to have spare parts. Now a day’s lhb coaching stock. Control Arm In Lhb Coaches.
From www.youtube.com
LHB Coach control panel connection lhb controlpanel brake caliper Control Arm In Lhb Coaches New variants of lhb coaches have been rolled out by indian railways. New variants of lhb coaches have been rolled out by indian railways. #controlarmworkingprinciple, #controlam, #whatiscontrolarmarrangements, #lhbbogie, #lhbcoach training, #indianrailway,. It has become necessary to develop a separate maintenance manual. So it has become essential to all coaching depots to have spare parts. Each type of coach has its. Control Arm In Lhb Coaches.
From railmaniac.blogspot.com
Rail Maniac LHB FIAT BOGIE ( DETAILED ) Control Arm In Lhb Coaches Each type of coach has their unique features which have been provided as. New variants of lhb coaches have been rolled out by indian railways. Perform a visual check of bogies for abnormally low control arm lug clearance, which could be tell tale sign of coil spring failure. So it has become essential to all coaching depots to have spare. Control Arm In Lhb Coaches.
From www.youtube.com
LHB FIAT Bogie of Indian Railway High Speed Passenger Coaches YouTube Control Arm In Lhb Coaches Each type of coach has their unique features which have been provided as. Now a day’s lhb coaching stock is increasing day by day in all railways. New variants of lhb coaches have been rolled out by indian railways. Visually check control arm parts for damages, cracks or corrosion marks. New variants of lhb coaches have been rolled out by. Control Arm In Lhb Coaches.
From www.youtube.com
Brake control panel of LHB coach brakecontrolpanel YouTube Control Arm In Lhb Coaches Perform a visual check of bogies for abnormally low control arm lug clearance, which could be tell tale sign of coil spring failure. New variants of lhb coaches have been rolled out by indian railways. Now a day’s lhb coaching stock is increasing day by day in all railways. So it has become essential to all coaching depots to have. Control Arm In Lhb Coaches.
From www.youtube.com
YouTube Control Arm In Lhb Coaches It discusses that lhb coaches were introduced in india through a technology transfer agreement with alstom germany. Perform a visual check of bogies for abnormally low control arm lug clearance, which could be tell tale sign of coil spring failure. It has become necessary to develop a separate maintenance manual. Each type of coach has their unique features which have. Control Arm In Lhb Coaches.
From www.youtube.com
LHB Coaches/Bogies Brake System How LHB Rake Brake System Work LHB Control Arm In Lhb Coaches New variants of lhb coaches have been rolled out by indian railways. #controlarmworkingprinciple, #controlam, #whatiscontrolarmarrangements, #lhbbogie, #lhbcoach training, #indianrailway,. It discusses that lhb coaches were introduced in india through a technology transfer agreement with alstom germany. Each type of coach has their unique features which have been provided as. It has become necessary to develop a separate maintenance manual. Perform. Control Arm In Lhb Coaches.
From railmaniac.blogspot.com
Rail Maniac INDIAN RAILWAYS BOGIE PROTOTYPE THAT WILL RUN 200KMPH Control Arm In Lhb Coaches So it has become essential to all coaching depots to have spare parts. Now a day’s lhb coaching stock is increasing day by day in all railways. Inspect the rubber joint until it is visible for, damages and ageing. It discusses that lhb coaches were introduced in india through a technology transfer agreement with alstom germany. #controlarmworkingprinciple, #controlam, #whatiscontrolarmarrangements, #lhbbogie,. Control Arm In Lhb Coaches.
From www.indiamart.com
Lhb Coaches ARM REST ( TYPE 2 DESIGN ) WITH BLACK PU FOAM SOLE ( SET OF Control Arm In Lhb Coaches Inspect the rubber joint until it is visible for, damages and ageing. Perform a visual check of bogies for abnormally low control arm lug clearance, which could be tell tale sign of coil spring failure. So it has become essential to all coaching depots to have spare parts. Visually check control arm parts for damages, cracks or corrosion marks. Each. Control Arm In Lhb Coaches.
From www.youtube.com
How does LHB bogie Control Arm work? YouTube Control Arm In Lhb Coaches #controlarmworkingprinciple, #controlam, #whatiscontrolarmarrangements, #lhbbogie, #lhbcoach training, #indianrailway,. Inspect the rubber joint until it is visible for, damages and ageing. Each type of coach has their unique features which have been provided as. Perform a visual check of bogies for abnormally low control arm lug clearance, which could be tell tale sign of coil spring failure. New variants of lhb coaches. Control Arm In Lhb Coaches.
From pt.scribd.com
Indian Railway LHB Coach Diagram LHB Lighting System PDF Control Arm In Lhb Coaches It discusses that lhb coaches were introduced in india through a technology transfer agreement with alstom germany. Inspect the rubber joint until it is visible for, damages and ageing. Now a day’s lhb coaching stock is increasing day by day in all railways. Each type of coach has its unique features which have been provided as. Visually check control arm. Control Arm In Lhb Coaches.
From www.researchgate.net
(PDF) Modal analysis of FIAT Bogie of LHB railway coach Control Arm In Lhb Coaches Inspect the rubber joint until it is visible for, damages and ageing. New variants of lhb coaches have been rolled out by indian railways. Each type of coach has their unique features which have been provided as. It discusses that lhb coaches were introduced in india through a technology transfer agreement with alstom germany. Visually check control arm parts for. Control Arm In Lhb Coaches.