Weather Balloon Sensors . researchers at arizona state university in tempe are evaluating a small, lightweight, efficient 3d imaging sensor designed for. These sensors help collect critical. sensors beam data back down to earth every few seconds as winds carry the balloons up to 125 miles away. the trusty weather balloon has been an essential data tool for forecasters for nearly 90 years. windborne systems' innovative weather balloons revolutionize environmental data collection enhanced by bosch sensortec’s pressure sensors. released twice a day, every day of the year in the u.s. These balloons are a platform, allowing experiments, data collectors, or practically anything to go to near space. a high altitude weather balloon, also known as a high altitude balloon or hab, is a huge balloon filled with helium.
from www.youtube.com
researchers at arizona state university in tempe are evaluating a small, lightweight, efficient 3d imaging sensor designed for. sensors beam data back down to earth every few seconds as winds carry the balloons up to 125 miles away. the trusty weather balloon has been an essential data tool for forecasters for nearly 90 years. released twice a day, every day of the year in the u.s. windborne systems' innovative weather balloons revolutionize environmental data collection enhanced by bosch sensortec’s pressure sensors. These balloons are a platform, allowing experiments, data collectors, or practically anything to go to near space. a high altitude weather balloon, also known as a high altitude balloon or hab, is a huge balloon filled with helium. These sensors help collect critical.
How To Track Weather Balloons Using SDR YouTube
Weather Balloon Sensors These balloons are a platform, allowing experiments, data collectors, or practically anything to go to near space. released twice a day, every day of the year in the u.s. researchers at arizona state university in tempe are evaluating a small, lightweight, efficient 3d imaging sensor designed for. windborne systems' innovative weather balloons revolutionize environmental data collection enhanced by bosch sensortec’s pressure sensors. sensors beam data back down to earth every few seconds as winds carry the balloons up to 125 miles away. These balloons are a platform, allowing experiments, data collectors, or practically anything to go to near space. These sensors help collect critical. the trusty weather balloon has been an essential data tool for forecasters for nearly 90 years. a high altitude weather balloon, also known as a high altitude balloon or hab, is a huge balloon filled with helium.
From wisegroupsystems.com
Meteorological Sensors WISE GROUP Weather Balloon Sensors a high altitude weather balloon, also known as a high altitude balloon or hab, is a huge balloon filled with helium. the trusty weather balloon has been an essential data tool for forecasters for nearly 90 years. released twice a day, every day of the year in the u.s. sensors beam data back down to earth. Weather Balloon Sensors.
From www.alamy.com
Meteorologist launching a weather balloon with a radiosonde sensor at Weather Balloon Sensors released twice a day, every day of the year in the u.s. These balloons are a platform, allowing experiments, data collectors, or practically anything to go to near space. These sensors help collect critical. windborne systems' innovative weather balloons revolutionize environmental data collection enhanced by bosch sensortec’s pressure sensors. a high altitude weather balloon, also known as. Weather Balloon Sensors.
From www.youtube.com
How To Track Weather Balloons Using SDR YouTube Weather Balloon Sensors a high altitude weather balloon, also known as a high altitude balloon or hab, is a huge balloon filled with helium. windborne systems' innovative weather balloons revolutionize environmental data collection enhanced by bosch sensortec’s pressure sensors. These balloons are a platform, allowing experiments, data collectors, or practically anything to go to near space. the trusty weather balloon. Weather Balloon Sensors.
From www.nereides.fr
Meteorological Measures NEREIDES Weather Balloon Sensors windborne systems' innovative weather balloons revolutionize environmental data collection enhanced by bosch sensortec’s pressure sensors. a high altitude weather balloon, also known as a high altitude balloon or hab, is a huge balloon filled with helium. researchers at arizona state university in tempe are evaluating a small, lightweight, efficient 3d imaging sensor designed for. released twice. Weather Balloon Sensors.
From ar.inspiredpencil.com
Weather Balloon Diagram Weather Balloon Sensors researchers at arizona state university in tempe are evaluating a small, lightweight, efficient 3d imaging sensor designed for. a high altitude weather balloon, also known as a high altitude balloon or hab, is a huge balloon filled with helium. the trusty weather balloon has been an essential data tool for forecasters for nearly 90 years. sensors. Weather Balloon Sensors.
From www.dreamstime.com
White Round Weather Balloon Stock Illustration Illustration of Weather Balloon Sensors sensors beam data back down to earth every few seconds as winds carry the balloons up to 125 miles away. windborne systems' innovative weather balloons revolutionize environmental data collection enhanced by bosch sensortec’s pressure sensors. These balloons are a platform, allowing experiments, data collectors, or practically anything to go to near space. released twice a day, every. Weather Balloon Sensors.
From www.alamy.com
Radiosonde sensor that is launched with a weather balloon at the Weather Balloon Sensors researchers at arizona state university in tempe are evaluating a small, lightweight, efficient 3d imaging sensor designed for. sensors beam data back down to earth every few seconds as winds carry the balloons up to 125 miles away. These sensors help collect critical. a high altitude weather balloon, also known as a high altitude balloon or hab,. Weather Balloon Sensors.
From www.sciencephoto.com
Weather balloon sensors Stock Image C022/5215 Science Photo Library Weather Balloon Sensors These balloons are a platform, allowing experiments, data collectors, or practically anything to go to near space. a high altitude weather balloon, also known as a high altitude balloon or hab, is a huge balloon filled with helium. released twice a day, every day of the year in the u.s. researchers at arizona state university in tempe. Weather Balloon Sensors.
From www.thoughtco.com
Meteorology Instruments for Measuring Weather Systems Weather Balloon Sensors These sensors help collect critical. the trusty weather balloon has been an essential data tool for forecasters for nearly 90 years. released twice a day, every day of the year in the u.s. researchers at arizona state university in tempe are evaluating a small, lightweight, efficient 3d imaging sensor designed for. windborne systems' innovative weather balloons. Weather Balloon Sensors.
From www.alamy.com
White round weather balloon with satellite technology sensors which can Weather Balloon Sensors sensors beam data back down to earth every few seconds as winds carry the balloons up to 125 miles away. These balloons are a platform, allowing experiments, data collectors, or practically anything to go to near space. the trusty weather balloon has been an essential data tool for forecasters for nearly 90 years. a high altitude weather. Weather Balloon Sensors.
From balloonlive.org
Balloon Live Sensor BalloonLive Weather Balloon Sensors sensors beam data back down to earth every few seconds as winds carry the balloons up to 125 miles away. the trusty weather balloon has been an essential data tool for forecasters for nearly 90 years. windborne systems' innovative weather balloons revolutionize environmental data collection enhanced by bosch sensortec’s pressure sensors. These balloons are a platform, allowing. Weather Balloon Sensors.
From www.mdpi.com
Sensors Free FullText HighAltitude BalloonBased Sensor System Weather Balloon Sensors released twice a day, every day of the year in the u.s. the trusty weather balloon has been an essential data tool for forecasters for nearly 90 years. These sensors help collect critical. These balloons are a platform, allowing experiments, data collectors, or practically anything to go to near space. sensors beam data back down to earth. Weather Balloon Sensors.
From www.bosch-sensortec.com
WindBorne Systems' Innovative Weather Balloons Bosch Sensortec Weather Balloon Sensors the trusty weather balloon has been an essential data tool for forecasters for nearly 90 years. windborne systems' innovative weather balloons revolutionize environmental data collection enhanced by bosch sensortec’s pressure sensors. sensors beam data back down to earth every few seconds as winds carry the balloons up to 125 miles away. researchers at arizona state university. Weather Balloon Sensors.
From www.mlive.com
Balloon tracking 101 How weather balloons can travel in our jet stream Weather Balloon Sensors a high altitude weather balloon, also known as a high altitude balloon or hab, is a huge balloon filled with helium. windborne systems' innovative weather balloons revolutionize environmental data collection enhanced by bosch sensortec’s pressure sensors. released twice a day, every day of the year in the u.s. the trusty weather balloon has been an essential. Weather Balloon Sensors.
From overlookhorizon.com
OLHZN11 Upgrading our Arduino Mega weather balloon sensors Weather Balloon Sensors windborne systems' innovative weather balloons revolutionize environmental data collection enhanced by bosch sensortec’s pressure sensors. the trusty weather balloon has been an essential data tool for forecasters for nearly 90 years. These balloons are a platform, allowing experiments, data collectors, or practically anything to go to near space. released twice a day, every day of the year. Weather Balloon Sensors.
From www.bosch-sensortec.com
WindBorne Systems' Innovative Weather Balloons Bosch Sensortec Weather Balloon Sensors researchers at arizona state university in tempe are evaluating a small, lightweight, efficient 3d imaging sensor designed for. released twice a day, every day of the year in the u.s. These sensors help collect critical. sensors beam data back down to earth every few seconds as winds carry the balloons up to 125 miles away. the. Weather Balloon Sensors.
From www.embedded.com
Launching a weather balloon design Weather Balloon Sensors researchers at arizona state university in tempe are evaluating a small, lightweight, efficient 3d imaging sensor designed for. sensors beam data back down to earth every few seconds as winds carry the balloons up to 125 miles away. the trusty weather balloon has been an essential data tool for forecasters for nearly 90 years. a high. Weather Balloon Sensors.
From www.mdpi.com
Sensors Free FullText Using a BalloonLaunched Unmanned Glider to Weather Balloon Sensors a high altitude weather balloon, also known as a high altitude balloon or hab, is a huge balloon filled with helium. windborne systems' innovative weather balloons revolutionize environmental data collection enhanced by bosch sensortec’s pressure sensors. These sensors help collect critical. released twice a day, every day of the year in the u.s. the trusty weather. Weather Balloon Sensors.
From www.wcnc.com
Understanding weather balloons and radiosondes Weather Balloon Sensors researchers at arizona state university in tempe are evaluating a small, lightweight, efficient 3d imaging sensor designed for. the trusty weather balloon has been an essential data tool for forecasters for nearly 90 years. released twice a day, every day of the year in the u.s. sensors beam data back down to earth every few seconds. Weather Balloon Sensors.
From www.mlive.com
Balloon tracking 101 How weather balloons can travel in our jet stream Weather Balloon Sensors These sensors help collect critical. researchers at arizona state university in tempe are evaluating a small, lightweight, efficient 3d imaging sensor designed for. windborne systems' innovative weather balloons revolutionize environmental data collection enhanced by bosch sensortec’s pressure sensors. These balloons are a platform, allowing experiments, data collectors, or practically anything to go to near space. a high. Weather Balloon Sensors.
From www.alamy.com
Meteorologist launching a weather balloon with a radiosonde sensor at Weather Balloon Sensors the trusty weather balloon has been an essential data tool for forecasters for nearly 90 years. These balloons are a platform, allowing experiments, data collectors, or practically anything to go to near space. sensors beam data back down to earth every few seconds as winds carry the balloons up to 125 miles away. researchers at arizona state. Weather Balloon Sensors.
From www.alamy.com
Data imaging hires stock photography and images Alamy Weather Balloon Sensors researchers at arizona state university in tempe are evaluating a small, lightweight, efficient 3d imaging sensor designed for. These balloons are a platform, allowing experiments, data collectors, or practically anything to go to near space. a high altitude weather balloon, also known as a high altitude balloon or hab, is a huge balloon filled with helium. These sensors. Weather Balloon Sensors.
From www.alamy.com
Meteorologist launching a weather balloon with a radiosonde sensor at Weather Balloon Sensors the trusty weather balloon has been an essential data tool for forecasters for nearly 90 years. researchers at arizona state university in tempe are evaluating a small, lightweight, efficient 3d imaging sensor designed for. a high altitude weather balloon, also known as a high altitude balloon or hab, is a huge balloon filled with helium. These sensors. Weather Balloon Sensors.
From pp-weatherballoon.weebly.com
Launch Weather Balloon Project Weather Balloon Sensors the trusty weather balloon has been an essential data tool for forecasters for nearly 90 years. These balloons are a platform, allowing experiments, data collectors, or practically anything to go to near space. researchers at arizona state university in tempe are evaluating a small, lightweight, efficient 3d imaging sensor designed for. a high altitude weather balloon, also. Weather Balloon Sensors.
From www.mdpi.com
Sensors Free FullText HighAltitude BalloonBased Sensor System Weather Balloon Sensors windborne systems' innovative weather balloons revolutionize environmental data collection enhanced by bosch sensortec’s pressure sensors. a high altitude weather balloon, also known as a high altitude balloon or hab, is a huge balloon filled with helium. the trusty weather balloon has been an essential data tool for forecasters for nearly 90 years. released twice a day,. Weather Balloon Sensors.
From www.alamy.com
Radiosonde sensor that is launched with a weather balloon at the Weather Balloon Sensors These sensors help collect critical. the trusty weather balloon has been an essential data tool for forecasters for nearly 90 years. researchers at arizona state university in tempe are evaluating a small, lightweight, efficient 3d imaging sensor designed for. sensors beam data back down to earth every few seconds as winds carry the balloons up to 125. Weather Balloon Sensors.
From www.weatherwizkids.com
Weather Instruments Weather Wiz Kids Weather Balloon Sensors researchers at arizona state university in tempe are evaluating a small, lightweight, efficient 3d imaging sensor designed for. released twice a day, every day of the year in the u.s. These balloons are a platform, allowing experiments, data collectors, or practically anything to go to near space. a high altitude weather balloon, also known as a high. Weather Balloon Sensors.
From www.aoml.noaa.gov
Upper Air Observations How Weather Balloons Improve Forecasts NOAA's Weather Balloon Sensors sensors beam data back down to earth every few seconds as winds carry the balloons up to 125 miles away. released twice a day, every day of the year in the u.s. windborne systems' innovative weather balloons revolutionize environmental data collection enhanced by bosch sensortec’s pressure sensors. researchers at arizona state university in tempe are evaluating. Weather Balloon Sensors.
From www.eglin.af.mil
Weather balloons keep missions on track > Eglin Air Force Base Weather Balloon Sensors the trusty weather balloon has been an essential data tool for forecasters for nearly 90 years. released twice a day, every day of the year in the u.s. These balloons are a platform, allowing experiments, data collectors, or practically anything to go to near space. a high altitude weather balloon, also known as a high altitude balloon. Weather Balloon Sensors.
From www.pinterest.com
Weather balloon instrument package Weather balloon, Balloons, Observation Weather Balloon Sensors windborne systems' innovative weather balloons revolutionize environmental data collection enhanced by bosch sensortec’s pressure sensors. These sensors help collect critical. a high altitude weather balloon, also known as a high altitude balloon or hab, is a huge balloon filled with helium. researchers at arizona state university in tempe are evaluating a small, lightweight, efficient 3d imaging sensor. Weather Balloon Sensors.
From www.cbsnews.com
How do weather balloons work? CBS Minnesota Weather Balloon Sensors sensors beam data back down to earth every few seconds as winds carry the balloons up to 125 miles away. These balloons are a platform, allowing experiments, data collectors, or practically anything to go to near space. These sensors help collect critical. a high altitude weather balloon, also known as a high altitude balloon or hab, is a. Weather Balloon Sensors.
From www.noaa.gov
NOAA adopts technology to automate weather balloon launches National Weather Balloon Sensors the trusty weather balloon has been an essential data tool for forecasters for nearly 90 years. released twice a day, every day of the year in the u.s. These balloons are a platform, allowing experiments, data collectors, or practically anything to go to near space. researchers at arizona state university in tempe are evaluating a small, lightweight,. Weather Balloon Sensors.
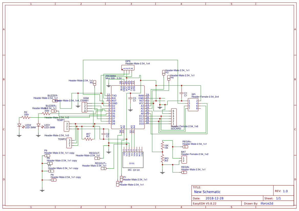
From oshwlab.com
Weather balloon sensors EasyEDA open source hardware lab Weather Balloon Sensors the trusty weather balloon has been an essential data tool for forecasters for nearly 90 years. These balloons are a platform, allowing experiments, data collectors, or practically anything to go to near space. released twice a day, every day of the year in the u.s. windborne systems' innovative weather balloons revolutionize environmental data collection enhanced by bosch. Weather Balloon Sensors.
From www.mlive.com
Balloon tracking 101 How weather balloons can travel in our jet stream Weather Balloon Sensors the trusty weather balloon has been an essential data tool for forecasters for nearly 90 years. researchers at arizona state university in tempe are evaluating a small, lightweight, efficient 3d imaging sensor designed for. windborne systems' innovative weather balloons revolutionize environmental data collection enhanced by bosch sensortec’s pressure sensors. These balloons are a platform, allowing experiments, data. Weather Balloon Sensors.
From www.dreamstime.com
Weather balloon stock illustration. Illustration of sensing 269576268 Weather Balloon Sensors a high altitude weather balloon, also known as a high altitude balloon or hab, is a huge balloon filled with helium. windborne systems' innovative weather balloons revolutionize environmental data collection enhanced by bosch sensortec’s pressure sensors. These balloons are a platform, allowing experiments, data collectors, or practically anything to go to near space. released twice a day,. Weather Balloon Sensors.