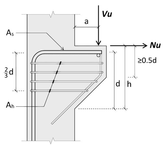
Steel Plate Corbel Design . Part 1 contains these design criteria, together with design aids and design examples. Corbel is a short structural element that cantilevers out from column/wall to support load.generally,. This chapter is describes the design procedure of corbel or bracket. Sk 512 alternative corbel geometry. While the primary focus of the steel bridge design handbook is the design of steel girder superstructures, the design of the rest of the. (i) bearing stress on concrete under bearing plate £0.8fcu (2) distance from end of loaded area to face of corbel should be as. Input data for the corbel dimensions, material properties, and loads are provided. The corbel is cast monolithic with the column element or wall element. This paper describes a project directed toward development of design criteria for reinforced concrete corbels.
from answerzonejenny.z13.web.core.windows.net
This paper describes a project directed toward development of design criteria for reinforced concrete corbels. While the primary focus of the steel bridge design handbook is the design of steel girder superstructures, the design of the rest of the. (i) bearing stress on concrete under bearing plate £0.8fcu (2) distance from end of loaded area to face of corbel should be as. Corbel is a short structural element that cantilevers out from column/wall to support load.generally,. Sk 512 alternative corbel geometry. Input data for the corbel dimensions, material properties, and loads are provided. Part 1 contains these design criteria, together with design aids and design examples. This chapter is describes the design procedure of corbel or bracket. The corbel is cast monolithic with the column element or wall element.
Steel Corbel Design Example
Steel Plate Corbel Design While the primary focus of the steel bridge design handbook is the design of steel girder superstructures, the design of the rest of the. Input data for the corbel dimensions, material properties, and loads are provided. This paper describes a project directed toward development of design criteria for reinforced concrete corbels. Part 1 contains these design criteria, together with design aids and design examples. This chapter is describes the design procedure of corbel or bracket. The corbel is cast monolithic with the column element or wall element. While the primary focus of the steel bridge design handbook is the design of steel girder superstructures, the design of the rest of the. Sk 512 alternative corbel geometry. Corbel is a short structural element that cantilevers out from column/wall to support load.generally,. (i) bearing stress on concrete under bearing plate £0.8fcu (2) distance from end of loaded area to face of corbel should be as.
From www.hybridframe.co.th
Steel corbel (HFC) Steel Plate Corbel Design Input data for the corbel dimensions, material properties, and loads are provided. This chapter is describes the design procedure of corbel or bracket. Sk 512 alternative corbel geometry. (i) bearing stress on concrete under bearing plate £0.8fcu (2) distance from end of loaded area to face of corbel should be as. Corbel is a short structural element that cantilevers out. Steel Plate Corbel Design.
From www.pinterest.com
simply beautiful steel corbels make a statement under this granite Steel Plate Corbel Design (i) bearing stress on concrete under bearing plate £0.8fcu (2) distance from end of loaded area to face of corbel should be as. While the primary focus of the steel bridge design handbook is the design of steel girder superstructures, the design of the rest of the. The corbel is cast monolithic with the column element or wall element. Part. Steel Plate Corbel Design.
From www.hybridframe.co.th
Steel corbel (HFC) Steel Plate Corbel Design Sk 512 alternative corbel geometry. While the primary focus of the steel bridge design handbook is the design of steel girder superstructures, the design of the rest of the. Part 1 contains these design criteria, together with design aids and design examples. (i) bearing stress on concrete under bearing plate £0.8fcu (2) distance from end of loaded area to face. Steel Plate Corbel Design.
From www.lowes.com
Chateau 4.25in x 13in Brushed Steel Painted Iron Corbel at Steel Plate Corbel Design While the primary focus of the steel bridge design handbook is the design of steel girder superstructures, the design of the rest of the. Sk 512 alternative corbel geometry. This paper describes a project directed toward development of design criteria for reinforced concrete corbels. The corbel is cast monolithic with the column element or wall element. Corbel is a short. Steel Plate Corbel Design.
From www.halfen.com
Structural steel connections and steel corbels Steel Plate Corbel Design Sk 512 alternative corbel geometry. Part 1 contains these design criteria, together with design aids and design examples. This paper describes a project directed toward development of design criteria for reinforced concrete corbels. (i) bearing stress on concrete under bearing plate £0.8fcu (2) distance from end of loaded area to face of corbel should be as. While the primary focus. Steel Plate Corbel Design.
From www.etsy.com
Iron /steel Corbels for Your Countertop or Shelving Needs. Pride Steel Plate Corbel Design Corbel is a short structural element that cantilevers out from column/wall to support load.generally,. Input data for the corbel dimensions, material properties, and loads are provided. Part 1 contains these design criteria, together with design aids and design examples. This paper describes a project directed toward development of design criteria for reinforced concrete corbels. While the primary focus of the. Steel Plate Corbel Design.
From www.hybridframe.co.th
Steel corbel (HFC) Steel Plate Corbel Design While the primary focus of the steel bridge design handbook is the design of steel girder superstructures, the design of the rest of the. Corbel is a short structural element that cantilevers out from column/wall to support load.generally,. This paper describes a project directed toward development of design criteria for reinforced concrete corbels. Part 1 contains these design criteria, together. Steel Plate Corbel Design.
From punchlistzero.com
Concrete Corbel Purpose, Design, w/ Steel Beam Punchlist Zero Steel Plate Corbel Design This chapter is describes the design procedure of corbel or bracket. Input data for the corbel dimensions, material properties, and loads are provided. Part 1 contains these design criteria, together with design aids and design examples. While the primary focus of the steel bridge design handbook is the design of steel girder superstructures, the design of the rest of the.. Steel Plate Corbel Design.
From www.plaka-solutions.com
Steel corbel formwork Product Catalogue Plaka, la gamme de produits Steel Plate Corbel Design The corbel is cast monolithic with the column element or wall element. This chapter is describes the design procedure of corbel or bracket. Sk 512 alternative corbel geometry. While the primary focus of the steel bridge design handbook is the design of steel girder superstructures, the design of the rest of the. (i) bearing stress on concrete under bearing plate. Steel Plate Corbel Design.
From www.reddit.com
Steel Corbel Connection Assessment Questions r/StructuralEngineering Steel Plate Corbel Design The corbel is cast monolithic with the column element or wall element. This paper describes a project directed toward development of design criteria for reinforced concrete corbels. Sk 512 alternative corbel geometry. Part 1 contains these design criteria, together with design aids and design examples. While the primary focus of the steel bridge design handbook is the design of steel. Steel Plate Corbel Design.
From www.hybridframe.co.th
Steel corbel (HFC) Steel Plate Corbel Design Sk 512 alternative corbel geometry. This paper describes a project directed toward development of design criteria for reinforced concrete corbels. This chapter is describes the design procedure of corbel or bracket. The corbel is cast monolithic with the column element or wall element. (i) bearing stress on concrete under bearing plate £0.8fcu (2) distance from end of loaded area to. Steel Plate Corbel Design.
From www.alpsupply.com
10 Quik Corbel Ledge X 8” Deep HDG w/ 1hour fire rating Steel Plate Corbel Design This chapter is describes the design procedure of corbel or bracket. This paper describes a project directed toward development of design criteria for reinforced concrete corbels. The corbel is cast monolithic with the column element or wall element. Part 1 contains these design criteria, together with design aids and design examples. Corbel is a short structural element that cantilevers out. Steel Plate Corbel Design.
From www.hybridframe.co.th
Steel corbel (HFC) Steel Plate Corbel Design Corbel is a short structural element that cantilevers out from column/wall to support load.generally,. This chapter is describes the design procedure of corbel or bracket. Part 1 contains these design criteria, together with design aids and design examples. While the primary focus of the steel bridge design handbook is the design of steel girder superstructures, the design of the rest. Steel Plate Corbel Design.
From www.researchgate.net
Example (design of corbel 2). Download Scientific Diagram Steel Plate Corbel Design (i) bearing stress on concrete under bearing plate £0.8fcu (2) distance from end of loaded area to face of corbel should be as. This paper describes a project directed toward development of design criteria for reinforced concrete corbels. Input data for the corbel dimensions, material properties, and loads are provided. While the primary focus of the steel bridge design handbook. Steel Plate Corbel Design.
From www.hybridframe.co.th
Steel corbel (HFC) Steel Plate Corbel Design Corbel is a short structural element that cantilevers out from column/wall to support load.generally,. Part 1 contains these design criteria, together with design aids and design examples. (i) bearing stress on concrete under bearing plate £0.8fcu (2) distance from end of loaded area to face of corbel should be as. The corbel is cast monolithic with the column element or. Steel Plate Corbel Design.
From www.hybridframe.co.th
Steel corbel (HFC) Steel Plate Corbel Design (i) bearing stress on concrete under bearing plate £0.8fcu (2) distance from end of loaded area to face of corbel should be as. Sk 512 alternative corbel geometry. Corbel is a short structural element that cantilevers out from column/wall to support load.generally,. While the primary focus of the steel bridge design handbook is the design of steel girder superstructures, the. Steel Plate Corbel Design.
From www.youtube.com
Design of RCC Corbel with real field reinforcement practices IS 456 Steel Plate Corbel Design Sk 512 alternative corbel geometry. Input data for the corbel dimensions, material properties, and loads are provided. Part 1 contains these design criteria, together with design aids and design examples. Corbel is a short structural element that cantilevers out from column/wall to support load.generally,. (i) bearing stress on concrete under bearing plate £0.8fcu (2) distance from end of loaded area. Steel Plate Corbel Design.
From answerzonejenny.z13.web.core.windows.net
Steel Corbel Design Example Steel Plate Corbel Design Sk 512 alternative corbel geometry. (i) bearing stress on concrete under bearing plate £0.8fcu (2) distance from end of loaded area to face of corbel should be as. Part 1 contains these design criteria, together with design aids and design examples. Corbel is a short structural element that cantilevers out from column/wall to support load.generally,. While the primary focus of. Steel Plate Corbel Design.
From www.eng-tips.com
Designing a Steel Plate to act as a Corbel Structural engineering Steel Plate Corbel Design While the primary focus of the steel bridge design handbook is the design of steel girder superstructures, the design of the rest of the. (i) bearing stress on concrete under bearing plate £0.8fcu (2) distance from end of loaded area to face of corbel should be as. The corbel is cast monolithic with the column element or wall element. Sk. Steel Plate Corbel Design.
From www.pinterest.com
Corbel Metal corbels, Corbels, Steel metal Steel Plate Corbel Design While the primary focus of the steel bridge design handbook is the design of steel girder superstructures, the design of the rest of the. (i) bearing stress on concrete under bearing plate £0.8fcu (2) distance from end of loaded area to face of corbel should be as. This chapter is describes the design procedure of corbel or bracket. This paper. Steel Plate Corbel Design.
From www.excelcalcs.com
CORBEL DESIGN Steel Plate Corbel Design Input data for the corbel dimensions, material properties, and loads are provided. Corbel is a short structural element that cantilevers out from column/wall to support load.generally,. While the primary focus of the steel bridge design handbook is the design of steel girder superstructures, the design of the rest of the. This chapter is describes the design procedure of corbel or. Steel Plate Corbel Design.
From www.cannondigi.com
Corbel Steel Beam The Best Picture Of Beam Steel Plate Corbel Design (i) bearing stress on concrete under bearing plate £0.8fcu (2) distance from end of loaded area to face of corbel should be as. The corbel is cast monolithic with the column element or wall element. Sk 512 alternative corbel geometry. This paper describes a project directed toward development of design criteria for reinforced concrete corbels. Corbel is a short structural. Steel Plate Corbel Design.
From www.hybridframe.co.th
Steel corbel (HFC) Steel Plate Corbel Design This paper describes a project directed toward development of design criteria for reinforced concrete corbels. While the primary focus of the steel bridge design handbook is the design of steel girder superstructures, the design of the rest of the. Corbel is a short structural element that cantilevers out from column/wall to support load.generally,. Input data for the corbel dimensions, material. Steel Plate Corbel Design.
From www.decorativemetalcorbels.com
Decorative Metal Corbels by JKA Home® Steel Plate Corbel Design The corbel is cast monolithic with the column element or wall element. While the primary focus of the steel bridge design handbook is the design of steel girder superstructures, the design of the rest of the. Part 1 contains these design criteria, together with design aids and design examples. This paper describes a project directed toward development of design criteria. Steel Plate Corbel Design.
From www.finesoftware.eu
Steel Connection Structural Software FIN EC Steel Plate Corbel Design Sk 512 alternative corbel geometry. The corbel is cast monolithic with the column element or wall element. This paper describes a project directed toward development of design criteria for reinforced concrete corbels. This chapter is describes the design procedure of corbel or bracket. Part 1 contains these design criteria, together with design aids and design examples. (i) bearing stress on. Steel Plate Corbel Design.
From structville.com
Structural Design of Corbels Structville Steel Plate Corbel Design Corbel is a short structural element that cantilevers out from column/wall to support load.generally,. This paper describes a project directed toward development of design criteria for reinforced concrete corbels. Part 1 contains these design criteria, together with design aids and design examples. Input data for the corbel dimensions, material properties, and loads are provided. The corbel is cast monolithic with. Steel Plate Corbel Design.
From www.enhancestyleteam.com
Corbel Steel Beam New Images Beam Steel Plate Corbel Design Part 1 contains these design criteria, together with design aids and design examples. While the primary focus of the steel bridge design handbook is the design of steel girder superstructures, the design of the rest of the. This paper describes a project directed toward development of design criteria for reinforced concrete corbels. The corbel is cast monolithic with the column. Steel Plate Corbel Design.
From www.lowes.com
Chateau 4.25in x 13in Brushed Steel Handmade Detail Painted Iron Steel Plate Corbel Design Input data for the corbel dimensions, material properties, and loads are provided. The corbel is cast monolithic with the column element or wall element. (i) bearing stress on concrete under bearing plate £0.8fcu (2) distance from end of loaded area to face of corbel should be as. This paper describes a project directed toward development of design criteria for reinforced. Steel Plate Corbel Design.
From www.pcigulfsouth.org
Precast Connections — PCI GULF SOUTH Steel Plate Corbel Design Corbel is a short structural element that cantilevers out from column/wall to support load.generally,. (i) bearing stress on concrete under bearing plate £0.8fcu (2) distance from end of loaded area to face of corbel should be as. The corbel is cast monolithic with the column element or wall element. Sk 512 alternative corbel geometry. This paper describes a project directed. Steel Plate Corbel Design.
From www.vermonttimberworks.com
Scrolls, Finials, & Corbels Vermont Timber Works Steel Plate Corbel Design While the primary focus of the steel bridge design handbook is the design of steel girder superstructures, the design of the rest of the. This chapter is describes the design procedure of corbel or bracket. (i) bearing stress on concrete under bearing plate £0.8fcu (2) distance from end of loaded area to face of corbel should be as. Corbel is. Steel Plate Corbel Design.
From www.decorativemetalcorbels.com
Decorative Metal Corbels by JKA Home® Steel Plate Corbel Design Part 1 contains these design criteria, together with design aids and design examples. While the primary focus of the steel bridge design handbook is the design of steel girder superstructures, the design of the rest of the. (i) bearing stress on concrete under bearing plate £0.8fcu (2) distance from end of loaded area to face of corbel should be as.. Steel Plate Corbel Design.
From structville.com
Structural Design of Corbels Structville Steel Plate Corbel Design Sk 512 alternative corbel geometry. (i) bearing stress on concrete under bearing plate £0.8fcu (2) distance from end of loaded area to face of corbel should be as. Input data for the corbel dimensions, material properties, and loads are provided. This paper describes a project directed toward development of design criteria for reinforced concrete corbels. While the primary focus of. Steel Plate Corbel Design.
From www.eng-tips.com
HSS Bearing on Steel Seat Connection (Corbel) Structural engineering Steel Plate Corbel Design The corbel is cast monolithic with the column element or wall element. Sk 512 alternative corbel geometry. This chapter is describes the design procedure of corbel or bracket. This paper describes a project directed toward development of design criteria for reinforced concrete corbels. Part 1 contains these design criteria, together with design aids and design examples. Corbel is a short. Steel Plate Corbel Design.
From www.plaka-solutions.com
Steel corbel formwork Product Catalogue Plaka, la gamme de produits Steel Plate Corbel Design Sk 512 alternative corbel geometry. This paper describes a project directed toward development of design criteria for reinforced concrete corbels. (i) bearing stress on concrete under bearing plate £0.8fcu (2) distance from end of loaded area to face of corbel should be as. While the primary focus of the steel bridge design handbook is the design of steel girder superstructures,. Steel Plate Corbel Design.
From www.scribd.com
Corbel Design ACI 318 PDF Bending Solid Mechanics Steel Plate Corbel Design (i) bearing stress on concrete under bearing plate £0.8fcu (2) distance from end of loaded area to face of corbel should be as. This chapter is describes the design procedure of corbel or bracket. The corbel is cast monolithic with the column element or wall element. Input data for the corbel dimensions, material properties, and loads are provided. Sk 512. Steel Plate Corbel Design.