Crane Hydraulic Circuit . Hydraulic systems are safety critical on cranes. Hydraulic cranes may be simple by design but they can perform herculean tasks that would otherwise seem impossible. The investigated load control valve is usually applied to the mobile crane booming hydraulic circuit. These pdfs provide an interactive format that. Provided is a crane hydraulic circuit with which operability when a crane is under high load can be improved. Trained technicians and operators make all the difference in ensuring reliability and long. Verify pressure ratings of hoses, fittings and pipes to ensure it is rated for the operating pressure in the circuit. The valve supports the options of electrohydraulic subsystems while offering cost benefits for crane manufacturers. The best way to get started with understanding a crane hydraulic circuit diagram is by accessing a pdf version of the diagram. It is used to balance the overrunning. Application, have in common the basic components and operating principles of any.
from engineenginefrueh.z19.web.core.windows.net
Provided is a crane hydraulic circuit with which operability when a crane is under high load can be improved. The best way to get started with understanding a crane hydraulic circuit diagram is by accessing a pdf version of the diagram. The investigated load control valve is usually applied to the mobile crane booming hydraulic circuit. Hydraulic systems are safety critical on cranes. Trained technicians and operators make all the difference in ensuring reliability and long. The valve supports the options of electrohydraulic subsystems while offering cost benefits for crane manufacturers. Application, have in common the basic components and operating principles of any. Verify pressure ratings of hoses, fittings and pipes to ensure it is rated for the operating pressure in the circuit. It is used to balance the overrunning. These pdfs provide an interactive format that.
Crane Hydraulic Circuit Diagram Pdf
Crane Hydraulic Circuit These pdfs provide an interactive format that. Application, have in common the basic components and operating principles of any. Verify pressure ratings of hoses, fittings and pipes to ensure it is rated for the operating pressure in the circuit. It is used to balance the overrunning. Hydraulic systems are safety critical on cranes. The investigated load control valve is usually applied to the mobile crane booming hydraulic circuit. Hydraulic cranes may be simple by design but they can perform herculean tasks that would otherwise seem impossible. Trained technicians and operators make all the difference in ensuring reliability and long. The best way to get started with understanding a crane hydraulic circuit diagram is by accessing a pdf version of the diagram. These pdfs provide an interactive format that. Provided is a crane hydraulic circuit with which operability when a crane is under high load can be improved. The valve supports the options of electrohydraulic subsystems while offering cost benefits for crane manufacturers.
From www.myexamnotes.com
HYDRAULIC CRANE WITH CONSTRUCTION, WORKING AND NEAT IMAGE My Exam Notes Crane Hydraulic Circuit Hydraulic systems are safety critical on cranes. Trained technicians and operators make all the difference in ensuring reliability and long. These pdfs provide an interactive format that. Hydraulic cranes may be simple by design but they can perform herculean tasks that would otherwise seem impossible. Provided is a crane hydraulic circuit with which operability when a crane is under high. Crane Hydraulic Circuit.
From www.researchgate.net
Hydraulic circuit of a forestry crane with an eBSS according to Scherer... Download Scientific Crane Hydraulic Circuit Hydraulic systems are safety critical on cranes. The valve supports the options of electrohydraulic subsystems while offering cost benefits for crane manufacturers. It is used to balance the overrunning. These pdfs provide an interactive format that. Trained technicians and operators make all the difference in ensuring reliability and long. Application, have in common the basic components and operating principles of. Crane Hydraulic Circuit.
From trucks10ton.tpub.com
FO1. Hydraulic Schematic ( M985E1 Crane ) (Sheet 5 of 11) Crane Hydraulic Circuit Hydraulic cranes may be simple by design but they can perform herculean tasks that would otherwise seem impossible. It is used to balance the overrunning. Hydraulic systems are safety critical on cranes. The valve supports the options of electrohydraulic subsystems while offering cost benefits for crane manufacturers. Verify pressure ratings of hoses, fittings and pipes to ensure it is rated. Crane Hydraulic Circuit.
From mungfali.com
Crane Hydraulic System Diagram Crane Hydraulic Circuit Hydraulic cranes may be simple by design but they can perform herculean tasks that would otherwise seem impossible. These pdfs provide an interactive format that. Hydraulic systems are safety critical on cranes. Application, have in common the basic components and operating principles of any. Verify pressure ratings of hoses, fittings and pipes to ensure it is rated for the operating. Crane Hydraulic Circuit.
From manual.imagenes4k.com
Crane Hydraulic Circuit Diagram Pdf Patent Us4598829 Tadano Mobile Crane ATF 1205 Hydraulic Crane Hydraulic Circuit Hydraulic systems are safety critical on cranes. Application, have in common the basic components and operating principles of any. These pdfs provide an interactive format that. The investigated load control valve is usually applied to the mobile crane booming hydraulic circuit. Trained technicians and operators make all the difference in ensuring reliability and long. The best way to get started. Crane Hydraulic Circuit.
From servicepartmanuals.com
Terex Demag Crawler Crane CC8800 1600T Hydraulic System & Circuit Diagram Crane Hydraulic Circuit Hydraulic cranes may be simple by design but they can perform herculean tasks that would otherwise seem impossible. Hydraulic systems are safety critical on cranes. Application, have in common the basic components and operating principles of any. The valve supports the options of electrohydraulic subsystems while offering cost benefits for crane manufacturers. The investigated load control valve is usually applied. Crane Hydraulic Circuit.
From www.researchgate.net
crane booming hydraulic system circuit employing the investigated load... Download Scientific Crane Hydraulic Circuit The best way to get started with understanding a crane hydraulic circuit diagram is by accessing a pdf version of the diagram. Hydraulic cranes may be simple by design but they can perform herculean tasks that would otherwise seem impossible. The investigated load control valve is usually applied to the mobile crane booming hydraulic circuit. Hydraulic systems are safety critical. Crane Hydraulic Circuit.
From circuitdataackerman.z19.web.core.windows.net
Crane Hydraulic Circuit Diagram Crane Hydraulic Circuit Verify pressure ratings of hoses, fittings and pipes to ensure it is rated for the operating pressure in the circuit. The valve supports the options of electrohydraulic subsystems while offering cost benefits for crane manufacturers. These pdfs provide an interactive format that. Trained technicians and operators make all the difference in ensuring reliability and long. It is used to balance. Crane Hydraulic Circuit.
From www.researchgate.net
Hydraulic circuit of a forestry crane with an eBSS according to Scherer... Download Scientific Crane Hydraulic Circuit Provided is a crane hydraulic circuit with which operability when a crane is under high load can be improved. Application, have in common the basic components and operating principles of any. The investigated load control valve is usually applied to the mobile crane booming hydraulic circuit. Verify pressure ratings of hoses, fittings and pipes to ensure it is rated for. Crane Hydraulic Circuit.
From www.vrogue.co
Palfinger Crane Hydraulic Diagram Technical And Termi vrogue.co Crane Hydraulic Circuit It is used to balance the overrunning. Application, have in common the basic components and operating principles of any. Provided is a crane hydraulic circuit with which operability when a crane is under high load can be improved. Hydraulic systems are safety critical on cranes. Hydraulic cranes may be simple by design but they can perform herculean tasks that would. Crane Hydraulic Circuit.
From www.circuitdiagram.co
Crane Hydraulic Circuit Diagram Pdf Circuit Diagram Crane Hydraulic Circuit The investigated load control valve is usually applied to the mobile crane booming hydraulic circuit. Hydraulic cranes may be simple by design but they can perform herculean tasks that would otherwise seem impossible. Application, have in common the basic components and operating principles of any. The valve supports the options of electrohydraulic subsystems while offering cost benefits for crane manufacturers.. Crane Hydraulic Circuit.
From manual.imagenes4k.com
Crane Hydraulic Circuit Diagram Pdf Patent Us4598829 Tadano Mobile Crane ATF 1205 Hydraulic Crane Hydraulic Circuit The valve supports the options of electrohydraulic subsystems while offering cost benefits for crane manufacturers. Application, have in common the basic components and operating principles of any. Verify pressure ratings of hoses, fittings and pipes to ensure it is rated for the operating pressure in the circuit. Provided is a crane hydraulic circuit with which operability when a crane is. Crane Hydraulic Circuit.
From trucks10ton.tpub.com
FO1. Hydraulic Schematic (M983 Crane) (Sheet 10 of 11) Crane Hydraulic Circuit Hydraulic cranes may be simple by design but they can perform herculean tasks that would otherwise seem impossible. Provided is a crane hydraulic circuit with which operability when a crane is under high load can be improved. Verify pressure ratings of hoses, fittings and pipes to ensure it is rated for the operating pressure in the circuit. The valve supports. Crane Hydraulic Circuit.
From www.researchgate.net
crane booming hydraulic system circuit employing the investigated load... Download Scientific Crane Hydraulic Circuit The investigated load control valve is usually applied to the mobile crane booming hydraulic circuit. Verify pressure ratings of hoses, fittings and pipes to ensure it is rated for the operating pressure in the circuit. It is used to balance the overrunning. The valve supports the options of electrohydraulic subsystems while offering cost benefits for crane manufacturers. Hydraulic cranes may. Crane Hydraulic Circuit.
From circuitwiringharlem123.z14.web.core.windows.net
Crane Hydraulic Circuit Diagram Pdf Crane Hydraulic Circuit The best way to get started with understanding a crane hydraulic circuit diagram is by accessing a pdf version of the diagram. The valve supports the options of electrohydraulic subsystems while offering cost benefits for crane manufacturers. Application, have in common the basic components and operating principles of any. Provided is a crane hydraulic circuit with which operability when a. Crane Hydraulic Circuit.
From servicepartmanuals.com
Liebherr LR1140 Crawler Crane Electric & Hydraulic Circuit Diagram Crane Hydraulic Circuit Provided is a crane hydraulic circuit with which operability when a crane is under high load can be improved. The valve supports the options of electrohydraulic subsystems while offering cost benefits for crane manufacturers. Hydraulic cranes may be simple by design but they can perform herculean tasks that would otherwise seem impossible. Application, have in common the basic components and. Crane Hydraulic Circuit.
From www.researchgate.net
Hydraulic scheme of the crane system Download Scientific Diagram Crane Hydraulic Circuit These pdfs provide an interactive format that. Verify pressure ratings of hoses, fittings and pipes to ensure it is rated for the operating pressure in the circuit. The best way to get started with understanding a crane hydraulic circuit diagram is by accessing a pdf version of the diagram. Application, have in common the basic components and operating principles of. Crane Hydraulic Circuit.
From autoepcservice.com
Terex Demag Crawler Crane CC28001 600T Hydraulic System & Circuit Diagram Crane Hydraulic Circuit It is used to balance the overrunning. Trained technicians and operators make all the difference in ensuring reliability and long. These pdfs provide an interactive format that. Provided is a crane hydraulic circuit with which operability when a crane is under high load can be improved. Hydraulic cranes may be simple by design but they can perform herculean tasks that. Crane Hydraulic Circuit.
From schematicdbwerfel.z19.web.core.windows.net
Crane Hydraulic Circuit Diagram Crane Hydraulic Circuit Verify pressure ratings of hoses, fittings and pipes to ensure it is rated for the operating pressure in the circuit. Hydraulic cranes may be simple by design but they can perform herculean tasks that would otherwise seem impossible. The valve supports the options of electrohydraulic subsystems while offering cost benefits for crane manufacturers. Trained technicians and operators make all the. Crane Hydraulic Circuit.
From schematicpartyald.z21.web.core.windows.net
Hydraulic Crane Circuit Diagram Crane Hydraulic Circuit Trained technicians and operators make all the difference in ensuring reliability and long. Hydraulic cranes may be simple by design but they can perform herculean tasks that would otherwise seem impossible. The best way to get started with understanding a crane hydraulic circuit diagram is by accessing a pdf version of the diagram. These pdfs provide an interactive format that.. Crane Hydraulic Circuit.
From journals.sagepub.com
Application of selftuning fuzzy proportionalintegralderivative control in hydraulic crane Crane Hydraulic Circuit Trained technicians and operators make all the difference in ensuring reliability and long. Application, have in common the basic components and operating principles of any. Provided is a crane hydraulic circuit with which operability when a crane is under high load can be improved. The investigated load control valve is usually applied to the mobile crane booming hydraulic circuit. The. Crane Hydraulic Circuit.
From boatmanuals.tpub.com
Figure 10. Crane Hydraulic System Crane Hydraulic Circuit The investigated load control valve is usually applied to the mobile crane booming hydraulic circuit. Provided is a crane hydraulic circuit with which operability when a crane is under high load can be improved. Verify pressure ratings of hoses, fittings and pipes to ensure it is rated for the operating pressure in the circuit. These pdfs provide an interactive format. Crane Hydraulic Circuit.
From servicepartmanuals.com
Tadano Mobile Crane ATF 453E Hydraulic & Circuit Diagrams Crane Hydraulic Circuit It is used to balance the overrunning. Verify pressure ratings of hoses, fittings and pipes to ensure it is rated for the operating pressure in the circuit. Provided is a crane hydraulic circuit with which operability when a crane is under high load can be improved. The best way to get started with understanding a crane hydraulic circuit diagram is. Crane Hydraulic Circuit.
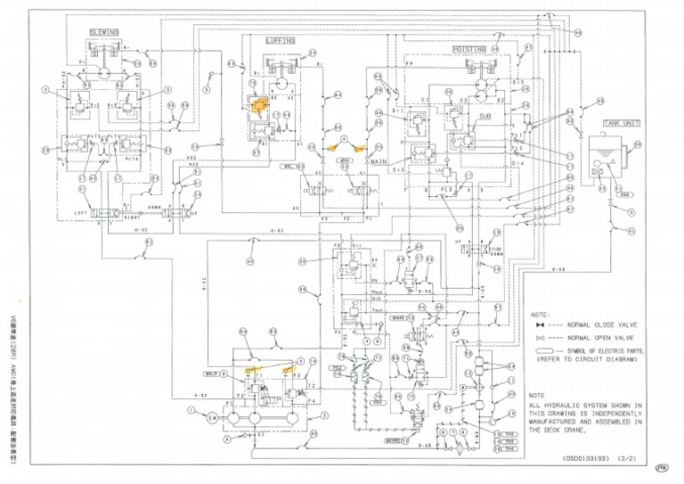
From www.masadamediterranean.com
Deck crane Hydraulic Circuit Diagram Crane Hydraulic Circuit The best way to get started with understanding a crane hydraulic circuit diagram is by accessing a pdf version of the diagram. Trained technicians and operators make all the difference in ensuring reliability and long. Verify pressure ratings of hoses, fittings and pipes to ensure it is rated for the operating pressure in the circuit. Provided is a crane hydraulic. Crane Hydraulic Circuit.
From engineenginefrueh.z19.web.core.windows.net
Crane Hydraulic Circuit Diagram Pdf Crane Hydraulic Circuit These pdfs provide an interactive format that. It is used to balance the overrunning. Provided is a crane hydraulic circuit with which operability when a crane is under high load can be improved. Hydraulic cranes may be simple by design but they can perform herculean tasks that would otherwise seem impossible. The best way to get started with understanding a. Crane Hydraulic Circuit.
From www.researchgate.net
Knuckle Boom Crane hydraulic circuit from Donkov et al. (2018). Download Scientific Diagram Crane Hydraulic Circuit These pdfs provide an interactive format that. Provided is a crane hydraulic circuit with which operability when a crane is under high load can be improved. Hydraulic cranes may be simple by design but they can perform herculean tasks that would otherwise seem impossible. The valve supports the options of electrohydraulic subsystems while offering cost benefits for crane manufacturers. Application,. Crane Hydraulic Circuit.
From learnmech.com
Basic Components and its Functions of a Hydraulic System Crane Hydraulic Circuit It is used to balance the overrunning. These pdfs provide an interactive format that. The investigated load control valve is usually applied to the mobile crane booming hydraulic circuit. The valve supports the options of electrohydraulic subsystems while offering cost benefits for crane manufacturers. Trained technicians and operators make all the difference in ensuring reliability and long. Hydraulic cranes may. Crane Hydraulic Circuit.
From servicepartmanuals.com
Liebherr LR1140 Crawler Crane Electric & Hydraulic Circuit Diagram Crane Hydraulic Circuit These pdfs provide an interactive format that. Application, have in common the basic components and operating principles of any. The investigated load control valve is usually applied to the mobile crane booming hydraulic circuit. Hydraulic systems are safety critical on cranes. Trained technicians and operators make all the difference in ensuring reliability and long. The best way to get started. Crane Hydraulic Circuit.
From www.researchgate.net
Knuckle Boom Crane hydraulic circuit from Donkov et al. (2018). Download Scientific Diagram Crane Hydraulic Circuit These pdfs provide an interactive format that. Application, have in common the basic components and operating principles of any. Verify pressure ratings of hoses, fittings and pipes to ensure it is rated for the operating pressure in the circuit. The investigated load control valve is usually applied to the mobile crane booming hydraulic circuit. The valve supports the options of. Crane Hydraulic Circuit.
From userdiagramwirtz.z19.web.core.windows.net
Crane Hydraulic Circuit Diagram Crane Hydraulic Circuit The investigated load control valve is usually applied to the mobile crane booming hydraulic circuit. The best way to get started with understanding a crane hydraulic circuit diagram is by accessing a pdf version of the diagram. Hydraulic cranes may be simple by design but they can perform herculean tasks that would otherwise seem impossible. Provided is a crane hydraulic. Crane Hydraulic Circuit.
From www.circuitdiagram.co
Crane Hydraulic Circuit Diagram Pdf » Circuit Diagram Crane Hydraulic Circuit These pdfs provide an interactive format that. Application, have in common the basic components and operating principles of any. Trained technicians and operators make all the difference in ensuring reliability and long. Hydraulic systems are safety critical on cranes. The investigated load control valve is usually applied to the mobile crane booming hydraulic circuit. Hydraulic cranes may be simple by. Crane Hydraulic Circuit.
From www.cdiginc.com
Fundamentals of Crane Hydraulics CD Industrial Group Inc. Crane Hydraulic Circuit These pdfs provide an interactive format that. Hydraulic cranes may be simple by design but they can perform herculean tasks that would otherwise seem impossible. The valve supports the options of electrohydraulic subsystems while offering cost benefits for crane manufacturers. It is used to balance the overrunning. Application, have in common the basic components and operating principles of any. The. Crane Hydraulic Circuit.
From wiringengineabt.z19.web.core.windows.net
Crane Hydraulic Circuit Diagram Pdf Crane Hydraulic Circuit It is used to balance the overrunning. The best way to get started with understanding a crane hydraulic circuit diagram is by accessing a pdf version of the diagram. Verify pressure ratings of hoses, fittings and pipes to ensure it is rated for the operating pressure in the circuit. Application, have in common the basic components and operating principles of. Crane Hydraulic Circuit.
From wiringengineabt.z19.web.core.windows.net
Crane Hydraulic Circuit Diagram Crane Hydraulic Circuit Provided is a crane hydraulic circuit with which operability when a crane is under high load can be improved. The valve supports the options of electrohydraulic subsystems while offering cost benefits for crane manufacturers. These pdfs provide an interactive format that. The best way to get started with understanding a crane hydraulic circuit diagram is by accessing a pdf version. Crane Hydraulic Circuit.
From www.scribd.com
Deck Crane Hydraulic Circuit PDF Crane Hydraulic Circuit Trained technicians and operators make all the difference in ensuring reliability and long. It is used to balance the overrunning. Hydraulic cranes may be simple by design but they can perform herculean tasks that would otherwise seem impossible. The best way to get started with understanding a crane hydraulic circuit diagram is by accessing a pdf version of the diagram.. Crane Hydraulic Circuit.