Back End Protection Boiler . each boiler requires suitable back end temperature protection to ensure minimum return temperatures are maintained within. manufacturers’ controls can offer levels of equipment protection which bms controls cannot. however, an actual design will still necessarily have reasonably complex control requirements to ensure: learn more about industrial boiler water treatment, causes and types of boiler corrosion, boiler corrosion inhibitors, and. back end protection is required with large cast iron or steel boilers as with their large bodies, having an unusually low return.
from www.buffertanks.co.uk
manufacturers’ controls can offer levels of equipment protection which bms controls cannot. back end protection is required with large cast iron or steel boilers as with their large bodies, having an unusually low return. each boiler requires suitable back end temperature protection to ensure minimum return temperatures are maintained within. however, an actual design will still necessarily have reasonably complex control requirements to ensure: learn more about industrial boiler water treatment, causes and types of boiler corrosion, boiler corrosion inhibitors, and.
Laddomat L20 Loading Valve Buffer Tanks
Back End Protection Boiler each boiler requires suitable back end temperature protection to ensure minimum return temperatures are maintained within. manufacturers’ controls can offer levels of equipment protection which bms controls cannot. each boiler requires suitable back end temperature protection to ensure minimum return temperatures are maintained within. learn more about industrial boiler water treatment, causes and types of boiler corrosion, boiler corrosion inhibitors, and. however, an actual design will still necessarily have reasonably complex control requirements to ensure: back end protection is required with large cast iron or steel boilers as with their large bodies, having an unusually low return.
From www.shgongboshi.com
Boiler Protection With Welding End High Pressure Steam Safety Valve Back End Protection Boiler manufacturers’ controls can offer levels of equipment protection which bms controls cannot. learn more about industrial boiler water treatment, causes and types of boiler corrosion, boiler corrosion inhibitors, and. each boiler requires suitable back end temperature protection to ensure minimum return temperatures are maintained within. however, an actual design will still necessarily have reasonably complex control. Back End Protection Boiler.
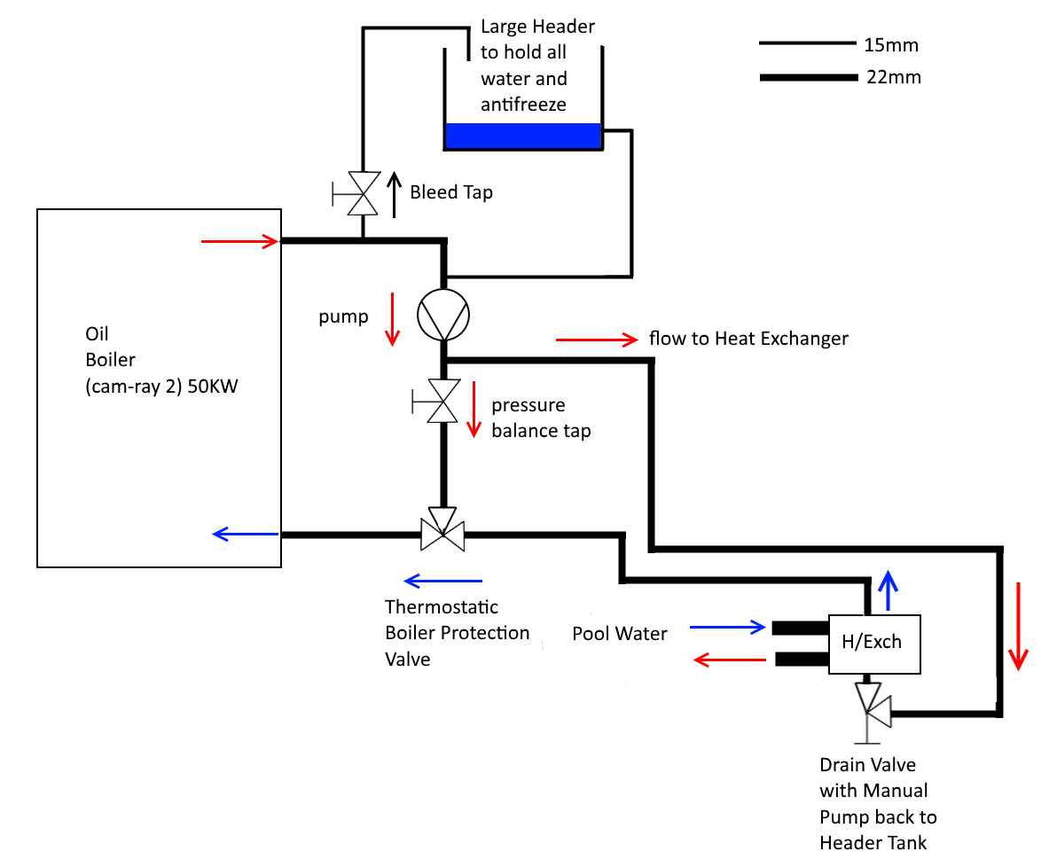
From housewarm.co.uk
How to Repressurise a Baxi Boiler in a Safe Way Housewarm Back End Protection Boiler back end protection is required with large cast iron or steel boilers as with their large bodies, having an unusually low return. each boiler requires suitable back end temperature protection to ensure minimum return temperatures are maintained within. learn more about industrial boiler water treatment, causes and types of boiler corrosion, boiler corrosion inhibitors, and. however,. Back End Protection Boiler.
From savree.com
Fire Tube Boiler (3 Pass) Explained saVRee Back End Protection Boiler manufacturers’ controls can offer levels of equipment protection which bms controls cannot. back end protection is required with large cast iron or steel boilers as with their large bodies, having an unusually low return. however, an actual design will still necessarily have reasonably complex control requirements to ensure: learn more about industrial boiler water treatment, causes. Back End Protection Boiler.
From exylwhmhf.blob.core.windows.net
Boiler System In House at Shannon Dean blog Back End Protection Boiler manufacturers’ controls can offer levels of equipment protection which bms controls cannot. learn more about industrial boiler water treatment, causes and types of boiler corrosion, boiler corrosion inhibitors, and. however, an actual design will still necessarily have reasonably complex control requirements to ensure: back end protection is required with large cast iron or steel boilers as. Back End Protection Boiler.
From www.elliott-tool.com
Solving Small Constraint Problems In Wet Back Boilers Elliott Tool Back End Protection Boiler back end protection is required with large cast iron or steel boilers as with their large bodies, having an unusually low return. each boiler requires suitable back end temperature protection to ensure minimum return temperatures are maintained within. however, an actual design will still necessarily have reasonably complex control requirements to ensure: learn more about industrial. Back End Protection Boiler.
From www.youtube.com
Furnace Air intake and exhaust instructions diagram installation PVC Back End Protection Boiler each boiler requires suitable back end temperature protection to ensure minimum return temperatures are maintained within. learn more about industrial boiler water treatment, causes and types of boiler corrosion, boiler corrosion inhibitors, and. manufacturers’ controls can offer levels of equipment protection which bms controls cannot. however, an actual design will still necessarily have reasonably complex control. Back End Protection Boiler.
From www.pinterest.com
Gas fired Boiler Rear end Flame view Back End Protection Boiler learn more about industrial boiler water treatment, causes and types of boiler corrosion, boiler corrosion inhibitors, and. however, an actual design will still necessarily have reasonably complex control requirements to ensure: back end protection is required with large cast iron or steel boilers as with their large bodies, having an unusually low return. manufacturers’ controls can. Back End Protection Boiler.
From www.cityplumbing.co.uk
Glowworm Ultimate3 25R 25kW Heat Only Boiler With Horizontal Flue Back End Protection Boiler each boiler requires suitable back end temperature protection to ensure minimum return temperatures are maintained within. learn more about industrial boiler water treatment, causes and types of boiler corrosion, boiler corrosion inhibitors, and. back end protection is required with large cast iron or steel boilers as with their large bodies, having an unusually low return. manufacturers’. Back End Protection Boiler.
From hounsfieldboilers.co.uk
Conventional Open Flue Options Hounsfield Boilers Back End Protection Boiler manufacturers’ controls can offer levels of equipment protection which bms controls cannot. however, an actual design will still necessarily have reasonably complex control requirements to ensure: learn more about industrial boiler water treatment, causes and types of boiler corrosion, boiler corrosion inhibitors, and. each boiler requires suitable back end temperature protection to ensure minimum return temperatures. Back End Protection Boiler.
From biomasssparesonline.co.uk
Backflow set for boilers up to 60kW Stratos Para 30/18 MV, back end Back End Protection Boiler however, an actual design will still necessarily have reasonably complex control requirements to ensure: learn more about industrial boiler water treatment, causes and types of boiler corrosion, boiler corrosion inhibitors, and. each boiler requires suitable back end temperature protection to ensure minimum return temperatures are maintained within. manufacturers’ controls can offer levels of equipment protection which. Back End Protection Boiler.
From www.thelogboiler.com
EZ Lay Triple Wrap Commercial Grade Insulated 1" NB Pex Tubing The Back End Protection Boiler learn more about industrial boiler water treatment, causes and types of boiler corrosion, boiler corrosion inhibitors, and. however, an actual design will still necessarily have reasonably complex control requirements to ensure: back end protection is required with large cast iron or steel boilers as with their large bodies, having an unusually low return. each boiler requires. Back End Protection Boiler.
From ar.inspiredpencil.com
Oil Boiler Diagram Back End Protection Boiler learn more about industrial boiler water treatment, causes and types of boiler corrosion, boiler corrosion inhibitors, and. manufacturers’ controls can offer levels of equipment protection which bms controls cannot. back end protection is required with large cast iron or steel boilers as with their large bodies, having an unusually low return. however, an actual design will. Back End Protection Boiler.
From schematicdiagramhuber.z19.web.core.windows.net
Back Boiler Circuit Diagram Back End Protection Boiler each boiler requires suitable back end temperature protection to ensure minimum return temperatures are maintained within. manufacturers’ controls can offer levels of equipment protection which bms controls cannot. back end protection is required with large cast iron or steel boilers as with their large bodies, having an unusually low return. however, an actual design will still. Back End Protection Boiler.
From www.circuitdiagram.co
Heating Boiler Circuit Diagram Circuit Diagram Back End Protection Boiler each boiler requires suitable back end temperature protection to ensure minimum return temperatures are maintained within. back end protection is required with large cast iron or steel boilers as with their large bodies, having an unusually low return. manufacturers’ controls can offer levels of equipment protection which bms controls cannot. learn more about industrial boiler water. Back End Protection Boiler.
From great-home.co.uk
Boiler Flue Changes Required When Replacing A Gas Boiler Great Home Back End Protection Boiler each boiler requires suitable back end temperature protection to ensure minimum return temperatures are maintained within. manufacturers’ controls can offer levels of equipment protection which bms controls cannot. learn more about industrial boiler water treatment, causes and types of boiler corrosion, boiler corrosion inhibitors, and. back end protection is required with large cast iron or steel. Back End Protection Boiler.
From www.remodeling.hw.net
Rheem Integrated HVAC and Water Heating System powered by Tankless Back End Protection Boiler back end protection is required with large cast iron or steel boilers as with their large bodies, having an unusually low return. manufacturers’ controls can offer levels of equipment protection which bms controls cannot. learn more about industrial boiler water treatment, causes and types of boiler corrosion, boiler corrosion inhibitors, and. however, an actual design will. Back End Protection Boiler.
From biomasssparesonline.co.uk
Backflow set for boilers up to 220kW WILO Yonos Maxo 40/0,512 TV, back Back End Protection Boiler however, an actual design will still necessarily have reasonably complex control requirements to ensure: learn more about industrial boiler water treatment, causes and types of boiler corrosion, boiler corrosion inhibitors, and. back end protection is required with large cast iron or steel boilers as with their large bodies, having an unusually low return. manufacturers’ controls can. Back End Protection Boiler.
From www.pinterest.fr
DPS MultiFuel Heat Bank Thermal Store Heating and plumbing, Hydronic Back End Protection Boiler each boiler requires suitable back end temperature protection to ensure minimum return temperatures are maintained within. manufacturers’ controls can offer levels of equipment protection which bms controls cannot. however, an actual design will still necessarily have reasonably complex control requirements to ensure: back end protection is required with large cast iron or steel boilers as with. Back End Protection Boiler.
From www.pinterest.com
Getting a fire tube boiler ready to close up at work. This is a 1959 Back End Protection Boiler each boiler requires suitable back end temperature protection to ensure minimum return temperatures are maintained within. back end protection is required with large cast iron or steel boilers as with their large bodies, having an unusually low return. manufacturers’ controls can offer levels of equipment protection which bms controls cannot. learn more about industrial boiler water. Back End Protection Boiler.
From www.buffertanks.co.uk
Laddomat L20 Loading Valve Buffer Tanks Back End Protection Boiler however, an actual design will still necessarily have reasonably complex control requirements to ensure: each boiler requires suitable back end temperature protection to ensure minimum return temperatures are maintained within. learn more about industrial boiler water treatment, causes and types of boiler corrosion, boiler corrosion inhibitors, and. manufacturers’ controls can offer levels of equipment protection which. Back End Protection Boiler.
From savree.com
Fire Tube Boiler (3 Pass) Explained saVRee Back End Protection Boiler manufacturers’ controls can offer levels of equipment protection which bms controls cannot. each boiler requires suitable back end temperature protection to ensure minimum return temperatures are maintained within. back end protection is required with large cast iron or steel boilers as with their large bodies, having an unusually low return. however, an actual design will still. Back End Protection Boiler.
From www.boilercentral.com
Back Boiler Fires How Does A Back Boiler Work? Boiler Central Back End Protection Boiler manufacturers’ controls can offer levels of equipment protection which bms controls cannot. back end protection is required with large cast iron or steel boilers as with their large bodies, having an unusually low return. learn more about industrial boiler water treatment, causes and types of boiler corrosion, boiler corrosion inhibitors, and. each boiler requires suitable back. Back End Protection Boiler.
From www.mechanicalbooster.com
What is Babcock and Wilcox Boiler ? Complete Explanation Mechanical Back End Protection Boiler back end protection is required with large cast iron or steel boilers as with their large bodies, having an unusually low return. however, an actual design will still necessarily have reasonably complex control requirements to ensure: manufacturers’ controls can offer levels of equipment protection which bms controls cannot. learn more about industrial boiler water treatment, causes. Back End Protection Boiler.
From obyrneservices.com
Oil Boiler Service & Repairs OByrne Services Back End Protection Boiler however, an actual design will still necessarily have reasonably complex control requirements to ensure: manufacturers’ controls can offer levels of equipment protection which bms controls cannot. back end protection is required with large cast iron or steel boilers as with their large bodies, having an unusually low return. each boiler requires suitable back end temperature protection. Back End Protection Boiler.
From buxtonheating.com
Annex Boiler Installations Buxton Heating Back End Protection Boiler each boiler requires suitable back end temperature protection to ensure minimum return temperatures are maintained within. back end protection is required with large cast iron or steel boilers as with their large bodies, having an unusually low return. learn more about industrial boiler water treatment, causes and types of boiler corrosion, boiler corrosion inhibitors, and. however,. Back End Protection Boiler.
From www.bartelsheatingandcooling.com
Boiler Life Expectancy What You Need to Know Bartels Heating and Cooling Back End Protection Boiler back end protection is required with large cast iron or steel boilers as with their large bodies, having an unusually low return. manufacturers’ controls can offer levels of equipment protection which bms controls cannot. each boiler requires suitable back end temperature protection to ensure minimum return temperatures are maintained within. however, an actual design will still. Back End Protection Boiler.
From www.cibsejournal.com
Module 187 Assessing commercial boiler systems for replacement and Back End Protection Boiler manufacturers’ controls can offer levels of equipment protection which bms controls cannot. however, an actual design will still necessarily have reasonably complex control requirements to ensure: each boiler requires suitable back end temperature protection to ensure minimum return temperatures are maintained within. back end protection is required with large cast iron or steel boilers as with. Back End Protection Boiler.
From oilboilergunsen.blogspot.com
Oil Boiler Oil Boiler Insulation Jacket Back End Protection Boiler back end protection is required with large cast iron or steel boilers as with their large bodies, having an unusually low return. each boiler requires suitable back end temperature protection to ensure minimum return temperatures are maintained within. manufacturers’ controls can offer levels of equipment protection which bms controls cannot. however, an actual design will still. Back End Protection Boiler.
From www.youtube.com
Boiler partsWater wall, down comers,Ring headers,Risers and Water Back End Protection Boiler manufacturers’ controls can offer levels of equipment protection which bms controls cannot. learn more about industrial boiler water treatment, causes and types of boiler corrosion, boiler corrosion inhibitors, and. however, an actual design will still necessarily have reasonably complex control requirements to ensure: each boiler requires suitable back end temperature protection to ensure minimum return temperatures. Back End Protection Boiler.
From www.kerivanlane.com
Buderus G115WS/4 Oil Boiler, Logamatic 2107 Control, and Heat Flo 40 Back End Protection Boiler back end protection is required with large cast iron or steel boilers as with their large bodies, having an unusually low return. however, an actual design will still necessarily have reasonably complex control requirements to ensure: manufacturers’ controls can offer levels of equipment protection which bms controls cannot. learn more about industrial boiler water treatment, causes. Back End Protection Boiler.
From mechasource.blogspot.com
An Introduction To Boiler Types , Principle And Efficiency Back End Protection Boiler learn more about industrial boiler water treatment, causes and types of boiler corrosion, boiler corrosion inhibitors, and. manufacturers’ controls can offer levels of equipment protection which bms controls cannot. each boiler requires suitable back end temperature protection to ensure minimum return temperatures are maintained within. back end protection is required with large cast iron or steel. Back End Protection Boiler.
From basc.pnnl.gov
GasFired Boilers Building America Solution Center Back End Protection Boiler however, an actual design will still necessarily have reasonably complex control requirements to ensure: manufacturers’ controls can offer levels of equipment protection which bms controls cannot. learn more about industrial boiler water treatment, causes and types of boiler corrosion, boiler corrosion inhibitors, and. each boiler requires suitable back end temperature protection to ensure minimum return temperatures. Back End Protection Boiler.
From boilerchoice.com
What is a Boiler Flue? Complete Guide + Regulations 2023 Boiler Choice Back End Protection Boiler back end protection is required with large cast iron or steel boilers as with their large bodies, having an unusually low return. however, an actual design will still necessarily have reasonably complex control requirements to ensure: each boiler requires suitable back end temperature protection to ensure minimum return temperatures are maintained within. learn more about industrial. Back End Protection Boiler.
From biomasssparesonline.co.uk
Backflow set for boilers up to 150kW without pump MV, back end Back End Protection Boiler each boiler requires suitable back end temperature protection to ensure minimum return temperatures are maintained within. however, an actual design will still necessarily have reasonably complex control requirements to ensure: back end protection is required with large cast iron or steel boilers as with their large bodies, having an unusually low return. manufacturers’ controls can offer. Back End Protection Boiler.
From www.researchgate.net
Schematic diagram of industrial boiler Download Scientific Diagram Back End Protection Boiler however, an actual design will still necessarily have reasonably complex control requirements to ensure: learn more about industrial boiler water treatment, causes and types of boiler corrosion, boiler corrosion inhibitors, and. back end protection is required with large cast iron or steel boilers as with their large bodies, having an unusually low return. manufacturers’ controls can. Back End Protection Boiler.