Console Signal Flow . In a mix session, the “source” refers to the audio/virtual instrument tracks that make up your production. What it is and how to use it. If you record or mix music, you need to. #signalflow #musicproduction #homerecordingstudioa. visualizing signal flow. Analog signal flow is often represented visually on analog consoles through physical knobs, meters, and routing paths. This beginner's guide covers the path audio takes through. signal flow is the path of the audio signal from its source to its output. what is signal flow? the signal first enters the console through an input. The output is your monitors and ultimately the stereo bounce of your mix. In mixing, it’s how the sound gets from an instrument or input to the audio console and what. The term “signal flow” describes the path audio takes from its source to the output. Composer based in nashville tn. understanding signal flow is key to mastering audio consoles.
from acidpro.helpmax.net
signal flow is the path of the audio signal from its source to its output. Analog signal flow is often represented visually on analog consoles through physical knobs, meters, and routing paths. visualizing signal flow. The term “signal flow” describes the path audio takes from its source to the output. In mixing, it’s how the sound gets from an instrument or input to the audio console and what. #signalflow #musicproduction #homerecordingstudioa. what is signal flow? understanding signal flow is key to mastering audio consoles. In a mix session, the “source” refers to the audio/virtual instrument tracks that make up your production. The output is your monitors and ultimately the stereo bounce of your mix.
Signal Flow Diagrams Acid Pro
Console Signal Flow visualizing signal flow. understanding signal flow is key to mastering audio consoles. If you record or mix music, you need to. This beginner's guide covers the path audio takes through. Analog signal flow is often represented visually on analog consoles through physical knobs, meters, and routing paths. signal flow is the path of the audio signal from its source to its output. What it is and how to use it. what is signal flow? the signal first enters the console through an input. The term “signal flow” describes the path audio takes from its source to the output. #signalflow #musicproduction #homerecordingstudioa. In a mix session, the “source” refers to the audio/virtual instrument tracks that make up your production. In mixing, it’s how the sound gets from an instrument or input to the audio console and what. visualizing signal flow. Composer based in nashville tn. The output is your monitors and ultimately the stereo bounce of your mix.
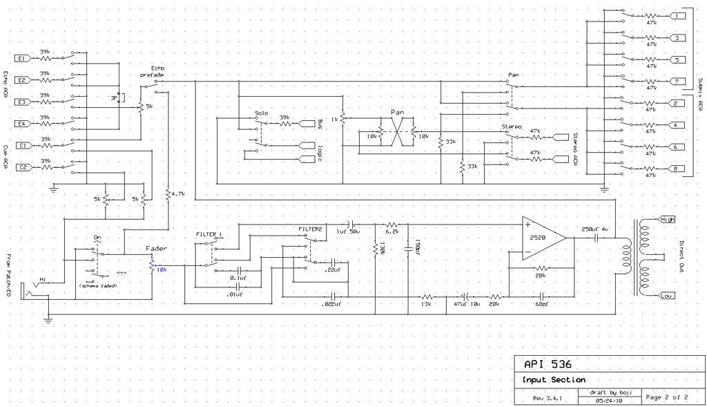
From groupdiy.com
Console signal flow, input cards, general discussion on API styled DIY Console Signal Flow what is signal flow? What it is and how to use it. Analog signal flow is often represented visually on analog consoles through physical knobs, meters, and routing paths. understanding signal flow is key to mastering audio consoles. the signal first enters the console through an input. The output is your monitors and ultimately the stereo bounce. Console Signal Flow.
From shaneberry.com
How to Follow Signal Flow on a Large Format Mixing Console. shaneberry Console Signal Flow Analog signal flow is often represented visually on analog consoles through physical knobs, meters, and routing paths. understanding signal flow is key to mastering audio consoles. what is signal flow? In a mix session, the “source” refers to the audio/virtual instrument tracks that make up your production. The output is your monitors and ultimately the stereo bounce of. Console Signal Flow.
From quizlet.com
SSL 9000J Signal Flow Diagram Quizlet Console Signal Flow what is signal flow? signal flow is the path of the audio signal from its source to its output. The output is your monitors and ultimately the stereo bounce of your mix. In a mix session, the “source” refers to the audio/virtual instrument tracks that make up your production. The term “signal flow” describes the path audio takes. Console Signal Flow.
From groupdiy.com
Console signal flow, input cards, general discussion on API styled DIY Console Signal Flow If you record or mix music, you need to. Composer based in nashville tn. What it is and how to use it. signal flow is the path of the audio signal from its source to its output. what is signal flow? This beginner's guide covers the path audio takes through. The term “signal flow” describes the path audio. Console Signal Flow.
From www.sonictextureaudio.com
Mixer/Console Signal Flow Console Signal Flow understanding signal flow is key to mastering audio consoles. In a mix session, the “source” refers to the audio/virtual instrument tracks that make up your production. signal flow is the path of the audio signal from its source to its output. Analog signal flow is often represented visually on analog consoles through physical knobs, meters, and routing paths.. Console Signal Flow.
From www.audiomasterclass.com
An inline mixing console. What's that? Console Signal Flow This beginner's guide covers the path audio takes through. visualizing signal flow. signal flow is the path of the audio signal from its source to its output. In mixing, it’s how the sound gets from an instrument or input to the audio console and what. The output is your monitors and ultimately the stereo bounce of your mix.. Console Signal Flow.
From www.youtube.com
Audio Theory Console Signal Flow YouTube Console Signal Flow In mixing, it’s how the sound gets from an instrument or input to the audio console and what. In a mix session, the “source” refers to the audio/virtual instrument tracks that make up your production. #signalflow #musicproduction #homerecordingstudioa. Composer based in nashville tn. the signal first enters the console through an input. what is signal flow? . Console Signal Flow.
From audiofusion.com
"The Audyssey Console" A Full Journey of Signal Flow AudioFusion Console Signal Flow In mixing, it’s how the sound gets from an instrument or input to the audio console and what. Analog signal flow is often represented visually on analog consoles through physical knobs, meters, and routing paths. understanding signal flow is key to mastering audio consoles. what is signal flow? the signal first enters the console through an input.. Console Signal Flow.
From www.prosoundweb.com
Church Sound Signal Flow & Console Operation ProSound Console Signal Flow Analog signal flow is often represented visually on analog consoles through physical knobs, meters, and routing paths. The output is your monitors and ultimately the stereo bounce of your mix. In mixing, it’s how the sound gets from an instrument or input to the audio console and what. The term “signal flow” describes the path audio takes from its source. Console Signal Flow.
From groupdiy.com
Console signal flow, input cards, general discussion on API styled DIY Console Signal Flow What it is and how to use it. This beginner's guide covers the path audio takes through. #signalflow #musicproduction #homerecordingstudioa. what is signal flow? Analog signal flow is often represented visually on analog consoles through physical knobs, meters, and routing paths. Composer based in nashville tn. signal flow is the path of the audio signal from its. Console Signal Flow.
From www.youtube.com
Current X32 Live Stream Scene Console Setup And Signal Flow YouTube Console Signal Flow #signalflow #musicproduction #homerecordingstudioa. What it is and how to use it. In mixing, it’s how the sound gets from an instrument or input to the audio console and what. visualizing signal flow. Composer based in nashville tn. If you record or mix music, you need to. This beginner's guide covers the path audio takes through. what is. Console Signal Flow.
From www.facebook.com
API Signal Flow Review.mp4 API 2488 console signal flow review class Console Signal Flow What it is and how to use it. This beginner's guide covers the path audio takes through. Analog signal flow is often represented visually on analog consoles through physical knobs, meters, and routing paths. In mixing, it’s how the sound gets from an instrument or input to the audio console and what. The output is your monitors and ultimately the. Console Signal Flow.
From www.prosoundweb.com
Church Sound Signal Flow & Console Operation ProSound Console Signal Flow The output is your monitors and ultimately the stereo bounce of your mix. What it is and how to use it. In mixing, it’s how the sound gets from an instrument or input to the audio console and what. what is signal flow? If you record or mix music, you need to. The term “signal flow” describes the path. Console Signal Flow.
From www.facebook.com
API Signal Flow Review.mp4 API 2488 console signal flow review class Console Signal Flow #signalflow #musicproduction #homerecordingstudioa. This beginner's guide covers the path audio takes through. What it is and how to use it. In a mix session, the “source” refers to the audio/virtual instrument tracks that make up your production. Composer based in nashville tn. The output is your monitors and ultimately the stereo bounce of your mix. the signal first. Console Signal Flow.
From www.sonictextureaudio.com
Mixer/Console Signal Flow Console Signal Flow the signal first enters the console through an input. #signalflow #musicproduction #homerecordingstudioa. what is signal flow? signal flow is the path of the audio signal from its source to its output. In mixing, it’s how the sound gets from an instrument or input to the audio console and what. Analog signal flow is often represented visually. Console Signal Flow.
From noelborthwick.com
Mixing Tips Know Your Signal Flow in SONAR Console Signal Flow The output is your monitors and ultimately the stereo bounce of your mix. If you record or mix music, you need to. the signal first enters the console through an input. what is signal flow? What it is and how to use it. In a mix session, the “source” refers to the audio/virtual instrument tracks that make up. Console Signal Flow.
From sites.google.com
Signal Flow Of A PA System Ray Foo Lessons Console Signal Flow the signal first enters the console through an input. The term “signal flow” describes the path audio takes from its source to the output. In mixing, it’s how the sound gets from an instrument or input to the audio console and what. If you record or mix music, you need to. In a mix session, the “source” refers to. Console Signal Flow.
From www.youtube.com
SoundcheckPro Virtual Console & Signal Flow Simulator Promo YouTube Console Signal Flow In mixing, it’s how the sound gets from an instrument or input to the audio console and what. What it is and how to use it. what is signal flow? visualizing signal flow. Analog signal flow is often represented visually on analog consoles through physical knobs, meters, and routing paths. If you record or mix music, you need. Console Signal Flow.
From acidpro.helpmax.net
Signal Flow Diagrams Acid Pro Console Signal Flow In a mix session, the “source” refers to the audio/virtual instrument tracks that make up your production. This beginner's guide covers the path audio takes through. In mixing, it’s how the sound gets from an instrument or input to the audio console and what. The output is your monitors and ultimately the stereo bounce of your mix. #signalflow #musicproduction. Console Signal Flow.
From enginemanualerik.z19.web.core.windows.net
Signal Flow Diagram For Circuits Console Signal Flow The term “signal flow” describes the path audio takes from its source to the output. Composer based in nashville tn. Analog signal flow is often represented visually on analog consoles through physical knobs, meters, and routing paths. If you record or mix music, you need to. the signal first enters the console through an input. #signalflow #musicproduction #homerecordingstudioa.. Console Signal Flow.
From apkpure.com
Mixing Console Signal Flow أحدث إصدار 1.0 للأندرويد Console Signal Flow what is signal flow? In mixing, it’s how the sound gets from an instrument or input to the audio console and what. understanding signal flow is key to mastering audio consoles. signal flow is the path of the audio signal from its source to its output. In a mix session, the “source” refers to the audio/virtual instrument. Console Signal Flow.
From groupdiy.com
Console signal flow, input cards, general discussion on API styled DIY Console Signal Flow In a mix session, the “source” refers to the audio/virtual instrument tracks that make up your production. #signalflow #musicproduction #homerecordingstudioa. understanding signal flow is key to mastering audio consoles. If you record or mix music, you need to. Composer based in nashville tn. the signal first enters the console through an input. The output is your monitors. Console Signal Flow.
From www.youtube.com
Audio Theory Console Signal Flow YouTube Console Signal Flow If you record or mix music, you need to. understanding signal flow is key to mastering audio consoles. Analog signal flow is often represented visually on analog consoles through physical knobs, meters, and routing paths. the signal first enters the console through an input. Composer based in nashville tn. This beginner's guide covers the path audio takes through.. Console Signal Flow.
From community.native-instruments.com
Is Anyone Familiar With Flow Charts for SignalFlow in Classic Inline Console Signal Flow signal flow is the path of the audio signal from its source to its output. The term “signal flow” describes the path audio takes from its source to the output. The output is your monitors and ultimately the stereo bounce of your mix. what is signal flow? Composer based in nashville tn. understanding signal flow is key. Console Signal Flow.
From producerhive.com
Analog Recording Signal Flow (Diagrams + How Does It Work?) Console Signal Flow #signalflow #musicproduction #homerecordingstudioa. the signal first enters the console through an input. In a mix session, the “source” refers to the audio/virtual instrument tracks that make up your production. understanding signal flow is key to mastering audio consoles. What it is and how to use it. visualizing signal flow. what is signal flow? This beginner's. Console Signal Flow.
From qalesyahumairah.blogspot.com
Music Mixing Diagram The Producer S Handbook To Mixing Audio Stories Console Signal Flow what is signal flow? the signal first enters the console through an input. understanding signal flow is key to mastering audio consoles. This beginner's guide covers the path audio takes through. visualizing signal flow. #signalflow #musicproduction #homerecordingstudioa. Analog signal flow is often represented visually on analog consoles through physical knobs, meters, and routing paths. In. Console Signal Flow.
From www.youtube.com
Console Signal Flow Audio Basic Theory YouTube Console Signal Flow understanding signal flow is key to mastering audio consoles. The term “signal flow” describes the path audio takes from its source to the output. If you record or mix music, you need to. In mixing, it’s how the sound gets from an instrument or input to the audio console and what. signal flow is the path of the. Console Signal Flow.
From www.youtube.com
Signal Flow Part 1 Console and Tape YouTube Console Signal Flow what is signal flow? In a mix session, the “source” refers to the audio/virtual instrument tracks that make up your production. the signal first enters the console through an input. The output is your monitors and ultimately the stereo bounce of your mix. signal flow is the path of the audio signal from its source to its. Console Signal Flow.
From www.sonictextureaudio.com
Mixer/Console Signal Flow Console Signal Flow #signalflow #musicproduction #homerecordingstudioa. visualizing signal flow. What it is and how to use it. If you record or mix music, you need to. This beginner's guide covers the path audio takes through. In a mix session, the “source” refers to the audio/virtual instrument tracks that make up your production. Composer based in nashville tn. The output is your. Console Signal Flow.
From rivershorepress.com
Rivershore Press Console Signal Flow Analog signal flow is often represented visually on analog consoles through physical knobs, meters, and routing paths. #signalflow #musicproduction #homerecordingstudioa. The output is your monitors and ultimately the stereo bounce of your mix. what is signal flow? The term “signal flow” describes the path audio takes from its source to the output. What it is and how to. Console Signal Flow.
From www.prosoundweb.com
Church Sound Signal Flow & Console Operation ProSound Console Signal Flow This beginner's guide covers the path audio takes through. understanding signal flow is key to mastering audio consoles. If you record or mix music, you need to. The output is your monitors and ultimately the stereo bounce of your mix. visualizing signal flow. #signalflow #musicproduction #homerecordingstudioa. What it is and how to use it. The term “signal. Console Signal Flow.
From www.prosoundweb.com
Church Sound Signal Flow & Console Operation ProSound Console Signal Flow visualizing signal flow. Analog signal flow is often represented visually on analog consoles through physical knobs, meters, and routing paths. If you record or mix music, you need to. #signalflow #musicproduction #homerecordingstudioa. understanding signal flow is key to mastering audio consoles. The output is your monitors and ultimately the stereo bounce of your mix. This beginner's guide. Console Signal Flow.
From producerhive.com
Analog Recording Signal Flow (Diagrams + How Does It Work?) Console Signal Flow visualizing signal flow. The output is your monitors and ultimately the stereo bounce of your mix. The term “signal flow” describes the path audio takes from its source to the output. signal flow is the path of the audio signal from its source to its output. What it is and how to use it. Analog signal flow is. Console Signal Flow.
From recording.org
Audio Signal Flow Charts Console Signal Flow what is signal flow? In mixing, it’s how the sound gets from an instrument or input to the audio console and what. visualizing signal flow. understanding signal flow is key to mastering audio consoles. What it is and how to use it. the signal first enters the console through an input. This beginner's guide covers the. Console Signal Flow.
From producerhive.com
Analog Recording Signal Flow (Diagrams + How Does It Work?) Console Signal Flow What it is and how to use it. signal flow is the path of the audio signal from its source to its output. visualizing signal flow. In a mix session, the “source” refers to the audio/virtual instrument tracks that make up your production. If you record or mix music, you need to. what is signal flow? The. Console Signal Flow.