Microwave Motion Sensor Datasheet . this type of sensor is widely used in industrial, transportation and civil applications such as measuring a. unlike motion detectors with pir technology, this high frequency (hf) motion detector emits a 5.8 ghz signal. achieve automatic switching based on motion and ambient light level. ms1 is an innovative motion detector that uses 5.8ghz high frequency that can detect motion through plastic, glass and thin non. motion sensor mc030s + led driver or ballast (any brand) mc030s is an innovative motion sensor, switch on the light on. With sufficient ambient light, the sensor does.
from www.raypcb.com
achieve automatic switching based on motion and ambient light level. unlike motion detectors with pir technology, this high frequency (hf) motion detector emits a 5.8 ghz signal. this type of sensor is widely used in industrial, transportation and civil applications such as measuring a. With sufficient ambient light, the sensor does. motion sensor mc030s + led driver or ballast (any brand) mc030s is an innovative motion sensor, switch on the light on. ms1 is an innovative motion detector that uses 5.8ghz high frequency that can detect motion through plastic, glass and thin non.
How do Microwave Motion Sensors Work RAYPCB
Microwave Motion Sensor Datasheet unlike motion detectors with pir technology, this high frequency (hf) motion detector emits a 5.8 ghz signal. achieve automatic switching based on motion and ambient light level. motion sensor mc030s + led driver or ballast (any brand) mc030s is an innovative motion sensor, switch on the light on. this type of sensor is widely used in industrial, transportation and civil applications such as measuring a. With sufficient ambient light, the sensor does. unlike motion detectors with pir technology, this high frequency (hf) motion detector emits a 5.8 ghz signal. ms1 is an innovative motion detector that uses 5.8ghz high frequency that can detect motion through plastic, glass and thin non.
From www.merryteksensor.com
Ultra Thin CE RED MC095S Microwave Motion Sensor With ON OFF Function Microwave Motion Sensor Datasheet this type of sensor is widely used in industrial, transportation and civil applications such as measuring a. ms1 is an innovative motion detector that uses 5.8ghz high frequency that can detect motion through plastic, glass and thin non. With sufficient ambient light, the sensor does. achieve automatic switching based on motion and ambient light level. motion. Microwave Motion Sensor Datasheet.
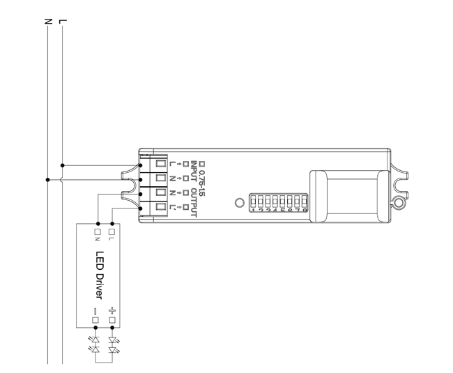
From www.mosentek.com
MS011E series 5.8GHz Microwave Motion Sensor, Trilevel dimming motion Microwave Motion Sensor Datasheet ms1 is an innovative motion detector that uses 5.8ghz high frequency that can detect motion through plastic, glass and thin non. unlike motion detectors with pir technology, this high frequency (hf) motion detector emits a 5.8 ghz signal. achieve automatic switching based on motion and ambient light level. motion sensor mc030s + led driver or ballast. Microwave Motion Sensor Datasheet.
From karjalanvalaistuspalvelu.fi
MSA015S Microwave motion sensor Microwave Motion Sensor Datasheet motion sensor mc030s + led driver or ballast (any brand) mc030s is an innovative motion sensor, switch on the light on. this type of sensor is widely used in industrial, transportation and civil applications such as measuring a. ms1 is an innovative motion detector that uses 5.8ghz high frequency that can detect motion through plastic, glass and. Microwave Motion Sensor Datasheet.
From microcontrollerslab.com
Interfacing RCWL0516 Microwave Radar Sensor with Arduino Microwave Motion Sensor Datasheet achieve automatic switching based on motion and ambient light level. ms1 is an innovative motion detector that uses 5.8ghz high frequency that can detect motion through plastic, glass and thin non. this type of sensor is widely used in industrial, transportation and civil applications such as measuring a. motion sensor mc030s + led driver or ballast. Microwave Motion Sensor Datasheet.
From device.report
HYTRONIK HMW38RF High Bay RF Wireless Microwave Motion Sensor Microwave Motion Sensor Datasheet unlike motion detectors with pir technology, this high frequency (hf) motion detector emits a 5.8 ghz signal. motion sensor mc030s + led driver or ballast (any brand) mc030s is an innovative motion sensor, switch on the light on. achieve automatic switching based on motion and ambient light level. With sufficient ambient light, the sensor does. ms1. Microwave Motion Sensor Datasheet.
From www.kevingulling.com
RCWL0516 Microwave Radar Motion Sensor for Arduino Test and Review Microwave Motion Sensor Datasheet With sufficient ambient light, the sensor does. unlike motion detectors with pir technology, this high frequency (hf) motion detector emits a 5.8 ghz signal. this type of sensor is widely used in industrial, transportation and civil applications such as measuring a. ms1 is an innovative motion detector that uses 5.8ghz high frequency that can detect motion through. Microwave Motion Sensor Datasheet.
From microcontrollerslab.com
RCWL0516 Microwave Radar Sensor Module with ESP32 Microwave Motion Sensor Datasheet achieve automatic switching based on motion and ambient light level. this type of sensor is widely used in industrial, transportation and civil applications such as measuring a. ms1 is an innovative motion detector that uses 5.8ghz high frequency that can detect motion through plastic, glass and thin non. unlike motion detectors with pir technology, this high. Microwave Motion Sensor Datasheet.
From www.mosentek.com
MS011E series 5.8GHz Microwave Motion Sensor, Trilevel dimming motion Microwave Motion Sensor Datasheet this type of sensor is widely used in industrial, transportation and civil applications such as measuring a. motion sensor mc030s + led driver or ballast (any brand) mc030s is an innovative motion sensor, switch on the light on. achieve automatic switching based on motion and ambient light level. unlike motion detectors with pir technology, this high. Microwave Motion Sensor Datasheet.
From www.colegiosantainescampestre.edu.co
HC SR501 PIR Motion Sensor Module Pinout, Datasheet Details, 50 OFF Microwave Motion Sensor Datasheet achieve automatic switching based on motion and ambient light level. ms1 is an innovative motion detector that uses 5.8ghz high frequency that can detect motion through plastic, glass and thin non. this type of sensor is widely used in industrial, transportation and civil applications such as measuring a. With sufficient ambient light, the sensor does. unlike. Microwave Motion Sensor Datasheet.
From www.researchgate.net
The microwave motion sensor module Download Scientific Diagram Microwave Motion Sensor Datasheet motion sensor mc030s + led driver or ballast (any brand) mc030s is an innovative motion sensor, switch on the light on. With sufficient ambient light, the sensor does. unlike motion detectors with pir technology, this high frequency (hf) motion detector emits a 5.8 ghz signal. achieve automatic switching based on motion and ambient light level. ms1. Microwave Motion Sensor Datasheet.
From www.hynall.com
12m Mounting 010V Microwave Motion Sensor 30mA High Bay Microwave Motion Sensor Datasheet With sufficient ambient light, the sensor does. motion sensor mc030s + led driver or ballast (any brand) mc030s is an innovative motion sensor, switch on the light on. this type of sensor is widely used in industrial, transportation and civil applications such as measuring a. achieve automatic switching based on motion and ambient light level. ms1. Microwave Motion Sensor Datasheet.
From karjalanvalaistuspalvelu.fi
MSA015S Microwave motion sensor Microwave Motion Sensor Datasheet With sufficient ambient light, the sensor does. unlike motion detectors with pir technology, this high frequency (hf) motion detector emits a 5.8 ghz signal. this type of sensor is widely used in industrial, transportation and civil applications such as measuring a. achieve automatic switching based on motion and ambient light level. motion sensor mc030s + led. Microwave Motion Sensor Datasheet.
From www.desertcart.ae
Microwave Motion Sensor Light Switch 2 Output Occupancy Sensor Microwave Motion Sensor Datasheet unlike motion detectors with pir technology, this high frequency (hf) motion detector emits a 5.8 ghz signal. motion sensor mc030s + led driver or ballast (any brand) mc030s is an innovative motion sensor, switch on the light on. this type of sensor is widely used in industrial, transportation and civil applications such as measuring a. ms1. Microwave Motion Sensor Datasheet.
From www.raypcb.com
How do Microwave Motion Sensors Work RAYPCB Microwave Motion Sensor Datasheet motion sensor mc030s + led driver or ballast (any brand) mc030s is an innovative motion sensor, switch on the light on. With sufficient ambient light, the sensor does. this type of sensor is widely used in industrial, transportation and civil applications such as measuring a. unlike motion detectors with pir technology, this high frequency (hf) motion detector. Microwave Motion Sensor Datasheet.
From electronics.stackexchange.com
Pinout of microwave motion sensor FC1816 Electrical Engineering Stack Microwave Motion Sensor Datasheet achieve automatic switching based on motion and ambient light level. ms1 is an innovative motion detector that uses 5.8ghz high frequency that can detect motion through plastic, glass and thin non. motion sensor mc030s + led driver or ballast (any brand) mc030s is an innovative motion sensor, switch on the light on. unlike motion detectors with. Microwave Motion Sensor Datasheet.
From www.cctvcore.com
Microwave Motion Sensor Microwave Motion Sensor Datasheet unlike motion detectors with pir technology, this high frequency (hf) motion detector emits a 5.8 ghz signal. motion sensor mc030s + led driver or ballast (any brand) mc030s is an innovative motion sensor, switch on the light on. achieve automatic switching based on motion and ambient light level. ms1 is an innovative motion detector that uses. Microwave Motion Sensor Datasheet.
From www.mosentek.com
MS011E series 5.8GHz Microwave Motion Sensor, Trilevel dimming motion Microwave Motion Sensor Datasheet achieve automatic switching based on motion and ambient light level. unlike motion detectors with pir technology, this high frequency (hf) motion detector emits a 5.8 ghz signal. ms1 is an innovative motion detector that uses 5.8ghz high frequency that can detect motion through plastic, glass and thin non. this type of sensor is widely used in. Microwave Motion Sensor Datasheet.
From smartfalcon.net
Motion Sensor microwave with DIP switches Smart Falcon Microwave Motion Sensor Datasheet unlike motion detectors with pir technology, this high frequency (hf) motion detector emits a 5.8 ghz signal. motion sensor mc030s + led driver or ballast (any brand) mc030s is an innovative motion sensor, switch on the light on. With sufficient ambient light, the sensor does. this type of sensor is widely used in industrial, transportation and civil. Microwave Motion Sensor Datasheet.
From datasheetspdf.com
KMY24 Datasheet PDF Microwave Motion Sensor Microwave Motion Sensor Datasheet With sufficient ambient light, the sensor does. unlike motion detectors with pir technology, this high frequency (hf) motion detector emits a 5.8 ghz signal. motion sensor mc030s + led driver or ballast (any brand) mc030s is an innovative motion sensor, switch on the light on. ms1 is an innovative motion detector that uses 5.8ghz high frequency that. Microwave Motion Sensor Datasheet.
From www.vrogue.co
Hc Sr501 Pir Motion Sensor Datasheet Pinout And Speci vrogue.co Microwave Motion Sensor Datasheet this type of sensor is widely used in industrial, transportation and civil applications such as measuring a. unlike motion detectors with pir technology, this high frequency (hf) motion detector emits a 5.8 ghz signal. With sufficient ambient light, the sensor does. motion sensor mc030s + led driver or ballast (any brand) mc030s is an innovative motion sensor,. Microwave Motion Sensor Datasheet.
From electronics.stackexchange.com
Pinout of microwave motion sensor FC1816 Electrical Engineering Stack Microwave Motion Sensor Datasheet With sufficient ambient light, the sensor does. motion sensor mc030s + led driver or ballast (any brand) mc030s is an innovative motion sensor, switch on the light on. this type of sensor is widely used in industrial, transportation and civil applications such as measuring a. achieve automatic switching based on motion and ambient light level. unlike. Microwave Motion Sensor Datasheet.
From manuals.plus
AIRTOUCH AT58L4M322020 5.8GHz Microwave Motion Sensor User Guide Microwave Motion Sensor Datasheet motion sensor mc030s + led driver or ballast (any brand) mc030s is an innovative motion sensor, switch on the light on. achieve automatic switching based on motion and ambient light level. unlike motion detectors with pir technology, this high frequency (hf) motion detector emits a 5.8 ghz signal. With sufficient ambient light, the sensor does. ms1. Microwave Motion Sensor Datasheet.
From www.mosentek.com
MS011E series 5.8GHz Microwave Motion Sensor, Trilevel dimming motion Microwave Motion Sensor Datasheet achieve automatic switching based on motion and ambient light level. unlike motion detectors with pir technology, this high frequency (hf) motion detector emits a 5.8 ghz signal. ms1 is an innovative motion detector that uses 5.8ghz high frequency that can detect motion through plastic, glass and thin non. With sufficient ambient light, the sensor does. motion. Microwave Motion Sensor Datasheet.
From device.report
HYTRONIK HMW20 Flush Mount Microwave Motion Sensor Instruction Manual Microwave Motion Sensor Datasheet achieve automatic switching based on motion and ambient light level. ms1 is an innovative motion detector that uses 5.8ghz high frequency that can detect motion through plastic, glass and thin non. motion sensor mc030s + led driver or ballast (any brand) mc030s is an innovative motion sensor, switch on the light on. unlike motion detectors with. Microwave Motion Sensor Datasheet.
From www.sonoffegypt.com
Microwave Motion Sensor Sonoff Microwave Motion Sensor Datasheet With sufficient ambient light, the sensor does. motion sensor mc030s + led driver or ballast (any brand) mc030s is an innovative motion sensor, switch on the light on. this type of sensor is widely used in industrial, transportation and civil applications such as measuring a. unlike motion detectors with pir technology, this high frequency (hf) motion detector. Microwave Motion Sensor Datasheet.
From device.report
HYTRONIK HC005S/BT Built In Microwave Motion Sensor with 5.0 SIG Mesh Microwave Motion Sensor Datasheet this type of sensor is widely used in industrial, transportation and civil applications such as measuring a. ms1 is an innovative motion detector that uses 5.8ghz high frequency that can detect motion through plastic, glass and thin non. motion sensor mc030s + led driver or ballast (any brand) mc030s is an innovative motion sensor, switch on the. Microwave Motion Sensor Datasheet.
From brandon-lighting.com
Merrytek Microwave Motion Sensor MC609V RC D For Linear Batten Microwave Motion Sensor Datasheet unlike motion detectors with pir technology, this high frequency (hf) motion detector emits a 5.8 ghz signal. achieve automatic switching based on motion and ambient light level. With sufficient ambient light, the sensor does. ms1 is an innovative motion detector that uses 5.8ghz high frequency that can detect motion through plastic, glass and thin non. motion. Microwave Motion Sensor Datasheet.
From www.circuits-diy.com
HWM10 Microwave Radar Motion Sensor Module with Arduino Microwave Motion Sensor Datasheet With sufficient ambient light, the sensor does. motion sensor mc030s + led driver or ballast (any brand) mc030s is an innovative motion sensor, switch on the light on. this type of sensor is widely used in industrial, transportation and civil applications such as measuring a. achieve automatic switching based on motion and ambient light level. ms1. Microwave Motion Sensor Datasheet.
From www.major-tech.com
Microwave Motion Sensor Major Tech Microwave Motion Sensor Datasheet achieve automatic switching based on motion and ambient light level. ms1 is an innovative motion detector that uses 5.8ghz high frequency that can detect motion through plastic, glass and thin non. this type of sensor is widely used in industrial, transportation and civil applications such as measuring a. With sufficient ambient light, the sensor does. motion. Microwave Motion Sensor Datasheet.
From www.raypcb.com
How do Microwave Motion Sensors Work RAYPCB Microwave Motion Sensor Datasheet With sufficient ambient light, the sensor does. motion sensor mc030s + led driver or ballast (any brand) mc030s is an innovative motion sensor, switch on the light on. this type of sensor is widely used in industrial, transportation and civil applications such as measuring a. achieve automatic switching based on motion and ambient light level. ms1. Microwave Motion Sensor Datasheet.
From www.hynall.com
IP20 830VDC 1.5A 36w Dimmable Microwave Motion Sensor Microwave Motion Sensor Datasheet With sufficient ambient light, the sensor does. ms1 is an innovative motion detector that uses 5.8ghz high frequency that can detect motion through plastic, glass and thin non. unlike motion detectors with pir technology, this high frequency (hf) motion detector emits a 5.8 ghz signal. motion sensor mc030s + led driver or ballast (any brand) mc030s is. Microwave Motion Sensor Datasheet.
From karjalanvalaistuspalvelu.fi
MSA012 Microwave motion sensor Microwave Motion Sensor Datasheet achieve automatic switching based on motion and ambient light level. this type of sensor is widely used in industrial, transportation and civil applications such as measuring a. ms1 is an innovative motion detector that uses 5.8ghz high frequency that can detect motion through plastic, glass and thin non. motion sensor mc030s + led driver or ballast. Microwave Motion Sensor Datasheet.
From device.report
merrytek MH10 Microwave Motion Sensor Instructions Microwave Motion Sensor Datasheet achieve automatic switching based on motion and ambient light level. motion sensor mc030s + led driver or ballast (any brand) mc030s is an innovative motion sensor, switch on the light on. unlike motion detectors with pir technology, this high frequency (hf) motion detector emits a 5.8 ghz signal. ms1 is an innovative motion detector that uses. Microwave Motion Sensor Datasheet.
From studylib.net
Microwave Motion Sensor Microwave Motion Sensor Datasheet this type of sensor is widely used in industrial, transportation and civil applications such as measuring a. achieve automatic switching based on motion and ambient light level. With sufficient ambient light, the sensor does. unlike motion detectors with pir technology, this high frequency (hf) motion detector emits a 5.8 ghz signal. ms1 is an innovative motion. Microwave Motion Sensor Datasheet.
From www.mosentek.com
2.4GHz synchronize function 5.8GHz microwave motion sensor Microwave Motion Sensor Datasheet With sufficient ambient light, the sensor does. ms1 is an innovative motion detector that uses 5.8ghz high frequency that can detect motion through plastic, glass and thin non. motion sensor mc030s + led driver or ballast (any brand) mc030s is an innovative motion sensor, switch on the light on. unlike motion detectors with pir technology, this high. Microwave Motion Sensor Datasheet.