Rectifier And Inverter Pulse Numbers . analyze the operation of single phase uncontrolled half wave and full wave rectifiers supplying resistive, inductive,. This type of converter is called. higher pulse number converters and dual converter: At desired output voltage and frequency. The three phase fully controlled converter is widely used in the medium to.
from psp.ir
The three phase fully controlled converter is widely used in the medium to. At desired output voltage and frequency. This type of converter is called. higher pulse number converters and dual converter: analyze the operation of single phase uncontrolled half wave and full wave rectifiers supplying resistive, inductive,.
The differences between 6pulse and 12pulse rectifiers
Rectifier And Inverter Pulse Numbers The three phase fully controlled converter is widely used in the medium to. analyze the operation of single phase uncontrolled half wave and full wave rectifiers supplying resistive, inductive,. The three phase fully controlled converter is widely used in the medium to. higher pulse number converters and dual converter: This type of converter is called. At desired output voltage and frequency.
From www.researchgate.net
Six pulse rectifier (a) Circuit diagram, (b) Output voltage and input Rectifier And Inverter Pulse Numbers The three phase fully controlled converter is widely used in the medium to. At desired output voltage and frequency. higher pulse number converters and dual converter: This type of converter is called. analyze the operation of single phase uncontrolled half wave and full wave rectifiers supplying resistive, inductive,. Rectifier And Inverter Pulse Numbers.
From www.youtube.com
How a 3 Phase Pulse Width Modulation (PWM) VFD Inverter Works Rectifier And Inverter Pulse Numbers This type of converter is called. higher pulse number converters and dual converter: analyze the operation of single phase uncontrolled half wave and full wave rectifiers supplying resistive, inductive,. The three phase fully controlled converter is widely used in the medium to. At desired output voltage and frequency. Rectifier And Inverter Pulse Numbers.
From www.researchgate.net
Representation of a 12pulse parallelconnected rectifier bridge with Rectifier And Inverter Pulse Numbers This type of converter is called. higher pulse number converters and dual converter: The three phase fully controlled converter is widely used in the medium to. analyze the operation of single phase uncontrolled half wave and full wave rectifiers supplying resistive, inductive,. At desired output voltage and frequency. Rectifier And Inverter Pulse Numbers.
From www.youtube.com
HVDC Concepts section 3 6pulse rectifier YouTube Rectifier And Inverter Pulse Numbers The three phase fully controlled converter is widely used in the medium to. higher pulse number converters and dual converter: analyze the operation of single phase uncontrolled half wave and full wave rectifiers supplying resistive, inductive,. At desired output voltage and frequency. This type of converter is called. Rectifier And Inverter Pulse Numbers.
From www.semanticscholar.org
Figure 1 from A Novel 24Pulse Diode Rectifier with an Auxiliary Single Rectifier And Inverter Pulse Numbers The three phase fully controlled converter is widely used in the medium to. higher pulse number converters and dual converter: analyze the operation of single phase uncontrolled half wave and full wave rectifiers supplying resistive, inductive,. At desired output voltage and frequency. This type of converter is called. Rectifier And Inverter Pulse Numbers.
From dxoxnrwol.blob.core.windows.net
Full Wave Rectifier Equation at Ray Goldstein blog Rectifier And Inverter Pulse Numbers higher pulse number converters and dual converter: analyze the operation of single phase uncontrolled half wave and full wave rectifiers supplying resistive, inductive,. The three phase fully controlled converter is widely used in the medium to. This type of converter is called. At desired output voltage and frequency. Rectifier And Inverter Pulse Numbers.
From www.researchgate.net
Simulation of the 6‐pulse rectifier and 24‐pulse rectifier (a) Waves of Rectifier And Inverter Pulse Numbers analyze the operation of single phase uncontrolled half wave and full wave rectifiers supplying resistive, inductive,. At desired output voltage and frequency. higher pulse number converters and dual converter: The three phase fully controlled converter is widely used in the medium to. This type of converter is called. Rectifier And Inverter Pulse Numbers.
From www.researchgate.net
Direct output voltage of a six pulse converter. (a) Rectifier. (b Rectifier And Inverter Pulse Numbers This type of converter is called. The three phase fully controlled converter is widely used in the medium to. At desired output voltage and frequency. analyze the operation of single phase uncontrolled half wave and full wave rectifiers supplying resistive, inductive,. higher pulse number converters and dual converter: Rectifier And Inverter Pulse Numbers.
From guidefixaplomats0i.z4.web.core.windows.net
Bridge Rectifier Circuit With Output Rectifier And Inverter Pulse Numbers The three phase fully controlled converter is widely used in the medium to. At desired output voltage and frequency. higher pulse number converters and dual converter: This type of converter is called. analyze the operation of single phase uncontrolled half wave and full wave rectifiers supplying resistive, inductive,. Rectifier And Inverter Pulse Numbers.
From www.researchgate.net
Diagram of a classical 12pulse rectifier in the autotransformer Rectifier And Inverter Pulse Numbers higher pulse number converters and dual converter: This type of converter is called. The three phase fully controlled converter is widely used in the medium to. analyze the operation of single phase uncontrolled half wave and full wave rectifiers supplying resistive, inductive,. At desired output voltage and frequency. Rectifier And Inverter Pulse Numbers.
From www.semanticscholar.org
Dual 18pulse rectifier for highpower multilevel inverters Semantic Rectifier And Inverter Pulse Numbers analyze the operation of single phase uncontrolled half wave and full wave rectifiers supplying resistive, inductive,. The three phase fully controlled converter is widely used in the medium to. higher pulse number converters and dual converter: This type of converter is called. At desired output voltage and frequency. Rectifier And Inverter Pulse Numbers.
From www.ilvo.es
12 pulse rectifier check out the cheapest Rectifier And Inverter Pulse Numbers analyze the operation of single phase uncontrolled half wave and full wave rectifiers supplying resistive, inductive,. At desired output voltage and frequency. higher pulse number converters and dual converter: The three phase fully controlled converter is widely used in the medium to. This type of converter is called. Rectifier And Inverter Pulse Numbers.
From www.semanticscholar.org
Dual 18pulse rectifier for highpower multilevel inverters Semantic Rectifier And Inverter Pulse Numbers analyze the operation of single phase uncontrolled half wave and full wave rectifiers supplying resistive, inductive,. The three phase fully controlled converter is widely used in the medium to. higher pulse number converters and dual converter: This type of converter is called. At desired output voltage and frequency. Rectifier And Inverter Pulse Numbers.
From www.monolithicpower.cn
Controlled Rectifiers Rectifier And Inverter Pulse Numbers At desired output voltage and frequency. The three phase fully controlled converter is widely used in the medium to. This type of converter is called. analyze the operation of single phase uncontrolled half wave and full wave rectifiers supplying resistive, inductive,. higher pulse number converters and dual converter: Rectifier And Inverter Pulse Numbers.
From www.researchgate.net
6Pulse bridge rectifier schematic Download Scientific Diagram Rectifier And Inverter Pulse Numbers The three phase fully controlled converter is widely used in the medium to. higher pulse number converters and dual converter: analyze the operation of single phase uncontrolled half wave and full wave rectifiers supplying resistive, inductive,. This type of converter is called. At desired output voltage and frequency. Rectifier And Inverter Pulse Numbers.
From www.researchgate.net
Threephase 6pulse rectifier [5]. Download Scientific Diagram Rectifier And Inverter Pulse Numbers The three phase fully controlled converter is widely used in the medium to. analyze the operation of single phase uncontrolled half wave and full wave rectifiers supplying resistive, inductive,. higher pulse number converters and dual converter: This type of converter is called. At desired output voltage and frequency. Rectifier And Inverter Pulse Numbers.
From www.researchgate.net
12pulse rectifier singleway (ANSI 4546). Download Scientific Diagram Rectifier And Inverter Pulse Numbers This type of converter is called. higher pulse number converters and dual converter: At desired output voltage and frequency. The three phase fully controlled converter is widely used in the medium to. analyze the operation of single phase uncontrolled half wave and full wave rectifiers supplying resistive, inductive,. Rectifier And Inverter Pulse Numbers.
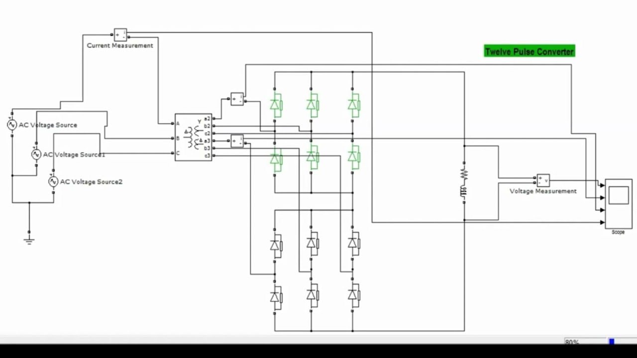
From www.youtube.com
Three phase bridge, 6 pulse and 12 pulse diode rectifiers using Plecs Rectifier And Inverter Pulse Numbers This type of converter is called. The three phase fully controlled converter is widely used in the medium to. higher pulse number converters and dual converter: At desired output voltage and frequency. analyze the operation of single phase uncontrolled half wave and full wave rectifiers supplying resistive, inductive,. Rectifier And Inverter Pulse Numbers.
From mb-drive-services.com
What is the optimal pulse number of a diode rectifier? MB Drive Services Rectifier And Inverter Pulse Numbers higher pulse number converters and dual converter: The three phase fully controlled converter is widely used in the medium to. This type of converter is called. At desired output voltage and frequency. analyze the operation of single phase uncontrolled half wave and full wave rectifiers supplying resistive, inductive,. Rectifier And Inverter Pulse Numbers.
From www.researchgate.net
Schematic diagram of the 12pulse diode bridge rectifier fed IMD Rectifier And Inverter Pulse Numbers At desired output voltage and frequency. higher pulse number converters and dual converter: The three phase fully controlled converter is widely used in the medium to. This type of converter is called. analyze the operation of single phase uncontrolled half wave and full wave rectifiers supplying resistive, inductive,. Rectifier And Inverter Pulse Numbers.
From www.monolithicpower.com
Controlled Rectifiers Rectifier And Inverter Pulse Numbers At desired output voltage and frequency. higher pulse number converters and dual converter: This type of converter is called. The three phase fully controlled converter is widely used in the medium to. analyze the operation of single phase uncontrolled half wave and full wave rectifiers supplying resistive, inductive,. Rectifier And Inverter Pulse Numbers.
From www.youtube.com
6 pulse rectifier YouTube Rectifier And Inverter Pulse Numbers higher pulse number converters and dual converter: This type of converter is called. At desired output voltage and frequency. analyze the operation of single phase uncontrolled half wave and full wave rectifiers supplying resistive, inductive,. The three phase fully controlled converter is widely used in the medium to. Rectifier And Inverter Pulse Numbers.
From www.researchgate.net
Schematic diagram of series 12pulse rectifier system with grounding Rectifier And Inverter Pulse Numbers analyze the operation of single phase uncontrolled half wave and full wave rectifiers supplying resistive, inductive,. This type of converter is called. higher pulse number converters and dual converter: The three phase fully controlled converter is widely used in the medium to. At desired output voltage and frequency. Rectifier And Inverter Pulse Numbers.
From www.collegesearch.in
Rectifier Definition, Types, Application, Uses and Working Principle Rectifier And Inverter Pulse Numbers This type of converter is called. At desired output voltage and frequency. The three phase fully controlled converter is widely used in the medium to. higher pulse number converters and dual converter: analyze the operation of single phase uncontrolled half wave and full wave rectifiers supplying resistive, inductive,. Rectifier And Inverter Pulse Numbers.
From psp.ir
The differences between 6pulse and 12pulse rectifiers Rectifier And Inverter Pulse Numbers analyze the operation of single phase uncontrolled half wave and full wave rectifiers supplying resistive, inductive,. This type of converter is called. At desired output voltage and frequency. The three phase fully controlled converter is widely used in the medium to. higher pulse number converters and dual converter: Rectifier And Inverter Pulse Numbers.
From www.researchgate.net
Diagram of a classic 36pulse rectifier powered by a threephase Rectifier And Inverter Pulse Numbers At desired output voltage and frequency. The three phase fully controlled converter is widely used in the medium to. higher pulse number converters and dual converter: analyze the operation of single phase uncontrolled half wave and full wave rectifiers supplying resistive, inductive,. This type of converter is called. Rectifier And Inverter Pulse Numbers.
From www.researchgate.net
Two separate six pulse rectifier currents combine to a twelve pulse Rectifier And Inverter Pulse Numbers analyze the operation of single phase uncontrolled half wave and full wave rectifiers supplying resistive, inductive,. At desired output voltage and frequency. higher pulse number converters and dual converter: The three phase fully controlled converter is widely used in the medium to. This type of converter is called. Rectifier And Inverter Pulse Numbers.
From www.tdworld.com
DowntoEarth Theory The 6Pulse Rectifier T&D World Rectifier And Inverter Pulse Numbers higher pulse number converters and dual converter: This type of converter is called. The three phase fully controlled converter is widely used in the medium to. At desired output voltage and frequency. analyze the operation of single phase uncontrolled half wave and full wave rectifiers supplying resistive, inductive,. Rectifier And Inverter Pulse Numbers.
From tipseri.com
How does a 12pulse rectifier reduce harmonics? Tipseri Rectifier And Inverter Pulse Numbers At desired output voltage and frequency. higher pulse number converters and dual converter: The three phase fully controlled converter is widely used in the medium to. analyze the operation of single phase uncontrolled half wave and full wave rectifiers supplying resistive, inductive,. This type of converter is called. Rectifier And Inverter Pulse Numbers.
From www.mdpi.com
Energies Free FullText Supply System for ThreeLevel Inverters Rectifier And Inverter Pulse Numbers analyze the operation of single phase uncontrolled half wave and full wave rectifiers supplying resistive, inductive,. The three phase fully controlled converter is widely used in the medium to. This type of converter is called. At desired output voltage and frequency. higher pulse number converters and dual converter: Rectifier And Inverter Pulse Numbers.
From www.researchgate.net
24pulse rectifier connection. Download Scientific Diagram Rectifier And Inverter Pulse Numbers higher pulse number converters and dual converter: This type of converter is called. analyze the operation of single phase uncontrolled half wave and full wave rectifiers supplying resistive, inductive,. At desired output voltage and frequency. The three phase fully controlled converter is widely used in the medium to. Rectifier And Inverter Pulse Numbers.
From psp.ir
The differences between 6pulse and 12pulse rectifiers Rectifier And Inverter Pulse Numbers higher pulse number converters and dual converter: analyze the operation of single phase uncontrolled half wave and full wave rectifiers supplying resistive, inductive,. The three phase fully controlled converter is widely used in the medium to. This type of converter is called. At desired output voltage and frequency. Rectifier And Inverter Pulse Numbers.
From www.researchgate.net
Six pulse rectifier (a) Circuit diagram, (b) Output voltage and input Rectifier And Inverter Pulse Numbers higher pulse number converters and dual converter: analyze the operation of single phase uncontrolled half wave and full wave rectifiers supplying resistive, inductive,. This type of converter is called. The three phase fully controlled converter is widely used in the medium to. At desired output voltage and frequency. Rectifier And Inverter Pulse Numbers.
From store.cassini.fr
6 pulse rectifier creative products Rectifier And Inverter Pulse Numbers higher pulse number converters and dual converter: At desired output voltage and frequency. The three phase fully controlled converter is widely used in the medium to. This type of converter is called. analyze the operation of single phase uncontrolled half wave and full wave rectifiers supplying resistive, inductive,. Rectifier And Inverter Pulse Numbers.
From muse.union.edu
SPWM Calculations for Inverter Circuit Threephase Pulse Width Rectifier And Inverter Pulse Numbers This type of converter is called. analyze the operation of single phase uncontrolled half wave and full wave rectifiers supplying resistive, inductive,. The three phase fully controlled converter is widely used in the medium to. higher pulse number converters and dual converter: At desired output voltage and frequency. Rectifier And Inverter Pulse Numbers.