Subwoofer Filter Circuit Diagram Pdf . The circuit given here is based on the. in this project i will show you how you can make a low pass filter with 4558d ic for subwoofer. many low pass filter circuits for subwoofer are given here and this is just another one. a subwoofer filter circuit is a circuit board that controls how your speakers interact with the signal from your. Audio frequencies below 200hz are considered to be in the. the subwoofer filter is high quality and high performance, it gives you more bass and sub on your audio that you have. bass filter circuit diagram, subwoofer preamplifier with volume control. here is the circuit diagram of an opamp based subwoofer filter.
from tronicspro.com
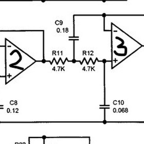
here is the circuit diagram of an opamp based subwoofer filter. many low pass filter circuits for subwoofer are given here and this is just another one. The circuit given here is based on the. the subwoofer filter is high quality and high performance, it gives you more bass and sub on your audio that you have. in this project i will show you how you can make a low pass filter with 4558d ic for subwoofer. a subwoofer filter circuit is a circuit board that controls how your speakers interact with the signal from your. Audio frequencies below 200hz are considered to be in the. bass filter circuit diagram, subwoofer preamplifier with volume control.
Subwoofer Low pass Filter Circuit Diagram TRONICSpro
Subwoofer Filter Circuit Diagram Pdf The circuit given here is based on the. Audio frequencies below 200hz are considered to be in the. bass filter circuit diagram, subwoofer preamplifier with volume control. the subwoofer filter is high quality and high performance, it gives you more bass and sub on your audio that you have. many low pass filter circuits for subwoofer are given here and this is just another one. The circuit given here is based on the. in this project i will show you how you can make a low pass filter with 4558d ic for subwoofer. here is the circuit diagram of an opamp based subwoofer filter. a subwoofer filter circuit is a circuit board that controls how your speakers interact with the signal from your.
From partdiagramsuscribirti.z13.web.core.windows.net
Subwoofers Wiring Diagrams For Dj Subwoofer Filter Circuit Diagram Pdf here is the circuit diagram of an opamp based subwoofer filter. Audio frequencies below 200hz are considered to be in the. the subwoofer filter is high quality and high performance, it gives you more bass and sub on your audio that you have. in this project i will show you how you can make a low pass. Subwoofer Filter Circuit Diagram Pdf.
From tronicspro.com
Subwoofer Bass Booster 4558 IC Low Pass Filter TRONICSpro Subwoofer Filter Circuit Diagram Pdf bass filter circuit diagram, subwoofer preamplifier with volume control. The circuit given here is based on the. many low pass filter circuits for subwoofer are given here and this is just another one. a subwoofer filter circuit is a circuit board that controls how your speakers interact with the signal from your. in this project i. Subwoofer Filter Circuit Diagram Pdf.
From aboutcircuitdiagram.blogspot.com
CIRCUIT DIAGRAM Subwoofer filter Circuit Subwoofer Filter Circuit Diagram Pdf in this project i will show you how you can make a low pass filter with 4558d ic for subwoofer. the subwoofer filter is high quality and high performance, it gives you more bass and sub on your audio that you have. The circuit given here is based on the. bass filter circuit diagram, subwoofer preamplifier with. Subwoofer Filter Circuit Diagram Pdf.
From wiringlibraryeric.z19.web.core.windows.net
Subwoofer Amp Circuit Diagram Subwoofer Filter Circuit Diagram Pdf in this project i will show you how you can make a low pass filter with 4558d ic for subwoofer. here is the circuit diagram of an opamp based subwoofer filter. The circuit given here is based on the. a subwoofer filter circuit is a circuit board that controls how your speakers interact with the signal from. Subwoofer Filter Circuit Diagram Pdf.
From userlistfinkel.z19.web.core.windows.net
4558 Ic Subwoofer Circuit Diagram Pdf Subwoofer Filter Circuit Diagram Pdf here is the circuit diagram of an opamp based subwoofer filter. in this project i will show you how you can make a low pass filter with 4558d ic for subwoofer. The circuit given here is based on the. the subwoofer filter is high quality and high performance, it gives you more bass and sub on your. Subwoofer Filter Circuit Diagram Pdf.
From schematicdiagramhuber.z19.web.core.windows.net
Car Subwoofer Filter Circuit Diagram Subwoofer Filter Circuit Diagram Pdf The circuit given here is based on the. here is the circuit diagram of an opamp based subwoofer filter. the subwoofer filter is high quality and high performance, it gives you more bass and sub on your audio that you have. a subwoofer filter circuit is a circuit board that controls how your speakers interact with the. Subwoofer Filter Circuit Diagram Pdf.
From xtronic.org
Circuit Adjustable Bass Filter From 50 Hz To 150 Hz NE5532 Xtronic Subwoofer Filter Circuit Diagram Pdf here is the circuit diagram of an opamp based subwoofer filter. a subwoofer filter circuit is a circuit board that controls how your speakers interact with the signal from your. The circuit given here is based on the. Audio frequencies below 200hz are considered to be in the. many low pass filter circuits for subwoofer are given. Subwoofer Filter Circuit Diagram Pdf.
From wiringlibraryeric.z19.web.core.windows.net
Subwoofer Filter Circuit Diagram Subwoofer Filter Circuit Diagram Pdf Audio frequencies below 200hz are considered to be in the. The circuit given here is based on the. bass filter circuit diagram, subwoofer preamplifier with volume control. many low pass filter circuits for subwoofer are given here and this is just another one. in this project i will show you how you can make a low pass. Subwoofer Filter Circuit Diagram Pdf.
From diagrampartoldsmobile.z21.web.core.windows.net
Car Subwoofer Amplifier Schematic Circuit Diagram Subwoofer Filter Circuit Diagram Pdf the subwoofer filter is high quality and high performance, it gives you more bass and sub on your audio that you have. a subwoofer filter circuit is a circuit board that controls how your speakers interact with the signal from your. The circuit given here is based on the. here is the circuit diagram of an opamp. Subwoofer Filter Circuit Diagram Pdf.
From wiringfixbespreads.z21.web.core.windows.net
High Power Subwoofer Amplifier Circuit Diagram Subwoofer Filter Circuit Diagram Pdf here is the circuit diagram of an opamp based subwoofer filter. Audio frequencies below 200hz are considered to be in the. a subwoofer filter circuit is a circuit board that controls how your speakers interact with the signal from your. in this project i will show you how you can make a low pass filter with 4558d. Subwoofer Filter Circuit Diagram Pdf.
From www.circuitdiagram.co
Sub Woofer Schematic Circuit Diagram Circuit Diagram Subwoofer Filter Circuit Diagram Pdf bass filter circuit diagram, subwoofer preamplifier with volume control. in this project i will show you how you can make a low pass filter with 4558d ic for subwoofer. many low pass filter circuits for subwoofer are given here and this is just another one. a subwoofer filter circuit is a circuit board that controls how. Subwoofer Filter Circuit Diagram Pdf.
From wiringlibraryeric.z19.web.core.windows.net
Subwoofer Filter Circuit Diagram Subwoofer Filter Circuit Diagram Pdf The circuit given here is based on the. here is the circuit diagram of an opamp based subwoofer filter. the subwoofer filter is high quality and high performance, it gives you more bass and sub on your audio that you have. many low pass filter circuits for subwoofer are given here and this is just another one.. Subwoofer Filter Circuit Diagram Pdf.
From www.circuitdiagram.co
Subwoofer Filter Circuit Board Subwoofer Filter Circuit Diagram Pdf The circuit given here is based on the. bass filter circuit diagram, subwoofer preamplifier with volume control. a subwoofer filter circuit is a circuit board that controls how your speakers interact with the signal from your. the subwoofer filter is high quality and high performance, it gives you more bass and sub on your audio that you. Subwoofer Filter Circuit Diagram Pdf.
From guidelistamanda.z13.web.core.windows.net
Active Subwoofer Filter Circuit Diagram Subwoofer Filter Circuit Diagram Pdf Audio frequencies below 200hz are considered to be in the. here is the circuit diagram of an opamp based subwoofer filter. in this project i will show you how you can make a low pass filter with 4558d ic for subwoofer. The circuit given here is based on the. many low pass filter circuits for subwoofer are. Subwoofer Filter Circuit Diagram Pdf.
From manualmanualjurgen.z13.web.core.windows.net
12V Subwoofer Filter Circuit Diagram Subwoofer Filter Circuit Diagram Pdf here is the circuit diagram of an opamp based subwoofer filter. in this project i will show you how you can make a low pass filter with 4558d ic for subwoofer. many low pass filter circuits for subwoofer are given here and this is just another one. Audio frequencies below 200hz are considered to be in the.. Subwoofer Filter Circuit Diagram Pdf.
From www.circuitdiagram.co
Simple Subwoofer Circuit Diagram Pdf Circuit Diagram Subwoofer Filter Circuit Diagram Pdf the subwoofer filter is high quality and high performance, it gives you more bass and sub on your audio that you have. a subwoofer filter circuit is a circuit board that controls how your speakers interact with the signal from your. many low pass filter circuits for subwoofer are given here and this is just another one.. Subwoofer Filter Circuit Diagram Pdf.
From www.circuitdiagram.co
Subwoofer Preamp Circuit Diagram Subwoofer Filter Circuit Diagram Pdf here is the circuit diagram of an opamp based subwoofer filter. in this project i will show you how you can make a low pass filter with 4558d ic for subwoofer. Audio frequencies below 200hz are considered to be in the. bass filter circuit diagram, subwoofer preamplifier with volume control. many low pass filter circuits for. Subwoofer Filter Circuit Diagram Pdf.
From edutechcloud.blogspot.com
A low pass filter circuit diagram for subwoofer pdf The Support Subwoofer Filter Circuit Diagram Pdf a subwoofer filter circuit is a circuit board that controls how your speakers interact with the signal from your. The circuit given here is based on the. many low pass filter circuits for subwoofer are given here and this is just another one. the subwoofer filter is high quality and high performance, it gives you more bass. Subwoofer Filter Circuit Diagram Pdf.
From schematiclistgaur55.z22.web.core.windows.net
Car Subwoofer Amplifier Circuit Diagrams Subwoofer Filter Circuit Diagram Pdf bass filter circuit diagram, subwoofer preamplifier with volume control. Audio frequencies below 200hz are considered to be in the. the subwoofer filter is high quality and high performance, it gives you more bass and sub on your audio that you have. a subwoofer filter circuit is a circuit board that controls how your speakers interact with the. Subwoofer Filter Circuit Diagram Pdf.
From wiringpartuta.z19.web.core.windows.net
Car Subwoofer Circuit Diagram Pdf Subwoofer Filter Circuit Diagram Pdf Audio frequencies below 200hz are considered to be in the. here is the circuit diagram of an opamp based subwoofer filter. the subwoofer filter is high quality and high performance, it gives you more bass and sub on your audio that you have. a subwoofer filter circuit is a circuit board that controls how your speakers interact. Subwoofer Filter Circuit Diagram Pdf.
From tronicspro.com
Subwoofer Low pass Filter Circuit Diagram TRONICSpro Subwoofer Filter Circuit Diagram Pdf the subwoofer filter is high quality and high performance, it gives you more bass and sub on your audio that you have. bass filter circuit diagram, subwoofer preamplifier with volume control. here is the circuit diagram of an opamp based subwoofer filter. The circuit given here is based on the. a subwoofer filter circuit is a. Subwoofer Filter Circuit Diagram Pdf.
From circuitlistcreolize88.z22.web.core.windows.net
Amplifier Circuit Diagram Pdf Subwoofer Filter Circuit Diagram Pdf here is the circuit diagram of an opamp based subwoofer filter. many low pass filter circuits for subwoofer are given here and this is just another one. bass filter circuit diagram, subwoofer preamplifier with volume control. Audio frequencies below 200hz are considered to be in the. a subwoofer filter circuit is a circuit board that controls. Subwoofer Filter Circuit Diagram Pdf.
From masecoralydschematic.z21.web.core.windows.net
Subwoofers Circuit Diagrams Subwoofer Filter Circuit Diagram Pdf Audio frequencies below 200hz are considered to be in the. bass filter circuit diagram, subwoofer preamplifier with volume control. a subwoofer filter circuit is a circuit board that controls how your speakers interact with the signal from your. in this project i will show you how you can make a low pass filter with 4558d ic for. Subwoofer Filter Circuit Diagram Pdf.
From www.circuitdiagram.co
Simple Subwoofer Filter Circuit Diagram Circuit Diagram Subwoofer Filter Circuit Diagram Pdf Audio frequencies below 200hz are considered to be in the. the subwoofer filter is high quality and high performance, it gives you more bass and sub on your audio that you have. in this project i will show you how you can make a low pass filter with 4558d ic for subwoofer. here is the circuit diagram. Subwoofer Filter Circuit Diagram Pdf.
From wiringlibraryeric.z19.web.core.windows.net
Sub Filter Circuit Diagram Subwoofer Filter Circuit Diagram Pdf the subwoofer filter is high quality and high performance, it gives you more bass and sub on your audio that you have. here is the circuit diagram of an opamp based subwoofer filter. in this project i will show you how you can make a low pass filter with 4558d ic for subwoofer. a subwoofer filter. Subwoofer Filter Circuit Diagram Pdf.
From www.artofit.org
Bass filter circuit diagram subwoofer preamplifier Artofit Subwoofer Filter Circuit Diagram Pdf many low pass filter circuits for subwoofer are given here and this is just another one. in this project i will show you how you can make a low pass filter with 4558d ic for subwoofer. the subwoofer filter is high quality and high performance, it gives you more bass and sub on your audio that you. Subwoofer Filter Circuit Diagram Pdf.
From afdammingcoschematic.z14.web.core.windows.net
Simple Circuit Diagram For Subwoofer Subwoofer Filter Circuit Diagram Pdf bass filter circuit diagram, subwoofer preamplifier with volume control. here is the circuit diagram of an opamp based subwoofer filter. in this project i will show you how you can make a low pass filter with 4558d ic for subwoofer. The circuit given here is based on the. Audio frequencies below 200hz are considered to be in. Subwoofer Filter Circuit Diagram Pdf.
From afdammingcoschematic.z14.web.core.windows.net
Subwoofers Circuit Diagrams Subwoofer Filter Circuit Diagram Pdf here is the circuit diagram of an opamp based subwoofer filter. the subwoofer filter is high quality and high performance, it gives you more bass and sub on your audio that you have. Audio frequencies below 200hz are considered to be in the. a subwoofer filter circuit is a circuit board that controls how your speakers interact. Subwoofer Filter Circuit Diagram Pdf.
From diagramenginesilke.z19.web.core.windows.net
Active Subwoofer Circuit Diagram Subwoofer Filter Circuit Diagram Pdf here is the circuit diagram of an opamp based subwoofer filter. in this project i will show you how you can make a low pass filter with 4558d ic for subwoofer. many low pass filter circuits for subwoofer are given here and this is just another one. the subwoofer filter is high quality and high performance,. Subwoofer Filter Circuit Diagram Pdf.
From www.circuits-diy.com
Subwoofer Filter Circuit TL072 TL074 Subwoofer Filter Circuit Diagram Pdf here is the circuit diagram of an opamp based subwoofer filter. Audio frequencies below 200hz are considered to be in the. a subwoofer filter circuit is a circuit board that controls how your speakers interact with the signal from your. in this project i will show you how you can make a low pass filter with 4558d. Subwoofer Filter Circuit Diagram Pdf.
From wireenginepaul.z19.web.core.windows.net
Circuit Diagram Of Filter Subwoofer Filter Circuit Diagram Pdf Audio frequencies below 200hz are considered to be in the. in this project i will show you how you can make a low pass filter with 4558d ic for subwoofer. The circuit given here is based on the. a subwoofer filter circuit is a circuit board that controls how your speakers interact with the signal from your. . Subwoofer Filter Circuit Diagram Pdf.
From www.elcircuit.com
New Filter Subwoofer Circuit Electronic Circuit Subwoofer Filter Circuit Diagram Pdf the subwoofer filter is high quality and high performance, it gives you more bass and sub on your audio that you have. many low pass filter circuits for subwoofer are given here and this is just another one. bass filter circuit diagram, subwoofer preamplifier with volume control. here is the circuit diagram of an opamp based. Subwoofer Filter Circuit Diagram Pdf.
From circuitdatamoeller.z19.web.core.windows.net
Active Subwoofer Filter Circuit Diagram Subwoofer Filter Circuit Diagram Pdf the subwoofer filter is high quality and high performance, it gives you more bass and sub on your audio that you have. bass filter circuit diagram, subwoofer preamplifier with volume control. many low pass filter circuits for subwoofer are given here and this is just another one. in this project i will show you how you. Subwoofer Filter Circuit Diagram Pdf.
From www.electroschematics.com
Subwoofer Filter Circuit Subwoofer Filter Circuit Diagram Pdf the subwoofer filter is high quality and high performance, it gives you more bass and sub on your audio that you have. Audio frequencies below 200hz are considered to be in the. bass filter circuit diagram, subwoofer preamplifier with volume control. a subwoofer filter circuit is a circuit board that controls how your speakers interact with the. Subwoofer Filter Circuit Diagram Pdf.
From tronicspro.com
Subwoofer Filter Circuit Low Pass TL072 TRONICSpro Subwoofer Filter Circuit Diagram Pdf many low pass filter circuits for subwoofer are given here and this is just another one. the subwoofer filter is high quality and high performance, it gives you more bass and sub on your audio that you have. bass filter circuit diagram, subwoofer preamplifier with volume control. The circuit given here is based on the. here. Subwoofer Filter Circuit Diagram Pdf.