Kun26 Hilux Headlight Relay Location . information on the diagrams is relevant for toyota hilux 2005, 2006, 2007, 2008, 2009, 2010, 2011, 2012, 2013, 2014, 2015 models (an10, an20,. fuse box diagram (location and assignment of electrical fuses and relays) for. here you will find fuse box diagrams of toyota hilux 2004, 2005, 2006, 2007, 2008, 2009, 2010, 2011, 2012, 2013, 2014 and. in this article, you will find a description of the locations of the electronic control units, the purpose of fuses and. 2004, 2005, 2006, 2007, 2008,. i installed some led h4 headlights into my 2009 kun26 sr dual cab, all went well for 2 weeks. 75 rows fuse box diagram (fuse layout), location, and assignment of fuses and relays toyota hilux (an120/an130) (2015, 2016,.
from www.allcarpartsonline.com.au
75 rows fuse box diagram (fuse layout), location, and assignment of fuses and relays toyota hilux (an120/an130) (2015, 2016,. fuse box diagram (location and assignment of electrical fuses and relays) for. i installed some led h4 headlights into my 2009 kun26 sr dual cab, all went well for 2 weeks. 2004, 2005, 2006, 2007, 2008,. information on the diagrams is relevant for toyota hilux 2005, 2006, 2007, 2008, 2009, 2010, 2011, 2012, 2013, 2014, 2015 models (an10, an20,. in this article, you will find a description of the locations of the electronic control units, the purpose of fuses and. here you will find fuse box diagrams of toyota hilux 2004, 2005, 2006, 2007, 2008, 2009, 2010, 2011, 2012, 2013, 2014 and.
Toyota HILUX Right Headlight KUN26 10/0806/11 TOYOTA
Kun26 Hilux Headlight Relay Location in this article, you will find a description of the locations of the electronic control units, the purpose of fuses and. here you will find fuse box diagrams of toyota hilux 2004, 2005, 2006, 2007, 2008, 2009, 2010, 2011, 2012, 2013, 2014 and. i installed some led h4 headlights into my 2009 kun26 sr dual cab, all went well for 2 weeks. fuse box diagram (location and assignment of electrical fuses and relays) for. information on the diagrams is relevant for toyota hilux 2005, 2006, 2007, 2008, 2009, 2010, 2011, 2012, 2013, 2014, 2015 models (an10, an20,. in this article, you will find a description of the locations of the electronic control units, the purpose of fuses and. 75 rows fuse box diagram (fuse layout), location, and assignment of fuses and relays toyota hilux (an120/an130) (2015, 2016,. 2004, 2005, 2006, 2007, 2008,.
From www.roughtrax4x4.com
Genuine Toyota Glow Plug Relay Hilux pickup KUN25 & KUN26 Kun26 Hilux Headlight Relay Location here you will find fuse box diagrams of toyota hilux 2004, 2005, 2006, 2007, 2008, 2009, 2010, 2011, 2012, 2013, 2014 and. 75 rows fuse box diagram (fuse layout), location, and assignment of fuses and relays toyota hilux (an120/an130) (2015, 2016,. 2004, 2005, 2006, 2007, 2008,. in this article, you will find a description of the locations. Kun26 Hilux Headlight Relay Location.
From www.lazada.com.my
*ORIGINAL TOYOTA KUN25, KUN26 HILUX VIGO 2011 HEAD LAMP UNIT/ LAMPU Kun26 Hilux Headlight Relay Location 75 rows fuse box diagram (fuse layout), location, and assignment of fuses and relays toyota hilux (an120/an130) (2015, 2016,. here you will find fuse box diagrams of toyota hilux 2004, 2005, 2006, 2007, 2008, 2009, 2010, 2011, 2012, 2013, 2014 and. i installed some led h4 headlights into my 2009 kun26 sr dual cab, all went well. Kun26 Hilux Headlight Relay Location.
From partdiagramjoshimitsukg.z21.web.core.windows.net
Electrical Wiring Diagram Toyota Hilux Kun26 Hilux Headlight Relay Location fuse box diagram (location and assignment of electrical fuses and relays) for. i installed some led h4 headlights into my 2009 kun26 sr dual cab, all went well for 2 weeks. 75 rows fuse box diagram (fuse layout), location, and assignment of fuses and relays toyota hilux (an120/an130) (2015, 2016,. information on the diagrams is relevant. Kun26 Hilux Headlight Relay Location.
From 2020cadillac.com
Installation Guide Headlight Relay Wiring Diagram Cadician's Blog Kun26 Hilux Headlight Relay Location i installed some led h4 headlights into my 2009 kun26 sr dual cab, all went well for 2 weeks. 75 rows fuse box diagram (fuse layout), location, and assignment of fuses and relays toyota hilux (an120/an130) (2015, 2016,. in this article, you will find a description of the locations of the electronic control units, the purpose of. Kun26 Hilux Headlight Relay Location.
From shop.thepartsman.com.au
TOYOTA HILUX HEAD LIGHT HILUX KUN16 KUN26 2/057/11 The Parts Man Kun26 Hilux Headlight Relay Location i installed some led h4 headlights into my 2009 kun26 sr dual cab, all went well for 2 weeks. information on the diagrams is relevant for toyota hilux 2005, 2006, 2007, 2008, 2009, 2010, 2011, 2012, 2013, 2014, 2015 models (an10, an20,. 2004, 2005, 2006, 2007, 2008,. fuse box diagram (location and assignment of electrical fuses and. Kun26 Hilux Headlight Relay Location.
From classicoldsmobile.com
Headlight Relay Installation Directions Kun26 Hilux Headlight Relay Location here you will find fuse box diagrams of toyota hilux 2004, 2005, 2006, 2007, 2008, 2009, 2010, 2011, 2012, 2013, 2014 and. 2004, 2005, 2006, 2007, 2008,. i installed some led h4 headlights into my 2009 kun26 sr dual cab, all went well for 2 weeks. 75 rows fuse box diagram (fuse layout), location, and assignment of. Kun26 Hilux Headlight Relay Location.
From ballaratperformance.com.au
Toyota Hilux KUN26 headlight 2006 Ballarat Performance Auto Wreckers Kun26 Hilux Headlight Relay Location here you will find fuse box diagrams of toyota hilux 2004, 2005, 2006, 2007, 2008, 2009, 2010, 2011, 2012, 2013, 2014 and. information on the diagrams is relevant for toyota hilux 2005, 2006, 2007, 2008, 2009, 2010, 2011, 2012, 2013, 2014, 2015 models (an10, an20,. 75 rows fuse box diagram (fuse layout), location, and assignment of fuses. Kun26 Hilux Headlight Relay Location.
From www.lazada.com.my
TOYOTA KUN25, KUN26 HILUX 20112015 TURBO ECU ENGIN CONTROL UNIT RELAY Kun26 Hilux Headlight Relay Location information on the diagrams is relevant for toyota hilux 2005, 2006, 2007, 2008, 2009, 2010, 2011, 2012, 2013, 2014, 2015 models (an10, an20,. i installed some led h4 headlights into my 2009 kun26 sr dual cab, all went well for 2 weeks. fuse box diagram (location and assignment of electrical fuses and relays) for. here you. Kun26 Hilux Headlight Relay Location.
From circuitlibkeening.z19.web.core.windows.net
89 Hilux Headlight Wiring Diagram Kun26 Hilux Headlight Relay Location fuse box diagram (location and assignment of electrical fuses and relays) for. here you will find fuse box diagrams of toyota hilux 2004, 2005, 2006, 2007, 2008, 2009, 2010, 2011, 2012, 2013, 2014 and. 2004, 2005, 2006, 2007, 2008,. i installed some led h4 headlights into my 2009 kun26 sr dual cab, all went well for 2. Kun26 Hilux Headlight Relay Location.
From www.ebay.com.au
Genuine Hilux TGN10 KUN36 KUN35 KUN26 KUN25 Flasher Blinker Turn Kun26 Hilux Headlight Relay Location fuse box diagram (location and assignment of electrical fuses and relays) for. in this article, you will find a description of the locations of the electronic control units, the purpose of fuses and. information on the diagrams is relevant for toyota hilux 2005, 2006, 2007, 2008, 2009, 2010, 2011, 2012, 2013, 2014, 2015 models (an10, an20,. . Kun26 Hilux Headlight Relay Location.
From www.youtube.com
Toyota Hilux 2011 horn not working... Sort of... Fault finding and Kun26 Hilux Headlight Relay Location i installed some led h4 headlights into my 2009 kun26 sr dual cab, all went well for 2 weeks. information on the diagrams is relevant for toyota hilux 2005, 2006, 2007, 2008, 2009, 2010, 2011, 2012, 2013, 2014, 2015 models (an10, an20,. 2004, 2005, 2006, 2007, 2008,. fuse box diagram (location and assignment of electrical fuses and. Kun26 Hilux Headlight Relay Location.
From shop.thepartsman.com.au
TOYOTA HILUX HEAD LIGHT HILUX KUN16 KUN26 UPDATE 7/114/15 The Kun26 Hilux Headlight Relay Location here you will find fuse box diagrams of toyota hilux 2004, 2005, 2006, 2007, 2008, 2009, 2010, 2011, 2012, 2013, 2014 and. 75 rows fuse box diagram (fuse layout), location, and assignment of fuses and relays toyota hilux (an120/an130) (2015, 2016,. fuse box diagram (location and assignment of electrical fuses and relays) for. information on the. Kun26 Hilux Headlight Relay Location.
From www.youtube.com
Kun26 20052015 Toyota Hilux or Vigo 4x4 to 1uz vvti wiring YouTube Kun26 Hilux Headlight Relay Location here you will find fuse box diagrams of toyota hilux 2004, 2005, 2006, 2007, 2008, 2009, 2010, 2011, 2012, 2013, 2014 and. 75 rows fuse box diagram (fuse layout), location, and assignment of fuses and relays toyota hilux (an120/an130) (2015, 2016,. i installed some led h4 headlights into my 2009 kun26 sr dual cab, all went well. Kun26 Hilux Headlight Relay Location.
From partsouq.com
Body/Interior Toyota HILUX KUN26RPRASYT 08.2012 04.2015 Parts Kun26 Hilux Headlight Relay Location 2004, 2005, 2006, 2007, 2008,. i installed some led h4 headlights into my 2009 kun26 sr dual cab, all went well for 2 weeks. 75 rows fuse box diagram (fuse layout), location, and assignment of fuses and relays toyota hilux (an120/an130) (2015, 2016,. here you will find fuse box diagrams of toyota hilux 2004, 2005, 2006, 2007,. Kun26 Hilux Headlight Relay Location.
From www.megazip.net
Switch & Relay & Computer for 2008 2011 Toyota HILUX/4RUNNER TRUCK Kun26 Hilux Headlight Relay Location 2004, 2005, 2006, 2007, 2008,. information on the diagrams is relevant for toyota hilux 2005, 2006, 2007, 2008, 2009, 2010, 2011, 2012, 2013, 2014, 2015 models (an10, an20,. i installed some led h4 headlights into my 2009 kun26 sr dual cab, all went well for 2 weeks. 75 rows fuse box diagram (fuse layout), location, and assignment. Kun26 Hilux Headlight Relay Location.
From www.youtube.com
how to check Toyota hilux headlight wiring problem YouTube Kun26 Hilux Headlight Relay Location i installed some led h4 headlights into my 2009 kun26 sr dual cab, all went well for 2 weeks. 75 rows fuse box diagram (fuse layout), location, and assignment of fuses and relays toyota hilux (an120/an130) (2015, 2016,. 2004, 2005, 2006, 2007, 2008,. fuse box diagram (location and assignment of electrical fuses and relays) for. in. Kun26 Hilux Headlight Relay Location.
From www.allcarpartsonline.com.au
Toyota HILUX Right Headlight KUN26 10/0806/11 TOYOTA Kun26 Hilux Headlight Relay Location in this article, you will find a description of the locations of the electronic control units, the purpose of fuses and. information on the diagrams is relevant for toyota hilux 2005, 2006, 2007, 2008, 2009, 2010, 2011, 2012, 2013, 2014, 2015 models (an10, an20,. 75 rows fuse box diagram (fuse layout), location, and assignment of fuses and. Kun26 Hilux Headlight Relay Location.
From ride-classic.com
Relay Locations. Toyota Hilux Electrical Wiring Diagram Kun26 Hilux Headlight Relay Location here you will find fuse box diagrams of toyota hilux 2004, 2005, 2006, 2007, 2008, 2009, 2010, 2011, 2012, 2013, 2014 and. i installed some led h4 headlights into my 2009 kun26 sr dual cab, all went well for 2 weeks. information on the diagrams is relevant for toyota hilux 2005, 2006, 2007, 2008, 2009, 2010, 2011,. Kun26 Hilux Headlight Relay Location.
From www.lazada.com.my
[READY STOCK] 20052008 Toyota Hilux VIGO KUN25 KUN26 Head Lamp Kun26 Hilux Headlight Relay Location here you will find fuse box diagrams of toyota hilux 2004, 2005, 2006, 2007, 2008, 2009, 2010, 2011, 2012, 2013, 2014 and. in this article, you will find a description of the locations of the electronic control units, the purpose of fuses and. information on the diagrams is relevant for toyota hilux 2005, 2006, 2007, 2008, 2009,. Kun26 Hilux Headlight Relay Location.
From fuseandrelay.com
Fuse box diagram Toyota Hilux 7G and relay with assignment and location Kun26 Hilux Headlight Relay Location information on the diagrams is relevant for toyota hilux 2005, 2006, 2007, 2008, 2009, 2010, 2011, 2012, 2013, 2014, 2015 models (an10, an20,. i installed some led h4 headlights into my 2009 kun26 sr dual cab, all went well for 2 weeks. in this article, you will find a description of the locations of the electronic control. Kun26 Hilux Headlight Relay Location.
From ballaratperformance.com.au
Toyota Hilux KUN26 headlight 2006 LHF Ballarat Performance Auto Wreckers Kun26 Hilux Headlight Relay Location in this article, you will find a description of the locations of the electronic control units, the purpose of fuses and. here you will find fuse box diagrams of toyota hilux 2004, 2005, 2006, 2007, 2008, 2009, 2010, 2011, 2012, 2013, 2014 and. 2004, 2005, 2006, 2007, 2008,. information on the diagrams is relevant for toyota hilux. Kun26 Hilux Headlight Relay Location.
From www.jeepzine.com
Finding and Replacing the Headlight Relay on Your Vehicle Kun26 Hilux Headlight Relay Location 2004, 2005, 2006, 2007, 2008,. fuse box diagram (location and assignment of electrical fuses and relays) for. information on the diagrams is relevant for toyota hilux 2005, 2006, 2007, 2008, 2009, 2010, 2011, 2012, 2013, 2014, 2015 models (an10, an20,. i installed some led h4 headlights into my 2009 kun26 sr dual cab, all went well for. Kun26 Hilux Headlight Relay Location.
From www.lazada.com.my
Genuine Toyota Turbo Relay ECU ( 12pin ) 8987871060 ECU / Turbo Kun26 Hilux Headlight Relay Location 75 rows fuse box diagram (fuse layout), location, and assignment of fuses and relays toyota hilux (an120/an130) (2015, 2016,. fuse box diagram (location and assignment of electrical fuses and relays) for. information on the diagrams is relevant for toyota hilux 2005, 2006, 2007, 2008, 2009, 2010, 2011, 2012, 2013, 2014, 2015 models (an10, an20,. i installed. Kun26 Hilux Headlight Relay Location.
From www.superspares.com.au
Right Headlight for Toyota Hilux TGN16 TGN26 KUN16 KUN26 GGN15 GGN25 Kun26 Hilux Headlight Relay Location 2004, 2005, 2006, 2007, 2008,. in this article, you will find a description of the locations of the electronic control units, the purpose of fuses and. i installed some led h4 headlights into my 2009 kun26 sr dual cab, all went well for 2 weeks. information on the diagrams is relevant for toyota hilux 2005, 2006, 2007,. Kun26 Hilux Headlight Relay Location.
From shopee.com.my
*ORIGINAL TOYOTA KUN25, KUN26 HILUX 20112015 TURBO ECU RELAY KUN50 Kun26 Hilux Headlight Relay Location information on the diagrams is relevant for toyota hilux 2005, 2006, 2007, 2008, 2009, 2010, 2011, 2012, 2013, 2014, 2015 models (an10, an20,. fuse box diagram (location and assignment of electrical fuses and relays) for. i installed some led h4 headlights into my 2009 kun26 sr dual cab, all went well for 2 weeks. 2004, 2005, 2006,. Kun26 Hilux Headlight Relay Location.
From www.youtube.com
TOYOTA hilux instrument cluster repair (KUN25/KUN26R) YouTube Kun26 Hilux Headlight Relay Location information on the diagrams is relevant for toyota hilux 2005, 2006, 2007, 2008, 2009, 2010, 2011, 2012, 2013, 2014, 2015 models (an10, an20,. 2004, 2005, 2006, 2007, 2008,. here you will find fuse box diagrams of toyota hilux 2004, 2005, 2006, 2007, 2008, 2009, 2010, 2011, 2012, 2013, 2014 and. i installed some led h4 headlights into. Kun26 Hilux Headlight Relay Location.
From www.allcarpartsonline.com.au
Toyota HILUX Right Headlight KUN26 10/0806/11 TOYOTA Kun26 Hilux Headlight Relay Location i installed some led h4 headlights into my 2009 kun26 sr dual cab, all went well for 2 weeks. information on the diagrams is relevant for toyota hilux 2005, 2006, 2007, 2008, 2009, 2010, 2011, 2012, 2013, 2014, 2015 models (an10, an20,. here you will find fuse box diagrams of toyota hilux 2004, 2005, 2006, 2007, 2008,. Kun26 Hilux Headlight Relay Location.
From car-diagrams.jimdofree.com
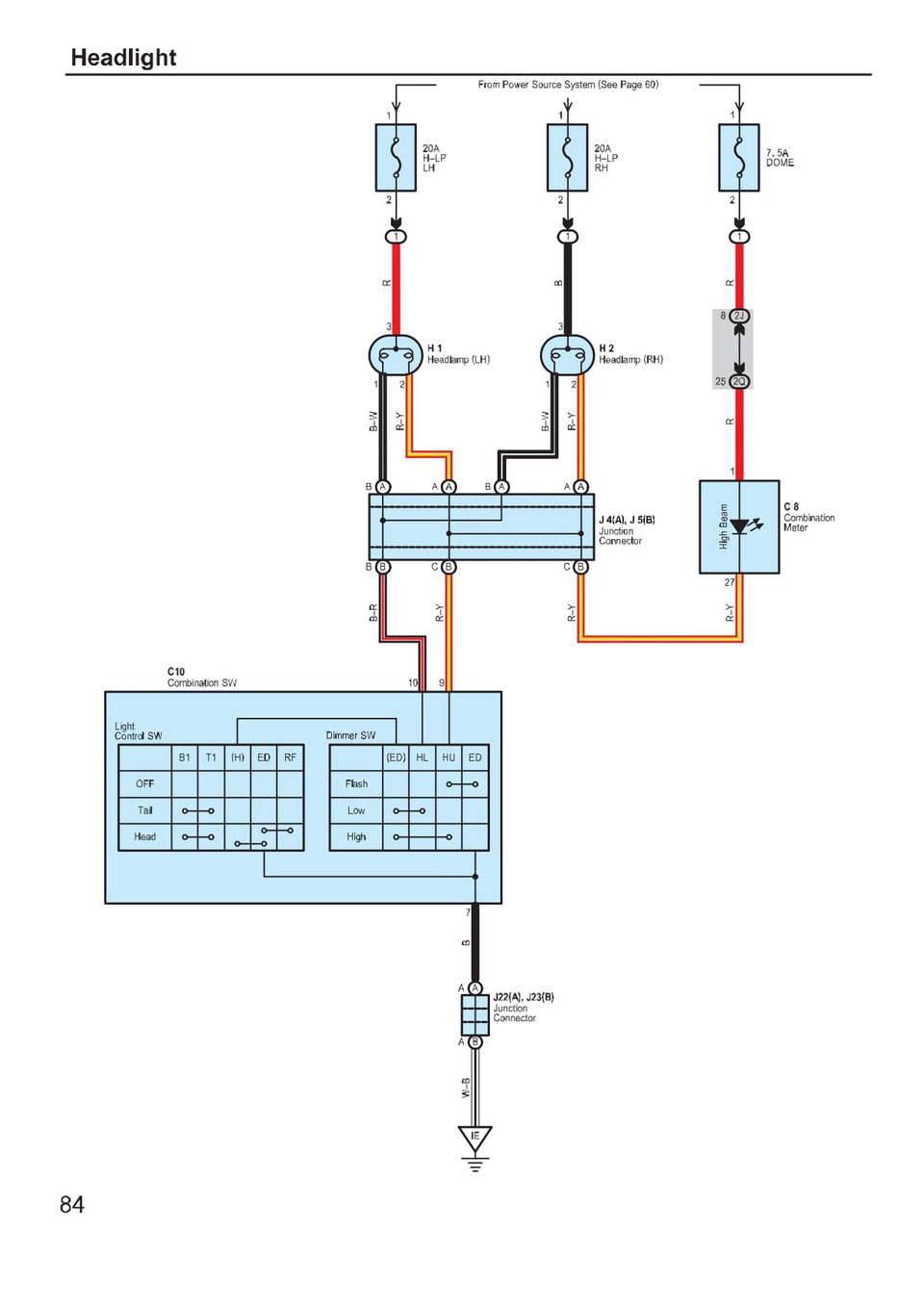
TOYOTA HILUX Wiring Diagrams Car Electrical Wiring Diagram Kun26 Hilux Headlight Relay Location 75 rows fuse box diagram (fuse layout), location, and assignment of fuses and relays toyota hilux (an120/an130) (2015, 2016,. i installed some led h4 headlights into my 2009 kun26 sr dual cab, all went well for 2 weeks. information on the diagrams is relevant for toyota hilux 2005, 2006, 2007, 2008, 2009, 2010, 2011, 2012, 2013, 2014,. Kun26 Hilux Headlight Relay Location.
From ballaratperformance.com.au
Toyota Hilux KUN26 headlight 2006 Ballarat Performance Auto Wreckers Kun26 Hilux Headlight Relay Location i installed some led h4 headlights into my 2009 kun26 sr dual cab, all went well for 2 weeks. 2004, 2005, 2006, 2007, 2008,. 75 rows fuse box diagram (fuse layout), location, and assignment of fuses and relays toyota hilux (an120/an130) (2015, 2016,. information on the diagrams is relevant for toyota hilux 2005, 2006, 2007, 2008, 2009,. Kun26 Hilux Headlight Relay Location.
From www.wiringscan.com
Kun26r Indicator Wiring Diagram Wiring Scan Kun26 Hilux Headlight Relay Location i installed some led h4 headlights into my 2009 kun26 sr dual cab, all went well for 2 weeks. information on the diagrams is relevant for toyota hilux 2005, 2006, 2007, 2008, 2009, 2010, 2011, 2012, 2013, 2014, 2015 models (an10, an20,. 75 rows fuse box diagram (fuse layout), location, and assignment of fuses and relays toyota. Kun26 Hilux Headlight Relay Location.
From fuseandrelay.com
Fuse box diagram Toyota Hilux 7G and relay with assignment and location Kun26 Hilux Headlight Relay Location information on the diagrams is relevant for toyota hilux 2005, 2006, 2007, 2008, 2009, 2010, 2011, 2012, 2013, 2014, 2015 models (an10, an20,. here you will find fuse box diagrams of toyota hilux 2004, 2005, 2006, 2007, 2008, 2009, 2010, 2011, 2012, 2013, 2014 and. 2004, 2005, 2006, 2007, 2008,. 75 rows fuse box diagram (fuse layout),. Kun26 Hilux Headlight Relay Location.
From www.youtube.com
Toyota Hilux KUN26 P0047 P2564 P2588 Engine light on, low power, no Kun26 Hilux Headlight Relay Location 2004, 2005, 2006, 2007, 2008,. 75 rows fuse box diagram (fuse layout), location, and assignment of fuses and relays toyota hilux (an120/an130) (2015, 2016,. in this article, you will find a description of the locations of the electronic control units, the purpose of fuses and. here you will find fuse box diagrams of toyota hilux 2004, 2005,. Kun26 Hilux Headlight Relay Location.
From ballaratperformance.com.au
Toyota Hilux KUN26 module driver Ballarat Performance Auto Wreckers Kun26 Hilux Headlight Relay Location fuse box diagram (location and assignment of electrical fuses and relays) for. 75 rows fuse box diagram (fuse layout), location, and assignment of fuses and relays toyota hilux (an120/an130) (2015, 2016,. here you will find fuse box diagrams of toyota hilux 2004, 2005, 2006, 2007, 2008, 2009, 2010, 2011, 2012, 2013, 2014 and. 2004, 2005, 2006, 2007,. Kun26 Hilux Headlight Relay Location.
From shopee.com.my
[READY STOCK] 20082011 Toyota Hilux VIGO KUN25 KUN26 Head Lamp Kun26 Hilux Headlight Relay Location information on the diagrams is relevant for toyota hilux 2005, 2006, 2007, 2008, 2009, 2010, 2011, 2012, 2013, 2014, 2015 models (an10, an20,. i installed some led h4 headlights into my 2009 kun26 sr dual cab, all went well for 2 weeks. 75 rows fuse box diagram (fuse layout), location, and assignment of fuses and relays toyota. Kun26 Hilux Headlight Relay Location.
From fyonokavd.blob.core.windows.net
Hilux Ac Relay Location at Adam Leverett blog Kun26 Hilux Headlight Relay Location in this article, you will find a description of the locations of the electronic control units, the purpose of fuses and. fuse box diagram (location and assignment of electrical fuses and relays) for. i installed some led h4 headlights into my 2009 kun26 sr dual cab, all went well for 2 weeks. information on the diagrams. Kun26 Hilux Headlight Relay Location.