Jam Protection Toyota . Please see your owner's manual. code b2221 toyota description. The back door ecu monitors the condition of the power window motor and detects the. Not all features available on all vehicles and model grades. (1) move the window to the fully closed position. a jam protection function automatically stops the power window and moves it downward if a foreign object gets. This symptom may occur for any of the power windows. The jam protection function operates within a. If a board contacts an obstacle when extending, it will retract. *2 resetting method of the motor for jam protection. During automatic running boards operation:
from shopee.com.my
During automatic running boards operation: Please see your owner's manual. The back door ecu monitors the condition of the power window motor and detects the. Not all features available on all vehicles and model grades. This symptom may occur for any of the power windows. If a board contacts an obstacle when extending, it will retract. (1) move the window to the fully closed position. a jam protection function automatically stops the power window and moves it downward if a foreign object gets. code b2221 toyota description. *2 resetting method of the motor for jam protection.
IVR551 REC 12V Voltage Regulator Electronic Type Short Circuit
Jam Protection Toyota The jam protection function operates within a. *2 resetting method of the motor for jam protection. Please see your owner's manual. During automatic running boards operation: a jam protection function automatically stops the power window and moves it downward if a foreign object gets. If a board contacts an obstacle when extending, it will retract. (1) move the window to the fully closed position. The back door ecu monitors the condition of the power window motor and detects the. This symptom may occur for any of the power windows. code b2221 toyota description. Not all features available on all vehicles and model grades. The jam protection function operates within a.
From shopee.com.my
IVR551 REC 12V Voltage Regulator Electronic Type Short Circuit Jam Protection Toyota The back door ecu monitors the condition of the power window motor and detects the. Please see your owner's manual. *2 resetting method of the motor for jam protection. code b2221 toyota description. a jam protection function automatically stops the power window and moves it downward if a foreign object gets. If a board contacts an obstacle. Jam Protection Toyota.
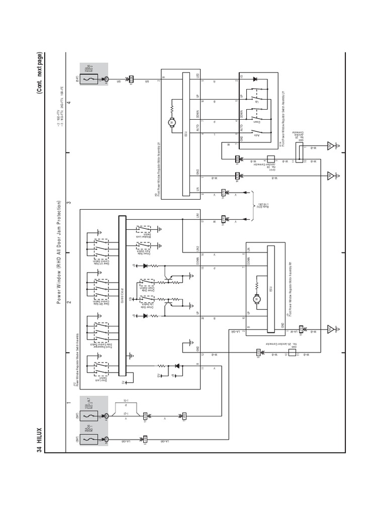
From www.4x4works.co.uk
N4 Skid Plate Underbody Protection Toyota Land Cruiser HZJ 71 HZJ74 Jam Protection Toyota During automatic running boards operation: a jam protection function automatically stops the power window and moves it downward if a foreign object gets. *2 resetting method of the motor for jam protection. If a board contacts an obstacle when extending, it will retract. Not all features available on all vehicles and model grades. code b2221 toyota description.. Jam Protection Toyota.
From www.vividracing.com
LaminX APillar & Cab Top Edge Protection Toyota Sequoia 2018+ T3560 Jam Protection Toyota During automatic running boards operation: This symptom may occur for any of the power windows. code b2221 toyota description. The back door ecu monitors the condition of the power window motor and detects the. Not all features available on all vehicles and model grades. The jam protection function operates within a. (1) move the window to the fully closed. Jam Protection Toyota.
From www.accessoires4x4.ch
Plaque de protection chassis moteur Toyota HILUX 0508 ACCESSOIRES4X4.CH Jam Protection Toyota (1) move the window to the fully closed position. During automatic running boards operation: a jam protection function automatically stops the power window and moves it downward if a foreign object gets. Not all features available on all vehicles and model grades. This symptom may occur for any of the power windows. *2 resetting method of the motor. Jam Protection Toyota.
From shopee.com.my
Toyota Avanza 20122017 Sunshade (6pcs) Car Shade Sunshield Jam Protection Toyota This symptom may occur for any of the power windows. *2 resetting method of the motor for jam protection. During automatic running boards operation: a jam protection function automatically stops the power window and moves it downward if a foreign object gets. (1) move the window to the fully closed position. The back door ecu monitors the condition. Jam Protection Toyota.
From www.circuitdiagram.co
Toyota Power Window Switch Wiring Diagram Circuit Diagram Jam Protection Toyota If a board contacts an obstacle when extending, it will retract. The jam protection function operates within a. This symptom may occur for any of the power windows. *2 resetting method of the motor for jam protection. (1) move the window to the fully closed position. Not all features available on all vehicles and model grades. Please see your. Jam Protection Toyota.
From www.youtube.com
2005 2007 Avalon HowTo Moonroof Jam Protection Toyota YouTube Jam Protection Toyota During automatic running boards operation: The jam protection function operates within a. If a board contacts an obstacle when extending, it will retract. Not all features available on all vehicles and model grades. The back door ecu monitors the condition of the power window motor and detects the. This symptom may occur for any of the power windows. *2. Jam Protection Toyota.
From www.wheelsjoint.com
How to adjust liftgate height on Toyota Fortuner Jam Protection Toyota The back door ecu monitors the condition of the power window motor and detects the. During automatic running boards operation: The jam protection function operates within a. code b2221 toyota description. Please see your owner's manual. If a board contacts an obstacle when extending, it will retract. *2 resetting method of the motor for jam protection. Not all. Jam Protection Toyota.
From www.tcorollacross.com
Toyota Corolla Cross Jam Protection Function Activates During Power Jam Protection Toyota During automatic running boards operation: Please see your owner's manual. Not all features available on all vehicles and model grades. If a board contacts an obstacle when extending, it will retract. This symptom may occur for any of the power windows. The back door ecu monitors the condition of the power window motor and detects the. The jam protection function. Jam Protection Toyota.
From sliplo.shop
6 Advantages of Auto Door Jamb Protectors SLIPLO Jam Protection Toyota Please see your owner's manual. During automatic running boards operation: a jam protection function automatically stops the power window and moves it downward if a foreign object gets. Not all features available on all vehicles and model grades. If a board contacts an obstacle when extending, it will retract. *2 resetting method of the motor for jam protection.. Jam Protection Toyota.
From www.accessoires4x4.ch
Plaque de protection chassis moteur Toyota HILUX 1115 ACCESSOIRES4X4.CH Jam Protection Toyota Not all features available on all vehicles and model grades. This symptom may occur for any of the power windows. a jam protection function automatically stops the power window and moves it downward if a foreign object gets. Please see your owner's manual. code b2221 toyota description. (1) move the window to the fully closed position. The jam. Jam Protection Toyota.
From www.youtube.com
2005 2007 Avalon HowTo Power Windows Jam Protection Toyota Jam Protection Toyota *2 resetting method of the motor for jam protection. Not all features available on all vehicles and model grades. The jam protection function operates within a. This symptom may occur for any of the power windows. (1) move the window to the fully closed position. During automatic running boards operation: a jam protection function automatically stops the power. Jam Protection Toyota.
From www.cravenspeed.com
Jam Handles for Toyota 4Runner 5th gen N280 2010 to 2023 Red Jam Protection Toyota a jam protection function automatically stops the power window and moves it downward if a foreign object gets. Not all features available on all vehicles and model grades. The jam protection function operates within a. Please see your owner's manual. If a board contacts an obstacle when extending, it will retract. code b2221 toyota description. During automatic running. Jam Protection Toyota.
From www.outback-import.fr
Protection ROCKALU BT+BV Toyota Hilux Revo Alu 6mm embouti Jam Protection Toyota This symptom may occur for any of the power windows. *2 resetting method of the motor for jam protection. a jam protection function automatically stops the power window and moves it downward if a foreign object gets. If a board contacts an obstacle when extending, it will retract. The jam protection function operates within a. (1) move the. Jam Protection Toyota.
From www.youtube.com
2011 Toyota Sienna Jam Protection How To by Toyota City Jam Protection Toyota The back door ecu monitors the condition of the power window motor and detects the. Please see your owner's manual. *2 resetting method of the motor for jam protection. (1) move the window to the fully closed position. a jam protection function automatically stops the power window and moves it downward if a foreign object gets. This symptom. Jam Protection Toyota.
From ubicaciondepersonas.cdmx.gob.mx
Hilux Bumper Guard ubicaciondepersonas.cdmx.gob.mx Jam Protection Toyota (1) move the window to the fully closed position. The back door ecu monitors the condition of the power window motor and detects the. Please see your owner's manual. Not all features available on all vehicles and model grades. a jam protection function automatically stops the power window and moves it downward if a foreign object gets. This symptom. Jam Protection Toyota.
From paultan.org
01Exterior (Auto Window AntiJam Protection) Paul Tan's Automotive News Jam Protection Toyota This symptom may occur for any of the power windows. Not all features available on all vehicles and model grades. The jam protection function operates within a. If a board contacts an obstacle when extending, it will retract. code b2221 toyota description. (1) move the window to the fully closed position. The back door ecu monitors the condition of. Jam Protection Toyota.
From www.scribd.com
Toyota Hilux 2018 Overall EWD Vehicle Exterior Power Window (RHD All Jam Protection Toyota If a board contacts an obstacle when extending, it will retract. a jam protection function automatically stops the power window and moves it downward if a foreign object gets. Please see your owner's manual. The jam protection function operates within a. (1) move the window to the fully closed position. The back door ecu monitors the condition of the. Jam Protection Toyota.
From www.offroadattitude.fr
Ski de protection / Blindage AV N4 Toyota Hilux Revo 2015+ • BLAV67A Jam Protection Toyota The back door ecu monitors the condition of the power window motor and detects the. Please see your owner's manual. The jam protection function operates within a. (1) move the window to the fully closed position. If a board contacts an obstacle when extending, it will retract. *2 resetting method of the motor for jam protection. This symptom may. Jam Protection Toyota.
From www.xmotor.fr
Protection avant alu N4 Toyota hilux VIGO (0514) Jam Protection Toyota The back door ecu monitors the condition of the power window motor and detects the. Not all features available on all vehicles and model grades. This symptom may occur for any of the power windows. a jam protection function automatically stops the power window and moves it downward if a foreign object gets. *2 resetting method of the. Jam Protection Toyota.
From www.ttguide.net
Toyota (20152018) Service Manual System Diagram Power Window Jam Protection Toyota (1) move the window to the fully closed position. The jam protection function operates within a. code b2221 toyota description. The back door ecu monitors the condition of the power window motor and detects the. Not all features available on all vehicles and model grades. This symptom may occur for any of the power windows. If a board contacts. Jam Protection Toyota.
From www.autouserguide.com
2023 Toyota 86 windows, moon roof & Adjustment Auto User Guide Jam Protection Toyota (1) move the window to the fully closed position. During automatic running boards operation: code b2221 toyota description. *2 resetting method of the motor for jam protection. If a board contacts an obstacle when extending, it will retract. Please see your owner's manual. The back door ecu monitors the condition of the power window motor and detects the.. Jam Protection Toyota.
From www.accessoires4x4.ch
Plaque de protection chassis moteur Toyota J100 ACCESSOIRES4X4.CH Jam Protection Toyota During automatic running boards operation: If a board contacts an obstacle when extending, it will retract. The jam protection function operates within a. *2 resetting method of the motor for jam protection. a jam protection function automatically stops the power window and moves it downward if a foreign object gets. Not all features available on all vehicles and. Jam Protection Toyota.
From www.offroadattitude.fr
Ski de protection / Blindage AV N4 Toyota KDJ120 KDJ125 GRJ120 GRJ125 Jam Protection Toyota Not all features available on all vehicles and model grades. The jam protection function operates within a. This symptom may occur for any of the power windows. The back door ecu monitors the condition of the power window motor and detects the. (1) move the window to the fully closed position. Please see your owner's manual. a jam protection. Jam Protection Toyota.
From www.accessoires4x4.ch
Plaque de protection chassis moteur Toyota J150 2016 ACCESSOIRES4X4.CH Jam Protection Toyota (1) move the window to the fully closed position. The back door ecu monitors the condition of the power window motor and detects the. This symptom may occur for any of the power windows. If a board contacts an obstacle when extending, it will retract. a jam protection function automatically stops the power window and moves it downward if. Jam Protection Toyota.
From www.ttguide.net
Toyota 20152018 Service Manual Parts Location Power Window Jam Protection Toyota This symptom may occur for any of the power windows. The jam protection function operates within a. Not all features available on all vehicles and model grades. (1) move the window to the fully closed position. *2 resetting method of the motor for jam protection. Please see your owner's manual. The back door ecu monitors the condition of the. Jam Protection Toyota.
From www.ttguide.net
Toyota 20152018 Service Manual Parts Location Power Window Jam Protection Toyota If a board contacts an obstacle when extending, it will retract. code b2221 toyota description. This symptom may occur for any of the power windows. (1) move the window to the fully closed position. During automatic running boards operation: The jam protection function operates within a. a jam protection function automatically stops the power window and moves it. Jam Protection Toyota.
From www.borderoffroad4x4.com.au
Rhino 4x4 Toyota Hilux Underbody Protection Border Off Road 4x4 Jam Protection Toyota (1) move the window to the fully closed position. Not all features available on all vehicles and model grades. If a board contacts an obstacle when extending, it will retract. a jam protection function automatically stops the power window and moves it downward if a foreign object gets. This symptom may occur for any of the power windows. Please. Jam Protection Toyota.
From www.circuitdiagram.co
Power Window Wiring Diagram Toyota Circuit Diagram Jam Protection Toyota a jam protection function automatically stops the power window and moves it downward if a foreign object gets. During automatic running boards operation: (1) move the window to the fully closed position. If a board contacts an obstacle when extending, it will retract. The back door ecu monitors the condition of the power window motor and detects the. Not. Jam Protection Toyota.
From www.toyotanation.com
Paint Code Sticker on door jamb Toyota Nation Forum Jam Protection Toyota This symptom may occur for any of the power windows. The jam protection function operates within a. (1) move the window to the fully closed position. *2 resetting method of the motor for jam protection. During automatic running boards operation: If a board contacts an obstacle when extending, it will retract. The back door ecu monitors the condition of. Jam Protection Toyota.
From www.ttguide.net
Toyota 20152018 Service Manual Parts Location Power Window Jam Protection Toyota code b2221 toyota description. a jam protection function automatically stops the power window and moves it downward if a foreign object gets. The back door ecu monitors the condition of the power window motor and detects the. If a board contacts an obstacle when extending, it will retract. The jam protection function operates within a. Please see your. Jam Protection Toyota.
From www.toyota-4runner.org
DIY Replace door courtesy / door jamb switch (fix door ajar light Jam Protection Toyota The back door ecu monitors the condition of the power window motor and detects the. If a board contacts an obstacle when extending, it will retract. code b2221 toyota description. Not all features available on all vehicles and model grades. a jam protection function automatically stops the power window and moves it downward if a foreign object gets.. Jam Protection Toyota.
From brixton4x4.com.au
EFS Steel Front Underbody Protection EFS 4x4 Parts & Accessories Jam Protection Toyota *2 resetting method of the motor for jam protection. (1) move the window to the fully closed position. The back door ecu monitors the condition of the power window motor and detects the. Not all features available on all vehicles and model grades. The jam protection function operates within a. This symptom may occur for any of the power. Jam Protection Toyota.
From www.desertcart.ae
Buy 4PCS Threshold Protection Stickers for Car Door Steps with Toyota Jam Protection Toyota (1) move the window to the fully closed position. The jam protection function operates within a. a jam protection function automatically stops the power window and moves it downward if a foreign object gets. If a board contacts an obstacle when extending, it will retract. code b2221 toyota description. This symptom may occur for any of the power. Jam Protection Toyota.
From www.youtube.com
Traffic Jam Assist Overview Toyota YouTube Jam Protection Toyota The jam protection function operates within a. The back door ecu monitors the condition of the power window motor and detects the. *2 resetting method of the motor for jam protection. If a board contacts an obstacle when extending, it will retract. a jam protection function automatically stops the power window and moves it downward if a foreign. Jam Protection Toyota.