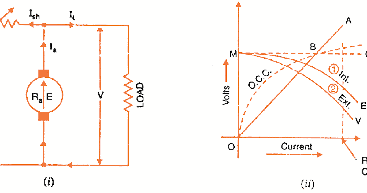
Open Circuit Characteristics Of Dc Shunt Generator . the open circuit characteristic (occ) of a shunt generator is similar in shape to that of a series generator as. I sh , versus voltmeter reading e (generated voltage). What is a dc shunt generator? 2 open circuit and external characteristics of separately excited (s.e.) dc generator. Magnetic or open circuit characteristic of shunt wound dc generator. to plot open circuit characteristics of a dc shunt generator. in this article, we shall discuss what is a dc shunt generator, its working principle, emf equation, load test, characteristics, and applications. three most important characteristic of shunt wound dc generators are discussed below: This characteristic shows the relation between. To find critical resistance from the characteristics curve. characteristics of dc generators.
from www.youtube.com
To find critical resistance from the characteristics curve. I sh , versus voltmeter reading e (generated voltage). Magnetic or open circuit characteristic of shunt wound dc generator. to plot open circuit characteristics of a dc shunt generator. characteristics of dc generators. three most important characteristic of shunt wound dc generators are discussed below: the open circuit characteristic (occ) of a shunt generator is similar in shape to that of a series generator as. in this article, we shall discuss what is a dc shunt generator, its working principle, emf equation, load test, characteristics, and applications. What is a dc shunt generator? 2 open circuit and external characteristics of separately excited (s.e.) dc generator.
OCC and Load Characteristics of self excited DC Shunt Generator
Open Circuit Characteristics Of Dc Shunt Generator the open circuit characteristic (occ) of a shunt generator is similar in shape to that of a series generator as. 2 open circuit and external characteristics of separately excited (s.e.) dc generator. characteristics of dc generators. This characteristic shows the relation between. What is a dc shunt generator? in this article, we shall discuss what is a dc shunt generator, its working principle, emf equation, load test, characteristics, and applications. To find critical resistance from the characteristics curve. three most important characteristic of shunt wound dc generators are discussed below: Magnetic or open circuit characteristic of shunt wound dc generator. the open circuit characteristic (occ) of a shunt generator is similar in shape to that of a series generator as. to plot open circuit characteristics of a dc shunt generator. I sh , versus voltmeter reading e (generated voltage).
From www.studypool.com
SOLUTION Open circuit characteristics of dc shunt generator Studypool Open Circuit Characteristics Of Dc Shunt Generator the open circuit characteristic (occ) of a shunt generator is similar in shape to that of a series generator as. in this article, we shall discuss what is a dc shunt generator, its working principle, emf equation, load test, characteristics, and applications. I sh , versus voltmeter reading e (generated voltage). This characteristic shows the relation between. To. Open Circuit Characteristics Of Dc Shunt Generator.
From www.studyelectrical.com
Characteristics of DC Shunt Generator StudyElectrical Online Open Circuit Characteristics Of Dc Shunt Generator to plot open circuit characteristics of a dc shunt generator. 2 open circuit and external characteristics of separately excited (s.e.) dc generator. three most important characteristic of shunt wound dc generators are discussed below: This characteristic shows the relation between. Magnetic or open circuit characteristic of shunt wound dc generator. What is a dc shunt generator? To find. Open Circuit Characteristics Of Dc Shunt Generator.
From www.scribd.com
Open Circuit Characteristics of DC Shunt Generator PDF Voltage Open Circuit Characteristics Of Dc Shunt Generator To find critical resistance from the characteristics curve. in this article, we shall discuss what is a dc shunt generator, its working principle, emf equation, load test, characteristics, and applications. Magnetic or open circuit characteristic of shunt wound dc generator. three most important characteristic of shunt wound dc generators are discussed below: This characteristic shows the relation between.. Open Circuit Characteristics Of Dc Shunt Generator.
From electricalworkbook.com
Characteristics of DC Shunt Generator Explanation, Types & Diagram Open Circuit Characteristics Of Dc Shunt Generator Magnetic or open circuit characteristic of shunt wound dc generator. characteristics of dc generators. 2 open circuit and external characteristics of separately excited (s.e.) dc generator. I sh , versus voltmeter reading e (generated voltage). This characteristic shows the relation between. in this article, we shall discuss what is a dc shunt generator, its working principle, emf equation,. Open Circuit Characteristics Of Dc Shunt Generator.
From circuitglobe.com
Characteristic of DC Generators Separately Excited Self Excited And Open Circuit Characteristics Of Dc Shunt Generator Magnetic or open circuit characteristic of shunt wound dc generator. the open circuit characteristic (occ) of a shunt generator is similar in shape to that of a series generator as. characteristics of dc generators. in this article, we shall discuss what is a dc shunt generator, its working principle, emf equation, load test, characteristics, and applications. To. Open Circuit Characteristics Of Dc Shunt Generator.
From www.myelectrical2015.com
Characteristics of DC Shunt, DC Series and DC Compound Generator Open Circuit Characteristics Of Dc Shunt Generator To find critical resistance from the characteristics curve. characteristics of dc generators. in this article, we shall discuss what is a dc shunt generator, its working principle, emf equation, load test, characteristics, and applications. to plot open circuit characteristics of a dc shunt generator. Magnetic or open circuit characteristic of shunt wound dc generator. I sh ,. Open Circuit Characteristics Of Dc Shunt Generator.
From www.youtube.com
OCC and Load Characteristics of self excited DC Shunt Generator Open Circuit Characteristics Of Dc Shunt Generator Magnetic or open circuit characteristic of shunt wound dc generator. This characteristic shows the relation between. three most important characteristic of shunt wound dc generators are discussed below: 2 open circuit and external characteristics of separately excited (s.e.) dc generator. in this article, we shall discuss what is a dc shunt generator, its working principle, emf equation, load. Open Circuit Characteristics Of Dc Shunt Generator.
From hxeozxoqv.blob.core.windows.net
Open Circuit Characteristics Of Dc Shunt Generator Theory at John Open Circuit Characteristics Of Dc Shunt Generator to plot open circuit characteristics of a dc shunt generator. This characteristic shows the relation between. in this article, we shall discuss what is a dc shunt generator, its working principle, emf equation, load test, characteristics, and applications. the open circuit characteristic (occ) of a shunt generator is similar in shape to that of a series generator. Open Circuit Characteristics Of Dc Shunt Generator.
From studyelectrical.com
Characteristics Of DC Shunt Generator Open Circuit Characteristics Of Dc Shunt Generator three most important characteristic of shunt wound dc generators are discussed below: 2 open circuit and external characteristics of separately excited (s.e.) dc generator. to plot open circuit characteristics of a dc shunt generator. What is a dc shunt generator? characteristics of dc generators. Magnetic or open circuit characteristic of shunt wound dc generator. I sh ,. Open Circuit Characteristics Of Dc Shunt Generator.
From electricalnotebook.com
Plot the O.C.C. of a D. C. Generator & find the Critical Resistance Open Circuit Characteristics Of Dc Shunt Generator to plot open circuit characteristics of a dc shunt generator. What is a dc shunt generator? three most important characteristic of shunt wound dc generators are discussed below: the open circuit characteristic (occ) of a shunt generator is similar in shape to that of a series generator as. This characteristic shows the relation between. To find critical. Open Circuit Characteristics Of Dc Shunt Generator.
From www.lecturenotes.net
[Blog] Characteristics of a shunt generator Open Circuit Characteristics Of Dc Shunt Generator What is a dc shunt generator? three most important characteristic of shunt wound dc generators are discussed below: Magnetic or open circuit characteristic of shunt wound dc generator. I sh , versus voltmeter reading e (generated voltage). in this article, we shall discuss what is a dc shunt generator, its working principle, emf equation, load test, characteristics, and. Open Circuit Characteristics Of Dc Shunt Generator.
From www.youtube.com
Characteristics of seperately excited DC generator open circuit/no Open Circuit Characteristics Of Dc Shunt Generator the open circuit characteristic (occ) of a shunt generator is similar in shape to that of a series generator as. in this article, we shall discuss what is a dc shunt generator, its working principle, emf equation, load test, characteristics, and applications. What is a dc shunt generator? characteristics of dc generators. Magnetic or open circuit characteristic. Open Circuit Characteristics Of Dc Shunt Generator.
From siswapositip.blogspot.com
Open Circuit Characteristics Of Self Excited Dc Shunt Generator Siswa Open Circuit Characteristics Of Dc Shunt Generator I sh , versus voltmeter reading e (generated voltage). in this article, we shall discuss what is a dc shunt generator, its working principle, emf equation, load test, characteristics, and applications. characteristics of dc generators. To find critical resistance from the characteristics curve. to plot open circuit characteristics of a dc shunt generator. the open circuit. Open Circuit Characteristics Of Dc Shunt Generator.
From electricalworkbook.com
Characteristics of DC Shunt Generator Explanation, Types & Diagram Open Circuit Characteristics Of Dc Shunt Generator in this article, we shall discuss what is a dc shunt generator, its working principle, emf equation, load test, characteristics, and applications. What is a dc shunt generator? To find critical resistance from the characteristics curve. I sh , versus voltmeter reading e (generated voltage). 2 open circuit and external characteristics of separately excited (s.e.) dc generator. This characteristic. Open Circuit Characteristics Of Dc Shunt Generator.
From wiringdbtyler.z13.web.core.windows.net
Circuit Diagram Of Dc Shunt Generator Open Circuit Characteristics Of Dc Shunt Generator This characteristic shows the relation between. in this article, we shall discuss what is a dc shunt generator, its working principle, emf equation, load test, characteristics, and applications. 2 open circuit and external characteristics of separately excited (s.e.) dc generator. characteristics of dc generators. the open circuit characteristic (occ) of a shunt generator is similar in shape. Open Circuit Characteristics Of Dc Shunt Generator.
From www.youtube.com
Open Circuit Characteristics of DC Generator Critical Resistance Open Circuit Characteristics Of Dc Shunt Generator Magnetic or open circuit characteristic of shunt wound dc generator. the open circuit characteristic (occ) of a shunt generator is similar in shape to that of a series generator as. To find critical resistance from the characteristics curve. This characteristic shows the relation between. to plot open circuit characteristics of a dc shunt generator. in this article,. Open Circuit Characteristics Of Dc Shunt Generator.
From hxeozxoqv.blob.core.windows.net
Open Circuit Characteristics Of Dc Shunt Generator Theory at John Open Circuit Characteristics Of Dc Shunt Generator three most important characteristic of shunt wound dc generators are discussed below: the open circuit characteristic (occ) of a shunt generator is similar in shape to that of a series generator as. characteristics of dc generators. to plot open circuit characteristics of a dc shunt generator. in this article, we shall discuss what is a. Open Circuit Characteristics Of Dc Shunt Generator.
From www.youtube.com
DC Generator parameters from Open Circuit Characteristics (OCC) YouTube Open Circuit Characteristics Of Dc Shunt Generator three most important characteristic of shunt wound dc generators are discussed below: the open circuit characteristic (occ) of a shunt generator is similar in shape to that of a series generator as. To find critical resistance from the characteristics curve. 2 open circuit and external characteristics of separately excited (s.e.) dc generator. What is a dc shunt generator?. Open Circuit Characteristics Of Dc Shunt Generator.
From manuallistmainsails.z13.web.core.windows.net
Circuit Diagram Of Dc Shunt Generator Open Circuit Characteristics Of Dc Shunt Generator characteristics of dc generators. in this article, we shall discuss what is a dc shunt generator, its working principle, emf equation, load test, characteristics, and applications. Magnetic or open circuit characteristic of shunt wound dc generator. This characteristic shows the relation between. three most important characteristic of shunt wound dc generators are discussed below: the open. Open Circuit Characteristics Of Dc Shunt Generator.
From www.chegg.com
Solved Figure 1 Connection diagram for noload dc shunt Open Circuit Characteristics Of Dc Shunt Generator 2 open circuit and external characteristics of separately excited (s.e.) dc generator. Magnetic or open circuit characteristic of shunt wound dc generator. in this article, we shall discuss what is a dc shunt generator, its working principle, emf equation, load test, characteristics, and applications. to plot open circuit characteristics of a dc shunt generator. characteristics of dc. Open Circuit Characteristics Of Dc Shunt Generator.
From circuitenginedundee.z13.web.core.windows.net
Open Circuit Characteristics Of Dc Generator Open Circuit Characteristics Of Dc Shunt Generator three most important characteristic of shunt wound dc generators are discussed below: the open circuit characteristic (occ) of a shunt generator is similar in shape to that of a series generator as. Magnetic or open circuit characteristic of shunt wound dc generator. characteristics of dc generators. I sh , versus voltmeter reading e (generated voltage). To find. Open Circuit Characteristics Of Dc Shunt Generator.
From www.studypool.com
SOLUTION Open circuit characteristics of dc shunt generator Studypool Open Circuit Characteristics Of Dc Shunt Generator Magnetic or open circuit characteristic of shunt wound dc generator. three most important characteristic of shunt wound dc generators are discussed below: to plot open circuit characteristics of a dc shunt generator. characteristics of dc generators. in this article, we shall discuss what is a dc shunt generator, its working principle, emf equation, load test, characteristics,. Open Circuit Characteristics Of Dc Shunt Generator.
From guidepartmelissa.z21.web.core.windows.net
Circuit Diagram Of Dc Shunt Generator Open Circuit Characteristics Of Dc Shunt Generator three most important characteristic of shunt wound dc generators are discussed below: to plot open circuit characteristics of a dc shunt generator. To find critical resistance from the characteristics curve. This characteristic shows the relation between. Magnetic or open circuit characteristic of shunt wound dc generator. in this article, we shall discuss what is a dc shunt. Open Circuit Characteristics Of Dc Shunt Generator.
From www.chegg.com
Solved 1.0 DC Motor The equivalent circuit of a shunt DC Open Circuit Characteristics Of Dc Shunt Generator What is a dc shunt generator? This characteristic shows the relation between. Magnetic or open circuit characteristic of shunt wound dc generator. in this article, we shall discuss what is a dc shunt generator, its working principle, emf equation, load test, characteristics, and applications. three most important characteristic of shunt wound dc generators are discussed below: characteristics. Open Circuit Characteristics Of Dc Shunt Generator.
From www.youtube.com
Open circuit and Load characteristics of DC shunt generator Demo YouTube Open Circuit Characteristics Of Dc Shunt Generator What is a dc shunt generator? I sh , versus voltmeter reading e (generated voltage). This characteristic shows the relation between. characteristics of dc generators. the open circuit characteristic (occ) of a shunt generator is similar in shape to that of a series generator as. to plot open circuit characteristics of a dc shunt generator. To find. Open Circuit Characteristics Of Dc Shunt Generator.
From siswapositip.blogspot.com
Open Circuit Characteristics Of Self Excited Dc Shunt Generator Siswa Open Circuit Characteristics Of Dc Shunt Generator Magnetic or open circuit characteristic of shunt wound dc generator. What is a dc shunt generator? in this article, we shall discuss what is a dc shunt generator, its working principle, emf equation, load test, characteristics, and applications. the open circuit characteristic (occ) of a shunt generator is similar in shape to that of a series generator as.. Open Circuit Characteristics Of Dc Shunt Generator.
From circuitenginedundee.z13.web.core.windows.net
Open Circuit Characteristics Of Dc Generator Open Circuit Characteristics Of Dc Shunt Generator Magnetic or open circuit characteristic of shunt wound dc generator. This characteristic shows the relation between. the open circuit characteristic (occ) of a shunt generator is similar in shape to that of a series generator as. in this article, we shall discuss what is a dc shunt generator, its working principle, emf equation, load test, characteristics, and applications.. Open Circuit Characteristics Of Dc Shunt Generator.
From www.scribd.com
Circuit Diagram Open Circuit Characteristics of Self Excited DC Shunt Open Circuit Characteristics Of Dc Shunt Generator This characteristic shows the relation between. 2 open circuit and external characteristics of separately excited (s.e.) dc generator. Magnetic or open circuit characteristic of shunt wound dc generator. in this article, we shall discuss what is a dc shunt generator, its working principle, emf equation, load test, characteristics, and applications. the open circuit characteristic (occ) of a shunt. Open Circuit Characteristics Of Dc Shunt Generator.
From electricalworkbook.com
Characteristics of DC Shunt Generator Explanation, Types & Diagram Open Circuit Characteristics Of Dc Shunt Generator This characteristic shows the relation between. What is a dc shunt generator? To find critical resistance from the characteristics curve. the open circuit characteristic (occ) of a shunt generator is similar in shape to that of a series generator as. to plot open circuit characteristics of a dc shunt generator. Magnetic or open circuit characteristic of shunt wound. Open Circuit Characteristics Of Dc Shunt Generator.
From www.studypool.com
SOLUTION Load characteristics of dc shunt generator Studypool Open Circuit Characteristics Of Dc Shunt Generator I sh , versus voltmeter reading e (generated voltage). Magnetic or open circuit characteristic of shunt wound dc generator. characteristics of dc generators. This characteristic shows the relation between. three most important characteristic of shunt wound dc generators are discussed below: in this article, we shall discuss what is a dc shunt generator, its working principle, emf. Open Circuit Characteristics Of Dc Shunt Generator.
From studylib.net
Characteristics of a DC Shunt Generator Open Circuit Characteristics Of Dc Shunt Generator Magnetic or open circuit characteristic of shunt wound dc generator. characteristics of dc generators. This characteristic shows the relation between. 2 open circuit and external characteristics of separately excited (s.e.) dc generator. the open circuit characteristic (occ) of a shunt generator is similar in shape to that of a series generator as. in this article, we shall. Open Circuit Characteristics Of Dc Shunt Generator.
From www.youtube.com
Theory of Experiment 6 open circuit characteristics of DC shunt Open Circuit Characteristics Of Dc Shunt Generator Magnetic or open circuit characteristic of shunt wound dc generator. characteristics of dc generators. in this article, we shall discuss what is a dc shunt generator, its working principle, emf equation, load test, characteristics, and applications. 2 open circuit and external characteristics of separately excited (s.e.) dc generator. the open circuit characteristic (occ) of a shunt generator. Open Circuit Characteristics Of Dc Shunt Generator.
From www.vrogue.co
Types Of Dc Motor Separately Excited Shunt Series Com vrogue.co Open Circuit Characteristics Of Dc Shunt Generator To find critical resistance from the characteristics curve. the open circuit characteristic (occ) of a shunt generator is similar in shape to that of a series generator as. 2 open circuit and external characteristics of separately excited (s.e.) dc generator. three most important characteristic of shunt wound dc generators are discussed below: What is a dc shunt generator?. Open Circuit Characteristics Of Dc Shunt Generator.
From www.myelectrical2015.com
Characteristics of DC Shunt, DC Series and DC Compound Generator Open Circuit Characteristics Of Dc Shunt Generator To find critical resistance from the characteristics curve. to plot open circuit characteristics of a dc shunt generator. 2 open circuit and external characteristics of separately excited (s.e.) dc generator. three most important characteristic of shunt wound dc generators are discussed below: This characteristic shows the relation between. What is a dc shunt generator? characteristics of dc. Open Circuit Characteristics Of Dc Shunt Generator.
From circuitglobe.com
Characteristic of DC Generators Separately Excited Self Excited And Open Circuit Characteristics Of Dc Shunt Generator the open circuit characteristic (occ) of a shunt generator is similar in shape to that of a series generator as. What is a dc shunt generator? to plot open circuit characteristics of a dc shunt generator. To find critical resistance from the characteristics curve. 2 open circuit and external characteristics of separately excited (s.e.) dc generator. I sh. Open Circuit Characteristics Of Dc Shunt Generator.