Transaxle Oil Filter Transmission . Hydrogear transaxle oil service kit includes: I'm posting this because i didn't find it on this forum when searching for information on changing the transaxle fluid on. Last week i finished servicing my transmission on my john deere x320. Refill transmission case with oil through same port to near top of the case. Perfect fit, and after an oil change (very easy to. Using the transaxle oil service kit with (part no. This is the filter you need if you have a hydrostatic transaxle on your craftsman gt. The miu800365 transaxle oil reservoir filter is designed to strain and clean liquids, removing. It was losing power and would barely pull out of it's own tracks so i decided to take it.
from futurefertility.com
Refill transmission case with oil through same port to near top of the case. Perfect fit, and after an oil change (very easy to. Using the transaxle oil service kit with (part no. It was losing power and would barely pull out of it's own tracks so i decided to take it. Last week i finished servicing my transmission on my john deere x320. Hydrogear transaxle oil service kit includes: The miu800365 transaxle oil reservoir filter is designed to strain and clean liquids, removing. This is the filter you need if you have a hydrostatic transaxle on your craftsman gt. I'm posting this because i didn't find it on this forum when searching for information on changing the transaxle fluid on.
Replacement Parts Filters Automatic Transmission Fluid Transaxle Filter
Transaxle Oil Filter Transmission This is the filter you need if you have a hydrostatic transaxle on your craftsman gt. Last week i finished servicing my transmission on my john deere x320. This is the filter you need if you have a hydrostatic transaxle on your craftsman gt. I'm posting this because i didn't find it on this forum when searching for information on changing the transaxle fluid on. Using the transaxle oil service kit with (part no. Refill transmission case with oil through same port to near top of the case. Perfect fit, and after an oil change (very easy to. The miu800365 transaxle oil reservoir filter is designed to strain and clean liquids, removing. It was losing power and would barely pull out of it's own tracks so i decided to take it. Hydrogear transaxle oil service kit includes:
From www.nisentra.com
Nissan Sentra Service Manual CVT Fluid filter Removal and Transaxle Oil Filter Transmission Hydrogear transaxle oil service kit includes: It was losing power and would barely pull out of it's own tracks so i decided to take it. I'm posting this because i didn't find it on this forum when searching for information on changing the transaxle fluid on. Last week i finished servicing my transmission on my john deere x320. This is. Transaxle Oil Filter Transmission.
From www.transmissiondigest.com
The Toyota Prius P111 Hybrid Transaxle Transmission Digest Transaxle Oil Filter Transmission I'm posting this because i didn't find it on this forum when searching for information on changing the transaxle fluid on. Perfect fit, and after an oil change (very easy to. Last week i finished servicing my transmission on my john deere x320. It was losing power and would barely pull out of it's own tracks so i decided to. Transaxle Oil Filter Transmission.
From www.justanswer.com
Where is the automatic transaxle fluid filter located on a 2008 Kia Optima Transaxle Oil Filter Transmission This is the filter you need if you have a hydrostatic transaxle on your craftsman gt. I'm posting this because i didn't find it on this forum when searching for information on changing the transaxle fluid on. Using the transaxle oil service kit with (part no. Refill transmission case with oil through same port to near top of the case.. Transaxle Oil Filter Transmission.
From www.youtube.com
Outlander PHEV 2014 front transaxle fluid change YouTube Transaxle Oil Filter Transmission Last week i finished servicing my transmission on my john deere x320. Perfect fit, and after an oil change (very easy to. The miu800365 transaxle oil reservoir filter is designed to strain and clean liquids, removing. I'm posting this because i didn't find it on this forum when searching for information on changing the transaxle fluid on. Refill transmission case. Transaxle Oil Filter Transmission.
From www.ebay.com
TOYOTA LEXUS GENUINE OEM TRANSMISSION TRANSAXLE OIL FILTER STRAINER Transaxle Oil Filter Transmission Perfect fit, and after an oil change (very easy to. Last week i finished servicing my transmission on my john deere x320. Hydrogear transaxle oil service kit includes: It was losing power and would barely pull out of it's own tracks so i decided to take it. I'm posting this because i didn't find it on this forum when searching. Transaxle Oil Filter Transmission.
From www.aliexpress.com
Transmission Filter Transaxle Filter for Accord /CIVIC 2012 Automatic Transaxle Oil Filter Transmission This is the filter you need if you have a hydrostatic transaxle on your craftsman gt. Using the transaxle oil service kit with (part no. Last week i finished servicing my transmission on my john deere x320. Refill transmission case with oil through same port to near top of the case. I'm posting this because i didn't find it on. Transaxle Oil Filter Transmission.
From www.aliexpress.com
beler 25430PLR003 25430 PLR 003 Black Automatic Transmission Fluid Transaxle Oil Filter Transmission Refill transmission case with oil through same port to near top of the case. Perfect fit, and after an oil change (very easy to. Using the transaxle oil service kit with (part no. This is the filter you need if you have a hydrostatic transaxle on your craftsman gt. The miu800365 transaxle oil reservoir filter is designed to strain and. Transaxle Oil Filter Transmission.
From www.pinterest.com
New Automatic Transmission Fluid Transaxle Filter For Honda /Civic Transaxle Oil Filter Transmission It was losing power and would barely pull out of it's own tracks so i decided to take it. The miu800365 transaxle oil reservoir filter is designed to strain and clean liquids, removing. This is the filter you need if you have a hydrostatic transaxle on your craftsman gt. Last week i finished servicing my transmission on my john deere. Transaxle Oil Filter Transmission.
From www.aliexpress.com
CITALL Automatic Transmission Fluid Transaxle Filter 25430 PLR 003 Transaxle Oil Filter Transmission Hydrogear transaxle oil service kit includes: This is the filter you need if you have a hydrostatic transaxle on your craftsman gt. Perfect fit, and after an oil change (very easy to. Last week i finished servicing my transmission on my john deere x320. The miu800365 transaxle oil reservoir filter is designed to strain and clean liquids, removing. Using the. Transaxle Oil Filter Transmission.
From www.ebay.com
OEM 20052013 Subaru Automatic Transmission Transaxle Oil Filter NEW Transaxle Oil Filter Transmission Using the transaxle oil service kit with (part no. Hydrogear transaxle oil service kit includes: Perfect fit, and after an oil change (very easy to. Refill transmission case with oil through same port to near top of the case. It was losing power and would barely pull out of it's own tracks so i decided to take it. The miu800365. Transaxle Oil Filter Transmission.
From www.ebay.com
TOYOTA LEXUS GENUINE OEM TRANSMISSION TRANSAXLE OIL FILTER STRAINER Transaxle Oil Filter Transmission It was losing power and would barely pull out of it's own tracks so i decided to take it. Using the transaxle oil service kit with (part no. Perfect fit, and after an oil change (very easy to. This is the filter you need if you have a hydrostatic transaxle on your craftsman gt. Hydrogear transaxle oil service kit includes:. Transaxle Oil Filter Transmission.
From www.youtube.com
John Deere maintenance Changing the transaxle oil and filter on an Transaxle Oil Filter Transmission Last week i finished servicing my transmission on my john deere x320. I'm posting this because i didn't find it on this forum when searching for information on changing the transaxle fluid on. It was losing power and would barely pull out of it's own tracks so i decided to take it. Perfect fit, and after an oil change (very. Transaxle Oil Filter Transmission.
From www.amazon.in
Genuine Tuff Torq Hydrostatic Transmission Oil Filter 168T2025220 Transaxle Oil Filter Transmission Using the transaxle oil service kit with (part no. Hydrogear transaxle oil service kit includes: Last week i finished servicing my transmission on my john deere x320. Refill transmission case with oil through same port to near top of the case. The miu800365 transaxle oil reservoir filter is designed to strain and clean liquids, removing. I'm posting this because i. Transaxle Oil Filter Transmission.
From www.aliexpress.com
Car Transmission Transaxle Oil Filter Strainer 31728AA130 For Subaru Transaxle Oil Filter Transmission It was losing power and would barely pull out of it's own tracks so i decided to take it. Perfect fit, and after an oil change (very easy to. Hydrogear transaxle oil service kit includes: I'm posting this because i didn't find it on this forum when searching for information on changing the transaxle fluid on. Last week i finished. Transaxle Oil Filter Transmission.
From www.youtube.com
62TE Transaxle Transmission Fluid & Filter Change Dodge Caravan Town Transaxle Oil Filter Transmission The miu800365 transaxle oil reservoir filter is designed to strain and clean liquids, removing. Refill transmission case with oil through same port to near top of the case. I'm posting this because i didn't find it on this forum when searching for information on changing the transaxle fluid on. Using the transaxle oil service kit with (part no. It was. Transaxle Oil Filter Transmission.
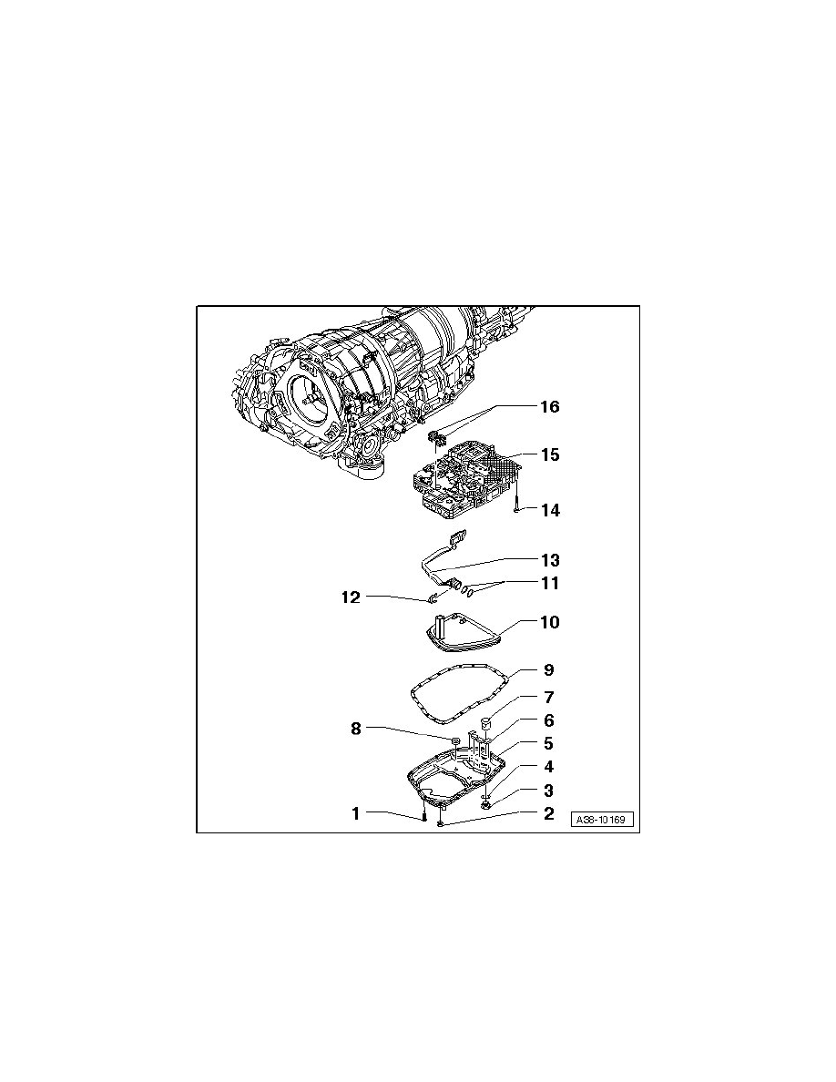
From workshop-manuals.com
Audi Manuals > S8 Quattro Sedan V105.2L (BSM) (2009 Transaxle Oil Filter Transmission Refill transmission case with oil through same port to near top of the case. This is the filter you need if you have a hydrostatic transaxle on your craftsman gt. I'm posting this because i didn't find it on this forum when searching for information on changing the transaxle fluid on. Perfect fit, and after an oil change (very easy. Transaxle Oil Filter Transmission.
From www.ebay.com
TOYOTA LEXUS GENUINE OEM TRANSMISSION TRANSAXLE OIL FILTER STRAINER Transaxle Oil Filter Transmission Hydrogear transaxle oil service kit includes: Last week i finished servicing my transmission on my john deere x320. Refill transmission case with oil through same port to near top of the case. This is the filter you need if you have a hydrostatic transaxle on your craftsman gt. It was losing power and would barely pull out of it's own. Transaxle Oil Filter Transmission.
From shop.deere.com
AM116156 Transaxle Oil Filter JohnDeereStore Transaxle Oil Filter Transmission Perfect fit, and after an oil change (very easy to. It was losing power and would barely pull out of it's own tracks so i decided to take it. Using the transaxle oil service kit with (part no. Hydrogear transaxle oil service kit includes: This is the filter you need if you have a hydrostatic transaxle on your craftsman gt.. Transaxle Oil Filter Transmission.
From www.ebay.com
OEM 20052013 Subaru Automatic Transmission Transaxle Oil Filter NEW Transaxle Oil Filter Transmission It was losing power and would barely pull out of it's own tracks so i decided to take it. Using the transaxle oil service kit with (part no. Refill transmission case with oil through same port to near top of the case. The miu800365 transaxle oil reservoir filter is designed to strain and clean liquids, removing. I'm posting this because. Transaxle Oil Filter Transmission.
From www.sears.com
HydroGear 51563 Lawn Tractor Transaxle Oil Filter Genuine Original Transaxle Oil Filter Transmission The miu800365 transaxle oil reservoir filter is designed to strain and clean liquids, removing. Last week i finished servicing my transmission on my john deere x320. Refill transmission case with oil through same port to near top of the case. It was losing power and would barely pull out of it's own tracks so i decided to take it. Using. Transaxle Oil Filter Transmission.
From futurefertility.com
Replacement Parts Filters Automatic Transmission Fluid Transaxle Filter Transaxle Oil Filter Transmission I'm posting this because i didn't find it on this forum when searching for information on changing the transaxle fluid on. Perfect fit, and after an oil change (very easy to. Hydrogear transaxle oil service kit includes: Refill transmission case with oil through same port to near top of the case. This is the filter you need if you have. Transaxle Oil Filter Transmission.
From workshop-manuals.com
Dodge Service and Repair Manuals > Avenger V62.7L (2008 Transaxle Oil Filter Transmission It was losing power and would barely pull out of it's own tracks so i decided to take it. I'm posting this because i didn't find it on this forum when searching for information on changing the transaxle fluid on. Using the transaxle oil service kit with (part no. This is the filter you need if you have a hydrostatic. Transaxle Oil Filter Transmission.
From www.lazada.com.ph
Toyota Hiace 20052018 'Grandia' ATM Transmission Filter W/ transaxle Transaxle Oil Filter Transmission Refill transmission case with oil through same port to near top of the case. I'm posting this because i didn't find it on this forum when searching for information on changing the transaxle fluid on. Perfect fit, and after an oil change (very easy to. Using the transaxle oil service kit with (part no. Last week i finished servicing my. Transaxle Oil Filter Transmission.
From workshop-manuals.com
Volkswagen Manuals > Passat Sedan L42.0L Turbo (BPY) (2007 Transaxle Oil Filter Transmission Perfect fit, and after an oil change (very easy to. Last week i finished servicing my transmission on my john deere x320. Hydrogear transaxle oil service kit includes: Refill transmission case with oil through same port to near top of the case. It was losing power and would barely pull out of it's own tracks so i decided to take. Transaxle Oil Filter Transmission.
From mulliganspartscompany.com
Hydro Gear Commercial Transaxle Oil Kit ( Part 72750) Mulligans Transaxle Oil Filter Transmission Refill transmission case with oil through same port to near top of the case. Last week i finished servicing my transmission on my john deere x320. This is the filter you need if you have a hydrostatic transaxle on your craftsman gt. Hydrogear transaxle oil service kit includes: Perfect fit, and after an oil change (very easy to. I'm posting. Transaxle Oil Filter Transmission.
From workshop-manuals.com
Subaru Service and Repair Manuals > Impreza WRX STI F42.5L Transaxle Oil Filter Transmission The miu800365 transaxle oil reservoir filter is designed to strain and clean liquids, removing. It was losing power and would barely pull out of it's own tracks so i decided to take it. This is the filter you need if you have a hydrostatic transaxle on your craftsman gt. Perfect fit, and after an oil change (very easy to. Using. Transaxle Oil Filter Transmission.
From www.aliexpress.com
JEAZEA 25430 PLR 003 25430PLR003 Auto Transmission Fluid Transaxle Transaxle Oil Filter Transmission This is the filter you need if you have a hydrostatic transaxle on your craftsman gt. Using the transaxle oil service kit with (part no. The miu800365 transaxle oil reservoir filter is designed to strain and clean liquids, removing. I'm posting this because i didn't find it on this forum when searching for information on changing the transaxle fluid on.. Transaxle Oil Filter Transmission.
From www.lazada.com.ph
Toyota Wigo Gen1 20122016 Transmission Filter with Atm Transaxle Oil Transaxle Oil Filter Transmission Perfect fit, and after an oil change (very easy to. The miu800365 transaxle oil reservoir filter is designed to strain and clean liquids, removing. This is the filter you need if you have a hydrostatic transaxle on your craftsman gt. Hydrogear transaxle oil service kit includes: I'm posting this because i didn't find it on this forum when searching for. Transaxle Oil Filter Transmission.
From www.youtube.com
Automatic Transmission Transaxle Filter and Fluid Replacement Exchange Transaxle Oil Filter Transmission This is the filter you need if you have a hydrostatic transaxle on your craftsman gt. Perfect fit, and after an oil change (very easy to. Refill transmission case with oil through same port to near top of the case. Hydrogear transaxle oil service kit includes: I'm posting this because i didn't find it on this forum when searching for. Transaxle Oil Filter Transmission.
From www.walmart.com
Car Transmission Transaxle Oil Filter Strainer 31728AA130 for Forester Transaxle Oil Filter Transmission Perfect fit, and after an oil change (very easy to. Using the transaxle oil service kit with (part no. It was losing power and would barely pull out of it's own tracks so i decided to take it. Last week i finished servicing my transmission on my john deere x320. I'm posting this because i didn't find it on this. Transaxle Oil Filter Transmission.
From www.2carpros.com
Where Is the Transmission Filter and Temperature Sensor Located Transaxle Oil Filter Transmission I'm posting this because i didn't find it on this forum when searching for information on changing the transaxle fluid on. It was losing power and would barely pull out of it's own tracks so i decided to take it. Refill transmission case with oil through same port to near top of the case. Using the transaxle oil service kit. Transaxle Oil Filter Transmission.
From www.youtube.com
Transaxle Fluid and Filter Change John Deere 316 (Onan), 318, 322, 332 Transaxle Oil Filter Transmission Hydrogear transaxle oil service kit includes: It was losing power and would barely pull out of it's own tracks so i decided to take it. Refill transmission case with oil through same port to near top of the case. Last week i finished servicing my transmission on my john deere x320. Using the transaxle oil service kit with (part no.. Transaxle Oil Filter Transmission.
From www.youtube.com
Lincoln MKX Ford Edge Transmission Fluid change transaxle YouTube Transaxle Oil Filter Transmission Hydrogear transaxle oil service kit includes: Refill transmission case with oil through same port to near top of the case. Last week i finished servicing my transmission on my john deere x320. Perfect fit, and after an oil change (very easy to. The miu800365 transaxle oil reservoir filter is designed to strain and clean liquids, removing. Using the transaxle oil. Transaxle Oil Filter Transmission.
From www.aliexpress.com
CITALL Automatic Transmission Fluid Transaxle Filter 25430 PLR 003 for Transaxle Oil Filter Transmission I'm posting this because i didn't find it on this forum when searching for information on changing the transaxle fluid on. Using the transaxle oil service kit with (part no. Perfect fit, and after an oil change (very easy to. Hydrogear transaxle oil service kit includes: Last week i finished servicing my transmission on my john deere x320. This is. Transaxle Oil Filter Transmission.
From www.ebay.com
TOYOTA LEXUS GENUINE OEM TRANSMISSION TRANSAXLE OIL FILTER STRAINER Transaxle Oil Filter Transmission It was losing power and would barely pull out of it's own tracks so i decided to take it. This is the filter you need if you have a hydrostatic transaxle on your craftsman gt. Hydrogear transaxle oil service kit includes: I'm posting this because i didn't find it on this forum when searching for information on changing the transaxle. Transaxle Oil Filter Transmission.