Spigot X Socket Definition . A spigot end is the. A spig fitting is the same as a piece of unthreaded pvc pipe of the same size ( i.e. You cannot connect a spig fitting to a pvc pipe. The typical female connection of pvc fittings is referred to. Pvc fittings may either have spigot or socket end connections. Spigots are narrower and unthreaded, while sockets are wider and typically unthreaded. The spigot end of a fitting has the same outside diameter as the pipe. Amongst the most commonly mixed up cast iron components, however, are spigot and socket ends. In this blog, we’ll be looking at what exactly these both are, as well as how. The spigot end of a fitting has the same outside diameter as the pipe. The common female connection of. The spigot connection of a fitting is the male end that is inserted into another fitting.
from www.educationalstuffs.in
The spigot end of a fitting has the same outside diameter as the pipe. In this blog, we’ll be looking at what exactly these both are, as well as how. The spigot end of a fitting has the same outside diameter as the pipe. A spigot end is the. A spig fitting is the same as a piece of unthreaded pvc pipe of the same size ( i.e. Spigots are narrower and unthreaded, while sockets are wider and typically unthreaded. Pvc fittings may either have spigot or socket end connections. The spigot connection of a fitting is the male end that is inserted into another fitting. You cannot connect a spig fitting to a pvc pipe. Amongst the most commonly mixed up cast iron components, however, are spigot and socket ends.
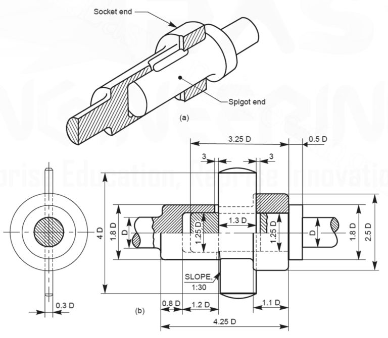
ENGINEERING DRAWING Spigot and Socket Joint EDUCATIONAL STUFFS
Spigot X Socket Definition A spigot end is the. A spig fitting is the same as a piece of unthreaded pvc pipe of the same size ( i.e. The spigot end of a fitting has the same outside diameter as the pipe. A spigot end is the. The spigot end of a fitting has the same outside diameter as the pipe. Amongst the most commonly mixed up cast iron components, however, are spigot and socket ends. In this blog, we’ll be looking at what exactly these both are, as well as how. You cannot connect a spig fitting to a pvc pipe. Pvc fittings may either have spigot or socket end connections. Spigots are narrower and unthreaded, while sockets are wider and typically unthreaded. The spigot connection of a fitting is the male end that is inserted into another fitting. The common female connection of. The typical female connection of pvc fittings is referred to.
From mechanicaljungle.com
What Is Pipe Joint? Types of Pipe Joints Spigot X Socket Definition The spigot end of a fitting has the same outside diameter as the pipe. A spigot end is the. Amongst the most commonly mixed up cast iron components, however, are spigot and socket ends. A spig fitting is the same as a piece of unthreaded pvc pipe of the same size ( i.e. Pvc fittings may either have spigot or. Spigot X Socket Definition.
From www.youtube.com
Socket and Spigot cotter joint, Assembly of Socket and Spigot joint Spigot X Socket Definition In this blog, we’ll be looking at what exactly these both are, as well as how. The spigot end of a fitting has the same outside diameter as the pipe. Pvc fittings may either have spigot or socket end connections. The spigot end of a fitting has the same outside diameter as the pipe. Amongst the most commonly mixed up. Spigot X Socket Definition.
From www.fredmeyer.com
1.5 in. Spigot x Socket 45 Deg Elbow Schedule 40 Spears, 1 Fred Meyer Spigot X Socket Definition Amongst the most commonly mixed up cast iron components, however, are spigot and socket ends. In this blog, we’ll be looking at what exactly these both are, as well as how. The spigot connection of a fitting is the male end that is inserted into another fitting. The common female connection of. Pvc fittings may either have spigot or socket. Spigot X Socket Definition.
From www.poolweb.com
2 1/2 x 2 Inch, Reducing Bushing, Spigot x Socket Schedule 80 837292 Spigot X Socket Definition The common female connection of. The spigot end of a fitting has the same outside diameter as the pipe. Spigots are narrower and unthreaded, while sockets are wider and typically unthreaded. You cannot connect a spig fitting to a pvc pipe. The spigot connection of a fitting is the male end that is inserted into another fitting. Amongst the most. Spigot X Socket Definition.
From www.youtube.com
SOCKET AND SPIGOT JOINT ASSEMBLY Onshape 3D modeling Socket Spigot X Socket Definition The common female connection of. The spigot connection of a fitting is the male end that is inserted into another fitting. Spigots are narrower and unthreaded, while sockets are wider and typically unthreaded. Pvc fittings may either have spigot or socket end connections. The spigot end of a fitting has the same outside diameter as the pipe. In this blog,. Spigot X Socket Definition.
From nassaunationalcable.com
0_db20e392e41943be8ebbf6028ceff317_1200x1200.png?v=1672234172 Spigot X Socket Definition You cannot connect a spig fitting to a pvc pipe. Amongst the most commonly mixed up cast iron components, however, are spigot and socket ends. The common female connection of. The spigot end of a fitting has the same outside diameter as the pipe. In this blog, we’ll be looking at what exactly these both are, as well as how.. Spigot X Socket Definition.
From www.pipestock.com
PROGEF BF Spigot x Socket Adaptor Plain Male x NPT Thread Female PP Spigot X Socket Definition A spig fitting is the same as a piece of unthreaded pvc pipe of the same size ( i.e. The common female connection of. In this blog, we’ll be looking at what exactly these both are, as well as how. Amongst the most commonly mixed up cast iron components, however, are spigot and socket ends. Spigots are narrower and unthreaded,. Spigot X Socket Definition.
From www.educationalstuffs.in
ENGINEERING DRAWING Spigot and Socket Joint EDUCATIONAL STUFFS Spigot X Socket Definition The spigot connection of a fitting is the male end that is inserted into another fitting. Spigots are narrower and unthreaded, while sockets are wider and typically unthreaded. In this blog, we’ll be looking at what exactly these both are, as well as how. The typical female connection of pvc fittings is referred to. Amongst the most commonly mixed up. Spigot X Socket Definition.
From www.supplyhouse.com
809020 809020 2" PVC Schedule 80 90° Street Elbow (Spigot x Socket) Spigot X Socket Definition The spigot connection of a fitting is the male end that is inserted into another fitting. In this blog, we’ll be looking at what exactly these both are, as well as how. A spigot end is the. You cannot connect a spig fitting to a pvc pipe. A spig fitting is the same as a piece of unthreaded pvc pipe. Spigot X Socket Definition.
From www.youtube.com
Spigot vs Socket PVC Fittings YouTube Spigot X Socket Definition A spig fitting is the same as a piece of unthreaded pvc pipe of the same size ( i.e. In this blog, we’ll be looking at what exactly these both are, as well as how. You cannot connect a spig fitting to a pvc pipe. The spigot end of a fitting has the same outside diameter as the pipe. The. Spigot X Socket Definition.
From www.youtube.com
spigot and socket assembly drawing Engineering and poetry YouTube Spigot X Socket Definition A spig fitting is the same as a piece of unthreaded pvc pipe of the same size ( i.e. Spigots are narrower and unthreaded, while sockets are wider and typically unthreaded. The common female connection of. The spigot connection of a fitting is the male end that is inserted into another fitting. A spigot end is the. You cannot connect. Spigot X Socket Definition.
From www.supplyhouse.com
809040 809040 4" PVC Schedule 80 90° Street Elbow (Spigot x Socket) Spigot X Socket Definition The common female connection of. A spig fitting is the same as a piece of unthreaded pvc pipe of the same size ( i.e. In this blog, we’ll be looking at what exactly these both are, as well as how. The spigot connection of a fitting is the male end that is inserted into another fitting. Spigots are narrower and. Spigot X Socket Definition.
From bim.ipexna.com
Tee Manifold (Socket x Spigot x Socket) On IPEX Spigot X Socket Definition Pvc fittings may either have spigot or socket end connections. You cannot connect a spig fitting to a pvc pipe. The spigot end of a fitting has the same outside diameter as the pipe. The typical female connection of pvc fittings is referred to. A spigot end is the. A spig fitting is the same as a piece of unthreaded. Spigot X Socket Definition.
From bim.ipexna.com
Elbow Street 90º (Spigot x Socket) On IPEX Spigot X Socket Definition The spigot end of a fitting has the same outside diameter as the pipe. A spig fitting is the same as a piece of unthreaded pvc pipe of the same size ( i.e. Spigots are narrower and unthreaded, while sockets are wider and typically unthreaded. The common female connection of. Amongst the most commonly mixed up cast iron components, however,. Spigot X Socket Definition.
From bim.ipexna.com
Bushing Reducing (Spigot x Socket) On IPEX Spigot X Socket Definition The spigot end of a fitting has the same outside diameter as the pipe. Pvc fittings may either have spigot or socket end connections. The spigot connection of a fitting is the male end that is inserted into another fitting. The typical female connection of pvc fittings is referred to. A spigot end is the. Amongst the most commonly mixed. Spigot X Socket Definition.
From www.irrigationoutlet.com
Reducing Bushing, Spigot x Socket 1/2" x 1/4" Irrigation Outlet USA Spigot X Socket Definition The typical female connection of pvc fittings is referred to. Amongst the most commonly mixed up cast iron components, however, are spigot and socket ends. The spigot end of a fitting has the same outside diameter as the pipe. The spigot connection of a fitting is the male end that is inserted into another fitting. A spig fitting is the. Spigot X Socket Definition.
From nassaunationalcable.com
0_9a21a69e12a8451ca37502d0b63be807_1200x1200.png?v=1672055422 Spigot X Socket Definition Amongst the most commonly mixed up cast iron components, however, are spigot and socket ends. A spigot end is the. Spigots are narrower and unthreaded, while sockets are wider and typically unthreaded. The common female connection of. Pvc fittings may either have spigot or socket end connections. You cannot connect a spig fitting to a pvc pipe. The spigot end. Spigot X Socket Definition.
From indfittings.co.uk
PVC Reducer Spigot/Socket x Socket Ind Fittings Spigot X Socket Definition The common female connection of. The spigot end of a fitting has the same outside diameter as the pipe. A spig fitting is the same as a piece of unthreaded pvc pipe of the same size ( i.e. A spigot end is the. The spigot end of a fitting has the same outside diameter as the pipe. The spigot connection. Spigot X Socket Definition.
From www.youtube.com
Spigot and Socket Joint Part 2 Video Assembly and Drawing YouTube Spigot X Socket Definition The typical female connection of pvc fittings is referred to. You cannot connect a spig fitting to a pvc pipe. Pvc fittings may either have spigot or socket end connections. Amongst the most commonly mixed up cast iron components, however, are spigot and socket ends. Spigots are narrower and unthreaded, while sockets are wider and typically unthreaded. A spig fitting. Spigot X Socket Definition.
From extrudesign.com
What are the Different Types of Cotter Joint? ExtruDesign Spigot X Socket Definition In this blog, we’ll be looking at what exactly these both are, as well as how. A spigot end is the. The typical female connection of pvc fittings is referred to. Amongst the most commonly mixed up cast iron components, however, are spigot and socket ends. The common female connection of. A spig fitting is the same as a piece. Spigot X Socket Definition.
From www.indiamart.com
Cylindrical RCC Spigot And Socket Pipe, Size 150mm To 2200mm, Rs 225 Spigot X Socket Definition The spigot end of a fitting has the same outside diameter as the pipe. A spig fitting is the same as a piece of unthreaded pvc pipe of the same size ( i.e. The spigot connection of a fitting is the male end that is inserted into another fitting. You cannot connect a spig fitting to a pvc pipe. Pvc. Spigot X Socket Definition.
From www.supplyhouse.com
4127010 4127010 1" CPVC CTS 45° Street Elbow (Spigot x Socket) Spigot X Socket Definition The spigot end of a fitting has the same outside diameter as the pipe. The typical female connection of pvc fittings is referred to. In this blog, we’ll be looking at what exactly these both are, as well as how. Spigots are narrower and unthreaded, while sockets are wider and typically unthreaded. You cannot connect a spig fitting to a. Spigot X Socket Definition.
From www.siteone.com
Spears Short Repair Coupling PVC Spigot x Socket 1/2 in SiteOne Spigot X Socket Definition You cannot connect a spig fitting to a pvc pipe. Pvc fittings may either have spigot or socket end connections. The spigot end of a fitting has the same outside diameter as the pipe. A spig fitting is the same as a piece of unthreaded pvc pipe of the same size ( i.e. A spigot end is the. Spigots are. Spigot X Socket Definition.
From www.bilcoengineering.com
Spigot & Socket Pipes Spigot X Socket Definition Pvc fittings may either have spigot or socket end connections. The spigot end of a fitting has the same outside diameter as the pipe. You cannot connect a spig fitting to a pvc pipe. The spigot end of a fitting has the same outside diameter as the pipe. A spigot end is the. Amongst the most commonly mixed up cast. Spigot X Socket Definition.
From www.youtube.com
The Difference Between Spigots and Sockets YouTube Spigot X Socket Definition In this blog, we’ll be looking at what exactly these both are, as well as how. The spigot connection of a fitting is the male end that is inserted into another fitting. Pvc fittings may either have spigot or socket end connections. A spigot end is the. Amongst the most commonly mixed up cast iron components, however, are spigot and. Spigot X Socket Definition.
From www.irrigationoutlet.com
Reducing Bushing, Spigot x Socket 5" x 3" Irrigation Outlet USA Spigot X Socket Definition A spig fitting is the same as a piece of unthreaded pvc pipe of the same size ( i.e. Amongst the most commonly mixed up cast iron components, however, are spigot and socket ends. You cannot connect a spig fitting to a pvc pipe. Pvc fittings may either have spigot or socket end connections. Spigots are narrower and unthreaded, while. Spigot X Socket Definition.
From bim.ipexna.com
Bushing Reducing (Spigot x Socket) On IPEX Spigot X Socket Definition You cannot connect a spig fitting to a pvc pipe. Spigots are narrower and unthreaded, while sockets are wider and typically unthreaded. The typical female connection of pvc fittings is referred to. The spigot end of a fitting has the same outside diameter as the pipe. A spig fitting is the same as a piece of unthreaded pvc pipe of. Spigot X Socket Definition.
From engineering.com.my
Spigot & Socket LTP Engineering Sdn. Bhd. Spigot X Socket Definition A spig fitting is the same as a piece of unthreaded pvc pipe of the same size ( i.e. In this blog, we’ll be looking at what exactly these both are, as well as how. The common female connection of. The spigot end of a fitting has the same outside diameter as the pipe. The spigot end of a fitting. Spigot X Socket Definition.
From www.holmanindustries.co.nz
DWV Spigot Fitting PVC Bend Holman Industries Spigot X Socket Definition A spigot end is the. The spigot end of a fitting has the same outside diameter as the pipe. You cannot connect a spig fitting to a pvc pipe. Pvc fittings may either have spigot or socket end connections. Amongst the most commonly mixed up cast iron components, however, are spigot and socket ends. A spig fitting is the same. Spigot X Socket Definition.
From www.eztestpools.com
Lasco 2" Spigot x Socket PVC 90 Degree Street Elbow 409020BC (LAS56 Spigot X Socket Definition The typical female connection of pvc fittings is referred to. You cannot connect a spig fitting to a pvc pipe. Spigots are narrower and unthreaded, while sockets are wider and typically unthreaded. The spigot end of a fitting has the same outside diameter as the pipe. The spigot connection of a fitting is the male end that is inserted into. Spigot X Socket Definition.
From nassaunationalcable.com
0_2be1eb26e1dc48c18a890972cf76c657_1200x1200.png?v=1671732569 Spigot X Socket Definition The common female connection of. Spigots are narrower and unthreaded, while sockets are wider and typically unthreaded. A spig fitting is the same as a piece of unthreaded pvc pipe of the same size ( i.e. You cannot connect a spig fitting to a pvc pipe. In this blog, we’ll be looking at what exactly these both are, as well. Spigot X Socket Definition.
From www.irrigationoutlet.com
Reducing Bushing, Spigot x Socket 2" x 1/2" Irrigation Outlet USA Spigot X Socket Definition A spig fitting is the same as a piece of unthreaded pvc pipe of the same size ( i.e. Amongst the most commonly mixed up cast iron components, however, are spigot and socket ends. Pvc fittings may either have spigot or socket end connections. The spigot end of a fitting has the same outside diameter as the pipe. You cannot. Spigot X Socket Definition.
From nassaunationalcable.com
0_8238658980b34bcdacc8279629912c50_1200x1200.png?v=1672850841 Spigot X Socket Definition Amongst the most commonly mixed up cast iron components, however, are spigot and socket ends. You cannot connect a spig fitting to a pvc pipe. The typical female connection of pvc fittings is referred to. Spigots are narrower and unthreaded, while sockets are wider and typically unthreaded. A spig fitting is the same as a piece of unthreaded pvc pipe. Spigot X Socket Definition.
From bim.ipexna.com
Bushing Reducing (Spigot x Socket) On IPEX Spigot X Socket Definition You cannot connect a spig fitting to a pvc pipe. Spigots are narrower and unthreaded, while sockets are wider and typically unthreaded. A spigot end is the. The common female connection of. Amongst the most commonly mixed up cast iron components, however, are spigot and socket ends. The spigot end of a fitting has the same outside diameter as the. Spigot X Socket Definition.
From bim.ipexna.com
Bushing Reducing (Spigot x Socket) On IPEX Spigot X Socket Definition Amongst the most commonly mixed up cast iron components, however, are spigot and socket ends. Spigots are narrower and unthreaded, while sockets are wider and typically unthreaded. The common female connection of. The spigot end of a fitting has the same outside diameter as the pipe. The typical female connection of pvc fittings is referred to. In this blog, we’ll. Spigot X Socket Definition.