What Is The Use Of Latch In Microcontroller . For the 8086, it's used in the output. To implement latches, we use different logic gates. It is a bistable multivibrator. Latch is a digital circuit which converts its output according to its inputs instantly. They have the ability to change state in response to a certain. Hence a latch can be a memory device. That's the case with your 8255, which derives timing and operation from the. There are a few situations where they can be different. Latching power switch circuit (auto power off circuit) for esp32, esp8266, arduino. Some pics do not have a lat register, in those. The port is the voltage at the actual pin. A buffer allows a signal to drive more inputs than it would by itself, or provides input protection / amplification. The one that i've encountered most frequently is if. In this article we’ll show you how to build a latching power switch circuit, also know as an auto power off circuit. In this article, we will.
from www.youtube.com
They have the ability to change state in response to a certain. The one that i've encountered most frequently is if. Latch has a feedback path to retain the information. Hence a latch can be a memory device. There are a few situations where they can be different. The latch is the output latch onto which values are written. Use port to read from a pin, and lat to write to a pin (and tris to change the direction). Some pics do not have a lat register, in those. In this article, we will. The port is the voltage at the actual pin.
Data LATCH in PIC18F Microcontroller Difference between PORTx and
What Is The Use Of Latch In Microcontroller Use port to read from a pin, and lat to write to a pin (and tris to change the direction). In this article we’ll show you how to build a latching power switch circuit, also know as an auto power off circuit. In this article, we will. Some pics do not have a lat register, in those. Latch has a feedback path to retain the information. Latch is a digital circuit which converts its output according to its inputs instantly. That's the case with your 8255, which derives timing and operation from the. For the 8086, it's used in the output. Hence a latch can be a memory device. There are a few situations where they can be different. Use port to read from a pin, and lat to write to a pin (and tris to change the direction). To implement latches, we use different logic gates. It is a bistable multivibrator. The port is the voltage at the actual pin. Latching power switch circuit (auto power off circuit) for esp32, esp8266, arduino. The latch is the output latch onto which values are written.
From electronics.stackexchange.com
microcontroller "Autonomous" power latch circuit triggered by What Is The Use Of Latch In Microcontroller Latching power switch circuit (auto power off circuit) for esp32, esp8266, arduino. They have the ability to change state in response to a certain. That's the case with your 8255, which derives timing and operation from the. The one that i've encountered most frequently is if. Latch is a digital circuit which converts its output according to its inputs instantly.. What Is The Use Of Latch In Microcontroller.
From www.tescaglobal.com
What Is A Microcontrollers Its Types, Applications, And How Does It What Is The Use Of Latch In Microcontroller Hence a latch can be a memory device. Latching power switch circuit (auto power off circuit) for esp32, esp8266, arduino. That's the case with your 8255, which derives timing and operation from the. The one that i've encountered most frequently is if. To implement latches, we use different logic gates. Some pics do not have a lat register, in those.. What Is The Use Of Latch In Microcontroller.
From www.slideserve.com
PPT The 8051 Microcontroller PowerPoint Presentation, free download What Is The Use Of Latch In Microcontroller To implement latches, we use different logic gates. Latching power switch circuit (auto power off circuit) for esp32, esp8266, arduino. The latch is the output latch onto which values are written. Some pics do not have a lat register, in those. A buffer allows a signal to drive more inputs than it would by itself, or provides input protection /. What Is The Use Of Latch In Microcontroller.
From victorvision.com.br
Microcontrolador o que é, para que serve e principais usos What Is The Use Of Latch In Microcontroller The one that i've encountered most frequently is if. Latch is a digital circuit which converts its output according to its inputs instantly. It is a bistable multivibrator. In this article we’ll show you how to build a latching power switch circuit, also know as an auto power off circuit. The latch is the output latch onto which values are. What Is The Use Of Latch In Microcontroller.
From www.electricity-magnetism.org
What is a microcontroller? What Is The Use Of Latch In Microcontroller Latch is an electronic logic circuit with two stable states i.e. Latching power switch circuit (auto power off circuit) for esp32, esp8266, arduino. Latch is a digital circuit which converts its output according to its inputs instantly. That's the case with your 8255, which derives timing and operation from the. Some pics do not have a lat register, in those.. What Is The Use Of Latch In Microcontroller.
From productosdeconcretocr.com
Microcontroller Architecture Features And Advantages With, 46 OFF What Is The Use Of Latch In Microcontroller In this article, we will. They have the ability to change state in response to a certain. The port is the voltage at the actual pin. Latching power switch circuit (auto power off circuit) for esp32, esp8266, arduino. Some pics do not have a lat register, in those. For the 8086, it's used in the output. It is a bistable. What Is The Use Of Latch In Microcontroller.
From www.circuitbasics.com
Introduction to Microcontrollers Circuit Basics What Is The Use Of Latch In Microcontroller They have the ability to change state in response to a certain. A buffer allows a signal to drive more inputs than it would by itself, or provides input protection / amplification. Latching power switch circuit (auto power off circuit) for esp32, esp8266, arduino. Latch is a digital circuit which converts its output according to its inputs instantly. To implement. What Is The Use Of Latch In Microcontroller.
From randomnerdtutorials.com
Extreme Power Saving (0µA) with Any Microcontroller Latching Power What Is The Use Of Latch In Microcontroller That's the case with your 8255, which derives timing and operation from the. There are a few situations where they can be different. They have the ability to change state in response to a certain. The one that i've encountered most frequently is if. The port is the voltage at the actual pin. The latch is the output latch onto. What Is The Use Of Latch In Microcontroller.
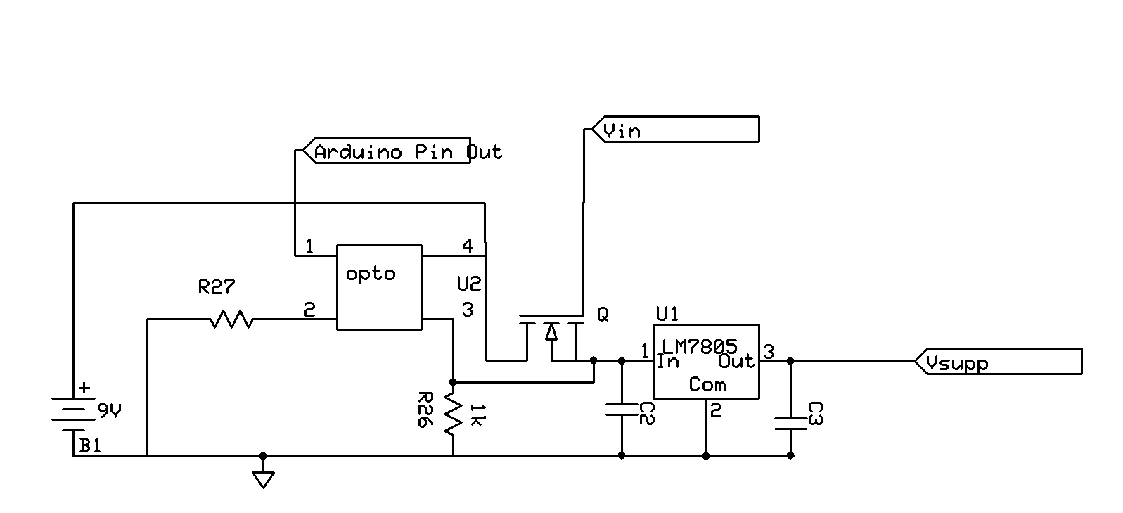
From electronics.stackexchange.com
arduino Photocoupler to Latch Microcontroller Power Supply What Is The Use Of Latch In Microcontroller That's the case with your 8255, which derives timing and operation from the. The one that i've encountered most frequently is if. Latch is an electronic logic circuit with two stable states i.e. The port is the voltage at the actual pin. Use port to read from a pin, and lat to write to a pin (and tris to change. What Is The Use Of Latch In Microcontroller.
From www.slideserve.com
PPT Microcontroller 8051 PowerPoint Presentation, free download ID What Is The Use Of Latch In Microcontroller The one that i've encountered most frequently is if. It is a bistable multivibrator. Latch is an electronic logic circuit with two stable states i.e. In this article, we will. In this article we’ll show you how to build a latching power switch circuit, also know as an auto power off circuit. A buffer allows a signal to drive more. What Is The Use Of Latch In Microcontroller.
From www.circuitstoday.com
Basics of Microcontrollers Structure, Appications, Pros & Cons What Is The Use Of Latch In Microcontroller The one that i've encountered most frequently is if. Latch is a digital circuit which converts its output according to its inputs instantly. The latch is the output latch onto which values are written. For the 8086, it's used in the output. The port is the voltage at the actual pin. In this article we’ll show you how to build. What Is The Use Of Latch In Microcontroller.
From electronics.stackexchange.com
microcontroller I2C addressable latch? Electrical Engineering Stack What Is The Use Of Latch In Microcontroller The latch is the output latch onto which values are written. The one that i've encountered most frequently is if. For the 8086, it's used in the output. Use port to read from a pin, and lat to write to a pin (and tris to change the direction). Some pics do not have a lat register, in those. There are. What Is The Use Of Latch In Microcontroller.
From minatechnologysupport.blogspot.com
How to latching LEDs use PIC Microcontroller and Mikro C MINA TECHNOLOGY What Is The Use Of Latch In Microcontroller Hence a latch can be a memory device. Latch is a digital circuit which converts its output according to its inputs instantly. For the 8086, it's used in the output. The latch is the output latch onto which values are written. Some pics do not have a lat register, in those. Latch has a feedback path to retain the information.. What Is The Use Of Latch In Microcontroller.
From electronics.stackexchange.com
microcontroller Soft Latch ONOFF with support of DC High Voltage What Is The Use Of Latch In Microcontroller Use port to read from a pin, and lat to write to a pin (and tris to change the direction). The one that i've encountered most frequently is if. Latch has a feedback path to retain the information. Some pics do not have a lat register, in those. Latch is a digital circuit which converts its output according to its. What Is The Use Of Latch In Microcontroller.
From www.slideserve.com
PPT EE345 Introduction to Microcontrollers Synchronous Sequentional What Is The Use Of Latch In Microcontroller For the 8086, it's used in the output. In this article, we will. They have the ability to change state in response to a certain. A buffer allows a signal to drive more inputs than it would by itself, or provides input protection / amplification. Latching power switch circuit (auto power off circuit) for esp32, esp8266, arduino. The port is. What Is The Use Of Latch In Microcontroller.
From www.slideserve.com
PPT The 8051 Microcontroller and Embedded Systems PowerPoint What Is The Use Of Latch In Microcontroller The one that i've encountered most frequently is if. For the 8086, it's used in the output. There are a few situations where they can be different. It is a bistable multivibrator. Latch has a feedback path to retain the information. Latch is an electronic logic circuit with two stable states i.e. To implement latches, we use different logic gates.. What Is The Use Of Latch In Microcontroller.
From www.slideserve.com
PPT EE345 Introduction to Microcontrollers Synchronous Sequentional What Is The Use Of Latch In Microcontroller Use port to read from a pin, and lat to write to a pin (and tris to change the direction). It is a bistable multivibrator. There are a few situations where they can be different. The latch is the output latch onto which values are written. Some pics do not have a lat register, in those. The one that i've. What Is The Use Of Latch In Microcontroller.
From www.youtube.com
Microcontroller tutorial bangla One input and dual condition with What Is The Use Of Latch In Microcontroller They have the ability to change state in response to a certain. For the 8086, it's used in the output. Latch is an electronic logic circuit with two stable states i.e. Latch has a feedback path to retain the information. Use port to read from a pin, and lat to write to a pin (and tris to change the direction).. What Is The Use Of Latch In Microcontroller.
From minatechnologysupport.blogspot.com
How to latching LEDs use PIC Microcontroller and Mikro C MINA TECHNOLOGY What Is The Use Of Latch In Microcontroller The port is the voltage at the actual pin. The latch is the output latch onto which values are written. A buffer allows a signal to drive more inputs than it would by itself, or provides input protection / amplification. For the 8086, it's used in the output. They have the ability to change state in response to a certain.. What Is The Use Of Latch In Microcontroller.
From www.engineersgarage.com
Interfacing Latches(74ls574,74ls373) Flip flops with 8051 (89c51, 89c52 What Is The Use Of Latch In Microcontroller In this article, we will. The latch is the output latch onto which values are written. For the 8086, it's used in the output. The one that i've encountered most frequently is if. Latching power switch circuit (auto power off circuit) for esp32, esp8266, arduino. Hence a latch can be a memory device. A buffer allows a signal to drive. What Is The Use Of Latch In Microcontroller.
From electrosome.com
Getting Started with PIC 18F Microcontroller MikroC What Is The Use Of Latch In Microcontroller A buffer allows a signal to drive more inputs than it would by itself, or provides input protection / amplification. Latch has a feedback path to retain the information. Latch is a digital circuit which converts its output according to its inputs instantly. To implement latches, we use different logic gates. There are a few situations where they can be. What Is The Use Of Latch In Microcontroller.
From www.build-electronic-circuits.com
Microcontroller Tutorial (1/5) What is a Microcontroller? What Is The Use Of Latch In Microcontroller A buffer allows a signal to drive more inputs than it would by itself, or provides input protection / amplification. It is a bistable multivibrator. The latch is the output latch onto which values are written. Some pics do not have a lat register, in those. Latch has a feedback path to retain the information. In this article, we will.. What Is The Use Of Latch In Microcontroller.
From www.slideserve.com
PPT EE345 Introduction to Microcontrollers Synchronous Sequentional What Is The Use Of Latch In Microcontroller To implement latches, we use different logic gates. Use port to read from a pin, and lat to write to a pin (and tris to change the direction). In this article we’ll show you how to build a latching power switch circuit, also know as an auto power off circuit. There are a few situations where they can be different.. What Is The Use Of Latch In Microcontroller.
From electronics.stackexchange.com
microcontroller How to make this relay system act like a latch What Is The Use Of Latch In Microcontroller For the 8086, it's used in the output. The latch is the output latch onto which values are written. Latch is an electronic logic circuit with two stable states i.e. To implement latches, we use different logic gates. Latch is a digital circuit which converts its output according to its inputs instantly. In this article we’ll show you how to. What Is The Use Of Latch In Microcontroller.
From www.theengineeringprojects.com
What is a Microcontroller? Programming, Definition, Types & Examples What Is The Use Of Latch In Microcontroller In this article we’ll show you how to build a latching power switch circuit, also know as an auto power off circuit. Hence a latch can be a memory device. The latch is the output latch onto which values are written. In this article, we will. Use port to read from a pin, and lat to write to a pin. What Is The Use Of Latch In Microcontroller.
From www.slideserve.com
PPT EE345 Introduction to Microcontrollers Synchronous Sequentional What Is The Use Of Latch In Microcontroller They have the ability to change state in response to a certain. Latch has a feedback path to retain the information. Use port to read from a pin, and lat to write to a pin (and tris to change the direction). The one that i've encountered most frequently is if. It is a bistable multivibrator. In this article we’ll show. What Is The Use Of Latch In Microcontroller.
From www.microcontrollertutorials.com
What is Microcontroller ? Its Features , Types , Its Application, And What Is The Use Of Latch In Microcontroller Latch is a digital circuit which converts its output according to its inputs instantly. For the 8086, it's used in the output. The latch is the output latch onto which values are written. They have the ability to change state in response to a certain. Latching power switch circuit (auto power off circuit) for esp32, esp8266, arduino. A buffer allows. What Is The Use Of Latch In Microcontroller.
From electronics.sadrapzh.com
میکروکنترلر چیست؟ واحد الکترونیک صدراپژوهش What Is The Use Of Latch In Microcontroller Hence a latch can be a memory device. The one that i've encountered most frequently is if. They have the ability to change state in response to a certain. Some pics do not have a lat register, in those. Use port to read from a pin, and lat to write to a pin (and tris to change the direction). In. What Is The Use Of Latch In Microcontroller.
From electronoobs.io
LATCH CIRCUIT MICROCONTROLLER WAKE UP What Is The Use Of Latch In Microcontroller Latch has a feedback path to retain the information. In this article, we will. The latch is the output latch onto which values are written. There are a few situations where they can be different. In this article we’ll show you how to build a latching power switch circuit, also know as an auto power off circuit. To implement latches,. What Is The Use Of Latch In Microcontroller.
From electronics.stackexchange.com
Turn on microcontroller by sensor, auto power off how? Electrical What Is The Use Of Latch In Microcontroller To implement latches, we use different logic gates. Latch is an electronic logic circuit with two stable states i.e. In this article we’ll show you how to build a latching power switch circuit, also know as an auto power off circuit. It is a bistable multivibrator. The one that i've encountered most frequently is if. Hence a latch can be. What Is The Use Of Latch In Microcontroller.
From www.youtube.com
Data LATCH in PIC18F Microcontroller Difference between PORTx and What Is The Use Of Latch In Microcontroller The port is the voltage at the actual pin. A buffer allows a signal to drive more inputs than it would by itself, or provides input protection / amplification. Latch is an electronic logic circuit with two stable states i.e. That's the case with your 8255, which derives timing and operation from the. In this article we’ll show you how. What Is The Use Of Latch In Microcontroller.
From makezine.com
12 Specs to Consider When Choosing a Microcontroller for Your Product What Is The Use Of Latch In Microcontroller They have the ability to change state in response to a certain. Use port to read from a pin, and lat to write to a pin (and tris to change the direction). Latching power switch circuit (auto power off circuit) for esp32, esp8266, arduino. The port is the voltage at the actual pin. There are a few situations where they. What Is The Use Of Latch In Microcontroller.
From embeddedinventor.com
9 Essential Microcontroller Peripherals Explained What Is The Use Of Latch In Microcontroller In this article we’ll show you how to build a latching power switch circuit, also know as an auto power off circuit. Latching power switch circuit (auto power off circuit) for esp32, esp8266, arduino. To implement latches, we use different logic gates. Some pics do not have a lat register, in those. That's the case with your 8255, which derives. What Is The Use Of Latch In Microcontroller.
From microcontrollerslab.com
CD4042 DLatch Pinout, Examples, Working, Datasheet, Applications What Is The Use Of Latch In Microcontroller They have the ability to change state in response to a certain. There are a few situations where they can be different. A buffer allows a signal to drive more inputs than it would by itself, or provides input protection / amplification. Latch is a digital circuit which converts its output according to its inputs instantly. The port is the. What Is The Use Of Latch In Microcontroller.
From electronics.stackexchange.com
microcontroller SR Latch output pin biases state of the logic gate What Is The Use Of Latch In Microcontroller In this article, we will. The one that i've encountered most frequently is if. Some pics do not have a lat register, in those. Latch is an electronic logic circuit with two stable states i.e. There are a few situations where they can be different. To implement latches, we use different logic gates. That's the case with your 8255, which. What Is The Use Of Latch In Microcontroller.