Blower Motor Doesn't Work When Cold . There could also be various. On all systems, a failed blower motor is the least likely cause. the most common symptom of a blower motor resistor is that when you start the heater fan, it only runs at the highest speed setting (4 or 5) and. in a situation where the motor doesn’t work at any speed, the most likely causes are a blown power supply fuse, a bad motor ground connection, a bad motor speed control module, or a failed motor. the most common symptom of a failed blower motor resistor is when the heater fan only runs at the highest speed. if the blower motor resistor is bad, your blower motor can get stuck on a single speed. one of the first symptoms of a bad or failing ac blower motor relay is a blown ac blower motor. the blower motor in your car is responsible for pushing air through the vehicle’s hvac system.
from sparkys-answers.com
There could also be various. in a situation where the motor doesn’t work at any speed, the most likely causes are a blown power supply fuse, a bad motor ground connection, a bad motor speed control module, or a failed motor. the blower motor in your car is responsible for pushing air through the vehicle’s hvac system. On all systems, a failed blower motor is the least likely cause. if the blower motor resistor is bad, your blower motor can get stuck on a single speed. one of the first symptoms of a bad or failing ac blower motor relay is a blown ac blower motor. the most common symptom of a blower motor resistor is that when you start the heater fan, it only runs at the highest speed setting (4 or 5) and. the most common symptom of a failed blower motor resistor is when the heater fan only runs at the highest speed.
Sparkys Answers 2009 Dodge Journey Blower Motor Does Not Work
Blower Motor Doesn't Work When Cold in a situation where the motor doesn’t work at any speed, the most likely causes are a blown power supply fuse, a bad motor ground connection, a bad motor speed control module, or a failed motor. There could also be various. On all systems, a failed blower motor is the least likely cause. the blower motor in your car is responsible for pushing air through the vehicle’s hvac system. in a situation where the motor doesn’t work at any speed, the most likely causes are a blown power supply fuse, a bad motor ground connection, a bad motor speed control module, or a failed motor. if the blower motor resistor is bad, your blower motor can get stuck on a single speed. the most common symptom of a blower motor resistor is that when you start the heater fan, it only runs at the highest speed setting (4 or 5) and. the most common symptom of a failed blower motor resistor is when the heater fan only runs at the highest speed. one of the first symptoms of a bad or failing ac blower motor relay is a blown ac blower motor.
From dxorfvjsu.blob.core.windows.net
Blower Motor Wont Work On High at Jeffrey Harris blog Blower Motor Doesn't Work When Cold if the blower motor resistor is bad, your blower motor can get stuck on a single speed. in a situation where the motor doesn’t work at any speed, the most likely causes are a blown power supply fuse, a bad motor ground connection, a bad motor speed control module, or a failed motor. the blower motor in. Blower Motor Doesn't Work When Cold.
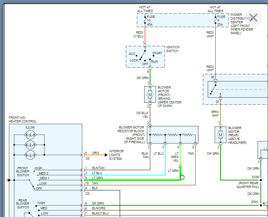
From wiringmanualmaier.z19.web.core.windows.net
Chevy Blower Motor Not Working Blower Motor Doesn't Work When Cold the most common symptom of a failed blower motor resistor is when the heater fan only runs at the highest speed. the blower motor in your car is responsible for pushing air through the vehicle’s hvac system. one of the first symptoms of a bad or failing ac blower motor relay is a blown ac blower motor.. Blower Motor Doesn't Work When Cold.
From www.thedieselstop.com
Replaced Heater Core, Blower Motor Stopped Working The Diesel Stop Blower Motor Doesn't Work When Cold the most common symptom of a failed blower motor resistor is when the heater fan only runs at the highest speed. On all systems, a failed blower motor is the least likely cause. in a situation where the motor doesn’t work at any speed, the most likely causes are a blown power supply fuse, a bad motor ground. Blower Motor Doesn't Work When Cold.
From hyundaimaintenance.com
Blower Motor Doesn’T Work Hyundai Maintenance Blower Motor Doesn't Work When Cold the most common symptom of a failed blower motor resistor is when the heater fan only runs at the highest speed. the most common symptom of a blower motor resistor is that when you start the heater fan, it only runs at the highest speed setting (4 or 5) and. one of the first symptoms of a. Blower Motor Doesn't Work When Cold.
From faq.out-club.ru
Inspection Procedure 3 The front blower does not work Blower Motor Doesn't Work When Cold the blower motor in your car is responsible for pushing air through the vehicle’s hvac system. On all systems, a failed blower motor is the least likely cause. the most common symptom of a blower motor resistor is that when you start the heater fan, it only runs at the highest speed setting (4 or 5) and. . Blower Motor Doesn't Work When Cold.
From repairgebhard88.z19.web.core.windows.net
Hvac Blower Motor Not Working Blower Motor Doesn't Work When Cold On all systems, a failed blower motor is the least likely cause. in a situation where the motor doesn’t work at any speed, the most likely causes are a blown power supply fuse, a bad motor ground connection, a bad motor speed control module, or a failed motor. one of the first symptoms of a bad or failing. Blower Motor Doesn't Work When Cold.
From www.benzworld.org
1988 420 SEL Blower Motor does not work MercedesBenz Forum Blower Motor Doesn't Work When Cold On all systems, a failed blower motor is the least likely cause. There could also be various. one of the first symptoms of a bad or failing ac blower motor relay is a blown ac blower motor. if the blower motor resistor is bad, your blower motor can get stuck on a single speed. the blower motor. Blower Motor Doesn't Work When Cold.
From www.youtube.com
How to Test Vehicle AC/Heat Blower Motor to Tell if BAD YouTube Blower Motor Doesn't Work When Cold the most common symptom of a failed blower motor resistor is when the heater fan only runs at the highest speed. There could also be various. if the blower motor resistor is bad, your blower motor can get stuck on a single speed. On all systems, a failed blower motor is the least likely cause. in a. Blower Motor Doesn't Work When Cold.
From www.youtube.com
Ac not blowing, blower not working, blower motor replacement Quick fix Blower Motor Doesn't Work When Cold There could also be various. the blower motor in your car is responsible for pushing air through the vehicle’s hvac system. in a situation where the motor doesn’t work at any speed, the most likely causes are a blown power supply fuse, a bad motor ground connection, a bad motor speed control module, or a failed motor. . Blower Motor Doesn't Work When Cold.
From hyundaimaintenance.com
Blower Motor Doesn’T Work Hyundai Maintenance Blower Motor Doesn't Work When Cold one of the first symptoms of a bad or failing ac blower motor relay is a blown ac blower motor. the blower motor in your car is responsible for pushing air through the vehicle’s hvac system. if the blower motor resistor is bad, your blower motor can get stuck on a single speed. the most common. Blower Motor Doesn't Work When Cold.
From www.youtube.com
How to Replace a Blower Motor in Your Car YouTube Blower Motor Doesn't Work When Cold On all systems, a failed blower motor is the least likely cause. in a situation where the motor doesn’t work at any speed, the most likely causes are a blown power supply fuse, a bad motor ground connection, a bad motor speed control module, or a failed motor. the most common symptom of a failed blower motor resistor. Blower Motor Doesn't Work When Cold.
From www.peachparts.com
300SDL heater stuck on and blower motor does not work. Page 2 Blower Motor Doesn't Work When Cold in a situation where the motor doesn’t work at any speed, the most likely causes are a blown power supply fuse, a bad motor ground connection, a bad motor speed control module, or a failed motor. There could also be various. if the blower motor resistor is bad, your blower motor can get stuck on a single speed.. Blower Motor Doesn't Work When Cold.
From manualdbpensioner.z13.web.core.windows.net
Chevy Blower Motor Not Working Blower Motor Doesn't Work When Cold On all systems, a failed blower motor is the least likely cause. one of the first symptoms of a bad or failing ac blower motor relay is a blown ac blower motor. the most common symptom of a failed blower motor resistor is when the heater fan only runs at the highest speed. in a situation where. Blower Motor Doesn't Work When Cold.
From ricksfreeautorepairadvice.com
Symptoms of a bad blower motor — Ricks Free Auto Repair Advice Ricks Blower Motor Doesn't Work When Cold the most common symptom of a blower motor resistor is that when you start the heater fan, it only runs at the highest speed setting (4 or 5) and. if the blower motor resistor is bad, your blower motor can get stuck on a single speed. the blower motor in your car is responsible for pushing air. Blower Motor Doesn't Work When Cold.
From www.benzworld.org
Blower motor doesn't always work! MercedesBenz Forum Blower Motor Doesn't Work When Cold one of the first symptoms of a bad or failing ac blower motor relay is a blown ac blower motor. in a situation where the motor doesn’t work at any speed, the most likely causes are a blown power supply fuse, a bad motor ground connection, a bad motor speed control module, or a failed motor. the. Blower Motor Doesn't Work When Cold.
From mechanicenversatz71l.z13.web.core.windows.net
How To Know If Blower Motor Is Bad Blower Motor Doesn't Work When Cold the blower motor in your car is responsible for pushing air through the vehicle’s hvac system. if the blower motor resistor is bad, your blower motor can get stuck on a single speed. in a situation where the motor doesn’t work at any speed, the most likely causes are a blown power supply fuse, a bad motor. Blower Motor Doesn't Work When Cold.
From repairmachineseguentes.z13.web.core.windows.net
Blower Motor Does Not Work Blower Motor Doesn't Work When Cold On all systems, a failed blower motor is the least likely cause. the blower motor in your car is responsible for pushing air through the vehicle’s hvac system. in a situation where the motor doesn’t work at any speed, the most likely causes are a blown power supply fuse, a bad motor ground connection, a bad motor speed. Blower Motor Doesn't Work When Cold.
From www.youtube.com
BLOWER MOTOR FAN REPLACEMENT LOCATION. BLOWER MOTOR NOT WORKING YouTube Blower Motor Doesn't Work When Cold the most common symptom of a blower motor resistor is that when you start the heater fan, it only runs at the highest speed setting (4 or 5) and. On all systems, a failed blower motor is the least likely cause. if the blower motor resistor is bad, your blower motor can get stuck on a single speed.. Blower Motor Doesn't Work When Cold.
From utanomvyschematic.z14.web.core.windows.net
Suburban Blower Motor Not Working Blower Motor Doesn't Work When Cold the most common symptom of a blower motor resistor is that when you start the heater fan, it only runs at the highest speed setting (4 or 5) and. in a situation where the motor doesn’t work at any speed, the most likely causes are a blown power supply fuse, a bad motor ground connection, a bad motor. Blower Motor Doesn't Work When Cold.
From nickisasser.blogspot.com
furnace blower motor starts then stops Nicki Sasser Blower Motor Doesn't Work When Cold the blower motor in your car is responsible for pushing air through the vehicle’s hvac system. On all systems, a failed blower motor is the least likely cause. in a situation where the motor doesn’t work at any speed, the most likely causes are a blown power supply fuse, a bad motor ground connection, a bad motor speed. Blower Motor Doesn't Work When Cold.
From www.youtube.com
2006 F 250 Heater Blower Motor Doesn’t Work Let’s Fix It! YouTube Blower Motor Doesn't Work When Cold On all systems, a failed blower motor is the least likely cause. the blower motor in your car is responsible for pushing air through the vehicle’s hvac system. There could also be various. the most common symptom of a blower motor resistor is that when you start the heater fan, it only runs at the highest speed setting. Blower Motor Doesn't Work When Cold.
From repairmachineseguentes.z13.web.core.windows.net
Blower Motor Does Not Work Blower Motor Doesn't Work When Cold if the blower motor resistor is bad, your blower motor can get stuck on a single speed. the most common symptom of a failed blower motor resistor is when the heater fan only runs at the highest speed. the most common symptom of a blower motor resistor is that when you start the heater fan, it only. Blower Motor Doesn't Work When Cold.
From www.youtube.com
Crown Victoria Ford AC blower motor doesn't work? YouTube Blower Motor Doesn't Work When Cold On all systems, a failed blower motor is the least likely cause. the most common symptom of a failed blower motor resistor is when the heater fan only runs at the highest speed. There could also be various. if the blower motor resistor is bad, your blower motor can get stuck on a single speed. the blower. Blower Motor Doesn't Work When Cold.
From www.2carpros.com
Blower Motor Not Working? Front Blower Quit ? I Have Checked Both... Blower Motor Doesn't Work When Cold one of the first symptoms of a bad or failing ac blower motor relay is a blown ac blower motor. There could also be various. in a situation where the motor doesn’t work at any speed, the most likely causes are a blown power supply fuse, a bad motor ground connection, a bad motor speed control module, or. Blower Motor Doesn't Work When Cold.
From www.fixdapp.com
How To Replace a Blower Motor Resistor A StepByStep Guide Blower Motor Doesn't Work When Cold There could also be various. in a situation where the motor doesn’t work at any speed, the most likely causes are a blown power supply fuse, a bad motor ground connection, a bad motor speed control module, or a failed motor. if the blower motor resistor is bad, your blower motor can get stuck on a single speed.. Blower Motor Doesn't Work When Cold.
From hyundaimaintenance.com
Blower Motor Doesn’T Work Hyundai Maintenance Blower Motor Doesn't Work When Cold On all systems, a failed blower motor is the least likely cause. if the blower motor resistor is bad, your blower motor can get stuck on a single speed. the most common symptom of a blower motor resistor is that when you start the heater fan, it only runs at the highest speed setting (4 or 5) and.. Blower Motor Doesn't Work When Cold.
From www.justanswer.com
My blower motor doesn't work. i have been trying to diagnose it my self Blower Motor Doesn't Work When Cold the blower motor in your car is responsible for pushing air through the vehicle’s hvac system. if the blower motor resistor is bad, your blower motor can get stuck on a single speed. the most common symptom of a failed blower motor resistor is when the heater fan only runs at the highest speed. the most. Blower Motor Doesn't Work When Cold.
From ricksfreeautorepairadvice.com
Blower motor doesn’t work or stuck on high, Ford — Ricks Free Auto Blower Motor Doesn't Work When Cold the most common symptom of a failed blower motor resistor is when the heater fan only runs at the highest speed. There could also be various. if the blower motor resistor is bad, your blower motor can get stuck on a single speed. On all systems, a failed blower motor is the least likely cause. the most. Blower Motor Doesn't Work When Cold.
From schematicdbmarketers.z14.web.core.windows.net
Jeep Wrangler Blower Motor Removal Blower Motor Doesn't Work When Cold the blower motor in your car is responsible for pushing air through the vehicle’s hvac system. in a situation where the motor doesn’t work at any speed, the most likely causes are a blown power supply fuse, a bad motor ground connection, a bad motor speed control module, or a failed motor. the most common symptom of. Blower Motor Doesn't Work When Cold.
From mechanicnola101.z21.web.core.windows.net
2012 Ford Explorer Blower Motor Not Working Blower Motor Doesn't Work When Cold On all systems, a failed blower motor is the least likely cause. the most common symptom of a failed blower motor resistor is when the heater fan only runs at the highest speed. the blower motor in your car is responsible for pushing air through the vehicle’s hvac system. in a situation where the motor doesn’t work. Blower Motor Doesn't Work When Cold.
From www.youtube.com
Buick Enclave Front Blower Motor Does Not Work YouTube Blower Motor Doesn't Work When Cold in a situation where the motor doesn’t work at any speed, the most likely causes are a blown power supply fuse, a bad motor ground connection, a bad motor speed control module, or a failed motor. the blower motor in your car is responsible for pushing air through the vehicle’s hvac system. There could also be various. . Blower Motor Doesn't Work When Cold.
From sparkys-answers.com
Sparkys Answers 2009 Dodge Journey Blower Motor Does Not Work Blower Motor Doesn't Work When Cold one of the first symptoms of a bad or failing ac blower motor relay is a blown ac blower motor. On all systems, a failed blower motor is the least likely cause. the most common symptom of a blower motor resistor is that when you start the heater fan, it only runs at the highest speed setting (4. Blower Motor Doesn't Work When Cold.
From www.reddit.com
This heaters blower motor doesnt work just want to know how much should Blower Motor Doesn't Work When Cold in a situation where the motor doesn’t work at any speed, the most likely causes are a blown power supply fuse, a bad motor ground connection, a bad motor speed control module, or a failed motor. There could also be various. On all systems, a failed blower motor is the least likely cause. one of the first symptoms. Blower Motor Doesn't Work When Cold.
From ricksfreeautorepairadvice.com
Nissan blower motor doesn’t work — Ricks Free Auto Repair Advice Ricks Blower Motor Doesn't Work When Cold if the blower motor resistor is bad, your blower motor can get stuck on a single speed. one of the first symptoms of a bad or failing ac blower motor relay is a blown ac blower motor. There could also be various. the most common symptom of a failed blower motor resistor is when the heater fan. Blower Motor Doesn't Work When Cold.
From freeautomechanic.blogspot.com
Automotive Repair Questions Car Heater Blower Motor Doesn't Work Blower Motor Doesn't Work When Cold one of the first symptoms of a bad or failing ac blower motor relay is a blown ac blower motor. There could also be various. the most common symptom of a blower motor resistor is that when you start the heater fan, it only runs at the highest speed setting (4 or 5) and. if the blower. Blower Motor Doesn't Work When Cold.