What Is The Maximum Allowable Number Of Devices That Can Be Attached To A Parallel Scsi Bus . Scsi (pronounced “skuzzy”) is supported by all major operating systems. The latest standard, ultra320 scsi, is still a parallel interface that now supports data transfers up to 320 mbps on a 16 bit wide, 40 mhz bus,. What is the maximum number of devices that can be attached to a pc through a single pata cable? Several types of scsi buses include parallel scsi, serial attached scsi, and fibre channel. 4 devices 8 devices 16 devices 32 devices Scsi is a bus used to connect computer storage devices to a computer. What is the maximum allowable number of devices that can be attached to a parallel scsi bus? The maximum number of scsi devices that can connect to a parallel scsi bus is directly related to the bus width hence wide buses allow a.
from www.slideserve.com
4 devices 8 devices 16 devices 32 devices What is the maximum number of devices that can be attached to a pc through a single pata cable? Scsi is a bus used to connect computer storage devices to a computer. Scsi (pronounced “skuzzy”) is supported by all major operating systems. What is the maximum allowable number of devices that can be attached to a parallel scsi bus? The maximum number of scsi devices that can connect to a parallel scsi bus is directly related to the bus width hence wide buses allow a. The latest standard, ultra320 scsi, is still a parallel interface that now supports data transfers up to 320 mbps on a 16 bit wide, 40 mhz bus,. Several types of scsi buses include parallel scsi, serial attached scsi, and fibre channel.
PPT IDE and SCSI Devices PowerPoint Presentation, free download ID
What Is The Maximum Allowable Number Of Devices That Can Be Attached To A Parallel Scsi Bus What is the maximum allowable number of devices that can be attached to a parallel scsi bus? Several types of scsi buses include parallel scsi, serial attached scsi, and fibre channel. Scsi is a bus used to connect computer storage devices to a computer. What is the maximum number of devices that can be attached to a pc through a single pata cable? What is the maximum allowable number of devices that can be attached to a parallel scsi bus? 4 devices 8 devices 16 devices 32 devices The maximum number of scsi devices that can connect to a parallel scsi bus is directly related to the bus width hence wide buses allow a. Scsi (pronounced “skuzzy”) is supported by all major operating systems. The latest standard, ultra320 scsi, is still a parallel interface that now supports data transfers up to 320 mbps on a 16 bit wide, 40 mhz bus,.
From d15.beauty
Scsi Map What Is The Maximum Allowable Number Of Devices That Can Be Attached To A Parallel Scsi Bus 4 devices 8 devices 16 devices 32 devices The maximum number of scsi devices that can connect to a parallel scsi bus is directly related to the bus width hence wide buses allow a. Scsi is a bus used to connect computer storage devices to a computer. What is the maximum allowable number of devices that can be attached to. What Is The Maximum Allowable Number Of Devices That Can Be Attached To A Parallel Scsi Bus.
From www.maximintegrated.com
Connecting the DS2119M SCSI Terminator in Maxim Integrated What Is The Maximum Allowable Number Of Devices That Can Be Attached To A Parallel Scsi Bus What is the maximum number of devices that can be attached to a pc through a single pata cable? The latest standard, ultra320 scsi, is still a parallel interface that now supports data transfers up to 320 mbps on a 16 bit wide, 40 mhz bus,. Scsi is a bus used to connect computer storage devices to a computer. Scsi. What Is The Maximum Allowable Number Of Devices That Can Be Attached To A Parallel Scsi Bus.
From adamconn.com
SCSI CONNECTOR What is SCSI What Is The Maximum Allowable Number Of Devices That Can Be Attached To A Parallel Scsi Bus The maximum number of scsi devices that can connect to a parallel scsi bus is directly related to the bus width hence wide buses allow a. What is the maximum allowable number of devices that can be attached to a parallel scsi bus? 4 devices 8 devices 16 devices 32 devices What is the maximum number of devices that can. What Is The Maximum Allowable Number Of Devices That Can Be Attached To A Parallel Scsi Bus.
From northtech.co
SCSI Bus Sharing on SCSI Cards Northtech Consulting Limited What Is The Maximum Allowable Number Of Devices That Can Be Attached To A Parallel Scsi Bus What is the maximum allowable number of devices that can be attached to a parallel scsi bus? 4 devices 8 devices 16 devices 32 devices The latest standard, ultra320 scsi, is still a parallel interface that now supports data transfers up to 320 mbps on a 16 bit wide, 40 mhz bus,. What is the maximum number of devices that. What Is The Maximum Allowable Number Of Devices That Can Be Attached To A Parallel Scsi Bus.
From www.maximintegrated.com
Connecting the DS2119M SCSI Terminator in Maxim Integrated What Is The Maximum Allowable Number Of Devices That Can Be Attached To A Parallel Scsi Bus What is the maximum allowable number of devices that can be attached to a parallel scsi bus? Scsi is a bus used to connect computer storage devices to a computer. The maximum number of scsi devices that can connect to a parallel scsi bus is directly related to the bus width hence wide buses allow a. 4 devices 8 devices. What Is The Maximum Allowable Number Of Devices That Can Be Attached To A Parallel Scsi Bus.
From www.slideserve.com
PPT The SCSI Interface PowerPoint Presentation, free download ID What Is The Maximum Allowable Number Of Devices That Can Be Attached To A Parallel Scsi Bus What is the maximum number of devices that can be attached to a pc through a single pata cable? Scsi (pronounced “skuzzy”) is supported by all major operating systems. The maximum number of scsi devices that can connect to a parallel scsi bus is directly related to the bus width hence wide buses allow a. 4 devices 8 devices 16. What Is The Maximum Allowable Number Of Devices That Can Be Attached To A Parallel Scsi Bus.
From dthywwnoeco.blob.core.windows.net
What Is Scsi Transport Sas at Minda Flanagan blog What Is The Maximum Allowable Number Of Devices That Can Be Attached To A Parallel Scsi Bus Several types of scsi buses include parallel scsi, serial attached scsi, and fibre channel. What is the maximum allowable number of devices that can be attached to a parallel scsi bus? The maximum number of scsi devices that can connect to a parallel scsi bus is directly related to the bus width hence wide buses allow a. 4 devices 8. What Is The Maximum Allowable Number Of Devices That Can Be Attached To A Parallel Scsi Bus.
From www.slideserve.com
PPT IDE and SCSI Devices PowerPoint Presentation, free download ID What Is The Maximum Allowable Number Of Devices That Can Be Attached To A Parallel Scsi Bus 4 devices 8 devices 16 devices 32 devices Scsi is a bus used to connect computer storage devices to a computer. What is the maximum number of devices that can be attached to a pc through a single pata cable? The maximum number of scsi devices that can connect to a parallel scsi bus is directly related to the bus. What Is The Maximum Allowable Number Of Devices That Can Be Attached To A Parallel Scsi Bus.
From www.slideshare.net
Pci,usb,scsi bus What Is The Maximum Allowable Number Of Devices That Can Be Attached To A Parallel Scsi Bus Scsi is a bus used to connect computer storage devices to a computer. 4 devices 8 devices 16 devices 32 devices The maximum number of scsi devices that can connect to a parallel scsi bus is directly related to the bus width hence wide buses allow a. Several types of scsi buses include parallel scsi, serial attached scsi, and fibre. What Is The Maximum Allowable Number Of Devices That Can Be Attached To A Parallel Scsi Bus.
From dthywwnoeco.blob.core.windows.net
What Is Scsi Transport Sas at Minda Flanagan blog What Is The Maximum Allowable Number Of Devices That Can Be Attached To A Parallel Scsi Bus Scsi is a bus used to connect computer storage devices to a computer. 4 devices 8 devices 16 devices 32 devices The maximum number of scsi devices that can connect to a parallel scsi bus is directly related to the bus width hence wide buses allow a. What is the maximum allowable number of devices that can be attached to. What Is The Maximum Allowable Number Of Devices That Can Be Attached To A Parallel Scsi Bus.
From dthywwnoeco.blob.core.windows.net
What Is Scsi Transport Sas at Minda Flanagan blog What Is The Maximum Allowable Number Of Devices That Can Be Attached To A Parallel Scsi Bus Scsi (pronounced “skuzzy”) is supported by all major operating systems. What is the maximum allowable number of devices that can be attached to a parallel scsi bus? Several types of scsi buses include parallel scsi, serial attached scsi, and fibre channel. The maximum number of scsi devices that can connect to a parallel scsi bus is directly related to the. What Is The Maximum Allowable Number Of Devices That Can Be Attached To A Parallel Scsi Bus.
From www.lifewire.com
What Is SCSI? (Small Computer System Interface) What Is The Maximum Allowable Number Of Devices That Can Be Attached To A Parallel Scsi Bus What is the maximum allowable number of devices that can be attached to a parallel scsi bus? What is the maximum number of devices that can be attached to a pc through a single pata cable? The latest standard, ultra320 scsi, is still a parallel interface that now supports data transfers up to 320 mbps on a 16 bit wide,. What Is The Maximum Allowable Number Of Devices That Can Be Attached To A Parallel Scsi Bus.
From slideplayer.com
SCSI. ppt download What Is The Maximum Allowable Number Of Devices That Can Be Attached To A Parallel Scsi Bus The latest standard, ultra320 scsi, is still a parallel interface that now supports data transfers up to 320 mbps on a 16 bit wide, 40 mhz bus,. Scsi is a bus used to connect computer storage devices to a computer. The maximum number of scsi devices that can connect to a parallel scsi bus is directly related to the bus. What Is The Maximum Allowable Number Of Devices That Can Be Attached To A Parallel Scsi Bus.
From www.youtube.com
serial attached scsi (SAS) YouTube What Is The Maximum Allowable Number Of Devices That Can Be Attached To A Parallel Scsi Bus 4 devices 8 devices 16 devices 32 devices What is the maximum allowable number of devices that can be attached to a parallel scsi bus? Scsi is a bus used to connect computer storage devices to a computer. Several types of scsi buses include parallel scsi, serial attached scsi, and fibre channel. Scsi (pronounced “skuzzy”) is supported by all major. What Is The Maximum Allowable Number Of Devices That Can Be Attached To A Parallel Scsi Bus.
From www.youtube.com
Understanding SCSI CompTIA A+ 220801 1.5 YouTube What Is The Maximum Allowable Number Of Devices That Can Be Attached To A Parallel Scsi Bus What is the maximum number of devices that can be attached to a pc through a single pata cable? Scsi (pronounced “skuzzy”) is supported by all major operating systems. Scsi is a bus used to connect computer storage devices to a computer. The maximum number of scsi devices that can connect to a parallel scsi bus is directly related to. What Is The Maximum Allowable Number Of Devices That Can Be Attached To A Parallel Scsi Bus.
From dthywwnoeco.blob.core.windows.net
What Is Scsi Transport Sas at Minda Flanagan blog What Is The Maximum Allowable Number Of Devices That Can Be Attached To A Parallel Scsi Bus Scsi is a bus used to connect computer storage devices to a computer. 4 devices 8 devices 16 devices 32 devices What is the maximum allowable number of devices that can be attached to a parallel scsi bus? What is the maximum number of devices that can be attached to a pc through a single pata cable? The maximum number. What Is The Maximum Allowable Number Of Devices That Can Be Attached To A Parallel Scsi Bus.
From www.slideserve.com
PPT IDE and SCSI Devices PowerPoint Presentation, free download ID What Is The Maximum Allowable Number Of Devices That Can Be Attached To A Parallel Scsi Bus 4 devices 8 devices 16 devices 32 devices What is the maximum number of devices that can be attached to a pc through a single pata cable? What is the maximum allowable number of devices that can be attached to a parallel scsi bus? Several types of scsi buses include parallel scsi, serial attached scsi, and fibre channel. The latest. What Is The Maximum Allowable Number Of Devices That Can Be Attached To A Parallel Scsi Bus.
From www.slideserve.com
PPT IDE and SCSI Devices PowerPoint Presentation, free download ID What Is The Maximum Allowable Number Of Devices That Can Be Attached To A Parallel Scsi Bus 4 devices 8 devices 16 devices 32 devices Several types of scsi buses include parallel scsi, serial attached scsi, and fibre channel. Scsi (pronounced “skuzzy”) is supported by all major operating systems. What is the maximum allowable number of devices that can be attached to a parallel scsi bus? The maximum number of scsi devices that can connect to a. What Is The Maximum Allowable Number Of Devices That Can Be Attached To A Parallel Scsi Bus.
From www.slideserve.com
PPT SCSI PowerPoint Presentation, free download ID3624572 What Is The Maximum Allowable Number Of Devices That Can Be Attached To A Parallel Scsi Bus What is the maximum allowable number of devices that can be attached to a parallel scsi bus? Several types of scsi buses include parallel scsi, serial attached scsi, and fibre channel. 4 devices 8 devices 16 devices 32 devices The latest standard, ultra320 scsi, is still a parallel interface that now supports data transfers up to 320 mbps on a. What Is The Maximum Allowable Number Of Devices That Can Be Attached To A Parallel Scsi Bus.
From www.slideserve.com
PPT 8. I/O Buses and Interfaces PowerPoint Presentation, free What Is The Maximum Allowable Number Of Devices That Can Be Attached To A Parallel Scsi Bus The latest standard, ultra320 scsi, is still a parallel interface that now supports data transfers up to 320 mbps on a 16 bit wide, 40 mhz bus,. What is the maximum number of devices that can be attached to a pc through a single pata cable? Scsi (pronounced “skuzzy”) is supported by all major operating systems. What is the maximum. What Is The Maximum Allowable Number Of Devices That Can Be Attached To A Parallel Scsi Bus.
From slideplayer.com
Storage Protocols Storage Protocols Introduction ppt download What Is The Maximum Allowable Number Of Devices That Can Be Attached To A Parallel Scsi Bus The maximum number of scsi devices that can connect to a parallel scsi bus is directly related to the bus width hence wide buses allow a. What is the maximum allowable number of devices that can be attached to a parallel scsi bus? What is the maximum number of devices that can be attached to a pc through a single. What Is The Maximum Allowable Number Of Devices That Can Be Attached To A Parallel Scsi Bus.
From www.slideserve.com
PPT The SCSI Interface PowerPoint Presentation, free download ID What Is The Maximum Allowable Number Of Devices That Can Be Attached To A Parallel Scsi Bus 4 devices 8 devices 16 devices 32 devices Several types of scsi buses include parallel scsi, serial attached scsi, and fibre channel. The maximum number of scsi devices that can connect to a parallel scsi bus is directly related to the bus width hence wide buses allow a. What is the maximum number of devices that can be attached to. What Is The Maximum Allowable Number Of Devices That Can Be Attached To A Parallel Scsi Bus.
From wiki.ihitc.net
Chapter 6 Study Guide ITCwiki What Is The Maximum Allowable Number Of Devices That Can Be Attached To A Parallel Scsi Bus Scsi (pronounced “skuzzy”) is supported by all major operating systems. The maximum number of scsi devices that can connect to a parallel scsi bus is directly related to the bus width hence wide buses allow a. What is the maximum allowable number of devices that can be attached to a parallel scsi bus? Scsi is a bus used to connect. What Is The Maximum Allowable Number Of Devices That Can Be Attached To A Parallel Scsi Bus.
From slideplayer.com
Tel. Fax. ppt download What Is The Maximum Allowable Number Of Devices That Can Be Attached To A Parallel Scsi Bus What is the maximum number of devices that can be attached to a pc through a single pata cable? Several types of scsi buses include parallel scsi, serial attached scsi, and fibre channel. What is the maximum allowable number of devices that can be attached to a parallel scsi bus? Scsi is a bus used to connect computer storage devices. What Is The Maximum Allowable Number Of Devices That Can Be Attached To A Parallel Scsi Bus.
From commons.wikimedia.org
CategorySCSI connectors Wikimedia Commons What Is The Maximum Allowable Number Of Devices That Can Be Attached To A Parallel Scsi Bus Several types of scsi buses include parallel scsi, serial attached scsi, and fibre channel. What is the maximum number of devices that can be attached to a pc through a single pata cable? Scsi (pronounced “skuzzy”) is supported by all major operating systems. The maximum number of scsi devices that can connect to a parallel scsi bus is directly related. What Is The Maximum Allowable Number Of Devices That Can Be Attached To A Parallel Scsi Bus.
From www.gearslutz.com
SCSI port types for samplers and synthesizers Gearslutz What Is The Maximum Allowable Number Of Devices That Can Be Attached To A Parallel Scsi Bus Several types of scsi buses include parallel scsi, serial attached scsi, and fibre channel. Scsi (pronounced “skuzzy”) is supported by all major operating systems. What is the maximum allowable number of devices that can be attached to a parallel scsi bus? What is the maximum number of devices that can be attached to a pc through a single pata cable?. What Is The Maximum Allowable Number Of Devices That Can Be Attached To A Parallel Scsi Bus.
From www.youtube.com
Using the SCSI target to add and configure devices on the SCSI bus of What Is The Maximum Allowable Number Of Devices That Can Be Attached To A Parallel Scsi Bus 4 devices 8 devices 16 devices 32 devices The latest standard, ultra320 scsi, is still a parallel interface that now supports data transfers up to 320 mbps on a 16 bit wide, 40 mhz bus,. Scsi (pronounced “skuzzy”) is supported by all major operating systems. The maximum number of scsi devices that can connect to a parallel scsi bus is. What Is The Maximum Allowable Number Of Devices That Can Be Attached To A Parallel Scsi Bus.
From webhostinggeeks.com
Rescan SCSI Bus to Add or Remove a SCSI Devices on Linux Linux What Is The Maximum Allowable Number Of Devices That Can Be Attached To A Parallel Scsi Bus 4 devices 8 devices 16 devices 32 devices Several types of scsi buses include parallel scsi, serial attached scsi, and fibre channel. The maximum number of scsi devices that can connect to a parallel scsi bus is directly related to the bus width hence wide buses allow a. Scsi (pronounced “skuzzy”) is supported by all major operating systems. The latest. What Is The Maximum Allowable Number Of Devices That Can Be Attached To A Parallel Scsi Bus.
From www.slideserve.com
PPT Direct Attached Storage and Introduction to SCSI PowerPoint What Is The Maximum Allowable Number Of Devices That Can Be Attached To A Parallel Scsi Bus 4 devices 8 devices 16 devices 32 devices The maximum number of scsi devices that can connect to a parallel scsi bus is directly related to the bus width hence wide buses allow a. What is the maximum allowable number of devices that can be attached to a parallel scsi bus? The latest standard, ultra320 scsi, is still a parallel. What Is The Maximum Allowable Number Of Devices That Can Be Attached To A Parallel Scsi Bus.
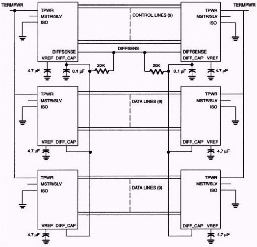
From www.analog.com
SCSI Bus Configuration For MSTR/SLV Connections Analog Devices What Is The Maximum Allowable Number Of Devices That Can Be Attached To A Parallel Scsi Bus Scsi is a bus used to connect computer storage devices to a computer. Scsi (pronounced “skuzzy”) is supported by all major operating systems. The maximum number of scsi devices that can connect to a parallel scsi bus is directly related to the bus width hence wide buses allow a. Several types of scsi buses include parallel scsi, serial attached scsi,. What Is The Maximum Allowable Number Of Devices That Can Be Attached To A Parallel Scsi Bus.
From www.slideserve.com
PPT IDE and SCSI Devices PowerPoint Presentation, free download ID What Is The Maximum Allowable Number Of Devices That Can Be Attached To A Parallel Scsi Bus 4 devices 8 devices 16 devices 32 devices Several types of scsi buses include parallel scsi, serial attached scsi, and fibre channel. The latest standard, ultra320 scsi, is still a parallel interface that now supports data transfers up to 320 mbps on a 16 bit wide, 40 mhz bus,. What is the maximum allowable number of devices that can be. What Is The Maximum Allowable Number Of Devices That Can Be Attached To A Parallel Scsi Bus.
From www.topgadget.com.br
SCSI Tudo sobre Small Computer System Interface TopGadget What Is The Maximum Allowable Number Of Devices That Can Be Attached To A Parallel Scsi Bus The latest standard, ultra320 scsi, is still a parallel interface that now supports data transfers up to 320 mbps on a 16 bit wide, 40 mhz bus,. Several types of scsi buses include parallel scsi, serial attached scsi, and fibre channel. What is the maximum allowable number of devices that can be attached to a parallel scsi bus? 4 devices. What Is The Maximum Allowable Number Of Devices That Can Be Attached To A Parallel Scsi Bus.
From www.slideserve.com
PPT Chapter 7 Storage Devices PowerPoint Presentation, free download What Is The Maximum Allowable Number Of Devices That Can Be Attached To A Parallel Scsi Bus 4 devices 8 devices 16 devices 32 devices The maximum number of scsi devices that can connect to a parallel scsi bus is directly related to the bus width hence wide buses allow a. Scsi (pronounced “skuzzy”) is supported by all major operating systems. Several types of scsi buses include parallel scsi, serial attached scsi, and fibre channel. What is. What Is The Maximum Allowable Number Of Devices That Can Be Attached To A Parallel Scsi Bus.
From www.slideserve.com
PPT 8. I/O Buses and Interfaces PowerPoint Presentation, free What Is The Maximum Allowable Number Of Devices That Can Be Attached To A Parallel Scsi Bus What is the maximum number of devices that can be attached to a pc through a single pata cable? Several types of scsi buses include parallel scsi, serial attached scsi, and fibre channel. Scsi is a bus used to connect computer storage devices to a computer. Scsi (pronounced “skuzzy”) is supported by all major operating systems. 4 devices 8 devices. What Is The Maximum Allowable Number Of Devices That Can Be Attached To A Parallel Scsi Bus.
From www.cablebuilders.com
SCSI Tutorial What Is The Maximum Allowable Number Of Devices That Can Be Attached To A Parallel Scsi Bus Several types of scsi buses include parallel scsi, serial attached scsi, and fibre channel. The maximum number of scsi devices that can connect to a parallel scsi bus is directly related to the bus width hence wide buses allow a. Scsi is a bus used to connect computer storage devices to a computer. 4 devices 8 devices 16 devices 32. What Is The Maximum Allowable Number Of Devices That Can Be Attached To A Parallel Scsi Bus.