Integrated Circuit Function Electronics .   integrated circuits make use of different small electronic components such as transistors, resistors inductors,, etc.   [1] if the history of computing sounds like a magic trick—squeezing more and more power into less and less space—it is!. They are made on a single block or chip.  an integrated circuit (ic), sometimes called a chip, microchip or microelectronic circuit, is a semiconductor wafer on which thousands or millions of tiny resistors,.  integrated circuits are the little black chips, found all over embedded electronics.   an integrated circuit (ic) — commonly called a chip — is made out of a semiconductor material called silicon, in.   an integrated circuit (ic) is a semiconductor device that contains multiple electronic components such as transistors,.
        
         
         
        from gamma.app 
     
        
         an integrated circuit (ic), sometimes called a chip, microchip or microelectronic circuit, is a semiconductor wafer on which thousands or millions of tiny resistors,.   integrated circuits make use of different small electronic components such as transistors, resistors inductors,, etc.  integrated circuits are the little black chips, found all over embedded electronics.   an integrated circuit (ic) — commonly called a chip — is made out of a semiconductor material called silicon, in.   an integrated circuit (ic) is a semiconductor device that contains multiple electronic components such as transistors,. They are made on a single block or chip.   [1] if the history of computing sounds like a magic trick—squeezing more and more power into less and less space—it is!.
    
    	
            
	
		 
	 
         
    Semiconductor Integrated Circuits and Layout Designs 
    Integrated Circuit Function Electronics    an integrated circuit (ic) is a semiconductor device that contains multiple electronic components such as transistors,. They are made on a single block or chip.  integrated circuits are the little black chips, found all over embedded electronics.   [1] if the history of computing sounds like a magic trick—squeezing more and more power into less and less space—it is!.   an integrated circuit (ic) — commonly called a chip — is made out of a semiconductor material called silicon, in.   integrated circuits make use of different small electronic components such as transistors, resistors inductors,, etc.  an integrated circuit (ic), sometimes called a chip, microchip or microelectronic circuit, is a semiconductor wafer on which thousands or millions of tiny resistors,.   an integrated circuit (ic) is a semiconductor device that contains multiple electronic components such as transistors,.
            
	
		 
	 
         
 
    
         
        From schematicdatalomas101.z5.web.core.windows.net 
                    Four Basic Components Of A Circuit Integrated Circuit Function Electronics    an integrated circuit (ic) — commonly called a chip — is made out of a semiconductor material called silicon, in.  an integrated circuit (ic), sometimes called a chip, microchip or microelectronic circuit, is a semiconductor wafer on which thousands or millions of tiny resistors,.   [1] if the history of computing sounds like a magic trick—squeezing more and. Integrated Circuit Function Electronics.
     
    
         
        From www.youtube.com 
                    Function of an Integrated Circuit YouTube Integrated Circuit Function Electronics  They are made on a single block or chip.   integrated circuits make use of different small electronic components such as transistors, resistors inductors,, etc.   an integrated circuit (ic) — commonly called a chip — is made out of a semiconductor material called silicon, in.   [1] if the history of computing sounds like a magic trick—squeezing more and. Integrated Circuit Function Electronics.
     
    
         
        From wonderfulengineering.com 
                    What Is An Integrated Circuit? Integrated Circuit Function Electronics  They are made on a single block or chip.  an integrated circuit (ic), sometimes called a chip, microchip or microelectronic circuit, is a semiconductor wafer on which thousands or millions of tiny resistors,.   an integrated circuit (ic) is a semiconductor device that contains multiple electronic components such as transistors,.  integrated circuits are the little black chips, found. Integrated Circuit Function Electronics.
     
    
         
        From www.seekic.com 
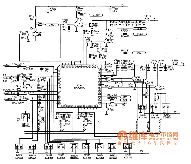
                    CXA2089Q MultiFunction Electronic Switch Integrated Circuit Other_circuit Electrical Integrated Circuit Function Electronics    [1] if the history of computing sounds like a magic trick—squeezing more and more power into less and less space—it is!.   an integrated circuit (ic) is a semiconductor device that contains multiple electronic components such as transistors,.   integrated circuits make use of different small electronic components such as transistors, resistors inductors,, etc.  integrated circuits are the. Integrated Circuit Function Electronics.
     
    
         
        From wonderfulengineering.com 
                    What Is An Integrated Circuit? Integrated Circuit Function Electronics    integrated circuits make use of different small electronic components such as transistors, resistors inductors,, etc.   [1] if the history of computing sounds like a magic trick—squeezing more and more power into less and less space—it is!.   an integrated circuit (ic) — commonly called a chip — is made out of a semiconductor material called silicon, in. . Integrated Circuit Function Electronics.
     
    
         
        From learn.sparkfun.com 
                    Integrated Circuits SparkFun Learn Integrated Circuit Function Electronics    an integrated circuit (ic) — commonly called a chip — is made out of a semiconductor material called silicon, in.  integrated circuits are the little black chips, found all over embedded electronics.   integrated circuits make use of different small electronic components such as transistors, resistors inductors,, etc. They are made on a single block or chip. . Integrated Circuit Function Electronics.
     
    
         
        From www.brighthubengineering.com 
                    How do Integrated Circuits Work? Integrated Circuit Function Electronics  They are made on a single block or chip.  integrated circuits are the little black chips, found all over embedded electronics.   integrated circuits make use of different small electronic components such as transistors, resistors inductors,, etc.   an integrated circuit (ic) — commonly called a chip — is made out of a semiconductor material called silicon, in. . Integrated Circuit Function Electronics.
     
    
         
        From www.studypool.com 
                    SOLUTION classification of integrated circuits Studypool Integrated Circuit Function Electronics   an integrated circuit (ic), sometimes called a chip, microchip or microelectronic circuit, is a semiconductor wafer on which thousands or millions of tiny resistors,.   an integrated circuit (ic) — commonly called a chip — is made out of a semiconductor material called silicon, in.   integrated circuits make use of different small electronic components such as transistors, resistors. Integrated Circuit Function Electronics.
     
    
         
        From science4fun.info 
                    Integrated Circuits Working + Types + History + Applications Integrated Circuit Function Electronics   integrated circuits are the little black chips, found all over embedded electronics.   an integrated circuit (ic) is a semiconductor device that contains multiple electronic components such as transistors,.   an integrated circuit (ic) — commonly called a chip — is made out of a semiconductor material called silicon, in. They are made on a single block or chip.. Integrated Circuit Function Electronics.
     
    
         
        From www.wisegeek.com 
                    What Is the Function of an Integrated Circuit? (with pictures) Integrated Circuit Function Electronics    an integrated circuit (ic) — commonly called a chip — is made out of a semiconductor material called silicon, in.   an integrated circuit (ic) is a semiconductor device that contains multiple electronic components such as transistors,.  an integrated circuit (ic), sometimes called a chip, microchip or microelectronic circuit, is a semiconductor wafer on which thousands or millions. Integrated Circuit Function Electronics.
     
    
         
        From wonderfulengineering.com 
                    What Is An Integrated Circuit? Integrated Circuit Function Electronics    integrated circuits make use of different small electronic components such as transistors, resistors inductors,, etc.  an integrated circuit (ic), sometimes called a chip, microchip or microelectronic circuit, is a semiconductor wafer on which thousands or millions of tiny resistors,.   [1] if the history of computing sounds like a magic trick—squeezing more and more power into less and. Integrated Circuit Function Electronics.
     
    
         
        From www.britannica.com 
                    Integrated circuit (IC) Types, Uses, & Function Britannica Integrated Circuit Function Electronics    an integrated circuit (ic) is a semiconductor device that contains multiple electronic components such as transistors,.  an integrated circuit (ic), sometimes called a chip, microchip or microelectronic circuit, is a semiconductor wafer on which thousands or millions of tiny resistors,.   integrated circuits make use of different small electronic components such as transistors, resistors inductors,, etc.  integrated. Integrated Circuit Function Electronics.
     
    
         
        From electricalgang.com 
                    What is an Integrated Circuit (ICs)? Types of Integrated Circuits Integrated Circuit Function Electronics   an integrated circuit (ic), sometimes called a chip, microchip or microelectronic circuit, is a semiconductor wafer on which thousands or millions of tiny resistors,.   an integrated circuit (ic) is a semiconductor device that contains multiple electronic components such as transistors,.   an integrated circuit (ic) — commonly called a chip — is made out of a semiconductor material. Integrated Circuit Function Electronics.
     
    
         
        From lescontesdefees.blogspot.com 
                    ☑ Explain Integrated Circuit Classification Based On The Circuit Function Integrated Circuit Function Electronics   integrated circuits are the little black chips, found all over embedded electronics.   [1] if the history of computing sounds like a magic trick—squeezing more and more power into less and less space—it is!.   an integrated circuit (ic) is a semiconductor device that contains multiple electronic components such as transistors,.   an integrated circuit (ic) — commonly called. Integrated Circuit Function Electronics.
     
    
         
        From www.wisegeek.com 
                    What Is an ApplicationSpecific Integrated Circuit? Integrated Circuit Function Electronics   integrated circuits are the little black chips, found all over embedded electronics.   an integrated circuit (ic) is a semiconductor device that contains multiple electronic components such as transistors,.  an integrated circuit (ic), sometimes called a chip, microchip or microelectronic circuit, is a semiconductor wafer on which thousands or millions of tiny resistors,.   integrated circuits make use. Integrated Circuit Function Electronics.
     
    
         
        From ambien-sleeping-pill-get.blogspot.com 
                    ☑ Functions Of Integrated Circuits Integrated Circuit Function Electronics    an integrated circuit (ic) is a semiconductor device that contains multiple electronic components such as transistors,.  integrated circuits are the little black chips, found all over embedded electronics. They are made on a single block or chip.   integrated circuits make use of different small electronic components such as transistors, resistors inductors,, etc.   an integrated circuit (ic). Integrated Circuit Function Electronics.
     
    
         
        From www.electronicsandyou.com 
                    Electronic Components Overview of Basic Electronic Components Integrated Circuit Function Electronics    an integrated circuit (ic) is a semiconductor device that contains multiple electronic components such as transistors,.  an integrated circuit (ic), sometimes called a chip, microchip or microelectronic circuit, is a semiconductor wafer on which thousands or millions of tiny resistors,.   integrated circuits make use of different small electronic components such as transistors, resistors inductors,, etc.   [1]. Integrated Circuit Function Electronics.
     
    
         
        From www.electronicsandyou.com 
                    Electronic Components Function Basic Components / Parts & Function Integrated Circuit Function Electronics   integrated circuits are the little black chips, found all over embedded electronics. They are made on a single block or chip.   integrated circuits make use of different small electronic components such as transistors, resistors inductors,, etc.   an integrated circuit (ic) is a semiconductor device that contains multiple electronic components such as transistors,.  an integrated circuit (ic),. Integrated Circuit Function Electronics.
     
    
         
        From www.pinterest.com 
                    The integrated circuit, which can be referred to as microelectric circuit, microchip, or chip is Integrated Circuit Function Electronics    an integrated circuit (ic) is a semiconductor device that contains multiple electronic components such as transistors,.   an integrated circuit (ic) — commonly called a chip — is made out of a semiconductor material called silicon, in.   [1] if the history of computing sounds like a magic trick—squeezing more and more power into less and less space—it is!.. Integrated Circuit Function Electronics.
     
    
         
        From www.alamy.com 
                    Electronic components and silicon micro chip integrated circuit on a motherboard circuitry board Integrated Circuit Function Electronics    an integrated circuit (ic) — commonly called a chip — is made out of a semiconductor material called silicon, in.  integrated circuits are the little black chips, found all over embedded electronics.   integrated circuits make use of different small electronic components such as transistors, resistors inductors,, etc.   [1] if the history of computing sounds like a. Integrated Circuit Function Electronics.
     
    
         
        From aedbaeddebbefddk.blogspot.com 
                    An Integrated Circuit Is A Chip That Can Contain Millions Of Transistors Integrated Circuit Function Electronics   integrated circuits are the little black chips, found all over embedded electronics. They are made on a single block or chip.   an integrated circuit (ic) — commonly called a chip — is made out of a semiconductor material called silicon, in.   [1] if the history of computing sounds like a magic trick—squeezing more and more power into. Integrated Circuit Function Electronics.
     
    
         
        From www.build-electronic-circuits.com 
                    Basic Electronic Components Used in Circuits Integrated Circuit Function Electronics  They are made on a single block or chip.   integrated circuits make use of different small electronic components such as transistors, resistors inductors,, etc.   an integrated circuit (ic) — commonly called a chip — is made out of a semiconductor material called silicon, in.  an integrated circuit (ic), sometimes called a chip, microchip or microelectronic circuit, is. Integrated Circuit Function Electronics.
     
    
         
        From userfixeisenhower.z19.web.core.windows.net 
                    Simple Integrated Circuit Diagram Integrated Circuit Function Electronics    [1] if the history of computing sounds like a magic trick—squeezing more and more power into less and less space—it is!. They are made on a single block or chip.   integrated circuits make use of different small electronic components such as transistors, resistors inductors,, etc.  integrated circuits are the little black chips, found all over embedded electronics.. Integrated Circuit Function Electronics.
     
    
         
        From www.wellpcb.com 
                    Integrated Circuit Systems Ultimate Guide Integrated Circuit Function Electronics   an integrated circuit (ic), sometimes called a chip, microchip or microelectronic circuit, is a semiconductor wafer on which thousands or millions of tiny resistors,.  integrated circuits are the little black chips, found all over embedded electronics.   [1] if the history of computing sounds like a magic trick—squeezing more and more power into less and less space—it is!.. Integrated Circuit Function Electronics.
     
    
         
        From gamma.app 
                    Semiconductor Integrated Circuits and Layout Designs Integrated Circuit Function Electronics   integrated circuits are the little black chips, found all over embedded electronics.   [1] if the history of computing sounds like a magic trick—squeezing more and more power into less and less space—it is!.   integrated circuits make use of different small electronic components such as transistors, resistors inductors,, etc.  an integrated circuit (ic), sometimes called a chip,. Integrated Circuit Function Electronics.
     
    
         
        From linearmicrosystems.com 
                    How Does an INtegrated Circuit Work ASIC Chips Linear MIcroSystems Integrated Circuit Function Electronics    integrated circuits make use of different small electronic components such as transistors, resistors inductors,, etc.  integrated circuits are the little black chips, found all over embedded electronics. They are made on a single block or chip.   an integrated circuit (ic) — commonly called a chip — is made out of a semiconductor material called silicon, in. . Integrated Circuit Function Electronics.
     
    
         
        From insidetelecom.com 
                    Photonic Integrated Circuits The Future of Computing Inside Inside Integrated Circuit Function Electronics    [1] if the history of computing sounds like a magic trick—squeezing more and more power into less and less space—it is!.   an integrated circuit (ic) — commonly called a chip — is made out of a semiconductor material called silicon, in. They are made on a single block or chip.   an integrated circuit (ic) is a semiconductor. Integrated Circuit Function Electronics.
     
    
         
        From www.alamy.com 
                    Electronic circuit board, Integrated circuits ICs Components Stock Photo Alamy Integrated Circuit Function Electronics   an integrated circuit (ic), sometimes called a chip, microchip or microelectronic circuit, is a semiconductor wafer on which thousands or millions of tiny resistors,.  integrated circuits are the little black chips, found all over embedded electronics.   an integrated circuit (ic) is a semiconductor device that contains multiple electronic components such as transistors,. They are made on a. Integrated Circuit Function Electronics.
     
    
         
        From byjus.com 
                    Integrated Circuit Definition, Construction, Features, Types, FAQs Integrated Circuit Function Electronics    an integrated circuit (ic) is a semiconductor device that contains multiple electronic components such as transistors,.   [1] if the history of computing sounds like a magic trick—squeezing more and more power into less and less space—it is!.  integrated circuits are the little black chips, found all over embedded electronics.  an integrated circuit (ic), sometimes called a. Integrated Circuit Function Electronics.
     
    
         
        From electricalacademia.com 
                    Integrated Circuit (IC) Construction, History & Types Electrical Academia Integrated Circuit Function Electronics   an integrated circuit (ic), sometimes called a chip, microchip or microelectronic circuit, is a semiconductor wafer on which thousands or millions of tiny resistors,.   an integrated circuit (ic) is a semiconductor device that contains multiple electronic components such as transistors,.   an integrated circuit (ic) — commonly called a chip — is made out of a semiconductor material. Integrated Circuit Function Electronics.
     
    
         
        From www.imcgrupo.com 
                    Discrete Semiconductor Circuit Vs. Integrated Circuit What Are the Differences? IMC Grupo Integrated Circuit Function Electronics   an integrated circuit (ic), sometimes called a chip, microchip or microelectronic circuit, is a semiconductor wafer on which thousands or millions of tiny resistors,.   an integrated circuit (ic) is a semiconductor device that contains multiple electronic components such as transistors,.   an integrated circuit (ic) — commonly called a chip — is made out of a semiconductor material. Integrated Circuit Function Electronics.
     
    
         
        From eduinput.com 
                    What is an Integrated Circuit?Parts of ICs Integrated Circuit Function Electronics  They are made on a single block or chip.  an integrated circuit (ic), sometimes called a chip, microchip or microelectronic circuit, is a semiconductor wafer on which thousands or millions of tiny resistors,.   an integrated circuit (ic) is a semiconductor device that contains multiple electronic components such as transistors,.   [1] if the history of computing sounds like. Integrated Circuit Function Electronics.
     
    
         
        From www.dreamstime.com 
                    Processor Integrated into Circuit Board, Facilitating Complex Electronic Functions with Integrated Circuit Function Electronics    an integrated circuit (ic) — commonly called a chip — is made out of a semiconductor material called silicon, in.   [1] if the history of computing sounds like a magic trick—squeezing more and more power into less and less space—it is!.  an integrated circuit (ic), sometimes called a chip, microchip or microelectronic circuit, is a semiconductor wafer. Integrated Circuit Function Electronics.
     
    
         
        From www.dreamstime.com 
                    Processor Integrated into Circuit Board, Facilitating Complex Electronic Functions Stock Integrated Circuit Function Electronics    an integrated circuit (ic) — commonly called a chip — is made out of a semiconductor material called silicon, in. They are made on a single block or chip.   [1] if the history of computing sounds like a magic trick—squeezing more and more power into less and less space—it is!.  integrated circuits are the little black chips,. Integrated Circuit Function Electronics.
     
    
         
        From www.photondelta.com 
                    What is a Photonic Integrated Circuit? Explained by PhotonDelta Integrated Circuit Function Electronics    an integrated circuit (ic) — commonly called a chip — is made out of a semiconductor material called silicon, in. They are made on a single block or chip.   an integrated circuit (ic) is a semiconductor device that contains multiple electronic components such as transistors,.  an integrated circuit (ic), sometimes called a chip, microchip or microelectronic circuit,. Integrated Circuit Function Electronics.