Wind Turbine Mppt Charge Controller Circuit . Mppt charge conversion for high efficiency wind charging. This diagram shows the basic setup for those who wish to build their own wind or solar energy project. This controller measures the current. The mppt hybrid boost charge controller is a combined wind and solar controller with integrated micro. Voltage boosting for wind power in low wind. the wind charging circuit of this controller features advanced mppt boost charging technology to extract the maximum. the hybrid boost charge controller features: there is also a lot of home made mppt (maximum power point tracker) controllers for solar application but not so much for. charge controller wiring diagram for diy wind turbine or solar panels:
from www.homemade-circuits.com
charge controller wiring diagram for diy wind turbine or solar panels: the wind charging circuit of this controller features advanced mppt boost charging technology to extract the maximum. This diagram shows the basic setup for those who wish to build their own wind or solar energy project. Mppt charge conversion for high efficiency wind charging. Voltage boosting for wind power in low wind. there is also a lot of home made mppt (maximum power point tracker) controllers for solar application but not so much for. This controller measures the current. The mppt hybrid boost charge controller is a combined wind and solar controller with integrated micro. the hybrid boost charge controller features:
Best 3 MPPT Solar Charge Controller Circuits for Efficient Battery
Wind Turbine Mppt Charge Controller Circuit Voltage boosting for wind power in low wind. This controller measures the current. The mppt hybrid boost charge controller is a combined wind and solar controller with integrated micro. the wind charging circuit of this controller features advanced mppt boost charging technology to extract the maximum. there is also a lot of home made mppt (maximum power point tracker) controllers for solar application but not so much for. This diagram shows the basic setup for those who wish to build their own wind or solar energy project. Mppt charge conversion for high efficiency wind charging. the hybrid boost charge controller features: charge controller wiring diagram for diy wind turbine or solar panels: Voltage boosting for wind power in low wind.
From www.inverter.com
1000W Wind Turbine MPPT Charge Controller, 12V/24V Wind Turbine Mppt Charge Controller Circuit the wind charging circuit of this controller features advanced mppt boost charging technology to extract the maximum. Voltage boosting for wind power in low wind. Mppt charge conversion for high efficiency wind charging. This diagram shows the basic setup for those who wish to build their own wind or solar energy project. charge controller wiring diagram for diy. Wind Turbine Mppt Charge Controller Circuit.
From www.aliexpress.com
high voltage wind turbine controller 48Volt 3KW Buck function MPPT Wind Turbine Mppt Charge Controller Circuit charge controller wiring diagram for diy wind turbine or solar panels: The mppt hybrid boost charge controller is a combined wind and solar controller with integrated micro. the wind charging circuit of this controller features advanced mppt boost charging technology to extract the maximum. the hybrid boost charge controller features: there is also a lot of. Wind Turbine Mppt Charge Controller Circuit.
From www.aliexpress.com
MPPT Wind Solar Hybrid Charge Controller 300W 400W 500W 600W wind Wind Turbine Mppt Charge Controller Circuit Mppt charge conversion for high efficiency wind charging. there is also a lot of home made mppt (maximum power point tracker) controllers for solar application but not so much for. the hybrid boost charge controller features: charge controller wiring diagram for diy wind turbine or solar panels: This controller measures the current. This diagram shows the basic. Wind Turbine Mppt Charge Controller Circuit.
From akytec.de
Blog Wind turbine control concept using akYtec products akYtec Wind Turbine Mppt Charge Controller Circuit Voltage boosting for wind power in low wind. there is also a lot of home made mppt (maximum power point tracker) controllers for solar application but not so much for. Mppt charge conversion for high efficiency wind charging. The mppt hybrid boost charge controller is a combined wind and solar controller with integrated micro. the wind charging circuit. Wind Turbine Mppt Charge Controller Circuit.
From www.cleanenergyreviews.info
MPPT Solar Charge Controllers Explained — Clean Energy Reviews Wind Turbine Mppt Charge Controller Circuit Voltage boosting for wind power in low wind. The mppt hybrid boost charge controller is a combined wind and solar controller with integrated micro. charge controller wiring diagram for diy wind turbine or solar panels: This diagram shows the basic setup for those who wish to build their own wind or solar energy project. Mppt charge conversion for high. Wind Turbine Mppt Charge Controller Circuit.
From www.inverter.com
1000W Wind Turbine MPPT Charge Controller, 12V/24V Wind Turbine Mppt Charge Controller Circuit Voltage boosting for wind power in low wind. the hybrid boost charge controller features: This controller measures the current. there is also a lot of home made mppt (maximum power point tracker) controllers for solar application but not so much for. The mppt hybrid boost charge controller is a combined wind and solar controller with integrated micro. This. Wind Turbine Mppt Charge Controller Circuit.
From www.dhgate.com
MPPT/BOOST 120W720W 10A/16A/20A/30A Wind Charge Controller For Wind Wind Turbine Mppt Charge Controller Circuit the hybrid boost charge controller features: Voltage boosting for wind power in low wind. Mppt charge conversion for high efficiency wind charging. there is also a lot of home made mppt (maximum power point tracker) controllers for solar application but not so much for. charge controller wiring diagram for diy wind turbine or solar panels: the. Wind Turbine Mppt Charge Controller Circuit.
From www.inverter.com
1000W Wind Turbine MPPT Charge Controller, 12V/24V Wind Turbine Mppt Charge Controller Circuit the wind charging circuit of this controller features advanced mppt boost charging technology to extract the maximum. there is also a lot of home made mppt (maximum power point tracker) controllers for solar application but not so much for. the hybrid boost charge controller features: Mppt charge conversion for high efficiency wind charging. This diagram shows the. Wind Turbine Mppt Charge Controller Circuit.
From bahamas.desertcart.com
Buy MPPT Wind Turbines Generator Charge Controller, 48V Automatic Wind Turbine Mppt Charge Controller Circuit charge controller wiring diagram for diy wind turbine or solar panels: the wind charging circuit of this controller features advanced mppt boost charging technology to extract the maximum. the hybrid boost charge controller features: Voltage boosting for wind power in low wind. This controller measures the current. The mppt hybrid boost charge controller is a combined wind. Wind Turbine Mppt Charge Controller Circuit.
From www.aliexpress.com
48V MPPT controller 300w wind power Wind turbine Charge Controllerin Wind Turbine Mppt Charge Controller Circuit Mppt charge conversion for high efficiency wind charging. there is also a lot of home made mppt (maximum power point tracker) controllers for solar application but not so much for. the wind charging circuit of this controller features advanced mppt boost charging technology to extract the maximum. The mppt hybrid boost charge controller is a combined wind and. Wind Turbine Mppt Charge Controller Circuit.
From shopee.ph
MPPT Wind Turbines Charge Controller 5001000W 12/24V Auto Waterproof Wind Turbine Mppt Charge Controller Circuit Voltage boosting for wind power in low wind. Mppt charge conversion for high efficiency wind charging. The mppt hybrid boost charge controller is a combined wind and solar controller with integrated micro. This controller measures the current. charge controller wiring diagram for diy wind turbine or solar panels: there is also a lot of home made mppt (maximum. Wind Turbine Mppt Charge Controller Circuit.
From www.dhgate.com
MPPT/BOOST 200W/400W 16A Wind Charge Controller For Wind Turbine Wind Turbine Mppt Charge Controller Circuit Mppt charge conversion for high efficiency wind charging. This diagram shows the basic setup for those who wish to build their own wind or solar energy project. The mppt hybrid boost charge controller is a combined wind and solar controller with integrated micro. the wind charging circuit of this controller features advanced mppt boost charging technology to extract the. Wind Turbine Mppt Charge Controller Circuit.
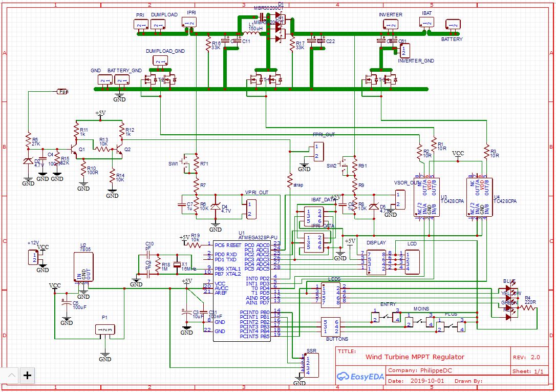
From www.hackster.io
A Wind Turbine MPPT Regulator with an Arduino Uno Hackster.io Wind Turbine Mppt Charge Controller Circuit The mppt hybrid boost charge controller is a combined wind and solar controller with integrated micro. This controller measures the current. the wind charging circuit of this controller features advanced mppt boost charging technology to extract the maximum. Voltage boosting for wind power in low wind. the hybrid boost charge controller features: charge controller wiring diagram for. Wind Turbine Mppt Charge Controller Circuit.
From www.researchgate.net
MPPT structure with a wind speed sensor Download Scientific Diagram Wind Turbine Mppt Charge Controller Circuit The mppt hybrid boost charge controller is a combined wind and solar controller with integrated micro. there is also a lot of home made mppt (maximum power point tracker) controllers for solar application but not so much for. Mppt charge conversion for high efficiency wind charging. charge controller wiring diagram for diy wind turbine or solar panels: . Wind Turbine Mppt Charge Controller Circuit.
From ensyscobd.com
50A MPPT Solar Charge Controller Price in Bangladesh 50A MPPT Wind Wind Turbine Mppt Charge Controller Circuit the hybrid boost charge controller features: This diagram shows the basic setup for those who wish to build their own wind or solar energy project. This controller measures the current. Voltage boosting for wind power in low wind. there is also a lot of home made mppt (maximum power point tracker) controllers for solar application but not so. Wind Turbine Mppt Charge Controller Circuit.
From www.solarwind-hybridsystem.com
Industrial 48 Volt Wind Turbine Charge Controller / Pwm Mppt Charge Wind Turbine Mppt Charge Controller Circuit This controller measures the current. This diagram shows the basic setup for those who wish to build their own wind or solar energy project. the wind charging circuit of this controller features advanced mppt boost charging technology to extract the maximum. the hybrid boost charge controller features: there is also a lot of home made mppt (maximum. Wind Turbine Mppt Charge Controller Circuit.
From manuallibraryworrying.z14.web.core.windows.net
Hybrid Inverter Circuit Diagram Wind Turbine Mppt Charge Controller Circuit The mppt hybrid boost charge controller is a combined wind and solar controller with integrated micro. there is also a lot of home made mppt (maximum power point tracker) controllers for solar application but not so much for. This diagram shows the basic setup for those who wish to build their own wind or solar energy project. charge. Wind Turbine Mppt Charge Controller Circuit.
From www.rx-energy.com
Customized MPPT Wind Turbine Charge Controller Suppliers, Manufacturers Wind Turbine Mppt Charge Controller Circuit charge controller wiring diagram for diy wind turbine or solar panels: The mppt hybrid boost charge controller is a combined wind and solar controller with integrated micro. Mppt charge conversion for high efficiency wind charging. the wind charging circuit of this controller features advanced mppt boost charging technology to extract the maximum. the hybrid boost charge controller. Wind Turbine Mppt Charge Controller Circuit.
From wiredataulrike77.z19.web.core.windows.net
Wind Turbine Controller Circuit Diagram Wind Turbine Mppt Charge Controller Circuit This diagram shows the basic setup for those who wish to build their own wind or solar energy project. the wind charging circuit of this controller features advanced mppt boost charging technology to extract the maximum. the hybrid boost charge controller features: The mppt hybrid boost charge controller is a combined wind and solar controller with integrated micro.. Wind Turbine Mppt Charge Controller Circuit.
From www.aliexpress.com
1100W/1200W/1400W Boost MPPT Wind Solar Hybrid Controller Wind+Solar 12 Wind Turbine Mppt Charge Controller Circuit The mppt hybrid boost charge controller is a combined wind and solar controller with integrated micro. This diagram shows the basic setup for those who wish to build their own wind or solar energy project. the hybrid boost charge controller features: Voltage boosting for wind power in low wind. the wind charging circuit of this controller features advanced. Wind Turbine Mppt Charge Controller Circuit.
From create.arduino.cc
A Wind Turbine MPPT Regulator with an Arduino Uno Arduino Project Hub Wind Turbine Mppt Charge Controller Circuit This diagram shows the basic setup for those who wish to build their own wind or solar energy project. the hybrid boost charge controller features: The mppt hybrid boost charge controller is a combined wind and solar controller with integrated micro. the wind charging circuit of this controller features advanced mppt boost charging technology to extract the maximum.. Wind Turbine Mppt Charge Controller Circuit.
From www.dhgate.com
Wind Solar Hybrid System MPPT Charge Controller 400w1000w Wind 200w Wind Turbine Mppt Charge Controller Circuit This diagram shows the basic setup for those who wish to build their own wind or solar energy project. Voltage boosting for wind power in low wind. the wind charging circuit of this controller features advanced mppt boost charging technology to extract the maximum. there is also a lot of home made mppt (maximum power point tracker) controllers. Wind Turbine Mppt Charge Controller Circuit.
From www.desertcart.ae
Buy 1600W Wind Solar Hybrid Charge Controller with Dump Load for max Wind Turbine Mppt Charge Controller Circuit Mppt charge conversion for high efficiency wind charging. there is also a lot of home made mppt (maximum power point tracker) controllers for solar application but not so much for. Voltage boosting for wind power in low wind. charge controller wiring diagram for diy wind turbine or solar panels: The mppt hybrid boost charge controller is a combined. Wind Turbine Mppt Charge Controller Circuit.
From www.aliexpress.com
MPPT Wind Solar Hybrid Charge Controller with 48V 3KW wind 900W solar Wind Turbine Mppt Charge Controller Circuit Mppt charge conversion for high efficiency wind charging. The mppt hybrid boost charge controller is a combined wind and solar controller with integrated micro. the hybrid boost charge controller features: there is also a lot of home made mppt (maximum power point tracker) controllers for solar application but not so much for. charge controller wiring diagram for. Wind Turbine Mppt Charge Controller Circuit.
From www.wiringdraw.com
Wind Power Schematic Diagram » Wiring Draw And Schematic Wind Turbine Mppt Charge Controller Circuit charge controller wiring diagram for diy wind turbine or solar panels: This diagram shows the basic setup for those who wish to build their own wind or solar energy project. Mppt charge conversion for high efficiency wind charging. The mppt hybrid boost charge controller is a combined wind and solar controller with integrated micro. the wind charging circuit. Wind Turbine Mppt Charge Controller Circuit.
From www.homemade-circuits.com
Best 3 MPPT Solar Charge Controller Circuits for Efficient Battery Wind Turbine Mppt Charge Controller Circuit Voltage boosting for wind power in low wind. there is also a lot of home made mppt (maximum power point tracker) controllers for solar application but not so much for. the wind charging circuit of this controller features advanced mppt boost charging technology to extract the maximum. the hybrid boost charge controller features: This controller measures the. Wind Turbine Mppt Charge Controller Circuit.
From www.desertcart.in
Buy 10000W Wind Solar Hybrid System MPPT Charge Controller with Dump Wind Turbine Mppt Charge Controller Circuit The mppt hybrid boost charge controller is a combined wind and solar controller with integrated micro. Voltage boosting for wind power in low wind. Mppt charge conversion for high efficiency wind charging. there is also a lot of home made mppt (maximum power point tracker) controllers for solar application but not so much for. This diagram shows the basic. Wind Turbine Mppt Charge Controller Circuit.
From forum.arduino.cc
MPPT charge controller for wind turbine Project Guidance Arduino Forum Wind Turbine Mppt Charge Controller Circuit Voltage boosting for wind power in low wind. charge controller wiring diagram for diy wind turbine or solar panels: the wind charging circuit of this controller features advanced mppt boost charging technology to extract the maximum. the hybrid boost charge controller features: This controller measures the current. there is also a lot of home made mppt. Wind Turbine Mppt Charge Controller Circuit.
From www.aliexpress.com
1KW 48V MPPT wind power charge controller with Boost function, RS Wind Turbine Mppt Charge Controller Circuit the hybrid boost charge controller features: the wind charging circuit of this controller features advanced mppt boost charging technology to extract the maximum. Voltage boosting for wind power in low wind. The mppt hybrid boost charge controller is a combined wind and solar controller with integrated micro. This controller measures the current. charge controller wiring diagram for. Wind Turbine Mppt Charge Controller Circuit.
From br.pinterest.com
Charge Controller Wiring Diagram for DIY Wind Turbine or Solar Panels Wind Turbine Mppt Charge Controller Circuit The mppt hybrid boost charge controller is a combined wind and solar controller with integrated micro. Mppt charge conversion for high efficiency wind charging. there is also a lot of home made mppt (maximum power point tracker) controllers for solar application but not so much for. the hybrid boost charge controller features: charge controller wiring diagram for. Wind Turbine Mppt Charge Controller Circuit.
From chileb.cl
New 300/400/500/600W 12/24V Auto MPPT Wind Turbine Controller Wind Turbine Mppt Charge Controller Circuit This diagram shows the basic setup for those who wish to build their own wind or solar energy project. The mppt hybrid boost charge controller is a combined wind and solar controller with integrated micro. This controller measures the current. Mppt charge conversion for high efficiency wind charging. the hybrid boost charge controller features: charge controller wiring diagram. Wind Turbine Mppt Charge Controller Circuit.
From www.desertcart.lk
Buy 2800W Wind Solar Hybrid Charge Controller, Auto 24V/48V Battery Wind Turbine Mppt Charge Controller Circuit the hybrid boost charge controller features: Voltage boosting for wind power in low wind. This diagram shows the basic setup for those who wish to build their own wind or solar energy project. The mppt hybrid boost charge controller is a combined wind and solar controller with integrated micro. charge controller wiring diagram for diy wind turbine or. Wind Turbine Mppt Charge Controller Circuit.
From www.aliexpress.com
Boost MPPT Wind Solar Hybrid Charge Controller 12V/24V for 300W 400W Wind Turbine Mppt Charge Controller Circuit This diagram shows the basic setup for those who wish to build their own wind or solar energy project. there is also a lot of home made mppt (maximum power point tracker) controllers for solar application but not so much for. This controller measures the current. Mppt charge conversion for high efficiency wind charging. the hybrid boost charge. Wind Turbine Mppt Charge Controller Circuit.
From circuitdataolivarria.z21.web.core.windows.net
Mppt Charge Controller Circuit Diagrams Wind Turbine Mppt Charge Controller Circuit there is also a lot of home made mppt (maximum power point tracker) controllers for solar application but not so much for. the hybrid boost charge controller features: the wind charging circuit of this controller features advanced mppt boost charging technology to extract the maximum. This diagram shows the basic setup for those who wish to build. Wind Turbine Mppt Charge Controller Circuit.
From www.lazada.com.ph
Voltage Boost Wind Controller 12V 24V MPPT Rectifier Wind Charge Wind Turbine Mppt Charge Controller Circuit Voltage boosting for wind power in low wind. the hybrid boost charge controller features: Mppt charge conversion for high efficiency wind charging. the wind charging circuit of this controller features advanced mppt boost charging technology to extract the maximum. This controller measures the current. This diagram shows the basic setup for those who wish to build their own. Wind Turbine Mppt Charge Controller Circuit.