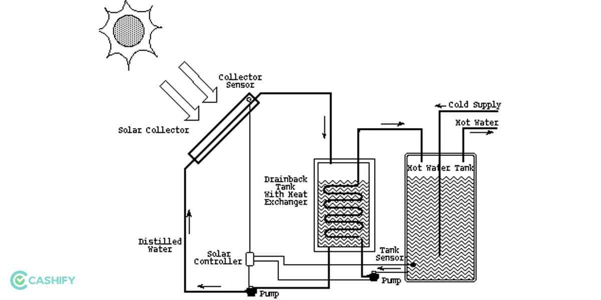
How Does The Solar Water Heater Function . Solar water heaters use the sun’s free and renewable energy to heat water, significantly reducing the need for electricity or gas. The sun's thermal energy heats the fluid in the solar collectors. This heat is then transferred to a fluid in. The collectors capture sunlight and. Typically, solar panels work by transferring heat from the collector to the tank through a separate circuit and a heat exchanger. Solar water heaters consist of solar collectors and a system to transfer the heat to the water. Heat collected by the panel heats up water (or oil. Solar water heaters harness the sun’s abundant energy to provide hot water for your home.
        
         
         
        from www.cashify.in 
     
        
        Typically, solar panels work by transferring heat from the collector to the tank through a separate circuit and a heat exchanger. The collectors capture sunlight and. Heat collected by the panel heats up water (or oil. Solar water heaters use the sun’s free and renewable energy to heat water, significantly reducing the need for electricity or gas. Solar water heaters consist of solar collectors and a system to transfer the heat to the water. The sun's thermal energy heats the fluid in the solar collectors. This heat is then transferred to a fluid in. Solar water heaters harness the sun’s abundant energy to provide hot water for your home.
    
    	
            
	
		 
	 
         
    What Is Solar Water Heating System And How Does it Work? Cashify Blog 
    How Does The Solar Water Heater Function  The sun's thermal energy heats the fluid in the solar collectors. This heat is then transferred to a fluid in. Heat collected by the panel heats up water (or oil. The collectors capture sunlight and. Solar water heaters harness the sun’s abundant energy to provide hot water for your home. Solar water heaters consist of solar collectors and a system to transfer the heat to the water. Solar water heaters use the sun’s free and renewable energy to heat water, significantly reducing the need for electricity or gas. Typically, solar panels work by transferring heat from the collector to the tank through a separate circuit and a heat exchanger. The sun's thermal energy heats the fluid in the solar collectors.
            
	
		 
	 
         
 
    
         
        From rowher.saisonsdumonde.fr 
                    Solar Water Heater Installation Process How to Install Solar Water Heater How Does The Solar Water Heater Function  The collectors capture sunlight and. The sun's thermal energy heats the fluid in the solar collectors. Solar water heaters consist of solar collectors and a system to transfer the heat to the water. Typically, solar panels work by transferring heat from the collector to the tank through a separate circuit and a heat exchanger. Solar water heaters harness the sun’s. How Does The Solar Water Heater Function.
     
    
         
        From spheralsolar.com 
                    How Does a Solar Water Heater Work? Spheral Solar How Does The Solar Water Heater Function  Heat collected by the panel heats up water (or oil. Typically, solar panels work by transferring heat from the collector to the tank through a separate circuit and a heat exchanger. The sun's thermal energy heats the fluid in the solar collectors. Solar water heaters harness the sun’s abundant energy to provide hot water for your home. The collectors capture. How Does The Solar Water Heater Function.
     
    
         
        From www.foxvalleyplumbing.com 
                    Solar Water Heater How it works, Advantages, Cost Efficiency Fox How Does The Solar Water Heater Function  This heat is then transferred to a fluid in. Heat collected by the panel heats up water (or oil. The collectors capture sunlight and. Solar water heaters use the sun’s free and renewable energy to heat water, significantly reducing the need for electricity or gas. Typically, solar panels work by transferring heat from the collector to the tank through a. How Does The Solar Water Heater Function.
     
    
         
        From www.iamcountryside.com 
                    What is Solar Water Heating and How Does it Work? Countryside How Does The Solar Water Heater Function  The collectors capture sunlight and. Solar water heaters consist of solar collectors and a system to transfer the heat to the water. This heat is then transferred to a fluid in. Typically, solar panels work by transferring heat from the collector to the tank through a separate circuit and a heat exchanger. Heat collected by the panel heats up water. How Does The Solar Water Heater Function.
     
    
         
        From www.sexizpix.com 
                    Best Solar Hot Water System Complete Guide SolarmaticSexiz Pix How Does The Solar Water Heater Function  Solar water heaters harness the sun’s abundant energy to provide hot water for your home. Solar water heaters consist of solar collectors and a system to transfer the heat to the water. Heat collected by the panel heats up water (or oil. The sun's thermal energy heats the fluid in the solar collectors. This heat is then transferred to a. How Does The Solar Water Heater Function.
     
    
         
        From www.slideshare.net 
                    Working Principle of Solar Water Heater How Does The Solar Water Heater Function  Typically, solar panels work by transferring heat from the collector to the tank through a separate circuit and a heat exchanger. Solar water heaters consist of solar collectors and a system to transfer the heat to the water. Solar water heaters use the sun’s free and renewable energy to heat water, significantly reducing the need for electricity or gas. The. How Does The Solar Water Heater Function.
     
    
         
        From ressolar.com 
                    How solar hot water works RES Solar How Does The Solar Water Heater Function  Solar water heaters use the sun’s free and renewable energy to heat water, significantly reducing the need for electricity or gas. The sun's thermal energy heats the fluid in the solar collectors. Typically, solar panels work by transferring heat from the collector to the tank through a separate circuit and a heat exchanger. Heat collected by the panel heats up. How Does The Solar Water Heater Function.
     
    
         
        From www.artplumbingandac.com 
                    Solar Water Heating System Introduction To Alternative Water Heating How Does The Solar Water Heater Function  Solar water heaters harness the sun’s abundant energy to provide hot water for your home. The sun's thermal energy heats the fluid in the solar collectors. The collectors capture sunlight and. Solar water heaters consist of solar collectors and a system to transfer the heat to the water. Typically, solar panels work by transferring heat from the collector to the. How Does The Solar Water Heater Function.
     
    
         
        From mosolarapps.com 
                    SolarHotWater Mo Solar How Does The Solar Water Heater Function  Solar water heaters harness the sun’s abundant energy to provide hot water for your home. Solar water heaters use the sun’s free and renewable energy to heat water, significantly reducing the need for electricity or gas. Heat collected by the panel heats up water (or oil. Typically, solar panels work by transferring heat from the collector to the tank through. How Does The Solar Water Heater Function.
     
    
         
        From www.researchgate.net 
                    Schematic diagram of a thermosyphonbased solar water heater How Does The Solar Water Heater Function  Solar water heaters harness the sun’s abundant energy to provide hot water for your home. Typically, solar panels work by transferring heat from the collector to the tank through a separate circuit and a heat exchanger. Heat collected by the panel heats up water (or oil. Solar water heaters consist of solar collectors and a system to transfer the heat. How Does The Solar Water Heater Function.
     
    
         
        From encounterfineart.com 
                    Solar Water Heating Systems (2022) How Does The Solar Water Heater Function  The sun's thermal energy heats the fluid in the solar collectors. Solar water heaters consist of solar collectors and a system to transfer the heat to the water. Solar water heaters harness the sun’s abundant energy to provide hot water for your home. The collectors capture sunlight and. Solar water heaters use the sun’s free and renewable energy to heat. How Does The Solar Water Heater Function.
     
    
         
        From www.cashify.in 
                    What Is Solar Water Heating System And How Does it Work? Cashify Blog How Does The Solar Water Heater Function  The collectors capture sunlight and. Solar water heaters harness the sun’s abundant energy to provide hot water for your home. This heat is then transferred to a fluid in. Solar water heaters consist of solar collectors and a system to transfer the heat to the water. Heat collected by the panel heats up water (or oil. Typically, solar panels work. How Does The Solar Water Heater Function.
     
    
         
        From www.electronicsandyou.com 
                    How Solar Water Heater Works Solar Water Heater Working Principle How Does The Solar Water Heater Function  Solar water heaters consist of solar collectors and a system to transfer the heat to the water. The collectors capture sunlight and. Heat collected by the panel heats up water (or oil. Typically, solar panels work by transferring heat from the collector to the tank through a separate circuit and a heat exchanger. The sun's thermal energy heats the fluid. How Does The Solar Water Heater Function.
     
    
         
        From www.solar-waterheaters.co.in 
                    Working Principle How a solar water heating system works the basics How Does The Solar Water Heater Function  Heat collected by the panel heats up water (or oil. This heat is then transferred to a fluid in. The collectors capture sunlight and. Solar water heaters use the sun’s free and renewable energy to heat water, significantly reducing the need for electricity or gas. The sun's thermal energy heats the fluid in the solar collectors. Typically, solar panels work. How Does The Solar Water Heater Function.
     
    
         
        From bro4u.com 
                    SolarWaterHeaterworking Bro4u Blog How Does The Solar Water Heater Function  This heat is then transferred to a fluid in. Solar water heaters harness the sun’s abundant energy to provide hot water for your home. Solar water heaters consist of solar collectors and a system to transfer the heat to the water. Heat collected by the panel heats up water (or oil. Solar water heaters use the sun’s free and renewable. How Does The Solar Water Heater Function.
     
    
         
        From www.dwell.com 
                    Photo 4 of 4 in The Future of Solar Water Heating Dwell How Does The Solar Water Heater Function  The sun's thermal energy heats the fluid in the solar collectors. Solar water heaters use the sun’s free and renewable energy to heat water, significantly reducing the need for electricity or gas. Solar water heaters consist of solar collectors and a system to transfer the heat to the water. This heat is then transferred to a fluid in. Solar water. How Does The Solar Water Heater Function.
     
    
         
        From www.cashify.in 
                    What Is Solar Water Heating System And How Does it Work? Cashify Blog How Does The Solar Water Heater Function  Heat collected by the panel heats up water (or oil. Solar water heaters harness the sun’s abundant energy to provide hot water for your home. The collectors capture sunlight and. Typically, solar panels work by transferring heat from the collector to the tank through a separate circuit and a heat exchanger. Solar water heaters use the sun’s free and renewable. How Does The Solar Water Heater Function.
     
    
         
        From energytheory.com 
                    How Does Solar Water Heater Work in Winter Energy Theory How Does The Solar Water Heater Function  The collectors capture sunlight and. This heat is then transferred to a fluid in. Solar water heaters use the sun’s free and renewable energy to heat water, significantly reducing the need for electricity or gas. Heat collected by the panel heats up water (or oil. Typically, solar panels work by transferring heat from the collector to the tank through a. How Does The Solar Water Heater Function.
     
    
         
        From storables.com 
                    How Does A Solar Water Heater Work Storables How Does The Solar Water Heater Function  Typically, solar panels work by transferring heat from the collector to the tank through a separate circuit and a heat exchanger. Solar water heaters harness the sun’s abundant energy to provide hot water for your home. This heat is then transferred to a fluid in. Solar water heaters use the sun’s free and renewable energy to heat water, significantly reducing. How Does The Solar Water Heater Function.
     
    
         
        From quantumenergy.ca 
                    Solar Water Heaters Quantum Renewable Energy Inc. How Does The Solar Water Heater Function  Solar water heaters harness the sun’s abundant energy to provide hot water for your home. The collectors capture sunlight and. Solar water heaters use the sun’s free and renewable energy to heat water, significantly reducing the need for electricity or gas. The sun's thermal energy heats the fluid in the solar collectors. Solar water heaters consist of solar collectors and. How Does The Solar Water Heater Function.
     
    
         
        From pamasenergy.weebly.com 
                    Solar Water Heating System PAMAS Energy How Does The Solar Water Heater Function  Typically, solar panels work by transferring heat from the collector to the tank through a separate circuit and a heat exchanger. Solar water heaters harness the sun’s abundant energy to provide hot water for your home. Solar water heaters consist of solar collectors and a system to transfer the heat to the water. Heat collected by the panel heats up. How Does The Solar Water Heater Function.
     
    
         
        From www.cashify.in 
                    What Is Solar Water Heating System And How Does it Work? Cashify Blog How Does The Solar Water Heater Function  The collectors capture sunlight and. Solar water heaters harness the sun’s abundant energy to provide hot water for your home. This heat is then transferred to a fluid in. Solar water heaters consist of solar collectors and a system to transfer the heat to the water. Heat collected by the panel heats up water (or oil. Typically, solar panels work. How Does The Solar Water Heater Function.
     
    
         
        From sites.energycenter.org 
                    Save with Solar Water Heating CSIThermal Rebates CSE How Does The Solar Water Heater Function  Heat collected by the panel heats up water (or oil. The collectors capture sunlight and. This heat is then transferred to a fluid in. The sun's thermal energy heats the fluid in the solar collectors. Solar water heaters consist of solar collectors and a system to transfer the heat to the water. Solar water heaters harness the sun’s abundant energy. How Does The Solar Water Heater Function.
     
    
         
        From schempal.com 
                    How Does a Solar Water Heater Work Exploring the Schematic Diagram How Does The Solar Water Heater Function  This heat is then transferred to a fluid in. The collectors capture sunlight and. Solar water heaters consist of solar collectors and a system to transfer the heat to the water. Typically, solar panels work by transferring heat from the collector to the tank through a separate circuit and a heat exchanger. Heat collected by the panel heats up water. How Does The Solar Water Heater Function.
     
    
         
        From www.slideserve.com 
                    PPT HOW DOES A SOLAR WATER HEATER WORK PowerPoint Presentation, free How Does The Solar Water Heater Function  Solar water heaters harness the sun’s abundant energy to provide hot water for your home. Typically, solar panels work by transferring heat from the collector to the tank through a separate circuit and a heat exchanger. This heat is then transferred to a fluid in. Solar water heaters consist of solar collectors and a system to transfer the heat to. How Does The Solar Water Heater Function.
     
    
         
        From medium.com 
                    Solar Water HeaterHow does it works? by AlphaZee Systems Medium How Does The Solar Water Heater Function  Solar water heaters use the sun’s free and renewable energy to heat water, significantly reducing the need for electricity or gas. This heat is then transferred to a fluid in. The sun's thermal energy heats the fluid in the solar collectors. The collectors capture sunlight and. Typically, solar panels work by transferring heat from the collector to the tank through. How Does The Solar Water Heater Function.
     
    
         
        From www.cashify.in 
                    What Is Solar Water Heating System And How Does it Work? Cashify Blog How Does The Solar Water Heater Function  Heat collected by the panel heats up water (or oil. The sun's thermal energy heats the fluid in the solar collectors. Solar water heaters harness the sun’s abundant energy to provide hot water for your home. Solar water heaters consist of solar collectors and a system to transfer the heat to the water. This heat is then transferred to a. How Does The Solar Water Heater Function.
     
    
         
        From www.missionnewenergy.com 
                    How Does a Solar Water Heater Work? » Step By Step How Does The Solar Water Heater Function  This heat is then transferred to a fluid in. The collectors capture sunlight and. Solar water heaters use the sun’s free and renewable energy to heat water, significantly reducing the need for electricity or gas. The sun's thermal energy heats the fluid in the solar collectors. Solar water heaters consist of solar collectors and a system to transfer the heat. How Does The Solar Water Heater Function.
     
    
         
        From plumbingmililani.com 
                    Solar Water Heater Installation Oahu (808) 2010511 How Does The Solar Water Heater Function  The collectors capture sunlight and. Solar water heaters use the sun’s free and renewable energy to heat water, significantly reducing the need for electricity or gas. Solar water heaters consist of solar collectors and a system to transfer the heat to the water. Solar water heaters harness the sun’s abundant energy to provide hot water for your home. The sun's. How Does The Solar Water Heater Function.
     
    
         
        From cindimahoney.blogspot.com 
                    diy solar hot water heating systems Cindi Mahoney How Does The Solar Water Heater Function  Solar water heaters consist of solar collectors and a system to transfer the heat to the water. This heat is then transferred to a fluid in. Solar water heaters use the sun’s free and renewable energy to heat water, significantly reducing the need for electricity or gas. Solar water heaters harness the sun’s abundant energy to provide hot water for. How Does The Solar Water Heater Function.
     
    
         
        From wateruseitwisely.com 
                    Solar Water Heater 5 Important Reasons to Have One in Your Home How Does The Solar Water Heater Function  Typically, solar panels work by transferring heat from the collector to the tank through a separate circuit and a heat exchanger. The collectors capture sunlight and. Solar water heaters harness the sun’s abundant energy to provide hot water for your home. The sun's thermal energy heats the fluid in the solar collectors. This heat is then transferred to a fluid. How Does The Solar Water Heater Function.
     
    
         
        From www.youtube.com 
                    HOW TO DO SOLAR WATER HEATER CONNECTION/DIAGRAM/INSTALLATION/ ANIMATION How Does The Solar Water Heater Function  This heat is then transferred to a fluid in. Solar water heaters harness the sun’s abundant energy to provide hot water for your home. The sun's thermal energy heats the fluid in the solar collectors. Heat collected by the panel heats up water (or oil. Typically, solar panels work by transferring heat from the collector to the tank through a. How Does The Solar Water Heater Function.
     
    
         
        From medium.com 
                    Solar Water HeaterHow does it works? by AlphaZee Systems Medium How Does The Solar Water Heater Function  Typically, solar panels work by transferring heat from the collector to the tank through a separate circuit and a heat exchanger. The sun's thermal energy heats the fluid in the solar collectors. Solar water heaters harness the sun’s abundant energy to provide hot water for your home. The collectors capture sunlight and. This heat is then transferred to a fluid. How Does The Solar Water Heater Function.
     
    
         
        From bestofwaterheater.blogspot.com 
                    How Does A Solar Water Heater Work How Does The Solar Water Heater Function  Solar water heaters use the sun’s free and renewable energy to heat water, significantly reducing the need for electricity or gas. Solar water heaters harness the sun’s abundant energy to provide hot water for your home. This heat is then transferred to a fluid in. The collectors capture sunlight and. The sun's thermal energy heats the fluid in the solar. How Does The Solar Water Heater Function.
     
    
         
        From www.viridiansolar.co.uk 
                    Solar Heating How Does The Solar Water Heater Function  Heat collected by the panel heats up water (or oil. Solar water heaters harness the sun’s abundant energy to provide hot water for your home. The collectors capture sunlight and. Typically, solar panels work by transferring heat from the collector to the tank through a separate circuit and a heat exchanger. This heat is then transferred to a fluid in.. How Does The Solar Water Heater Function.