Strut Channel Size Chart . Learn how to select the best strut channel for your project based on load capacity, size, material, and finish. Many unistrut i'/s (41mm) channel sections are available as curved pieces in both single and combination styles. P1000 unistrut channel is 1. Unistrut's p1000 is the original metal framing strut channel and has been used in countless applications for over 90 years. Metal framing channel is cold formed on our modern rolling mills from 12 ga. They are fully adjustable and reusable, with a complete line of channels,. Commonly known as 12 gauge standard or deep strut. Compare different types and configurations of strut. Shop channel support systems covered in.
from www.sviinternational.com
Metal framing channel is cold formed on our modern rolling mills from 12 ga. Unistrut's p1000 is the original metal framing strut channel and has been used in countless applications for over 90 years. Compare different types and configurations of strut. P1000 unistrut channel is 1. Many unistrut i'/s (41mm) channel sections are available as curved pieces in both single and combination styles. They are fully adjustable and reusable, with a complete line of channels,. Commonly known as 12 gauge standard or deep strut. Shop channel support systems covered in. Learn how to select the best strut channel for your project based on load capacity, size, material, and finish.
Channel Strut Channel Bracket & Fittings (ZFittings) SVI
Strut Channel Size Chart Many unistrut i'/s (41mm) channel sections are available as curved pieces in both single and combination styles. Shop channel support systems covered in. Unistrut's p1000 is the original metal framing strut channel and has been used in countless applications for over 90 years. Many unistrut i'/s (41mm) channel sections are available as curved pieces in both single and combination styles. Commonly known as 12 gauge standard or deep strut. P1000 unistrut channel is 1. Metal framing channel is cold formed on our modern rolling mills from 12 ga. They are fully adjustable and reusable, with a complete line of channels,. Learn how to select the best strut channel for your project based on load capacity, size, material, and finish. Compare different types and configurations of strut.
From www.sviinternational.com
Channel Strut Channel Bracket & Fittings (ZFittings) SVI Strut Channel Size Chart Unistrut's p1000 is the original metal framing strut channel and has been used in countless applications for over 90 years. Many unistrut i'/s (41mm) channel sections are available as curved pieces in both single and combination styles. P1000 unistrut channel is 1. Commonly known as 12 gauge standard or deep strut. Metal framing channel is cold formed on our modern. Strut Channel Size Chart.
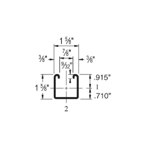
From www.electriduct.com
Galvanized Steel Metal Framing Strut Channels Half Slotted Strut Channel Size Chart Shop channel support systems covered in. Unistrut's p1000 is the original metal framing strut channel and has been used in countless applications for over 90 years. Learn how to select the best strut channel for your project based on load capacity, size, material, and finish. Compare different types and configurations of strut. Commonly known as 12 gauge standard or deep. Strut Channel Size Chart.
From mavink.com
Unistrut Sizes And Dimensions Strut Channel Size Chart They are fully adjustable and reusable, with a complete line of channels,. Compare different types and configurations of strut. Unistrut's p1000 is the original metal framing strut channel and has been used in countless applications for over 90 years. Commonly known as 12 gauge standard or deep strut. Many unistrut i'/s (41mm) channel sections are available as curved pieces in. Strut Channel Size Chart.
From fity.club
Unistrut Catalogue Epub Download Strut Channel Size Chart Learn how to select the best strut channel for your project based on load capacity, size, material, and finish. Compare different types and configurations of strut. Shop channel support systems covered in. They are fully adjustable and reusable, with a complete line of channels,. P1000 unistrut channel is 1. Metal framing channel is cold formed on our modern rolling mills. Strut Channel Size Chart.
From fity.club
Unistrut Catalog Strut Channel Size Chart Learn how to select the best strut channel for your project based on load capacity, size, material, and finish. Many unistrut i'/s (41mm) channel sections are available as curved pieces in both single and combination styles. Metal framing channel is cold formed on our modern rolling mills from 12 ga. Shop channel support systems covered in. Unistrut's p1000 is the. Strut Channel Size Chart.
From design.udlvirtual.edu.pe
Structural Steel Channel Sizes Design Talk Strut Channel Size Chart Shop channel support systems covered in. They are fully adjustable and reusable, with a complete line of channels,. Compare different types and configurations of strut. Learn how to select the best strut channel for your project based on load capacity, size, material, and finish. Many unistrut i'/s (41mm) channel sections are available as curved pieces in both single and combination. Strut Channel Size Chart.
From www.alibaba.com
15/8 X 15/8 Strut Channel,Elong Holes,12ga,10ft,Standard,Pregalv Strut Channel Size Chart Many unistrut i'/s (41mm) channel sections are available as curved pieces in both single and combination styles. Compare different types and configurations of strut. Commonly known as 12 gauge standard or deep strut. P1000 unistrut channel is 1. Learn how to select the best strut channel for your project based on load capacity, size, material, and finish. They are fully. Strut Channel Size Chart.
From www.vichnet.net
Mild Steel Strut Slotted Gi C Channel Weight Strut Channel Size Chart Shop channel support systems covered in. P1000 unistrut channel is 1. Metal framing channel is cold formed on our modern rolling mills from 12 ga. Unistrut's p1000 is the original metal framing strut channel and has been used in countless applications for over 90 years. Compare different types and configurations of strut. Many unistrut i'/s (41mm) channel sections are available. Strut Channel Size Chart.
From www.myxxgirl.com
Unistrut Channel Size Chart My XXX Hot Girl Strut Channel Size Chart Compare different types and configurations of strut. They are fully adjustable and reusable, with a complete line of channels,. Learn how to select the best strut channel for your project based on load capacity, size, material, and finish. Metal framing channel is cold formed on our modern rolling mills from 12 ga. P1000 unistrut channel is 1. Shop channel support. Strut Channel Size Chart.
From www.globalindustrial.com
Strut Channels & Framing Strut Channels and Accessories Unistrut 1 Strut Channel Size Chart They are fully adjustable and reusable, with a complete line of channels,. Shop channel support systems covered in. Learn how to select the best strut channel for your project based on load capacity, size, material, and finish. Compare different types and configurations of strut. Unistrut's p1000 is the original metal framing strut channel and has been used in countless applications. Strut Channel Size Chart.
From mungfali.com
Steel Channel Sizes Chart Strut Channel Size Chart Commonly known as 12 gauge standard or deep strut. Learn how to select the best strut channel for your project based on load capacity, size, material, and finish. Many unistrut i'/s (41mm) channel sections are available as curved pieces in both single and combination styles. Shop channel support systems covered in. Compare different types and configurations of strut. Metal framing. Strut Channel Size Chart.
From www.scribd.com
Secondary Framing Dimensions, Section Properties And Live Loads Of Strut Channel Size Chart They are fully adjustable and reusable, with a complete line of channels,. Compare different types and configurations of strut. Learn how to select the best strut channel for your project based on load capacity, size, material, and finish. Commonly known as 12 gauge standard or deep strut. Many unistrut i'/s (41mm) channel sections are available as curved pieces in both. Strut Channel Size Chart.
From mavink.com
Unistrut Sizes And Dimensions Strut Channel Size Chart P1000 unistrut channel is 1. Commonly known as 12 gauge standard or deep strut. Learn how to select the best strut channel for your project based on load capacity, size, material, and finish. They are fully adjustable and reusable, with a complete line of channels,. Many unistrut i'/s (41mm) channel sections are available as curved pieces in both single and. Strut Channel Size Chart.
From bsama.co.uk
Strut Channels BSAMA L.T.D. Strut Channel Size Chart Shop channel support systems covered in. They are fully adjustable and reusable, with a complete line of channels,. Unistrut's p1000 is the original metal framing strut channel and has been used in countless applications for over 90 years. Many unistrut i'/s (41mm) channel sections are available as curved pieces in both single and combination styles. Commonly known as 12 gauge. Strut Channel Size Chart.
From ar.inspiredpencil.com
Strut Sizes Strut Channel Size Chart P1000 unistrut channel is 1. Metal framing channel is cold formed on our modern rolling mills from 12 ga. Commonly known as 12 gauge standard or deep strut. Shop channel support systems covered in. They are fully adjustable and reusable, with a complete line of channels,. Unistrut's p1000 is the original metal framing strut channel and has been used in. Strut Channel Size Chart.
From www.sviinternational.com
Channel Strut Miscellaneous Fittings SVI International, Inc. Strut Channel Size Chart Compare different types and configurations of strut. Many unistrut i'/s (41mm) channel sections are available as curved pieces in both single and combination styles. Shop channel support systems covered in. They are fully adjustable and reusable, with a complete line of channels,. Unistrut's p1000 is the original metal framing strut channel and has been used in countless applications for over. Strut Channel Size Chart.
From unistrutstore.com
Unistrut Channel Selecting the Right Strut for Your Application Strut Channel Size Chart P1000 unistrut channel is 1. Compare different types and configurations of strut. Commonly known as 12 gauge standard or deep strut. Metal framing channel is cold formed on our modern rolling mills from 12 ga. They are fully adjustable and reusable, with a complete line of channels,. Many unistrut i'/s (41mm) channel sections are available as curved pieces in both. Strut Channel Size Chart.
From www.slideshare.net
Strut steelchannelssteelcantilevers Strut Channel Size Chart Metal framing channel is cold formed on our modern rolling mills from 12 ga. Learn how to select the best strut channel for your project based on load capacity, size, material, and finish. P1000 unistrut channel is 1. Commonly known as 12 gauge standard or deep strut. Unistrut's p1000 is the original metal framing strut channel and has been used. Strut Channel Size Chart.
From www.divspec.com
Strut Specifications Divspec Strut Channel Size Chart Shop channel support systems covered in. P1000 unistrut channel is 1. Learn how to select the best strut channel for your project based on load capacity, size, material, and finish. Commonly known as 12 gauge standard or deep strut. Unistrut's p1000 is the original metal framing strut channel and has been used in countless applications for over 90 years. Metal. Strut Channel Size Chart.
From mungfali.com
Unistrut Channel Size Chart Strut Channel Size Chart Metal framing channel is cold formed on our modern rolling mills from 12 ga. P1000 unistrut channel is 1. Shop channel support systems covered in. They are fully adjustable and reusable, with a complete line of channels,. Compare different types and configurations of strut. Learn how to select the best strut channel for your project based on load capacity, size,. Strut Channel Size Chart.
From gioczvidx.blob.core.windows.net
How Strong Is Strut Channel at Jane Foster blog Strut Channel Size Chart Unistrut's p1000 is the original metal framing strut channel and has been used in countless applications for over 90 years. Commonly known as 12 gauge standard or deep strut. P1000 unistrut channel is 1. Metal framing channel is cold formed on our modern rolling mills from 12 ga. Compare different types and configurations of strut. Learn how to select the. Strut Channel Size Chart.
From www.pinterest.com
Slotted Strut C Channel Suppliers The struts, Steel, Channel Strut Channel Size Chart Metal framing channel is cold formed on our modern rolling mills from 12 ga. Shop channel support systems covered in. Many unistrut i'/s (41mm) channel sections are available as curved pieces in both single and combination styles. They are fully adjustable and reusable, with a complete line of channels,. Compare different types and configurations of strut. Learn how to select. Strut Channel Size Chart.
From www.unistruthawaii.com
Channel P1000 Unistrut Hawaii Honolulu, Hawaii Strut Channel Size Chart Many unistrut i'/s (41mm) channel sections are available as curved pieces in both single and combination styles. Unistrut's p1000 is the original metal framing strut channel and has been used in countless applications for over 90 years. Metal framing channel is cold formed on our modern rolling mills from 12 ga. Compare different types and configurations of strut. P1000 unistrut. Strut Channel Size Chart.
From www.slideshare.net
Strut steelchannelssteelcantilevers Strut Channel Size Chart Learn how to select the best strut channel for your project based on load capacity, size, material, and finish. Metal framing channel is cold formed on our modern rolling mills from 12 ga. Many unistrut i'/s (41mm) channel sections are available as curved pieces in both single and combination styles. P1000 unistrut channel is 1. Shop channel support systems covered. Strut Channel Size Chart.
From www.sviinternational.com
Channel Strut Flat Plate Fittings SVI International, Inc. Strut Channel Size Chart Compare different types and configurations of strut. P1000 unistrut channel is 1. Shop channel support systems covered in. Many unistrut i'/s (41mm) channel sections are available as curved pieces in both single and combination styles. Learn how to select the best strut channel for your project based on load capacity, size, material, and finish. Metal framing channel is cold formed. Strut Channel Size Chart.
From unistrutstore.com
Unistrut Channel Selecting the Right Strut for Your Application Strut Channel Size Chart Compare different types and configurations of strut. Metal framing channel is cold formed on our modern rolling mills from 12 ga. P1000 unistrut channel is 1. Learn how to select the best strut channel for your project based on load capacity, size, material, and finish. Commonly known as 12 gauge standard or deep strut. Unistrut's p1000 is the original metal. Strut Channel Size Chart.
From mungfali.com
Steel U Channel Sizes Chart Strut Channel Size Chart Commonly known as 12 gauge standard or deep strut. Metal framing channel is cold formed on our modern rolling mills from 12 ga. Compare different types and configurations of strut. They are fully adjustable and reusable, with a complete line of channels,. P1000 unistrut channel is 1. Learn how to select the best strut channel for your project based on. Strut Channel Size Chart.
From www.alibaba.com
Customized Sizes Galvanized Strut Channels For Construction Buy Strut Strut Channel Size Chart Commonly known as 12 gauge standard or deep strut. P1000 unistrut channel is 1. Many unistrut i'/s (41mm) channel sections are available as curved pieces in both single and combination styles. Unistrut's p1000 is the original metal framing strut channel and has been used in countless applications for over 90 years. Learn how to select the best strut channel for. Strut Channel Size Chart.
From www.alibaba.com
C Type Channel Steel Metal Strut Channel Unistrut Buy Manufacturer Strut Channel Size Chart Commonly known as 12 gauge standard or deep strut. Compare different types and configurations of strut. P1000 unistrut channel is 1. Many unistrut i'/s (41mm) channel sections are available as curved pieces in both single and combination styles. Shop channel support systems covered in. Learn how to select the best strut channel for your project based on load capacity, size,. Strut Channel Size Chart.
From www.patton.com.sg
Patton Enterprise Pte Ltd Products Channels FM1000 Strut Channel Size Chart Metal framing channel is cold formed on our modern rolling mills from 12 ga. P1000 unistrut channel is 1. Many unistrut i'/s (41mm) channel sections are available as curved pieces in both single and combination styles. Compare different types and configurations of strut. They are fully adjustable and reusable, with a complete line of channels,. Shop channel support systems covered. Strut Channel Size Chart.
From www.kumarindustries.net
Steel Strut Channel Metal Strut Channel Kumar Industries Strut Channel Size Chart Many unistrut i'/s (41mm) channel sections are available as curved pieces in both single and combination styles. Learn how to select the best strut channel for your project based on load capacity, size, material, and finish. Commonly known as 12 gauge standard or deep strut. Metal framing channel is cold formed on our modern rolling mills from 12 ga. P1000. Strut Channel Size Chart.
From ar.inspiredpencil.com
Strut Sizes Strut Channel Size Chart Unistrut's p1000 is the original metal framing strut channel and has been used in countless applications for over 90 years. Many unistrut i'/s (41mm) channel sections are available as curved pieces in both single and combination styles. P1000 unistrut channel is 1. They are fully adjustable and reusable, with a complete line of channels,. Commonly known as 12 gauge standard. Strut Channel Size Chart.
From unitech-ikk.com
CChannel Strut Systems MEP Solutions Steel Construction Products Strut Channel Size Chart Learn how to select the best strut channel for your project based on load capacity, size, material, and finish. They are fully adjustable and reusable, with a complete line of channels,. Unistrut's p1000 is the original metal framing strut channel and has been used in countless applications for over 90 years. Shop channel support systems covered in. Many unistrut i'/s. Strut Channel Size Chart.
From fyoakjvvk.blob.core.windows.net
Double Unistrut Channel Weight Chart at Rene Allen blog Strut Channel Size Chart Unistrut's p1000 is the original metal framing strut channel and has been used in countless applications for over 90 years. Commonly known as 12 gauge standard or deep strut. P1000 unistrut channel is 1. Compare different types and configurations of strut. Metal framing channel is cold formed on our modern rolling mills from 12 ga. Learn how to select the. Strut Channel Size Chart.
From geodametal.en.made-in-china.com
Strut Channel Sizes/Strut Channel Specification/Strut Channel Factory Strut Channel Size Chart Metal framing channel is cold formed on our modern rolling mills from 12 ga. Commonly known as 12 gauge standard or deep strut. They are fully adjustable and reusable, with a complete line of channels,. Compare different types and configurations of strut. Unistrut's p1000 is the original metal framing strut channel and has been used in countless applications for over. Strut Channel Size Chart.