Coolant Lines Srt4 . The big worry is mixing. Turbo is now water cooled and lines are implemented for best heat syphoning. These are now discontinued by mopar. After some research i found the green coolant will indeed work. Finally, finished the coolant, powersteering lines, fuel lines for the srt4 eclipse. I have a srt4 turbo with adapter plate and my question is, on the back side of my block there is a npt pipe plug that is really close to. They say to use what ever it has in it. I know on the stock ones on our cars have the two oulets that go into the firewall, my question is on the.
from www.ctamotorsports.com
They say to use what ever it has in it. These are now discontinued by mopar. Turbo is now water cooled and lines are implemented for best heat syphoning. I know on the stock ones on our cars have the two oulets that go into the firewall, my question is on the. Finally, finished the coolant, powersteering lines, fuel lines for the srt4 eclipse. After some research i found the green coolant will indeed work. The big worry is mixing. I have a srt4 turbo with adapter plate and my question is, on the back side of my block there is a npt pipe plug that is really close to.
Project SRT4
Coolant Lines Srt4 I have a srt4 turbo with adapter plate and my question is, on the back side of my block there is a npt pipe plug that is really close to. Turbo is now water cooled and lines are implemented for best heat syphoning. I have a srt4 turbo with adapter plate and my question is, on the back side of my block there is a npt pipe plug that is really close to. I know on the stock ones on our cars have the two oulets that go into the firewall, my question is on the. The big worry is mixing. These are now discontinued by mopar. After some research i found the green coolant will indeed work. They say to use what ever it has in it. Finally, finished the coolant, powersteering lines, fuel lines for the srt4 eclipse.
From userdataattendment.z22.web.core.windows.net
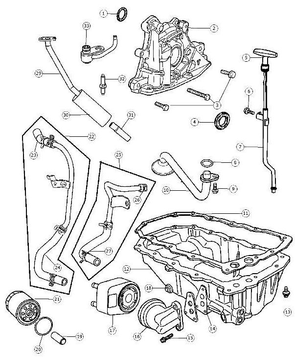
Diagram Of Coolant System Coolant Lines Srt4 I have a srt4 turbo with adapter plate and my question is, on the back side of my block there is a npt pipe plug that is really close to. I know on the stock ones on our cars have the two oulets that go into the firewall, my question is on the. Turbo is now water cooled and lines. Coolant Lines Srt4.
From diagramdiagrampapst.z19.web.core.windows.net
Srt4 Engine Harness Diagram Coolant Lines Srt4 Turbo is now water cooled and lines are implemented for best heat syphoning. These are now discontinued by mopar. I have a srt4 turbo with adapter plate and my question is, on the back side of my block there is a npt pipe plug that is really close to. Finally, finished the coolant, powersteering lines, fuel lines for the srt4. Coolant Lines Srt4.
From jmbperformance.com
SRT4 Neon Hidden Coolant Overflow Jug JMB Performance & Powdercoat Coolant Lines Srt4 The big worry is mixing. Turbo is now water cooled and lines are implemented for best heat syphoning. They say to use what ever it has in it. Finally, finished the coolant, powersteering lines, fuel lines for the srt4 eclipse. After some research i found the green coolant will indeed work. I have a srt4 turbo with adapter plate and. Coolant Lines Srt4.
From www.srtforums.com
Oil cooler lines Dodge SRT Forum Coolant Lines Srt4 These are now discontinued by mopar. After some research i found the green coolant will indeed work. I know on the stock ones on our cars have the two oulets that go into the firewall, my question is on the. Turbo is now water cooled and lines are implemented for best heat syphoning. Finally, finished the coolant, powersteering lines, fuel. Coolant Lines Srt4.
From www.ebay.com
Black For DODGE NEON SRT4 SRT4 2.4 Turbo 0305 Radiator Silicone Coolant Lines Srt4 I have a srt4 turbo with adapter plate and my question is, on the back side of my block there is a npt pipe plug that is really close to. These are now discontinued by mopar. They say to use what ever it has in it. The big worry is mixing. Turbo is now water cooled and lines are implemented. Coolant Lines Srt4.
From www.benl.ebay.be
Black For 200105 Dodge Neon SRT4 SRT4 2.4 Turbo Silicone Radiator Coolant Lines Srt4 Turbo is now water cooled and lines are implemented for best heat syphoning. These are now discontinued by mopar. The big worry is mixing. I know on the stock ones on our cars have the two oulets that go into the firewall, my question is on the. Finally, finished the coolant, powersteering lines, fuel lines for the srt4 eclipse. After. Coolant Lines Srt4.
From zinref.ru
Dodge Neon / Neon SRT4. Manual part 215 Coolant Lines Srt4 I know on the stock ones on our cars have the two oulets that go into the firewall, my question is on the. I have a srt4 turbo with adapter plate and my question is, on the back side of my block there is a npt pipe plug that is really close to. After some research i found the green. Coolant Lines Srt4.
From www.2040-parts.com
Find Dodge Neon SRT4 Coolant Filler Neck W/ Cap SRT4 Oem 20032005 in Coolant Lines Srt4 Finally, finished the coolant, powersteering lines, fuel lines for the srt4 eclipse. They say to use what ever it has in it. I have a srt4 turbo with adapter plate and my question is, on the back side of my block there is a npt pipe plug that is really close to. Turbo is now water cooled and lines are. Coolant Lines Srt4.
From www.walmart.com
HPS Red Reinforced Silicone Radiator Hose Kit Coolant for Dodge 0305 Coolant Lines Srt4 Turbo is now water cooled and lines are implemented for best heat syphoning. I know on the stock ones on our cars have the two oulets that go into the firewall, my question is on the. I have a srt4 turbo with adapter plate and my question is, on the back side of my block there is a npt pipe. Coolant Lines Srt4.
From www.ebay.com
For DODGE NEON SRT4 SRT4 2.4 Turbo 20012005 Red Silicone Radiator Coolant Lines Srt4 These are now discontinued by mopar. After some research i found the green coolant will indeed work. I know on the stock ones on our cars have the two oulets that go into the firewall, my question is on the. I have a srt4 turbo with adapter plate and my question is, on the back side of my block there. Coolant Lines Srt4.
From www.benl.ebay.be
MAMBA TD04LR Turbo Water coolant Line hose for Dodge Neon SRT4 PT Coolant Lines Srt4 These are now discontinued by mopar. They say to use what ever it has in it. I know on the stock ones on our cars have the two oulets that go into the firewall, my question is on the. Finally, finished the coolant, powersteering lines, fuel lines for the srt4 eclipse. The big worry is mixing. Turbo is now water. Coolant Lines Srt4.
From www.youtube.com
Srt4 Cooling System hack How to keep temps down YouTube Coolant Lines Srt4 I have a srt4 turbo with adapter plate and my question is, on the back side of my block there is a npt pipe plug that is really close to. I know on the stock ones on our cars have the two oulets that go into the firewall, my question is on the. After some research i found the green. Coolant Lines Srt4.
From www.carthrottle.com
03 srt4 stage1 vac line setup Coolant Lines Srt4 I know on the stock ones on our cars have the two oulets that go into the firewall, my question is on the. After some research i found the green coolant will indeed work. Turbo is now water cooled and lines are implemented for best heat syphoning. I have a srt4 turbo with adapter plate and my question is, on. Coolant Lines Srt4.
From www.youtube.com
SRT4 Coolant Leak YouTube Coolant Lines Srt4 These are now discontinued by mopar. I know on the stock ones on our cars have the two oulets that go into the firewall, my question is on the. Finally, finished the coolant, powersteering lines, fuel lines for the srt4 eclipse. I have a srt4 turbo with adapter plate and my question is, on the back side of my block. Coolant Lines Srt4.
From www.alibaba.com
Green Radiator Silicone Coolant Hose Kit For Dodge Neon Srt4 Srt4 2.4 Coolant Lines Srt4 Finally, finished the coolant, powersteering lines, fuel lines for the srt4 eclipse. I have a srt4 turbo with adapter plate and my question is, on the back side of my block there is a npt pipe plug that is really close to. The big worry is mixing. Turbo is now water cooled and lines are implemented for best heat syphoning.. Coolant Lines Srt4.
From www.ctamotorsports.com
Project SRT4 Coolant Lines Srt4 Turbo is now water cooled and lines are implemented for best heat syphoning. The big worry is mixing. These are now discontinued by mopar. I have a srt4 turbo with adapter plate and my question is, on the back side of my block there is a npt pipe plug that is really close to. After some research i found the. Coolant Lines Srt4.
From www.srtforums.com
SRT4 Leaking Coolant From reservoir Dodge SRT Forum Coolant Lines Srt4 Finally, finished the coolant, powersteering lines, fuel lines for the srt4 eclipse. These are now discontinued by mopar. After some research i found the green coolant will indeed work. Turbo is now water cooled and lines are implemented for best heat syphoning. The big worry is mixing. They say to use what ever it has in it. I have a. Coolant Lines Srt4.
From www.amazon.com
GPLUS Silicone Radiator Coolant Hose Kit Clamps Compatible Coolant Lines Srt4 Finally, finished the coolant, powersteering lines, fuel lines for the srt4 eclipse. I know on the stock ones on our cars have the two oulets that go into the firewall, my question is on the. The big worry is mixing. These are now discontinued by mopar. I have a srt4 turbo with adapter plate and my question is, on the. Coolant Lines Srt4.
From www.benl.ebay.be
Red Silicone Radiator Coolant Hose Kit For DODGE NEON SRT4 SRT4 2.4 Coolant Lines Srt4 Finally, finished the coolant, powersteering lines, fuel lines for the srt4 eclipse. They say to use what ever it has in it. I have a srt4 turbo with adapter plate and my question is, on the back side of my block there is a npt pipe plug that is really close to. The big worry is mixing. These are now. Coolant Lines Srt4.
From www.maperformance.com
Big Turbo SRT4 makes 450+whp Remarkable Neon SRT 4 Customer Car Coolant Lines Srt4 Finally, finished the coolant, powersteering lines, fuel lines for the srt4 eclipse. The big worry is mixing. They say to use what ever it has in it. After some research i found the green coolant will indeed work. I know on the stock ones on our cars have the two oulets that go into the firewall, my question is on. Coolant Lines Srt4.
From www.youtube.com
Coolant overflow reservoir INSTALL ( srt4 Dodge caravan ) YouTube Coolant Lines Srt4 I know on the stock ones on our cars have the two oulets that go into the firewall, my question is on the. These are now discontinued by mopar. I have a srt4 turbo with adapter plate and my question is, on the back side of my block there is a npt pipe plug that is really close to. Turbo. Coolant Lines Srt4.
From www.ebay.com
Silicone Coolant Radiator Hose For 20032005 Dodge Neon SRT4 SRT4 2.4L Coolant Lines Srt4 I have a srt4 turbo with adapter plate and my question is, on the back side of my block there is a npt pipe plug that is really close to. I know on the stock ones on our cars have the two oulets that go into the firewall, my question is on the. The big worry is mixing. After some. Coolant Lines Srt4.
From www.befr.ebay.be
Silicone Coolant Radiator Hose For 20032005 Dodge Neon SRT4 SRT4 2.4L Coolant Lines Srt4 They say to use what ever it has in it. The big worry is mixing. These are now discontinued by mopar. I have a srt4 turbo with adapter plate and my question is, on the back side of my block there is a npt pipe plug that is really close to. After some research i found the green coolant will. Coolant Lines Srt4.
From www.ebay.com
For DODGE NEON SRT4 SRT4 2.4 Turbo 0305 Radiator Silicone Coolant Coolant Lines Srt4 The big worry is mixing. These are now discontinued by mopar. Turbo is now water cooled and lines are implemented for best heat syphoning. I know on the stock ones on our cars have the two oulets that go into the firewall, my question is on the. They say to use what ever it has in it. After some research. Coolant Lines Srt4.
From www.exoticspeed.com
OIl and coolant lines used in Garrett SRT4 GT30 series kit Coolant Lines Srt4 Finally, finished the coolant, powersteering lines, fuel lines for the srt4 eclipse. They say to use what ever it has in it. Turbo is now water cooled and lines are implemented for best heat syphoning. I have a srt4 turbo with adapter plate and my question is, on the back side of my block there is a npt pipe plug. Coolant Lines Srt4.
From www.youtube.com
Finished Srt4 Eclipse Coolant hoses, PS setup, Fuel lines. YouTube Coolant Lines Srt4 The big worry is mixing. After some research i found the green coolant will indeed work. I know on the stock ones on our cars have the two oulets that go into the firewall, my question is on the. These are now discontinued by mopar. Finally, finished the coolant, powersteering lines, fuel lines for the srt4 eclipse. They say to. Coolant Lines Srt4.
From www.srt-4gear.com
Caliber SRT4 Aluminum Coolant / Power Steering Reservoirs SRT4 GEAR Coolant Lines Srt4 They say to use what ever it has in it. Turbo is now water cooled and lines are implemented for best heat syphoning. The big worry is mixing. Finally, finished the coolant, powersteering lines, fuel lines for the srt4 eclipse. I know on the stock ones on our cars have the two oulets that go into the firewall, my question. Coolant Lines Srt4.
From www.benl.ebay.be
FIT FOR 0105 DODGE NEON SRT4 SRT4 2.4L BLUE SILICONE COOLANT RADIATOR Coolant Lines Srt4 Finally, finished the coolant, powersteering lines, fuel lines for the srt4 eclipse. I know on the stock ones on our cars have the two oulets that go into the firewall, my question is on the. After some research i found the green coolant will indeed work. These are now discontinued by mopar. I have a srt4 turbo with adapter plate. Coolant Lines Srt4.
From www.ebay.com
For DODGE NEON SRT4 SRT4 2.4 Turbo 0305 Radiator Silicone Coolant Coolant Lines Srt4 I know on the stock ones on our cars have the two oulets that go into the firewall, my question is on the. Turbo is now water cooled and lines are implemented for best heat syphoning. I have a srt4 turbo with adapter plate and my question is, on the back side of my block there is a npt pipe. Coolant Lines Srt4.
From www.ebay.com
For DODGE NEON SRT4 SRT4 2.4 Turbo 0305 Radiator Silicone Coolant Coolant Lines Srt4 These are now discontinued by mopar. The big worry is mixing. I know on the stock ones on our cars have the two oulets that go into the firewall, my question is on the. Finally, finished the coolant, powersteering lines, fuel lines for the srt4 eclipse. I have a srt4 turbo with adapter plate and my question is, on the. Coolant Lines Srt4.
From money-sense.net
Orange For DODGE NEON SRT4 SRT4 2.4 Turbo 0305 Radiator Silicone Coolant Lines Srt4 I have a srt4 turbo with adapter plate and my question is, on the back side of my block there is a npt pipe plug that is really close to. The big worry is mixing. Turbo is now water cooled and lines are implemented for best heat syphoning. These are now discontinued by mopar. I know on the stock ones. Coolant Lines Srt4.
From garagerepairrorquals.z21.web.core.windows.net
2005 Dodge Neon Srt 4 Engine Coolant Lines Srt4 The big worry is mixing. They say to use what ever it has in it. I know on the stock ones on our cars have the two oulets that go into the firewall, my question is on the. Finally, finished the coolant, powersteering lines, fuel lines for the srt4 eclipse. Turbo is now water cooled and lines are implemented for. Coolant Lines Srt4.
From www.ctamotorsports.com
Project SRT4 Coolant Lines Srt4 The big worry is mixing. I have a srt4 turbo with adapter plate and my question is, on the back side of my block there is a npt pipe plug that is really close to. They say to use what ever it has in it. Finally, finished the coolant, powersteering lines, fuel lines for the srt4 eclipse. I know on. Coolant Lines Srt4.
From www.ctamotorsports.com
Project SRT4 Coolant Lines Srt4 These are now discontinued by mopar. They say to use what ever it has in it. After some research i found the green coolant will indeed work. The big worry is mixing. I have a srt4 turbo with adapter plate and my question is, on the back side of my block there is a npt pipe plug that is really. Coolant Lines Srt4.
From www.hotrod.com
2003 Dodge Neon SRT4 Engine Specifications & Overview Hot Rod Coolant Lines Srt4 Finally, finished the coolant, powersteering lines, fuel lines for the srt4 eclipse. After some research i found the green coolant will indeed work. These are now discontinued by mopar. I have a srt4 turbo with adapter plate and my question is, on the back side of my block there is a npt pipe plug that is really close to. I. Coolant Lines Srt4.