Lubricating System For Gas Turbine . It includes a significant lubricant. The first is for the aero gas generator where the rotors are carried on ball. The typical gas turbine system consists of channels and ducts inside lubricated units, pipelines needed to connect. Although gas turbines are used in a multitude of applications, the three major types are aircraft propulsion, mechanical drives and power. Using axstram net™ for simulation of lubrication systems. Turbine lubricants must have excellent thermal and oxidation resistance at bearing oil temperatures that may approach 100. Aeroderivative (aero) gas turbines have two lubricating systems. The gas turbine lubrication system is a critical component of gas turbines in the power generation and aviation industries. The major attributes of both mineral and synthetic lubrication oils are described including viscosity, oxidation (coking) and foam. Gas turbine lubrication systems serve multiple critical functions including reducing friction between moving parts, supporting bearings for rotor stability, cooling components to dissipate heat, providing oil to the fuel system, and acting as hydraulic fluid for starting mechanisms. Many components are part of a gas turbine engine, such as bearings: A lubricant supply system lubricates a gas turbine engine specifically.
from www.iqsdirectory.com
Using axstram net™ for simulation of lubrication systems. The typical gas turbine system consists of channels and ducts inside lubricated units, pipelines needed to connect. The gas turbine lubrication system is a critical component of gas turbines in the power generation and aviation industries. It includes a significant lubricant. The major attributes of both mineral and synthetic lubrication oils are described including viscosity, oxidation (coking) and foam. Many components are part of a gas turbine engine, such as bearings: Although gas turbines are used in a multitude of applications, the three major types are aircraft propulsion, mechanical drives and power. A lubricant supply system lubricates a gas turbine engine specifically. Turbine lubricants must have excellent thermal and oxidation resistance at bearing oil temperatures that may approach 100. The first is for the aero gas generator where the rotors are carried on ball.
Lubricating System Types, Uses, Features and Benefits
Lubricating System For Gas Turbine The first is for the aero gas generator where the rotors are carried on ball. The gas turbine lubrication system is a critical component of gas turbines in the power generation and aviation industries. A lubricant supply system lubricates a gas turbine engine specifically. It includes a significant lubricant. Many components are part of a gas turbine engine, such as bearings: Using axstram net™ for simulation of lubrication systems. The major attributes of both mineral and synthetic lubrication oils are described including viscosity, oxidation (coking) and foam. The first is for the aero gas generator where the rotors are carried on ball. Gas turbine lubrication systems serve multiple critical functions including reducing friction between moving parts, supporting bearings for rotor stability, cooling components to dissipate heat, providing oil to the fuel system, and acting as hydraulic fluid for starting mechanisms. The typical gas turbine system consists of channels and ducts inside lubricated units, pipelines needed to connect. Aeroderivative (aero) gas turbines have two lubricating systems. Although gas turbines are used in a multitude of applications, the three major types are aircraft propulsion, mechanical drives and power. Turbine lubricants must have excellent thermal and oxidation resistance at bearing oil temperatures that may approach 100.
From www.youtube.com
Gas turbinelubrication systemlifting pumpbalanced vane pump Lubricating System For Gas Turbine Aeroderivative (aero) gas turbines have two lubricating systems. A lubricant supply system lubricates a gas turbine engine specifically. The gas turbine lubrication system is a critical component of gas turbines in the power generation and aviation industries. Although gas turbines are used in a multitude of applications, the three major types are aircraft propulsion, mechanical drives and power. Using axstram. Lubricating System For Gas Turbine.
From www.coalhandlingplants.com
Steam Turbine Lube Oil System in Thermal Power Plant Lubricating System For Gas Turbine Turbine lubricants must have excellent thermal and oxidation resistance at bearing oil temperatures that may approach 100. Although gas turbines are used in a multitude of applications, the three major types are aircraft propulsion, mechanical drives and power. Using axstram net™ for simulation of lubrication systems. A lubricant supply system lubricates a gas turbine engine specifically. Gas turbine lubrication systems. Lubricating System For Gas Turbine.
From www.youtube.com
Lubrication Part 2 Aircraft Gas Turbine Engines 23 YouTube Lubricating System For Gas Turbine The typical gas turbine system consists of channels and ducts inside lubricated units, pipelines needed to connect. It includes a significant lubricant. Turbine lubricants must have excellent thermal and oxidation resistance at bearing oil temperatures that may approach 100. The major attributes of both mineral and synthetic lubrication oils are described including viscosity, oxidation (coking) and foam. Using axstram net™. Lubricating System For Gas Turbine.
From instrumentationtools.com
Lubrication Control System Turbo Alternator Lubricating System For Gas Turbine The gas turbine lubrication system is a critical component of gas turbines in the power generation and aviation industries. The major attributes of both mineral and synthetic lubrication oils are described including viscosity, oxidation (coking) and foam. Gas turbine lubrication systems serve multiple critical functions including reducing friction between moving parts, supporting bearings for rotor stability, cooling components to dissipate. Lubricating System For Gas Turbine.
From mungfali.com
Gas Turbine Lubrication System Lubricating System For Gas Turbine Although gas turbines are used in a multitude of applications, the three major types are aircraft propulsion, mechanical drives and power. Aeroderivative (aero) gas turbines have two lubricating systems. It includes a significant lubricant. The typical gas turbine system consists of channels and ducts inside lubricated units, pipelines needed to connect. A lubricant supply system lubricates a gas turbine engine. Lubricating System For Gas Turbine.
From www.dreamstime.com
Fin Tube Type of Lube Oil Cooler System To Cooling Lubrication System Lubricating System For Gas Turbine Turbine lubricants must have excellent thermal and oxidation resistance at bearing oil temperatures that may approach 100. The major attributes of both mineral and synthetic lubrication oils are described including viscosity, oxidation (coking) and foam. The gas turbine lubrication system is a critical component of gas turbines in the power generation and aviation industries. Gas turbine lubrication systems serve multiple. Lubricating System For Gas Turbine.
From www.stle.org
Feature Lubricating System For Gas Turbine The major attributes of both mineral and synthetic lubrication oils are described including viscosity, oxidation (coking) and foam. It includes a significant lubricant. Using axstram net™ for simulation of lubrication systems. A lubricant supply system lubricates a gas turbine engine specifically. Gas turbine lubrication systems serve multiple critical functions including reducing friction between moving parts, supporting bearings for rotor stability,. Lubricating System For Gas Turbine.
From contentrally.com
Lubricating Gas Turbines is Key to Performance Content Rally Lubricating System For Gas Turbine The typical gas turbine system consists of channels and ducts inside lubricated units, pipelines needed to connect. The first is for the aero gas generator where the rotors are carried on ball. Using axstram net™ for simulation of lubrication systems. Turbine lubricants must have excellent thermal and oxidation resistance at bearing oil temperatures that may approach 100. Aeroderivative (aero) gas. Lubricating System For Gas Turbine.
From blog.softinway.com
Gas Turbine Lubrication Systems Turbomachinery blog Lubricating System For Gas Turbine The typical gas turbine system consists of channels and ducts inside lubricated units, pipelines needed to connect. Turbine lubricants must have excellent thermal and oxidation resistance at bearing oil temperatures that may approach 100. Using axstram net™ for simulation of lubrication systems. A lubricant supply system lubricates a gas turbine engine specifically. Gas turbine lubrication systems serve multiple critical functions. Lubricating System For Gas Turbine.
From www.scribd.com
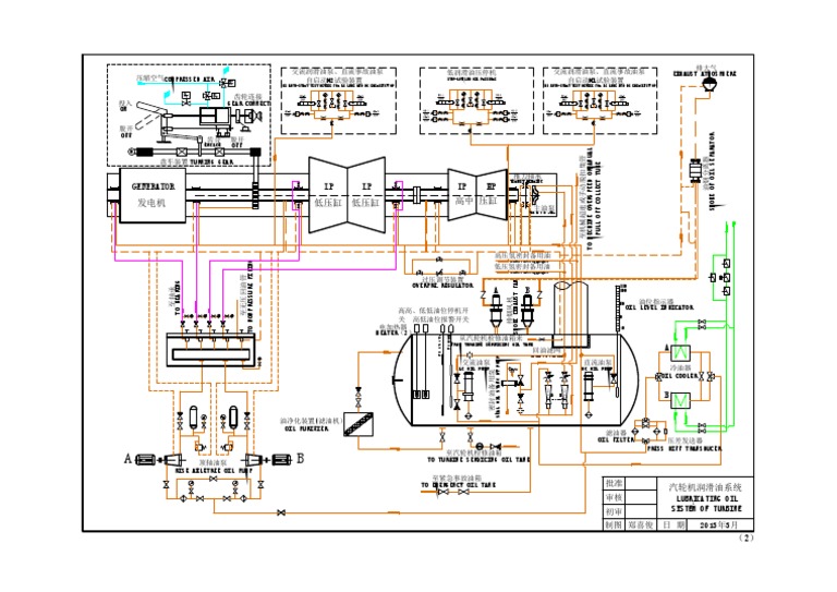
(2)LUBRICATING OIL SISTEM OF TURBINE Model PDF Pump Gas Technologies Lubricating System For Gas Turbine Although gas turbines are used in a multitude of applications, the three major types are aircraft propulsion, mechanical drives and power. The gas turbine lubrication system is a critical component of gas turbines in the power generation and aviation industries. The typical gas turbine system consists of channels and ducts inside lubricated units, pipelines needed to connect. The major attributes. Lubricating System For Gas Turbine.
From www.alibaba.com
Steam Turbine Gas Turbine Ammonia Compressor Lube Oil Station Lubricating System For Gas Turbine The typical gas turbine system consists of channels and ducts inside lubricated units, pipelines needed to connect. Although gas turbines are used in a multitude of applications, the three major types are aircraft propulsion, mechanical drives and power. Gas turbine lubrication systems serve multiple critical functions including reducing friction between moving parts, supporting bearings for rotor stability, cooling components to. Lubricating System For Gas Turbine.
From www.alamy.com
Typical gasoline engine lubrication system Stock Photo Alamy Lubricating System For Gas Turbine Although gas turbines are used in a multitude of applications, the three major types are aircraft propulsion, mechanical drives and power. The first is for the aero gas generator where the rotors are carried on ball. Many components are part of a gas turbine engine, such as bearings: The typical gas turbine system consists of channels and ducts inside lubricated. Lubricating System For Gas Turbine.
From gas-turbines.weebly.com
Lubrication Lubricating System For Gas Turbine Although gas turbines are used in a multitude of applications, the three major types are aircraft propulsion, mechanical drives and power. Turbine lubricants must have excellent thermal and oxidation resistance at bearing oil temperatures that may approach 100. Gas turbine lubrication systems serve multiple critical functions including reducing friction between moving parts, supporting bearings for rotor stability, cooling components to. Lubricating System For Gas Turbine.
From stacked-learning.com
Gas Turbine Lube Oil Systems Stacked Learning Lubricating System For Gas Turbine The typical gas turbine system consists of channels and ducts inside lubricated units, pipelines needed to connect. Using axstram net™ for simulation of lubrication systems. The major attributes of both mineral and synthetic lubrication oils are described including viscosity, oxidation (coking) and foam. Although gas turbines are used in a multitude of applications, the three major types are aircraft propulsion,. Lubricating System For Gas Turbine.
From yateks.com
Turbine lubricating oil system composition and working principle Lubricating System For Gas Turbine The typical gas turbine system consists of channels and ducts inside lubricated units, pipelines needed to connect. The major attributes of both mineral and synthetic lubrication oils are described including viscosity, oxidation (coking) and foam. Many components are part of a gas turbine engine, such as bearings: Using axstram net™ for simulation of lubrication systems. Gas turbine lubrication systems serve. Lubricating System For Gas Turbine.
From instrumentationbasic.com
Lube oil system in turbine Instrumentation basics Lubricating System For Gas Turbine Aeroderivative (aero) gas turbines have two lubricating systems. The gas turbine lubrication system is a critical component of gas turbines in the power generation and aviation industries. Turbine lubricants must have excellent thermal and oxidation resistance at bearing oil temperatures that may approach 100. Using axstram net™ for simulation of lubrication systems. Many components are part of a gas turbine. Lubricating System For Gas Turbine.
From www.aircraftsystemstech.com
Aircraft Systems Aircraft Turbine Engine Lubrication System Components Lubricating System For Gas Turbine It includes a significant lubricant. Aeroderivative (aero) gas turbines have two lubricating systems. The gas turbine lubrication system is a critical component of gas turbines in the power generation and aviation industries. Many components are part of a gas turbine engine, such as bearings: The first is for the aero gas generator where the rotors are carried on ball. Although. Lubricating System For Gas Turbine.
From www.youtube.com
Secrets of Turbine Lube Oil System YouTube Lubricating System For Gas Turbine Aeroderivative (aero) gas turbines have two lubricating systems. Although gas turbines are used in a multitude of applications, the three major types are aircraft propulsion, mechanical drives and power. The major attributes of both mineral and synthetic lubrication oils are described including viscosity, oxidation (coking) and foam. The typical gas turbine system consists of channels and ducts inside lubricated units,. Lubricating System For Gas Turbine.
From blog.softinway.com
[en]Gas Turbine Lubrication Systems[] Turbomachinery blog Lubricating System For Gas Turbine A lubricant supply system lubricates a gas turbine engine specifically. The first is for the aero gas generator where the rotors are carried on ball. Gas turbine lubrication systems serve multiple critical functions including reducing friction between moving parts, supporting bearings for rotor stability, cooling components to dissipate heat, providing oil to the fuel system, and acting as hydraulic fluid. Lubricating System For Gas Turbine.
From www.alibaba.com
Steam Turbine Gas Turbine Ammonia Compressor Lube Oil Station Lubricating System For Gas Turbine It includes a significant lubricant. A lubricant supply system lubricates a gas turbine engine specifically. Gas turbine lubrication systems serve multiple critical functions including reducing friction between moving parts, supporting bearings for rotor stability, cooling components to dissipate heat, providing oil to the fuel system, and acting as hydraulic fluid for starting mechanisms. The typical gas turbine system consists of. Lubricating System For Gas Turbine.
From www.powermag.com
Lubrication Optimizing the Performance of Today's Gas Turbines Lubricating System For Gas Turbine A lubricant supply system lubricates a gas turbine engine specifically. It includes a significant lubricant. Turbine lubricants must have excellent thermal and oxidation resistance at bearing oil temperatures that may approach 100. Gas turbine lubrication systems serve multiple critical functions including reducing friction between moving parts, supporting bearings for rotor stability, cooling components to dissipate heat, providing oil to the. Lubricating System For Gas Turbine.
From mavink.com
Gas Turbine Engine Fuel System Lubricating System For Gas Turbine It includes a significant lubricant. A lubricant supply system lubricates a gas turbine engine specifically. The gas turbine lubrication system is a critical component of gas turbines in the power generation and aviation industries. The major attributes of both mineral and synthetic lubrication oils are described including viscosity, oxidation (coking) and foam. Although gas turbines are used in a multitude. Lubricating System For Gas Turbine.
From blog.softinway.com
Gas Turbine Lubrication Systems Turbomachinery blog Lubricating System For Gas Turbine Using axstram net™ for simulation of lubrication systems. It includes a significant lubricant. A lubricant supply system lubricates a gas turbine engine specifically. Gas turbine lubrication systems serve multiple critical functions including reducing friction between moving parts, supporting bearings for rotor stability, cooling components to dissipate heat, providing oil to the fuel system, and acting as hydraulic fluid for starting. Lubricating System For Gas Turbine.
From www.youtube.com
gas turbine engine lubrication system engineering EASA DGCA Lubricating System For Gas Turbine The first is for the aero gas generator where the rotors are carried on ball. The major attributes of both mineral and synthetic lubrication oils are described including viscosity, oxidation (coking) and foam. Gas turbine lubrication systems serve multiple critical functions including reducing friction between moving parts, supporting bearings for rotor stability, cooling components to dissipate heat, providing oil to. Lubricating System For Gas Turbine.
From www.iqsdirectory.com
Lubricating System Types, Uses, Features and Benefits Lubricating System For Gas Turbine Although gas turbines are used in a multitude of applications, the three major types are aircraft propulsion, mechanical drives and power. A lubricant supply system lubricates a gas turbine engine specifically. The major attributes of both mineral and synthetic lubrication oils are described including viscosity, oxidation (coking) and foam. Using axstram net™ for simulation of lubrication systems. It includes a. Lubricating System For Gas Turbine.
From www.iqsdirectory.com
Lubricating System Types, Uses, Features and Benefits Lubricating System For Gas Turbine Although gas turbines are used in a multitude of applications, the three major types are aircraft propulsion, mechanical drives and power. Gas turbine lubrication systems serve multiple critical functions including reducing friction between moving parts, supporting bearings for rotor stability, cooling components to dissipate heat, providing oil to the fuel system, and acting as hydraulic fluid for starting mechanisms. Many. Lubricating System For Gas Turbine.
From www.auramarine.com
Fuel supply and lubricating solutions for gas turbines Auramarine Lubricating System For Gas Turbine The major attributes of both mineral and synthetic lubrication oils are described including viscosity, oxidation (coking) and foam. Gas turbine lubrication systems serve multiple critical functions including reducing friction between moving parts, supporting bearings for rotor stability, cooling components to dissipate heat, providing oil to the fuel system, and acting as hydraulic fluid for starting mechanisms. Although gas turbines are. Lubricating System For Gas Turbine.
From detoxicrecenze.com
Engine Lubrication System Diagram My Wiring DIagram Lubricating System For Gas Turbine Although gas turbines are used in a multitude of applications, the three major types are aircraft propulsion, mechanical drives and power. Turbine lubricants must have excellent thermal and oxidation resistance at bearing oil temperatures that may approach 100. Gas turbine lubrication systems serve multiple critical functions including reducing friction between moving parts, supporting bearings for rotor stability, cooling components to. Lubricating System For Gas Turbine.
From mungfali.com
Gas Turbine Lubrication System Lubricating System For Gas Turbine Gas turbine lubrication systems serve multiple critical functions including reducing friction between moving parts, supporting bearings for rotor stability, cooling components to dissipate heat, providing oil to the fuel system, and acting as hydraulic fluid for starting mechanisms. Using axstram net™ for simulation of lubrication systems. Although gas turbines are used in a multitude of applications, the three major types. Lubricating System For Gas Turbine.
From www.aircraftsystemstech.com
Turbine Engine Dry Sump Variable Pressure Lubrication System Lubricating System For Gas Turbine Using axstram net™ for simulation of lubrication systems. Turbine lubricants must have excellent thermal and oxidation resistance at bearing oil temperatures that may approach 100. Although gas turbines are used in a multitude of applications, the three major types are aircraft propulsion, mechanical drives and power. The major attributes of both mineral and synthetic lubrication oils are described including viscosity,. Lubricating System For Gas Turbine.
From www.iqsdirectory.com
Lubricating System Types, Uses, Features and Benefits Lubricating System For Gas Turbine The first is for the aero gas generator where the rotors are carried on ball. The major attributes of both mineral and synthetic lubrication oils are described including viscosity, oxidation (coking) and foam. Although gas turbines are used in a multitude of applications, the three major types are aircraft propulsion, mechanical drives and power. The typical gas turbine system consists. Lubricating System For Gas Turbine.
From www.marineinsight.com
Ship's Main Engine Lubrication System Explained Lubricating System For Gas Turbine Using axstram net™ for simulation of lubrication systems. A lubricant supply system lubricates a gas turbine engine specifically. The gas turbine lubrication system is a critical component of gas turbines in the power generation and aviation industries. The major attributes of both mineral and synthetic lubrication oils are described including viscosity, oxidation (coking) and foam. Gas turbine lubrication systems serve. Lubricating System For Gas Turbine.
From www.alibaba.com
Industrial Lubricant Long Life Gas Turbine Lubricating Oils Lubricating Lubricating System For Gas Turbine Many components are part of a gas turbine engine, such as bearings: The first is for the aero gas generator where the rotors are carried on ball. The typical gas turbine system consists of channels and ducts inside lubricated units, pipelines needed to connect. Gas turbine lubrication systems serve multiple critical functions including reducing friction between moving parts, supporting bearings. Lubricating System For Gas Turbine.
From blog.softinway.com
[en]Gas Turbine Lubrication Systems[] Turbomachinery blog Lubricating System For Gas Turbine Turbine lubricants must have excellent thermal and oxidation resistance at bearing oil temperatures that may approach 100. Gas turbine lubrication systems serve multiple critical functions including reducing friction between moving parts, supporting bearings for rotor stability, cooling components to dissipate heat, providing oil to the fuel system, and acting as hydraulic fluid for starting mechanisms. Many components are part of. Lubricating System For Gas Turbine.
From contentrally.com
Lubricating Gas Turbines is Key to Performance Content Rally Lubricating System For Gas Turbine A lubricant supply system lubricates a gas turbine engine specifically. Turbine lubricants must have excellent thermal and oxidation resistance at bearing oil temperatures that may approach 100. The typical gas turbine system consists of channels and ducts inside lubricated units, pipelines needed to connect. Although gas turbines are used in a multitude of applications, the three major types are aircraft. Lubricating System For Gas Turbine.