Xt225 Pilot Screw Adjustment . • adjust the fuel mixture screw for the best idle. Any other ideas to turn the pilot screw with the carb in place? • should you desire a richer low end, use the 45 pilot jet. I screwed in a sheet rock screw in the plug, then took some plyers to pull it out. Ride and see how it is, then try. View and download yamaha xt225t owner's manual online. You will have to remove the brass. The other day i went to do the pilot screw adjustment. Xt225t motorcycle pdf manual download. If there is an air leak, engine vacuum will suck in. I noticed that there was no brass plug and then on top of that the screw. After that, screw the pilot screw in until slightly snug, then out 3 full turns. Cutting the handle shorter, so less torque. Great idea, but i'd be nervous about bouncing and vibration changing the adjustment. A little blue loctite 2.
from www.ebay.com
A little blue loctite 2. Any other ideas to turn the pilot screw with the carb in place? I screwed in a sheet rock screw in the plug, then took some plyers to pull it out. After that, screw the pilot screw in until slightly snug, then out 3 full turns. If there is an air leak, engine vacuum will suck in. You will have to remove the brass. • should you desire a richer low end, use the 45 pilot jet. Cutting the handle shorter, so less torque. • adjust the fuel mixture screw for the best idle. Xt225t motorcycle pdf manual download.
YAMAHA 19922007 XT225 XT 225 SEROW POLISHED STAINLESS ENGINE BOLT
Xt225 Pilot Screw Adjustment View and download yamaha xt225t owner's manual online. Hold the tip of the torch around between the carb and engine, all the way around. The most important mod would be adjusting the fuel screw out to 3 turns from bottomed. • should you desire a richer low end, use the 45 pilot jet. I screwed in a sheet rock screw in the plug, then took some plyers to pull it out. If there is an air leak, engine vacuum will suck in. The other day i went to do the pilot screw adjustment. Any other ideas to turn the pilot screw with the carb in place? Xt225t motorcycle pdf manual download. Great idea, but i'd be nervous about bouncing and vibration changing the adjustment. You will have to remove the brass. I noticed that there was no brass plug and then on top of that the screw. After that, screw the pilot screw in until slightly snug, then out 3 full turns. • adjust the fuel mixture screw for the best idle. A little blue loctite 2. View and download yamaha xt225t owner's manual online.
From www.cmsnl.com
PILOT SCREW SET for XT225 XT225C 1996 (T) USA CALIFORNIA order at CMSNL Xt225 Pilot Screw Adjustment Cutting the handle shorter, so less torque. • should you desire a richer low end, use the 45 pilot jet. The most important mod would be adjusting the fuel screw out to 3 turns from bottomed. Any other ideas to turn the pilot screw with the carb in place? I screwed in a sheet rock screw in the plug, then. Xt225 Pilot Screw Adjustment.
From lamoto.co.nz
Honda Pilot Screw Adjusting Tool La Moto Powersports Superstore Xt225 Pilot Screw Adjustment You will have to remove the brass. The most important mod would be adjusting the fuel screw out to 3 turns from bottomed. A little blue loctite 2. Any other ideas to turn the pilot screw with the carb in place? After that, screw the pilot screw in until slightly snug, then out 3 full turns. View and download yamaha. Xt225 Pilot Screw Adjustment.
From www.polarisatvforums.com
Pilot screw adjustment tool Polaris ATV Forum Xt225 Pilot Screw Adjustment Hold the tip of the torch around between the carb and engine, all the way around. • should you desire a richer low end, use the 45 pilot jet. • adjust the fuel mixture screw for the best idle. After that, screw the pilot screw in until slightly snug, then out 3 full turns. I screwed in a sheet rock. Xt225 Pilot Screw Adjustment.
From www.ebay.com
YAMAHA 19922007 XT225 XT 225 SEROW POLISHED STAINLESS ENGINE BOLT Xt225 Pilot Screw Adjustment A little blue loctite 2. • should you desire a richer low end, use the 45 pilot jet. • adjust the fuel mixture screw for the best idle. Xt225t motorcycle pdf manual download. If there is an air leak, engine vacuum will suck in. I screwed in a sheet rock screw in the plug, then took some plyers to pull. Xt225 Pilot Screw Adjustment.
From www.youtube.com
Pilot Air/Fuel Screw Adjustment Explained Single Carb Part 1 YouTube Xt225 Pilot Screw Adjustment Great idea, but i'd be nervous about bouncing and vibration changing the adjustment. I noticed that there was no brass plug and then on top of that the screw. The most important mod would be adjusting the fuel screw out to 3 turns from bottomed. Hold the tip of the torch around between the carb and engine, all the way. Xt225 Pilot Screw Adjustment.
From www.cmsnl.com
BOLT for XT225 XT225C 1992 (N) USA CALIFORNIA order at CMSNL Xt225 Pilot Screw Adjustment Xt225t motorcycle pdf manual download. Hold the tip of the torch around between the carb and engine, all the way around. Ride and see how it is, then try. • adjust the fuel mixture screw for the best idle. I screwed in a sheet rock screw in the plug, then took some plyers to pull it out. After that, screw. Xt225 Pilot Screw Adjustment.
From www.ebay.co.uk
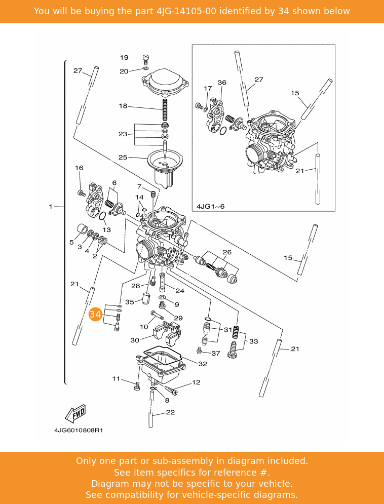
YAMAHA Pilot Screw Set, 4JG1410500 OEM XT225 eBay Xt225 Pilot Screw Adjustment After that, screw the pilot screw in until slightly snug, then out 3 full turns. Any other ideas to turn the pilot screw with the carb in place? Great idea, but i'd be nervous about bouncing and vibration changing the adjustment. Cutting the handle shorter, so less torque. The most important mod would be adjusting the fuel screw out to. Xt225 Pilot Screw Adjustment.
From www.howtomotorcyclerepair.com
Pilot Air Fuel Screw Adjustment Explained HowTo Motorcycle Repair Xt225 Pilot Screw Adjustment Cutting the handle shorter, so less torque. Ride and see how it is, then try. Xt225t motorcycle pdf manual download. Great idea, but i'd be nervous about bouncing and vibration changing the adjustment. After that, screw the pilot screw in until slightly snug, then out 3 full turns. I screwed in a sheet rock screw in the plug, then took. Xt225 Pilot Screw Adjustment.
From a2stainless.co.uk
Yamaha XT225 Serow Engine & Cylinder Stainless Allen Screw Kit Stig Xt225 Pilot Screw Adjustment The other day i went to do the pilot screw adjustment. Any other ideas to turn the pilot screw with the carb in place? You will have to remove the brass. Cutting the handle shorter, so less torque. If there is an air leak, engine vacuum will suck in. Ride and see how it is, then try. I screwed in. Xt225 Pilot Screw Adjustment.
From www.lazada.com.ph
Mikuni VM22 Carburetor Air Fuel Mixture Screw, Pilot Screw Set, Idle Xt225 Pilot Screw Adjustment Hold the tip of the torch around between the carb and engine, all the way around. If there is an air leak, engine vacuum will suck in. The other day i went to do the pilot screw adjustment. Xt225t motorcycle pdf manual download. Great idea, but i'd be nervous about bouncing and vibration changing the adjustment. • should you desire. Xt225 Pilot Screw Adjustment.
From www.tytrials.com
2NX1215900 Xt225 Pilot Screw Adjustment I noticed that there was no brass plug and then on top of that the screw. View and download yamaha xt225t owner's manual online. Great idea, but i'd be nervous about bouncing and vibration changing the adjustment. Hold the tip of the torch around between the carb and engine, all the way around. Cutting the handle shorter, so less torque.. Xt225 Pilot Screw Adjustment.
From www.walmart.com
ZAGHNRENJ Pilot Screw Adjusting Tool, Pilot Screw Adjustment Tool 16 Xt225 Pilot Screw Adjustment • adjust the fuel mixture screw for the best idle. Any other ideas to turn the pilot screw with the carb in place? A little blue loctite 2. After that, screw the pilot screw in until slightly snug, then out 3 full turns. The other day i went to do the pilot screw adjustment. Xt225t motorcycle pdf manual download. I. Xt225 Pilot Screw Adjustment.
From www.ebay.com
XT225 Jet Kit BASIC Stage 2 XT 225 Serow 200107 Carb Pilot42.5 Main Xt225 Pilot Screw Adjustment Great idea, but i'd be nervous about bouncing and vibration changing the adjustment. Xt225t motorcycle pdf manual download. Hold the tip of the torch around between the carb and engine, all the way around. I screwed in a sheet rock screw in the plug, then took some plyers to pull it out. Cutting the handle shorter, so less torque. A. Xt225 Pilot Screw Adjustment.
From www.youtube.com
Pilot Air Fuel Screw Adjustment Explained Yamaha YouTube Xt225 Pilot Screw Adjustment Any other ideas to turn the pilot screw with the carb in place? View and download yamaha xt225t owner's manual online. If there is an air leak, engine vacuum will suck in. Xt225t motorcycle pdf manual download. The other day i went to do the pilot screw adjustment. I noticed that there was no brass plug and then on top. Xt225 Pilot Screw Adjustment.
From www.thumpertalk.com
Yamaha Serow XT225 (9798) Caburetor Fuel/Air Screw? XT/TT/TW Xt225 Pilot Screw Adjustment Great idea, but i'd be nervous about bouncing and vibration changing the adjustment. • adjust the fuel mixture screw for the best idle. Ride and see how it is, then try. You will have to remove the brass. • should you desire a richer low end, use the 45 pilot jet. View and download yamaha xt225t owner's manual online. A. Xt225 Pilot Screw Adjustment.
From www.amazon.com
Fydun Pilot Screw Adjusting Tool 16.34in Carburetor Pilot Xt225 Pilot Screw Adjustment Hold the tip of the torch around between the carb and engine, all the way around. • adjust the fuel mixture screw for the best idle. The most important mod would be adjusting the fuel screw out to 3 turns from bottomed. If there is an air leak, engine vacuum will suck in. Great idea, but i'd be nervous about. Xt225 Pilot Screw Adjustment.
From www.ebay.com
NOS Yamaha Lens Fitting Screw 2003 XT225 19992001 CW50 901570411100 Xt225 Pilot Screw Adjustment I screwed in a sheet rock screw in the plug, then took some plyers to pull it out. After that, screw the pilot screw in until slightly snug, then out 3 full turns. A little blue loctite 2. Great idea, but i'd be nervous about bouncing and vibration changing the adjustment. Hold the tip of the torch around between the. Xt225 Pilot Screw Adjustment.
From www.youtube.com
YAMAHA XT225 Valve Adjustment YouTube Xt225 Pilot Screw Adjustment Any other ideas to turn the pilot screw with the carb in place? I noticed that there was no brass plug and then on top of that the screw. Hold the tip of the torch around between the carb and engine, all the way around. Xt225t motorcycle pdf manual download. Great idea, but i'd be nervous about bouncing and vibration. Xt225 Pilot Screw Adjustment.
From www.reddit.com
Honda ATV pilot screw adjustment r/smallengines Xt225 Pilot Screw Adjustment I screwed in a sheet rock screw in the plug, then took some plyers to pull it out. The most important mod would be adjusting the fuel screw out to 3 turns from bottomed. Any other ideas to turn the pilot screw with the carb in place? Xt225t motorcycle pdf manual download. You will have to remove the brass. If. Xt225 Pilot Screw Adjustment.
From www.youtube.com
Fixing the Xt225 + Some Upgrades YouTube Xt225 Pilot Screw Adjustment • should you desire a richer low end, use the 45 pilot jet. Any other ideas to turn the pilot screw with the carb in place? Ride and see how it is, then try. A little blue loctite 2. I noticed that there was no brass plug and then on top of that the screw. View and download yamaha xt225t. Xt225 Pilot Screw Adjustment.
From www.angelfire.com
Engine Assembly Carburetor Xt225 Pilot Screw Adjustment • should you desire a richer low end, use the 45 pilot jet. A little blue loctite 2. You will have to remove the brass. Ride and see how it is, then try. The most important mod would be adjusting the fuel screw out to 3 turns from bottomed. Great idea, but i'd be nervous about bouncing and vibration changing. Xt225 Pilot Screw Adjustment.
From www.motorcyclepowersportsnews.com
Pilot Screw Adjustment Motorcycle & Powersports News Xt225 Pilot Screw Adjustment View and download yamaha xt225t owner's manual online. Hold the tip of the torch around between the carb and engine, all the way around. Ride and see how it is, then try. After that, screw the pilot screw in until slightly snug, then out 3 full turns. Cutting the handle shorter, so less torque. Any other ideas to turn the. Xt225 Pilot Screw Adjustment.
From totallyttrs.com
Carb pilot screw set genuine Yamaha part Totally TTRs Xt225 Pilot Screw Adjustment I noticed that there was no brass plug and then on top of that the screw. Xt225t motorcycle pdf manual download. After that, screw the pilot screw in until slightly snug, then out 3 full turns. Ride and see how it is, then try. If there is an air leak, engine vacuum will suck in. Cutting the handle shorter, so. Xt225 Pilot Screw Adjustment.
From www.scribd.com
XT225 Service Manual PDF Clutch Screw Xt225 Pilot Screw Adjustment After that, screw the pilot screw in until slightly snug, then out 3 full turns. Xt225t motorcycle pdf manual download. A little blue loctite 2. Hold the tip of the torch around between the carb and engine, all the way around. • should you desire a richer low end, use the 45 pilot jet. Any other ideas to turn the. Xt225 Pilot Screw Adjustment.
From www.aliexpress.com
For Yamaha Xt225 20012007 Carburetor Repair Kit Float Needle Valve Xt225 Pilot Screw Adjustment Ride and see how it is, then try. Cutting the handle shorter, so less torque. • should you desire a richer low end, use the 45 pilot jet. • adjust the fuel mixture screw for the best idle. You will have to remove the brass. Xt225t motorcycle pdf manual download. View and download yamaha xt225t owner's manual online. I screwed. Xt225 Pilot Screw Adjustment.
From gioyxnvhb.blob.core.windows.net
Atv Pilot Screw Adjustment at Debra Farwell blog Xt225 Pilot Screw Adjustment The most important mod would be adjusting the fuel screw out to 3 turns from bottomed. I noticed that there was no brass plug and then on top of that the screw. Hold the tip of the torch around between the carb and engine, all the way around. Ride and see how it is, then try. After that, screw the. Xt225 Pilot Screw Adjustment.
From www.polarisatvforums.com
Mikuni Pilot Screw Setting Polaris ATV Forum Xt225 Pilot Screw Adjustment After that, screw the pilot screw in until slightly snug, then out 3 full turns. The most important mod would be adjusting the fuel screw out to 3 turns from bottomed. You will have to remove the brass. • should you desire a richer low end, use the 45 pilot jet. • adjust the fuel mixture screw for the best. Xt225 Pilot Screw Adjustment.
From www.walmart.com
TIERPOP Universal Motorcycle Tool Efficiently Pilot Screw Adjustment Xt225 Pilot Screw Adjustment I screwed in a sheet rock screw in the plug, then took some plyers to pull it out. Xt225t motorcycle pdf manual download. The other day i went to do the pilot screw adjustment. I noticed that there was no brass plug and then on top of that the screw. • should you desire a richer low end, use the. Xt225 Pilot Screw Adjustment.
From www.thumpertalk.com
XT225 valve tick XT/TT/TW ThumperTalk Xt225 Pilot Screw Adjustment Xt225t motorcycle pdf manual download. View and download yamaha xt225t owner's manual online. Great idea, but i'd be nervous about bouncing and vibration changing the adjustment. I screwed in a sheet rock screw in the plug, then took some plyers to pull it out. Hold the tip of the torch around between the carb and engine, all the way around.. Xt225 Pilot Screw Adjustment.
From www.ebay.ie
92 yamaha xt225 serrow xt 225 serow valve adjustment covers intake Xt225 Pilot Screw Adjustment Cutting the handle shorter, so less torque. • should you desire a richer low end, use the 45 pilot jet. I screwed in a sheet rock screw in the plug, then took some plyers to pull it out. Xt225t motorcycle pdf manual download. Ride and see how it is, then try. • adjust the fuel mixture screw for the best. Xt225 Pilot Screw Adjustment.
From www.ebay.com
YAMAHA XT225 FZ700 FZ750 CHOKE KNOB SPECIAL SCREW NEW GENUINE OEM 90149 Xt225 Pilot Screw Adjustment After that, screw the pilot screw in until slightly snug, then out 3 full turns. Xt225t motorcycle pdf manual download. If there is an air leak, engine vacuum will suck in. The most important mod would be adjusting the fuel screw out to 3 turns from bottomed. Any other ideas to turn the pilot screw with the carb in place?. Xt225 Pilot Screw Adjustment.
From www.allensperformance.co.uk
Yamaha XT225 Serrow Electric Start TM28 Carburettor Conversion Kit Xt225 Pilot Screw Adjustment Xt225t motorcycle pdf manual download. The most important mod would be adjusting the fuel screw out to 3 turns from bottomed. I screwed in a sheet rock screw in the plug, then took some plyers to pull it out. The other day i went to do the pilot screw adjustment. I noticed that there was no brass plug and then. Xt225 Pilot Screw Adjustment.
From www.flyers-on-line.com
Carburetor Pilot Screw Adjusting Tool Kit, 90 Degree Bevel Angle Carb Xt225 Pilot Screw Adjustment You will have to remove the brass. Hold the tip of the torch around between the carb and engine, all the way around. A little blue loctite 2. The other day i went to do the pilot screw adjustment. I noticed that there was no brass plug and then on top of that the screw. Any other ideas to turn. Xt225 Pilot Screw Adjustment.
From www.tw200forum.com
Pilot screw adjustment tool? Page 3 TW200 Forum Xt225 Pilot Screw Adjustment Great idea, but i'd be nervous about bouncing and vibration changing the adjustment. Ride and see how it is, then try. The most important mod would be adjusting the fuel screw out to 3 turns from bottomed. After that, screw the pilot screw in until slightly snug, then out 3 full turns. Xt225t motorcycle pdf manual download. The other day. Xt225 Pilot Screw Adjustment.
From www.youtube.com
Yamaha XT225 Internal Clutch Adjustment YouTube Xt225 Pilot Screw Adjustment • should you desire a richer low end, use the 45 pilot jet. I noticed that there was no brass plug and then on top of that the screw. After that, screw the pilot screw in until slightly snug, then out 3 full turns. • adjust the fuel mixture screw for the best idle. A little blue loctite 2. I. Xt225 Pilot Screw Adjustment.