How Much Thread Goes Into A Pipe Fitting . Then i find it best to use your tape measure to eyeball the take off requirement, assuming 1/2 pipe insertion into the fitting for pipe up to 1. The l1 basic hand tight engagement applies to nptf threads. Because of the taper, a pipe can only screw into a fitting a certain distance before it jams. How a fitting connects pipes depends on the type of pipe: Using the proper pipe thread type is crucial for maintaining and installing equipment, so helping you determine what pipe thread you need is important to us. Fittings for copper and plastic pipe slip over the end of the pipe and are soldered or. Npt (national pipe thread) is a 60° tapered pipe thread primarily used in north america. This is much different than threading a. Choose the die size for the pipe diameter and threading standard (e.g., npt or bspt). To determine the correct pipe thread size, refer to the markings on the die head,.
        
        from dengarden.com 
     
        
        To determine the correct pipe thread size, refer to the markings on the die head,. The l1 basic hand tight engagement applies to nptf threads. Choose the die size for the pipe diameter and threading standard (e.g., npt or bspt). Fittings for copper and plastic pipe slip over the end of the pipe and are soldered or. Npt (national pipe thread) is a 60° tapered pipe thread primarily used in north america. This is much different than threading a. Then i find it best to use your tape measure to eyeball the take off requirement, assuming 1/2 pipe insertion into the fitting for pipe up to 1. Because of the taper, a pipe can only screw into a fitting a certain distance before it jams. How a fitting connects pipes depends on the type of pipe: Using the proper pipe thread type is crucial for maintaining and installing equipment, so helping you determine what pipe thread you need is important to us.
    
    	
            
	
		 
         
    A Complete Guide to Pipe Fittings and How to Use Them to Connect PEX 
    How Much Thread Goes Into A Pipe Fitting  Then i find it best to use your tape measure to eyeball the take off requirement, assuming 1/2 pipe insertion into the fitting for pipe up to 1. How a fitting connects pipes depends on the type of pipe: Using the proper pipe thread type is crucial for maintaining and installing equipment, so helping you determine what pipe thread you need is important to us. This is much different than threading a. Because of the taper, a pipe can only screw into a fitting a certain distance before it jams. Npt (national pipe thread) is a 60° tapered pipe thread primarily used in north america. Choose the die size for the pipe diameter and threading standard (e.g., npt or bspt). To determine the correct pipe thread size, refer to the markings on the die head,. Fittings for copper and plastic pipe slip over the end of the pipe and are soldered or. The l1 basic hand tight engagement applies to nptf threads. Then i find it best to use your tape measure to eyeball the take off requirement, assuming 1/2 pipe insertion into the fitting for pipe up to 1.
            
	
		 
         
 
    
        From www.industrialestores.com 
                    Pneumatic Fittings Push Male Connector 1/2 Inch x 6mm 16mm How Much Thread Goes Into A Pipe Fitting  This is much different than threading a. Then i find it best to use your tape measure to eyeball the take off requirement, assuming 1/2 pipe insertion into the fitting for pipe up to 1. To determine the correct pipe thread size, refer to the markings on the die head,. How a fitting connects pipes depends on the type of. How Much Thread Goes Into A Pipe Fitting.
     
    
        From dengarden.com 
                    A Complete Guide to Pipe Fittings and How to Use Them to Connect PEX How Much Thread Goes Into A Pipe Fitting  This is much different than threading a. Using the proper pipe thread type is crucial for maintaining and installing equipment, so helping you determine what pipe thread you need is important to us. Choose the die size for the pipe diameter and threading standard (e.g., npt or bspt). Then i find it best to use your tape measure to eyeball. How Much Thread Goes Into A Pipe Fitting.
     
    
        From sunshoweronline.com.au 
                    How to Measure BSP Threads and PVC Pipe 💧 How Much Thread Goes Into A Pipe Fitting  This is much different than threading a. To determine the correct pipe thread size, refer to the markings on the die head,. The l1 basic hand tight engagement applies to nptf threads. How a fitting connects pipes depends on the type of pipe: Choose the die size for the pipe diameter and threading standard (e.g., npt or bspt). Fittings for. How Much Thread Goes Into A Pipe Fitting.
     
    
        From dengarden.com 
                    A Complete Guide to Pipe Fittings and How to Use Them to Connect PEX How Much Thread Goes Into A Pipe Fitting  To determine the correct pipe thread size, refer to the markings on the die head,. This is much different than threading a. Because of the taper, a pipe can only screw into a fitting a certain distance before it jams. How a fitting connects pipes depends on the type of pipe: Using the proper pipe thread type is crucial for. How Much Thread Goes Into A Pipe Fitting.
     
    
        From www.alibaba.com 
                    Screw Threaded Galvanized Pipe/threaded Coupling/threading Galvanized How Much Thread Goes Into A Pipe Fitting  Because of the taper, a pipe can only screw into a fitting a certain distance before it jams. Npt (national pipe thread) is a 60° tapered pipe thread primarily used in north america. Fittings for copper and plastic pipe slip over the end of the pipe and are soldered or. The l1 basic hand tight engagement applies to nptf threads.. How Much Thread Goes Into A Pipe Fitting.
     
    
        From www.youtube.com 
                    The tapered pipe thread YouTube How Much Thread Goes Into A Pipe Fitting  To determine the correct pipe thread size, refer to the markings on the die head,. How a fitting connects pipes depends on the type of pipe: Using the proper pipe thread type is crucial for maintaining and installing equipment, so helping you determine what pipe thread you need is important to us. This is much different than threading a. Fittings. How Much Thread Goes Into A Pipe Fitting.
     
    
        From dengarden.com 
                    A Complete Guide to Pipe Fittings and How to Use Them to Connect PEX How Much Thread Goes Into A Pipe Fitting  To determine the correct pipe thread size, refer to the markings on the die head,. This is much different than threading a. Then i find it best to use your tape measure to eyeball the take off requirement, assuming 1/2 pipe insertion into the fitting for pipe up to 1. Using the proper pipe thread type is crucial for maintaining. How Much Thread Goes Into A Pipe Fitting.
     
    
        From ezimetal.com.au 
                    Custom Threaded Pipe & Fittings in Newcastle Ezimetal How Much Thread Goes Into A Pipe Fitting  To determine the correct pipe thread size, refer to the markings on the die head,. This is much different than threading a. Then i find it best to use your tape measure to eyeball the take off requirement, assuming 1/2 pipe insertion into the fitting for pipe up to 1. Because of the taper, a pipe can only screw into. How Much Thread Goes Into A Pipe Fitting.
     
    
        From www.vrogue.co 
                    How To Measure Fitting Sizes vrogue.co How Much Thread Goes Into A Pipe Fitting  To determine the correct pipe thread size, refer to the markings on the die head,. Using the proper pipe thread type is crucial for maintaining and installing equipment, so helping you determine what pipe thread you need is important to us. Then i find it best to use your tape measure to eyeball the take off requirement, assuming 1/2 pipe. How Much Thread Goes Into A Pipe Fitting.
     
    
        From www.familyhandyman.com 
                    Plumbing With PEX Tubing Family Handyman How Much Thread Goes Into A Pipe Fitting  Choose the die size for the pipe diameter and threading standard (e.g., npt or bspt). To determine the correct pipe thread size, refer to the markings on the die head,. This is much different than threading a. Using the proper pipe thread type is crucial for maintaining and installing equipment, so helping you determine what pipe thread you need is. How Much Thread Goes Into A Pipe Fitting.
     
    
        From www.jianzhipipefitting.com 
                    What are the fire pipe fittings included? Jianzhi Pipe Fittings How Much Thread Goes Into A Pipe Fitting  The l1 basic hand tight engagement applies to nptf threads. Using the proper pipe thread type is crucial for maintaining and installing equipment, so helping you determine what pipe thread you need is important to us. How a fitting connects pipes depends on the type of pipe: Npt (national pipe thread) is a 60° tapered pipe thread primarily used in. How Much Thread Goes Into A Pipe Fitting.
     
    
        From www.mr2oc.com 
                    Junkyard Build MR2 Page 3 MR2 Owners Club Forum How Much Thread Goes Into A Pipe Fitting  How a fitting connects pipes depends on the type of pipe: Fittings for copper and plastic pipe slip over the end of the pipe and are soldered or. Choose the die size for the pipe diameter and threading standard (e.g., npt or bspt). Using the proper pipe thread type is crucial for maintaining and installing equipment, so helping you determine. How Much Thread Goes Into A Pipe Fitting.
     
    
        From www.youtube.com 
                    How to Make Threaded Pipe Connections YouTube How Much Thread Goes Into A Pipe Fitting  Fittings for copper and plastic pipe slip over the end of the pipe and are soldered or. How a fitting connects pipes depends on the type of pipe: The l1 basic hand tight engagement applies to nptf threads. Choose the die size for the pipe diameter and threading standard (e.g., npt or bspt). Npt (national pipe thread) is a 60°. How Much Thread Goes Into A Pipe Fitting.
     
    
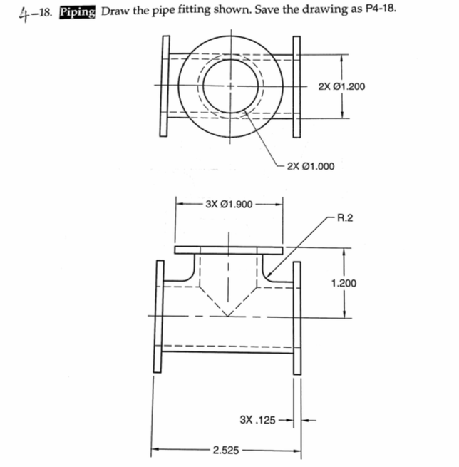
        From www.chegg.com 
                    18. Piping Draw the pipe fitting shown. Save the How Much Thread Goes Into A Pipe Fitting  This is much different than threading a. Fittings for copper and plastic pipe slip over the end of the pipe and are soldered or. Npt (national pipe thread) is a 60° tapered pipe thread primarily used in north america. Then i find it best to use your tape measure to eyeball the take off requirement, assuming 1/2 pipe insertion into. How Much Thread Goes Into A Pipe Fitting.
     
    
        From www.homewaremart.net 
                    1/2 Inch Stainless Steel 304 Home Pipe Fitting Connector For Household How Much Thread Goes Into A Pipe Fitting  Choose the die size for the pipe diameter and threading standard (e.g., npt or bspt). To determine the correct pipe thread size, refer to the markings on the die head,. Using the proper pipe thread type is crucial for maintaining and installing equipment, so helping you determine what pipe thread you need is important to us. Then i find it. How Much Thread Goes Into A Pipe Fitting.
     
    
        From guideammarie10fs.z22.web.core.windows.net 
                    Upvc Pipe Fittings Dimensions How Much Thread Goes Into A Pipe Fitting  How a fitting connects pipes depends on the type of pipe: Choose the die size for the pipe diameter and threading standard (e.g., npt or bspt). This is much different than threading a. The l1 basic hand tight engagement applies to nptf threads. To determine the correct pipe thread size, refer to the markings on the die head,. Npt (national. How Much Thread Goes Into A Pipe Fitting.
     
    
        From www.marcelpiping.com 
                    Threaded Nipple, Pipe Nipple Manufacturers How Much Thread Goes Into A Pipe Fitting  The l1 basic hand tight engagement applies to nptf threads. Choose the die size for the pipe diameter and threading standard (e.g., npt or bspt). Then i find it best to use your tape measure to eyeball the take off requirement, assuming 1/2 pipe insertion into the fitting for pipe up to 1. This is much different than threading a.. How Much Thread Goes Into A Pipe Fitting.
     
    
        From www.pipingmaterial.ae 
                    Galvanised threaded pipe fittings Gi screwed coupling/ bushing/ cap How Much Thread Goes Into A Pipe Fitting  Choose the die size for the pipe diameter and threading standard (e.g., npt or bspt). Fittings for copper and plastic pipe slip over the end of the pipe and are soldered or. How a fitting connects pipes depends on the type of pipe: This is much different than threading a. Then i find it best to use your tape measure. How Much Thread Goes Into A Pipe Fitting.
     
    
        From support.celestialfireglass.com 
                    How to Measure Gas Pipe Size for your Fire Pit How Much Thread Goes Into A Pipe Fitting  Using the proper pipe thread type is crucial for maintaining and installing equipment, so helping you determine what pipe thread you need is important to us. Fittings for copper and plastic pipe slip over the end of the pipe and are soldered or. How a fitting connects pipes depends on the type of pipe: Choose the die size for the. How Much Thread Goes Into A Pipe Fitting.
     
    
        From www.youtube.com 
                    How to Thread Pipe; A Beginner's Tutorial YouTube How Much Thread Goes Into A Pipe Fitting  This is much different than threading a. Choose the die size for the pipe diameter and threading standard (e.g., npt or bspt). How a fitting connects pipes depends on the type of pipe: Then i find it best to use your tape measure to eyeball the take off requirement, assuming 1/2 pipe insertion into the fitting for pipe up to. How Much Thread Goes Into A Pipe Fitting.
     
    
        From www.new-line.com 
                    Fitting Thread Size Chart How Much Thread Goes Into A Pipe Fitting  Because of the taper, a pipe can only screw into a fitting a certain distance before it jams. Npt (national pipe thread) is a 60° tapered pipe thread primarily used in north america. Fittings for copper and plastic pipe slip over the end of the pipe and are soldered or. The l1 basic hand tight engagement applies to nptf threads.. How Much Thread Goes Into A Pipe Fitting.
     
    
        From dengarden.com 
                    The Complete Guide to Garden Hose Fittings Dengarden How Much Thread Goes Into A Pipe Fitting  This is much different than threading a. Npt (national pipe thread) is a 60° tapered pipe thread primarily used in north america. To determine the correct pipe thread size, refer to the markings on the die head,. Using the proper pipe thread type is crucial for maintaining and installing equipment, so helping you determine what pipe thread you need is. How Much Thread Goes Into A Pipe Fitting.
     
    
        From www.jalopyjournal.com 
                    Projects Anyone recognize the logo or number on this fitting The H How Much Thread Goes Into A Pipe Fitting  Then i find it best to use your tape measure to eyeball the take off requirement, assuming 1/2 pipe insertion into the fitting for pipe up to 1. To determine the correct pipe thread size, refer to the markings on the die head,. Because of the taper, a pipe can only screw into a fitting a certain distance before it. How Much Thread Goes Into A Pipe Fitting.
     
    
        From engineeringdiscoveries.com 
                    PVC Pipe Fitting Information Engineering Discoveries How Much Thread Goes Into A Pipe Fitting  The l1 basic hand tight engagement applies to nptf threads. Using the proper pipe thread type is crucial for maintaining and installing equipment, so helping you determine what pipe thread you need is important to us. How a fitting connects pipes depends on the type of pipe: To determine the correct pipe thread size, refer to the markings on the. How Much Thread Goes Into A Pipe Fitting.
     
    
        From inspectapedia.com 
                    Types of Pipe Threads NPT, IPT, CompressionThread differences, types How Much Thread Goes Into A Pipe Fitting  Using the proper pipe thread type is crucial for maintaining and installing equipment, so helping you determine what pipe thread you need is important to us. This is much different than threading a. Choose the die size for the pipe diameter and threading standard (e.g., npt or bspt). To determine the correct pipe thread size, refer to the markings on. How Much Thread Goes Into A Pipe Fitting.
     
    
        From blog.thepipingmart.com 
                    Threaded Connections in Piping Threaded Pipe Fittings ThePipingMart Blog How Much Thread Goes Into A Pipe Fitting  This is much different than threading a. Because of the taper, a pipe can only screw into a fitting a certain distance before it jams. Fittings for copper and plastic pipe slip over the end of the pipe and are soldered or. How a fitting connects pipes depends on the type of pipe: The l1 basic hand tight engagement applies. How Much Thread Goes Into A Pipe Fitting.
     
    
        From www.pinterest.com 
                    fire sprinkler pipe fittings Pipe & fittings, Iron pipe, Pipe fitting How Much Thread Goes Into A Pipe Fitting  Then i find it best to use your tape measure to eyeball the take off requirement, assuming 1/2 pipe insertion into the fitting for pipe up to 1. Npt (national pipe thread) is a 60° tapered pipe thread primarily used in north america. How a fitting connects pipes depends on the type of pipe: The l1 basic hand tight engagement. How Much Thread Goes Into A Pipe Fitting.
     
    
        From pipewiki.blogspot.com 
                    National pipe thread How Much Thread Goes Into A Pipe Fitting  The l1 basic hand tight engagement applies to nptf threads. Npt (national pipe thread) is a 60° tapered pipe thread primarily used in north america. Choose the die size for the pipe diameter and threading standard (e.g., npt or bspt). Using the proper pipe thread type is crucial for maintaining and installing equipment, so helping you determine what pipe thread. How Much Thread Goes Into A Pipe Fitting.
     
    
        From blog.thepipingmart.com 
                    12 Types of Pipe Joints and Their Uses How Much Thread Goes Into A Pipe Fitting  Npt (national pipe thread) is a 60° tapered pipe thread primarily used in north america. To determine the correct pipe thread size, refer to the markings on the die head,. Using the proper pipe thread type is crucial for maintaining and installing equipment, so helping you determine what pipe thread you need is important to us. Then i find it. How Much Thread Goes Into A Pipe Fitting.
     
    
        From www.youtube.com 
                    HOW TO THREAD PVC PIPE YouTube How Much Thread Goes Into A Pipe Fitting  Fittings for copper and plastic pipe slip over the end of the pipe and are soldered or. This is much different than threading a. The l1 basic hand tight engagement applies to nptf threads. Because of the taper, a pipe can only screw into a fitting a certain distance before it jams. How a fitting connects pipes depends on the. How Much Thread Goes Into A Pipe Fitting.
     
    
        From bbindustrial.com.au 
                    Stainless Steel Pipe Fittings B & B Industrial How Much Thread Goes Into A Pipe Fitting  Npt (national pipe thread) is a 60° tapered pipe thread primarily used in north america. This is much different than threading a. Then i find it best to use your tape measure to eyeball the take off requirement, assuming 1/2 pipe insertion into the fitting for pipe up to 1. The l1 basic hand tight engagement applies to nptf threads.. How Much Thread Goes Into A Pipe Fitting.
     
    
        From www.linquip.com 
                    Types of Pipe Fittings A Practical Guide in 2022 Linquip How Much Thread Goes Into A Pipe Fitting  To determine the correct pipe thread size, refer to the markings on the die head,. How a fitting connects pipes depends on the type of pipe: This is much different than threading a. Using the proper pipe thread type is crucial for maintaining and installing equipment, so helping you determine what pipe thread you need is important to us. Because. How Much Thread Goes Into A Pipe Fitting.
     
    
        From blog.thepipingmart.com 
                    5 Types of Pipe Thread and Their Uses How Much Thread Goes Into A Pipe Fitting  To determine the correct pipe thread size, refer to the markings on the die head,. Npt (national pipe thread) is a 60° tapered pipe thread primarily used in north america. Choose the die size for the pipe diameter and threading standard (e.g., npt or bspt). How a fitting connects pipes depends on the type of pipe: The l1 basic hand. How Much Thread Goes Into A Pipe Fitting.
     
    
        From mavink.com 
                    Threaded Pipe Size Chart How Much Thread Goes Into A Pipe Fitting  Choose the die size for the pipe diameter and threading standard (e.g., npt or bspt). Using the proper pipe thread type is crucial for maintaining and installing equipment, so helping you determine what pipe thread you need is important to us. Npt (national pipe thread) is a 60° tapered pipe thread primarily used in north america. This is much different. How Much Thread Goes Into A Pipe Fitting.
     
    
        From www.steelpipesfactory.com 
                    Types of Pipe Fittings, Top Pipe Fittings Manufacturer, Supplier How Much Thread Goes Into A Pipe Fitting  How a fitting connects pipes depends on the type of pipe: This is much different than threading a. The l1 basic hand tight engagement applies to nptf threads. Choose the die size for the pipe diameter and threading standard (e.g., npt or bspt). Because of the taper, a pipe can only screw into a fitting a certain distance before it. How Much Thread Goes Into A Pipe Fitting.