What Determines The Output Of A Generator . The current output of a generator is determined by its load, as long as the load doesn't exceed the maximum capacity of the. E = 4 × f × fb × kd × kp × n × f, where. Technically speaking, you can increase or decrease the voltage output of your generator by making it rev higher or. F = frequency of operation which correlates to the difference. Generator with a pmg • this voltage is sensed by the regulator, compared to a reference level, and output voltage is adjusted. What determines the voltage output of a generator? Now that you know the difference between your output measurement units, you see why generators typically choose to use watts as their unit of measuring output. The generator size and capacity, often quantified in terms of wattage (watts or kilowatts) or amperage (amps), are critical factors in determining how much electrical output it.
from www.linquip.com
What determines the voltage output of a generator? The generator size and capacity, often quantified in terms of wattage (watts or kilowatts) or amperage (amps), are critical factors in determining how much electrical output it. The current output of a generator is determined by its load, as long as the load doesn't exceed the maximum capacity of the. Technically speaking, you can increase or decrease the voltage output of your generator by making it rev higher or. Generator with a pmg • this voltage is sensed by the regulator, compared to a reference level, and output voltage is adjusted. Now that you know the difference between your output measurement units, you see why generators typically choose to use watts as their unit of measuring output. E = 4 × f × fb × kd × kp × n × f, where. F = frequency of operation which correlates to the difference.
Parts of Generator 10 Main Component of Generators Linquip
What Determines The Output Of A Generator E = 4 × f × fb × kd × kp × n × f, where. Generator with a pmg • this voltage is sensed by the regulator, compared to a reference level, and output voltage is adjusted. The generator size and capacity, often quantified in terms of wattage (watts or kilowatts) or amperage (amps), are critical factors in determining how much electrical output it. E = 4 × f × fb × kd × kp × n × f, where. F = frequency of operation which correlates to the difference. What determines the voltage output of a generator? Now that you know the difference between your output measurement units, you see why generators typically choose to use watts as their unit of measuring output. The current output of a generator is determined by its load, as long as the load doesn't exceed the maximum capacity of the. Technically speaking, you can increase or decrease the voltage output of your generator by making it rev higher or.
From rasmiranjansutar.blogspot.com
Generation Of Electricity UNDERSTANDING GENERATOR CAPABILITY CURVE What Determines The Output Of A Generator Now that you know the difference between your output measurement units, you see why generators typically choose to use watts as their unit of measuring output. Technically speaking, you can increase or decrease the voltage output of your generator by making it rev higher or. The current output of a generator is determined by its load, as long as the. What Determines The Output Of A Generator.
From www.researchgate.net
Power output vs. shaft rpm of generator. Download Scientific Diagram What Determines The Output Of A Generator F = frequency of operation which correlates to the difference. Generator with a pmg • this voltage is sensed by the regulator, compared to a reference level, and output voltage is adjusted. E = 4 × f × fb × kd × kp × n × f, where. Technically speaking, you can increase or decrease the voltage output of your. What Determines The Output Of A Generator.
From www.shanahanpower.com
What Are The Main Parts Of A Diesel Generator? Shanahan Power What Determines The Output Of A Generator The current output of a generator is determined by its load, as long as the load doesn't exceed the maximum capacity of the. The generator size and capacity, often quantified in terms of wattage (watts or kilowatts) or amperage (amps), are critical factors in determining how much electrical output it. Generator with a pmg • this voltage is sensed by. What Determines The Output Of A Generator.
From www.physicsforums.com
Measuring the Power Output of a Generator What Determines The Output Of A Generator F = frequency of operation which correlates to the difference. E = 4 × f × fb × kd × kp × n × f, where. What determines the voltage output of a generator? Technically speaking, you can increase or decrease the voltage output of your generator by making it rev higher or. The generator size and capacity, often quantified. What Determines The Output Of A Generator.
From www.thetalearningpoint.com
What is the Principle of DC Generator? What Determines The Output Of A Generator Generator with a pmg • this voltage is sensed by the regulator, compared to a reference level, and output voltage is adjusted. What determines the voltage output of a generator? Technically speaking, you can increase or decrease the voltage output of your generator by making it rev higher or. E = 4 × f × fb × kd × kp. What Determines The Output Of A Generator.
From generatorfirst.com
How Does A Generator Work? Generator First What Determines The Output Of A Generator F = frequency of operation which correlates to the difference. E = 4 × f × fb × kd × kp × n × f, where. Generator with a pmg • this voltage is sensed by the regulator, compared to a reference level, and output voltage is adjusted. Technically speaking, you can increase or decrease the voltage output of your. What Determines The Output Of A Generator.
From www.researchgate.net
Variation of the power output of the generator with the current What Determines The Output Of A Generator E = 4 × f × fb × kd × kp × n × f, where. F = frequency of operation which correlates to the difference. Now that you know the difference between your output measurement units, you see why generators typically choose to use watts as their unit of measuring output. What determines the voltage output of a generator?. What Determines The Output Of A Generator.
From www.stpec.com
How does a generator work? And more Q&As STPEC What Determines The Output Of A Generator Now that you know the difference between your output measurement units, you see why generators typically choose to use watts as their unit of measuring output. What determines the voltage output of a generator? The generator size and capacity, often quantified in terms of wattage (watts or kilowatts) or amperage (amps), are critical factors in determining how much electrical output. What Determines The Output Of A Generator.
From www.slideserve.com
PPT Lesson 33 AC Generators PowerPoint Presentation, free download What Determines The Output Of A Generator The current output of a generator is determined by its load, as long as the load doesn't exceed the maximum capacity of the. Now that you know the difference between your output measurement units, you see why generators typically choose to use watts as their unit of measuring output. What determines the voltage output of a generator? E = 4. What Determines The Output Of A Generator.
From electricala2z.com
Types of AC Generators Single Phase and Three Phase AC Generator What Determines The Output Of A Generator The generator size and capacity, often quantified in terms of wattage (watts or kilowatts) or amperage (amps), are critical factors in determining how much electrical output it. Technically speaking, you can increase or decrease the voltage output of your generator by making it rev higher or. F = frequency of operation which correlates to the difference. Generator with a pmg. What Determines The Output Of A Generator.
From byjus.com
Draw a neat diagram of an AC Generator and explain its work in brief. What Determines The Output Of A Generator The generator size and capacity, often quantified in terms of wattage (watts or kilowatts) or amperage (amps), are critical factors in determining how much electrical output it. What determines the voltage output of a generator? Technically speaking, you can increase or decrease the voltage output of your generator by making it rev higher or. F = frequency of operation which. What Determines The Output Of A Generator.
From multico.com.ph
Understanding Generator Set Specifications What Determines The Output Of A Generator Technically speaking, you can increase or decrease the voltage output of your generator by making it rev higher or. The generator size and capacity, often quantified in terms of wattage (watts or kilowatts) or amperage (amps), are critical factors in determining how much electrical output it. E = 4 × f × fb × kd × kp × n ×. What Determines The Output Of A Generator.
From www.youtube.com
DC generator formula YouTube What Determines The Output Of A Generator E = 4 × f × fb × kd × kp × n × f, where. What determines the voltage output of a generator? The current output of a generator is determined by its load, as long as the load doesn't exceed the maximum capacity of the. F = frequency of operation which correlates to the difference. Technically speaking, you. What Determines The Output Of A Generator.
From www.chegg.com
Solved The output of a generator is given by v(t) = a What Determines The Output Of A Generator Generator with a pmg • this voltage is sensed by the regulator, compared to a reference level, and output voltage is adjusted. Technically speaking, you can increase or decrease the voltage output of your generator by making it rev higher or. Now that you know the difference between your output measurement units, you see why generators typically choose to use. What Determines The Output Of A Generator.
From www.slideserve.com
PPT Lesson 33 AC Generators PowerPoint Presentation, free download What Determines The Output Of A Generator Technically speaking, you can increase or decrease the voltage output of your generator by making it rev higher or. The current output of a generator is determined by its load, as long as the load doesn't exceed the maximum capacity of the. F = frequency of operation which correlates to the difference. Now that you know the difference between your. What Determines The Output Of A Generator.
From slidingmotion.com
10 Generator Parts Complete Guide Names, Functions & Diagram What Determines The Output Of A Generator Technically speaking, you can increase or decrease the voltage output of your generator by making it rev higher or. Now that you know the difference between your output measurement units, you see why generators typically choose to use watts as their unit of measuring output. The generator size and capacity, often quantified in terms of wattage (watts or kilowatts) or. What Determines The Output Of A Generator.
From www.generatorszone.com
Generator Wattage Calculator Online Generators Zone What Determines The Output Of A Generator The generator size and capacity, often quantified in terms of wattage (watts or kilowatts) or amperage (amps), are critical factors in determining how much electrical output it. What determines the voltage output of a generator? The current output of a generator is determined by its load, as long as the load doesn't exceed the maximum capacity of the. E =. What Determines The Output Of A Generator.
From www.youtube.com
wanting to know the equations for calculating the output of a generator What Determines The Output Of A Generator Generator with a pmg • this voltage is sensed by the regulator, compared to a reference level, and output voltage is adjusted. What determines the voltage output of a generator? The current output of a generator is determined by its load, as long as the load doesn't exceed the maximum capacity of the. E = 4 × f × fb. What Determines The Output Of A Generator.
From www.linquip.com
Parts of Generator 10 Main Component of Generators Linquip What Determines The Output Of A Generator The current output of a generator is determined by its load, as long as the load doesn't exceed the maximum capacity of the. What determines the voltage output of a generator? Now that you know the difference between your output measurement units, you see why generators typically choose to use watts as their unit of measuring output. E = 4. What Determines The Output Of A Generator.
From www.nagwa.com
Question Video Determining the Peak Output Potential Difference of a What Determines The Output Of A Generator What determines the voltage output of a generator? Now that you know the difference between your output measurement units, you see why generators typically choose to use watts as their unit of measuring output. Technically speaking, you can increase or decrease the voltage output of your generator by making it rev higher or. E = 4 × f × fb. What Determines The Output Of A Generator.
From powerelectrics.com
Understanding Your Generator Spec Sheet Power Electrics What Determines The Output Of A Generator Technically speaking, you can increase or decrease the voltage output of your generator by making it rev higher or. The current output of a generator is determined by its load, as long as the load doesn't exceed the maximum capacity of the. Now that you know the difference between your output measurement units, you see why generators typically choose to. What Determines The Output Of A Generator.
From www.essentracomponents.com
How does a generator work? And more Q&As Essentra Components UK What Determines The Output Of A Generator Technically speaking, you can increase or decrease the voltage output of your generator by making it rev higher or. What determines the voltage output of a generator? Now that you know the difference between your output measurement units, you see why generators typically choose to use watts as their unit of measuring output. Generator with a pmg • this voltage. What Determines The Output Of A Generator.
From www.futek.com
Electric Motor Output Power How to measure the power output of an What Determines The Output Of A Generator What determines the voltage output of a generator? The current output of a generator is determined by its load, as long as the load doesn't exceed the maximum capacity of the. Now that you know the difference between your output measurement units, you see why generators typically choose to use watts as their unit of measuring output. Technically speaking, you. What Determines The Output Of A Generator.
From instrumentationtools.com
Three Phase AC Generators Inst Tools What Determines The Output Of A Generator The current output of a generator is determined by its load, as long as the load doesn't exceed the maximum capacity of the. Now that you know the difference between your output measurement units, you see why generators typically choose to use watts as their unit of measuring output. E = 4 × f × fb × kd × kp. What Determines The Output Of A Generator.
From www.quora.com
What determines a generator (alternator) output current? Quora What Determines The Output Of A Generator F = frequency of operation which correlates to the difference. E = 4 × f × fb × kd × kp × n × f, where. Now that you know the difference between your output measurement units, you see why generators typically choose to use watts as their unit of measuring output. The generator size and capacity, often quantified in. What Determines The Output Of A Generator.
From www.rvingbeginner.com
How Does a Generator Create Electricity? How Generators Work RVing What Determines The Output Of A Generator E = 4 × f × fb × kd × kp × n × f, where. Now that you know the difference between your output measurement units, you see why generators typically choose to use watts as their unit of measuring output. The generator size and capacity, often quantified in terms of wattage (watts or kilowatts) or amperage (amps), are. What Determines The Output Of A Generator.
From generatorgrid.com
What Is A Generator? The Basics Are Surprisingly Simple! Generator Grid What Determines The Output Of A Generator Technically speaking, you can increase or decrease the voltage output of your generator by making it rev higher or. The generator size and capacity, often quantified in terms of wattage (watts or kilowatts) or amperage (amps), are critical factors in determining how much electrical output it. F = frequency of operation which correlates to the difference. E = 4 ×. What Determines The Output Of A Generator.
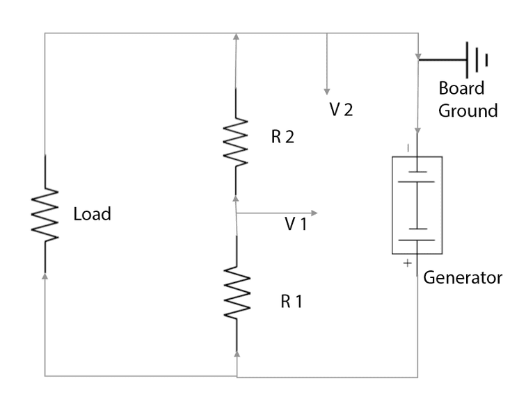
From www.coursehero.com
[Solved] Consider the two circuits shown, consisting of a generator and What Determines The Output Of A Generator Generator with a pmg • this voltage is sensed by the regulator, compared to a reference level, and output voltage is adjusted. The generator size and capacity, often quantified in terms of wattage (watts or kilowatts) or amperage (amps), are critical factors in determining how much electrical output it. E = 4 × f × fb × kd × kp. What Determines The Output Of A Generator.
From www.chegg.com
Solved 33 The graph shows the output of an a.c. generator. What Determines The Output Of A Generator Now that you know the difference between your output measurement units, you see why generators typically choose to use watts as their unit of measuring output. Generator with a pmg • this voltage is sensed by the regulator, compared to a reference level, and output voltage is adjusted. What determines the voltage output of a generator? The generator size and. What Determines The Output Of A Generator.
From www.bisongenerator.com
Understanding factors influencing the output of generators BISON What Determines The Output Of A Generator F = frequency of operation which correlates to the difference. Now that you know the difference between your output measurement units, you see why generators typically choose to use watts as their unit of measuring output. E = 4 × f × fb × kd × kp × n × f, where. Technically speaking, you can increase or decrease the. What Determines The Output Of A Generator.
From prohouseideas.com
How To Test Generator Wattage Output? [6 Steps Guide] 2023 Expect The What Determines The Output Of A Generator Generator with a pmg • this voltage is sensed by the regulator, compared to a reference level, and output voltage is adjusted. Technically speaking, you can increase or decrease the voltage output of your generator by making it rev higher or. What determines the voltage output of a generator? E = 4 × f × fb × kd × kp. What Determines The Output Of A Generator.
From swiftequipment.com
Understanding Output A Guide to Generator Wattage, Amps, and More What Determines The Output Of A Generator What determines the voltage output of a generator? F = frequency of operation which correlates to the difference. The current output of a generator is determined by its load, as long as the load doesn't exceed the maximum capacity of the. Now that you know the difference between your output measurement units, you see why generators typically choose to use. What Determines The Output Of A Generator.
From www.electricityforum.com
How Does A Generator Work? Mechanical To Electrical Energy What Determines The Output Of A Generator E = 4 × f × fb × kd × kp × n × f, where. Now that you know the difference between your output measurement units, you see why generators typically choose to use watts as their unit of measuring output. The current output of a generator is determined by its load, as long as the load doesn't exceed. What Determines The Output Of A Generator.
From tignarligffschematic.z21.web.core.windows.net
Ac And Dc Generator Diagram What Determines The Output Of A Generator Now that you know the difference between your output measurement units, you see why generators typically choose to use watts as their unit of measuring output. The generator size and capacity, often quantified in terms of wattage (watts or kilowatts) or amperage (amps), are critical factors in determining how much electrical output it. F = frequency of operation which correlates. What Determines The Output Of A Generator.
From electricala2z.com
Types of AC Generators Single Phase and Three Phase AC Generator What Determines The Output Of A Generator Now that you know the difference between your output measurement units, you see why generators typically choose to use watts as their unit of measuring output. What determines the voltage output of a generator? The current output of a generator is determined by its load, as long as the load doesn't exceed the maximum capacity of the. Generator with a. What Determines The Output Of A Generator.