Bearing Lock Collar Direction . If you tighten the collar opposite shaft rotation, then any bearing. How to install eccentric locking collars on a harrison specialties turf striper. The common locking method for stepped shafts is to use a cylindrical bearing seat and an interference fit between shaft seat and bearing inner ring, and a lock nut to secure the bearing. Slide the eccentric collar against the mating end of the insert inner. When assembled on the shaft, the locking collar engages or mates. Tightening the lock collar in the direction of shaft rotation will self tighten if the bearing slips on the shaft. Pti shows us in this. In this video, shane has a few quick tips on how to properly change a lock collar. This technique securely locks the bearing to the shaft. The locking collar has a recessed cam made eccentric to the collar bore. How to install the eccentric locking collar mounted ball bearing: Eccentric locking collars should be removed from the bearing prior to mounting and reinstalled when the bearing is in position in the housing.
from www.youtube.com
This technique securely locks the bearing to the shaft. How to install eccentric locking collars on a harrison specialties turf striper. Eccentric locking collars should be removed from the bearing prior to mounting and reinstalled when the bearing is in position in the housing. The common locking method for stepped shafts is to use a cylindrical bearing seat and an interference fit between shaft seat and bearing inner ring, and a lock nut to secure the bearing. The locking collar has a recessed cam made eccentric to the collar bore. Pti shows us in this. Tightening the lock collar in the direction of shaft rotation will self tighten if the bearing slips on the shaft. How to install the eccentric locking collar mounted ball bearing: If you tighten the collar opposite shaft rotation, then any bearing. Slide the eccentric collar against the mating end of the insert inner.
NTN Eccentric locking collar type bearing unit Mounting/E YouTube
Bearing Lock Collar Direction How to install the eccentric locking collar mounted ball bearing: How to install the eccentric locking collar mounted ball bearing: How to install eccentric locking collars on a harrison specialties turf striper. The locking collar has a recessed cam made eccentric to the collar bore. When assembled on the shaft, the locking collar engages or mates. Eccentric locking collars should be removed from the bearing prior to mounting and reinstalled when the bearing is in position in the housing. The common locking method for stepped shafts is to use a cylindrical bearing seat and an interference fit between shaft seat and bearing inner ring, and a lock nut to secure the bearing. In this video, shane has a few quick tips on how to properly change a lock collar. This technique securely locks the bearing to the shaft. Slide the eccentric collar against the mating end of the insert inner. Pti shows us in this. If you tighten the collar opposite shaft rotation, then any bearing. Tightening the lock collar in the direction of shaft rotation will self tighten if the bearing slips on the shaft.
From www.designworldonline.com
Threaded collars and bearing lock nuts from Stafford Bearing Lock Collar Direction This technique securely locks the bearing to the shaft. Pti shows us in this. If you tighten the collar opposite shaft rotation, then any bearing. Eccentric locking collars should be removed from the bearing prior to mounting and reinstalled when the bearing is in position in the housing. The common locking method for stepped shafts is to use a cylindrical. Bearing Lock Collar Direction.
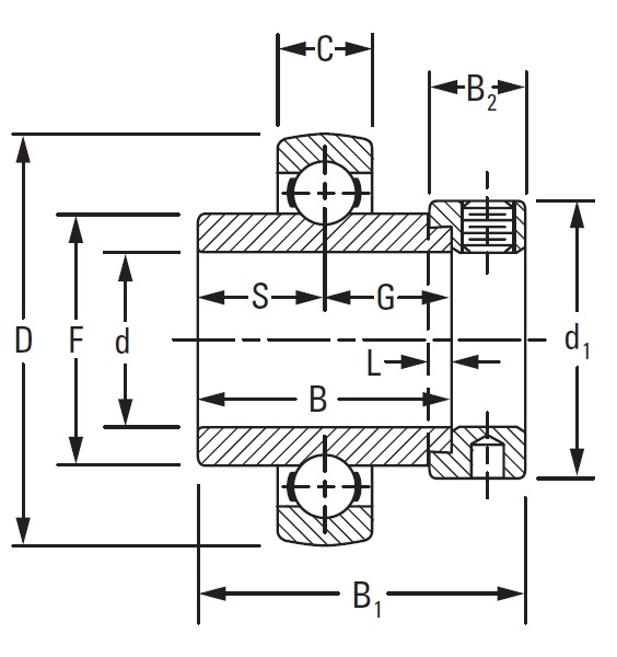
From www.bearings.parts
NA20620 Insert Bearing with Lock Collar Bearing Lock Collar Direction How to install eccentric locking collars on a harrison specialties turf striper. This technique securely locks the bearing to the shaft. The locking collar has a recessed cam made eccentric to the collar bore. Slide the eccentric collar against the mating end of the insert inner. Eccentric locking collars should be removed from the bearing prior to mounting and reinstalled. Bearing Lock Collar Direction.
From www.colliermiller.com.au
UBC ECCENTRIC LOCKING COLLAR BEARING 20MM Collier & Miller Bearing Lock Collar Direction Tightening the lock collar in the direction of shaft rotation will self tighten if the bearing slips on the shaft. When assembled on the shaft, the locking collar engages or mates. Eccentric locking collars should be removed from the bearing prior to mounting and reinstalled when the bearing is in position in the housing. In this video, shane has a. Bearing Lock Collar Direction.
From www.youtube.com
Installing Concentric Locking Collar on Bearing YouTube Bearing Lock Collar Direction Pti shows us in this. If you tighten the collar opposite shaft rotation, then any bearing. In this video, shane has a few quick tips on how to properly change a lock collar. How to install eccentric locking collars on a harrison specialties turf striper. Eccentric locking collars should be removed from the bearing prior to mounting and reinstalled when. Bearing Lock Collar Direction.
From www.nmdbearings.com
SA20412 3/4″BORE 47mm OD SPHERICAL INSERT BALL BEARING WITH LOCKING COLLAR NMD Bearings Bearing Lock Collar Direction If you tighten the collar opposite shaft rotation, then any bearing. How to install eccentric locking collars on a harrison specialties turf striper. When assembled on the shaft, the locking collar engages or mates. Slide the eccentric collar against the mating end of the insert inner. In this video, shane has a few quick tips on how to properly change. Bearing Lock Collar Direction.
From cad.timken.com
Part Number SM1215KB, Fafnir® Eccentric Locking Collar Ball Bearings On The Timken Company Bearing Lock Collar Direction How to install the eccentric locking collar mounted ball bearing: When assembled on the shaft, the locking collar engages or mates. The locking collar has a recessed cam made eccentric to the collar bore. The common locking method for stepped shafts is to use a cylindrical bearing seat and an interference fit between shaft seat and bearing inner ring, and. Bearing Lock Collar Direction.
From www.colliermiller.com.au
NSK ECCENTRIC LOCKING COLLAR PARALLEL BEARING 3/4 Collier & Miller Bearing Lock Collar Direction Tightening the lock collar in the direction of shaft rotation will self tighten if the bearing slips on the shaft. Eccentric locking collars should be removed from the bearing prior to mounting and reinstalled when the bearing is in position in the housing. In this video, shane has a few quick tips on how to properly change a lock collar.. Bearing Lock Collar Direction.
From 1stsourcebearings.com
Mounted Bearing 4 Bolt Flange Unit With Eccentric Locking Collar, 1 in. Shaft Diameter UCF20516 Bearing Lock Collar Direction In this video, shane has a few quick tips on how to properly change a lock collar. This technique securely locks the bearing to the shaft. Tightening the lock collar in the direction of shaft rotation will self tighten if the bearing slips on the shaft. If you tighten the collar opposite shaft rotation, then any bearing. How to install. Bearing Lock Collar Direction.
From www.youtube.com
NTN Eccentric locking collar type bearing unit Mounting/E YouTube Bearing Lock Collar Direction When assembled on the shaft, the locking collar engages or mates. If you tighten the collar opposite shaft rotation, then any bearing. Pti shows us in this. In this video, shane has a few quick tips on how to properly change a lock collar. How to install the eccentric locking collar mounted ball bearing: The common locking method for stepped. Bearing Lock Collar Direction.
From www.nskbearingcatalogue.com
Do you know the eccentric locking collar bearing? Bearing Lock Collar Direction The locking collar has a recessed cam made eccentric to the collar bore. How to install eccentric locking collars on a harrison specialties turf striper. When assembled on the shaft, the locking collar engages or mates. Pti shows us in this. The common locking method for stepped shafts is to use a cylindrical bearing seat and an interference fit between. Bearing Lock Collar Direction.
From www.walmart.com
Whiteside LC1/2 1/2" Bearing Lock Collar for Woodworking Bearing Lock Collar Direction How to install the eccentric locking collar mounted ball bearing: Pti shows us in this. When assembled on the shaft, the locking collar engages or mates. In this video, shane has a few quick tips on how to properly change a lock collar. The locking collar has a recessed cam made eccentric to the collar bore. Eccentric locking collars should. Bearing Lock Collar Direction.
From www.medicaldesignandoutsourcing.com
Stafford Positive Lock Shaft Collars Medical Design and Outsourcing Bearing Lock Collar Direction How to install eccentric locking collars on a harrison specialties turf striper. The locking collar has a recessed cam made eccentric to the collar bore. Slide the eccentric collar against the mating end of the insert inner. Tightening the lock collar in the direction of shaft rotation will self tighten if the bearing slips on the shaft. How to install. Bearing Lock Collar Direction.
From www.walmart.com
1" Standard Axle Bearing, Integral Locking Collar Bearing Lock Collar Direction When assembled on the shaft, the locking collar engages or mates. If you tighten the collar opposite shaft rotation, then any bearing. Pti shows us in this. Slide the eccentric collar against the mating end of the insert inner. How to install the eccentric locking collar mounted ball bearing: Eccentric locking collars should be removed from the bearing prior to. Bearing Lock Collar Direction.
From www.godiva-bearings.co.uk
Locking Collars Godiva Bearings Bearing Lock Collar Direction This technique securely locks the bearing to the shaft. Tightening the lock collar in the direction of shaft rotation will self tighten if the bearing slips on the shaft. Slide the eccentric collar against the mating end of the insert inner. How to install the eccentric locking collar mounted ball bearing: How to install eccentric locking collars on a harrison. Bearing Lock Collar Direction.
From baartgroup.com
Mounted Bearing Locking Collar Which Is Best? Baart Group Bearing Lock Collar Direction The common locking method for stepped shafts is to use a cylindrical bearing seat and an interference fit between shaft seat and bearing inner ring, and a lock nut to secure the bearing. Eccentric locking collars should be removed from the bearing prior to mounting and reinstalled when the bearing is in position in the housing. How to install eccentric. Bearing Lock Collar Direction.
From exohmiplt.blob.core.windows.net
How Does An Eccentric Locking Collar Work at Robyn Connor blog Bearing Lock Collar Direction The common locking method for stepped shafts is to use a cylindrical bearing seat and an interference fit between shaft seat and bearing inner ring, and a lock nut to secure the bearing. How to install eccentric locking collars on a harrison specialties turf striper. Eccentric locking collars should be removed from the bearing prior to mounting and reinstalled when. Bearing Lock Collar Direction.
From www.surpluscenter.com
115/16" 4 Bolt Flange Bearing w/Lock Collar HCFS21031 Cast Iron 4 Bolt Flange Mount Bearings Bearing Lock Collar Direction The common locking method for stepped shafts is to use a cylindrical bearing seat and an interference fit between shaft seat and bearing inner ring, and a lock nut to secure the bearing. If you tighten the collar opposite shaft rotation, then any bearing. This technique securely locks the bearing to the shaft. Tightening the lock collar in the direction. Bearing Lock Collar Direction.
From www.walmart.com
FH20412G Insert Bearing Eccentric Locking Collar 3/4" Inch Bearings Bearing Lock Collar Direction The common locking method for stepped shafts is to use a cylindrical bearing seat and an interference fit between shaft seat and bearing inner ring, and a lock nut to secure the bearing. The locking collar has a recessed cam made eccentric to the collar bore. Tightening the lock collar in the direction of shaft rotation will self tighten if. Bearing Lock Collar Direction.
From bearingfinder.ntnamericas.com
Item AEL205100D1, Bearing Insert w/ Eccentric Locking Collar, Narrow Inner Ring Spherical O Bearing Lock Collar Direction Slide the eccentric collar against the mating end of the insert inner. The locking collar has a recessed cam made eccentric to the collar bore. How to install the eccentric locking collar mounted ball bearing: How to install eccentric locking collars on a harrison specialties turf striper. In this video, shane has a few quick tips on how to properly. Bearing Lock Collar Direction.
From www.colliermiller.com.au
LOCKING COLLAR BEARING M25 ID=M25 OD=M52 W=M31 ECCENTRIC SPHERICAL NIR Collier & Miller Bearing Lock Collar Direction How to install the eccentric locking collar mounted ball bearing: Eccentric locking collars should be removed from the bearing prior to mounting and reinstalled when the bearing is in position in the housing. In this video, shane has a few quick tips on how to properly change a lock collar. Slide the eccentric collar against the mating end of the. Bearing Lock Collar Direction.
From www.indiamart.com
Locking Collar Bearing / LOCKING COLLARS at Rs 50/piece Industrial Area Ludhiana ID Bearing Lock Collar Direction How to install eccentric locking collars on a harrison specialties turf striper. When assembled on the shaft, the locking collar engages or mates. Eccentric locking collars should be removed from the bearing prior to mounting and reinstalled when the bearing is in position in the housing. This technique securely locks the bearing to the shaft. Slide the eccentric collar against. Bearing Lock Collar Direction.
From www.grainger.com
Concentric Locking Collar Bearings Bearing Parts & Supplies Grainger Industrial Supply Bearing Lock Collar Direction How to install eccentric locking collars on a harrison specialties turf striper. The locking collar has a recessed cam made eccentric to the collar bore. Tightening the lock collar in the direction of shaft rotation will self tighten if the bearing slips on the shaft. How to install the eccentric locking collar mounted ball bearing: In this video, shane has. Bearing Lock Collar Direction.
From www.youtube.com
AccuGrip Concentric Locking Collar Mounted Bearings YouTube Bearing Lock Collar Direction When assembled on the shaft, the locking collar engages or mates. Pti shows us in this. Tightening the lock collar in the direction of shaft rotation will self tighten if the bearing slips on the shaft. How to install eccentric locking collars on a harrison specialties turf striper. If you tighten the collar opposite shaft rotation, then any bearing. In. Bearing Lock Collar Direction.
From cad.timken.com
Timken Part Number G1011KLLB, Fafnir® Eccentric Locking Collar Ball Bearings On The Timken Company Bearing Lock Collar Direction If you tighten the collar opposite shaft rotation, then any bearing. The locking collar has a recessed cam made eccentric to the collar bore. This technique securely locks the bearing to the shaft. How to install eccentric locking collars on a harrison specialties turf striper. Pti shows us in this. When assembled on the shaft, the locking collar engages or. Bearing Lock Collar Direction.
From www.strangeengineering.net
Axle Bearing Locking Collar For A1021 Bearing Each Bearing Lock Collar Direction Eccentric locking collars should be removed from the bearing prior to mounting and reinstalled when the bearing is in position in the housing. If you tighten the collar opposite shaft rotation, then any bearing. This technique securely locks the bearing to the shaft. In this video, shane has a few quick tips on how to properly change a lock collar.. Bearing Lock Collar Direction.
From cad.timken.com
Fafnir® Eccentric Locking Collar Ball Bearings On The Timken Company Bearing Lock Collar Direction Tightening the lock collar in the direction of shaft rotation will self tighten if the bearing slips on the shaft. How to install the eccentric locking collar mounted ball bearing: Pti shows us in this. Slide the eccentric collar against the mating end of the insert inner. How to install eccentric locking collars on a harrison specialties turf striper. If. Bearing Lock Collar Direction.
From www.skf.com
Shaft locking method SKF Bearing Lock Collar Direction How to install the eccentric locking collar mounted ball bearing: The locking collar has a recessed cam made eccentric to the collar bore. Eccentric locking collars should be removed from the bearing prior to mounting and reinstalled when the bearing is in position in the housing. If you tighten the collar opposite shaft rotation, then any bearing. Slide the eccentric. Bearing Lock Collar Direction.
From baartgroup.com
Mounted Bearing Features What's Important? Baart Group Bearing Lock Collar Direction How to install the eccentric locking collar mounted ball bearing: This technique securely locks the bearing to the shaft. In this video, shane has a few quick tips on how to properly change a lock collar. Pti shows us in this. The common locking method for stepped shafts is to use a cylindrical bearing seat and an interference fit between. Bearing Lock Collar Direction.
From www.pinterest.com
Mounted Bearing Eccentric CollarLocking Shaft Mounting Method RCS & Associates Pinterest Bearing Lock Collar Direction Slide the eccentric collar against the mating end of the insert inner. The locking collar has a recessed cam made eccentric to the collar bore. This technique securely locks the bearing to the shaft. When assembled on the shaft, the locking collar engages or mates. The common locking method for stepped shafts is to use a cylindrical bearing seat and. Bearing Lock Collar Direction.
From winkler-waerme.de
SKF HE 316 Bearing Collars, Sleeves & Locking Devices HE 316 bearing Bearing Lock Collar Direction Slide the eccentric collar against the mating end of the insert inner. In this video, shane has a few quick tips on how to properly change a lock collar. Eccentric locking collars should be removed from the bearing prior to mounting and reinstalled when the bearing is in position in the housing. The locking collar has a recessed cam made. Bearing Lock Collar Direction.
From jsbgreatbearings.com
Eccentric collar locking type bearings Bearing Lock Collar Direction Pti shows us in this. In this video, shane has a few quick tips on how to properly change a lock collar. Tightening the lock collar in the direction of shaft rotation will self tighten if the bearing slips on the shaft. When assembled on the shaft, the locking collar engages or mates. How to install eccentric locking collars on. Bearing Lock Collar Direction.
From products.bearingdistributors.com
Eccentric Locking Collar Type Bearings Cylindrical O.D. On Bearing Distributors, Inc. Bearing Lock Collar Direction The locking collar has a recessed cam made eccentric to the collar bore. Pti shows us in this. When assembled on the shaft, the locking collar engages or mates. How to install the eccentric locking collar mounted ball bearing: Tightening the lock collar in the direction of shaft rotation will self tighten if the bearing slips on the shaft. Eccentric. Bearing Lock Collar Direction.
From www.colliermiller.com.au
TIMKEN ECCENTRIC LOCK COLLAR BEARING 30MM WIR Collier & Miller Bearing Lock Collar Direction If you tighten the collar opposite shaft rotation, then any bearing. How to install eccentric locking collars on a harrison specialties turf striper. Pti shows us in this. When assembled on the shaft, the locking collar engages or mates. Tightening the lock collar in the direction of shaft rotation will self tighten if the bearing slips on the shaft. This. Bearing Lock Collar Direction.
From products.bearingdistributors.com
Eccentric Locking Collar Type Bearings Cylindrical O.D. On Bearing Distributors, Inc. Bearing Lock Collar Direction Slide the eccentric collar against the mating end of the insert inner. If you tighten the collar opposite shaft rotation, then any bearing. Pti shows us in this. The locking collar has a recessed cam made eccentric to the collar bore. Tightening the lock collar in the direction of shaft rotation will self tighten if the bearing slips on the. Bearing Lock Collar Direction.
From www.walmart.com
Whiteside LC1/4 1/4" Bearing Lock Collar for Woodworking Bearing Lock Collar Direction The common locking method for stepped shafts is to use a cylindrical bearing seat and an interference fit between shaft seat and bearing inner ring, and a lock nut to secure the bearing. This technique securely locks the bearing to the shaft. When assembled on the shaft, the locking collar engages or mates. How to install eccentric locking collars on. Bearing Lock Collar Direction.