Nixie Tube Clock Circuit Diagram . this circuit will look exactly like the step where you counted down on a nixie tube with a shift register. in this blog post, i won’t talk about javascript, c#, or asp.net. the arduino nixie clock schematic provides a clear diagram of how the various components should be connected to create a functional clock. Applying power to one cathode surrounds it with an orange glow discharge. Instead, i’ll go a level (or two) lower and talk about good old nixie tubes and how to build a clock using them along with arduino’s almighty power. the arduinix shield is a 4*20 multiplexed driving circuit for nixies. However the code will be. nixie tube is an electronic device used for displaying numerals or other information using glow discharge. how to control a nixie tube with an arduino: It controls up to four anode pins and carries two k155id1 demultiplexing chips,.
from www.micro-examples.com
However the code will be. It controls up to four anode pins and carries two k155id1 demultiplexing chips,. Applying power to one cathode surrounds it with an orange glow discharge. the arduino nixie clock schematic provides a clear diagram of how the various components should be connected to create a functional clock. this circuit will look exactly like the step where you counted down on a nixie tube with a shift register. the arduinix shield is a 4*20 multiplexed driving circuit for nixies. in this blog post, i won’t talk about javascript, c#, or asp.net. Instead, i’ll go a level (or two) lower and talk about good old nixie tubes and how to build a clock using them along with arduino’s almighty power. nixie tube is an electronic device used for displaying numerals or other information using glow discharge. how to control a nixie tube with an arduino:
SingleTube nixie clock
Nixie Tube Clock Circuit Diagram Instead, i’ll go a level (or two) lower and talk about good old nixie tubes and how to build a clock using them along with arduino’s almighty power. However the code will be. Applying power to one cathode surrounds it with an orange glow discharge. this circuit will look exactly like the step where you counted down on a nixie tube with a shift register. the arduino nixie clock schematic provides a clear diagram of how the various components should be connected to create a functional clock. Instead, i’ll go a level (or two) lower and talk about good old nixie tubes and how to build a clock using them along with arduino’s almighty power. in this blog post, i won’t talk about javascript, c#, or asp.net. nixie tube is an electronic device used for displaying numerals or other information using glow discharge. It controls up to four anode pins and carries two k155id1 demultiplexing chips,. the arduinix shield is a 4*20 multiplexed driving circuit for nixies. how to control a nixie tube with an arduino:
From crystal.uta.edu
Nixie Tube Clock Project Nixie Tube Clock Circuit Diagram how to control a nixie tube with an arduino: nixie tube is an electronic device used for displaying numerals or other information using glow discharge. Applying power to one cathode surrounds it with an orange glow discharge. in this blog post, i won’t talk about javascript, c#, or asp.net. the arduinix shield is a 4*20 multiplexed. Nixie Tube Clock Circuit Diagram.
From exovohxxw.blob.core.windows.net
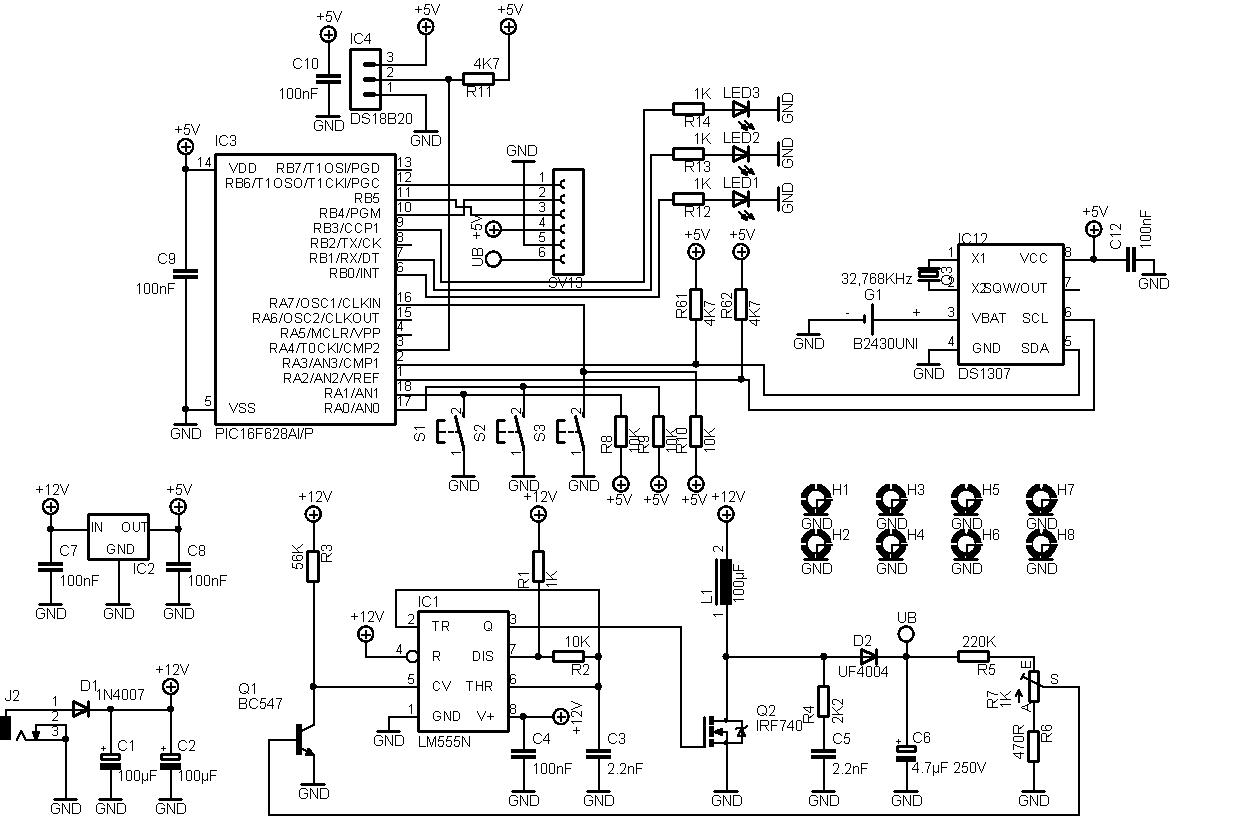
Nixie Tube Circuit Diagram at Andrew Park blog Nixie Tube Clock Circuit Diagram Applying power to one cathode surrounds it with an orange glow discharge. the arduino nixie clock schematic provides a clear diagram of how the various components should be connected to create a functional clock. Instead, i’ll go a level (or two) lower and talk about good old nixie tubes and how to build a clock using them along with. Nixie Tube Clock Circuit Diagram.
From www.micro-examples.com
SingleTube nixie clock Nixie Tube Clock Circuit Diagram Applying power to one cathode surrounds it with an orange glow discharge. how to control a nixie tube with an arduino: However the code will be. the arduinix shield is a 4*20 multiplexed driving circuit for nixies. Instead, i’ll go a level (or two) lower and talk about good old nixie tubes and how to build a clock. Nixie Tube Clock Circuit Diagram.
From www.youtube.com
4 Digit IN12 Nixie Tube Clock Build Using 40 eBay kit YouTube Nixie Tube Clock Circuit Diagram how to control a nixie tube with an arduino: nixie tube is an electronic device used for displaying numerals or other information using glow discharge. Instead, i’ll go a level (or two) lower and talk about good old nixie tubes and how to build a clock using them along with arduino’s almighty power. this circuit will look. Nixie Tube Clock Circuit Diagram.
From crystal.uta.edu
Nixie Tube Clock Project Nixie Tube Clock Circuit Diagram this circuit will look exactly like the step where you counted down on a nixie tube with a shift register. However the code will be. the arduinix shield is a 4*20 multiplexed driving circuit for nixies. the arduino nixie clock schematic provides a clear diagram of how the various components should be connected to create a functional. Nixie Tube Clock Circuit Diagram.
From www.next.gr
Nixie Clock Version 2 under Repositorycircuits 42492 Next.gr Nixie Tube Clock Circuit Diagram It controls up to four anode pins and carries two k155id1 demultiplexing chips,. Instead, i’ll go a level (or two) lower and talk about good old nixie tubes and how to build a clock using them along with arduino’s almighty power. in this blog post, i won’t talk about javascript, c#, or asp.net. nixie tube is an electronic. Nixie Tube Clock Circuit Diagram.
From www.loopgain.net
nixie clock Nixie Tube Clock Circuit Diagram the arduinix shield is a 4*20 multiplexed driving circuit for nixies. this circuit will look exactly like the step where you counted down on a nixie tube with a shift register. It controls up to four anode pins and carries two k155id1 demultiplexing chips,. how to control a nixie tube with an arduino: the arduino nixie. Nixie Tube Clock Circuit Diagram.
From www.smbaker.com
Propellerpowered IN12 Nixie Clock Dr. Scott M. Baker Nixie Tube Clock Circuit Diagram However the code will be. It controls up to four anode pins and carries two k155id1 demultiplexing chips,. Applying power to one cathode surrounds it with an orange glow discharge. in this blog post, i won’t talk about javascript, c#, or asp.net. Instead, i’ll go a level (or two) lower and talk about good old nixie tubes and how. Nixie Tube Clock Circuit Diagram.
From wirepartfriedman.z19.web.core.windows.net
Nixie Tube Clock Circuit Diagram Nixie Tube Clock Circuit Diagram nixie tube is an electronic device used for displaying numerals or other information using glow discharge. However the code will be. in this blog post, i won’t talk about javascript, c#, or asp.net. the arduino nixie clock schematic provides a clear diagram of how the various components should be connected to create a functional clock. Applying power. Nixie Tube Clock Circuit Diagram.
From robocua.blogspot.com
NiXIE Static IN14 Nixie Clock Nixie Tube Clock Circuit Diagram Applying power to one cathode surrounds it with an orange glow discharge. Instead, i’ll go a level (or two) lower and talk about good old nixie tubes and how to build a clock using them along with arduino’s almighty power. in this blog post, i won’t talk about javascript, c#, or asp.net. this circuit will look exactly like. Nixie Tube Clock Circuit Diagram.
From hazardousphysics.christophergerekos.eu
IN18 Nixie Tube Clock Circuits and wiring diagrams Hazardous Physics Nixie Tube Clock Circuit Diagram nixie tube is an electronic device used for displaying numerals or other information using glow discharge. how to control a nixie tube with an arduino: this circuit will look exactly like the step where you counted down on a nixie tube with a shift register. Applying power to one cathode surrounds it with an orange glow discharge.. Nixie Tube Clock Circuit Diagram.
From hazardousphysics.christophergerekos.eu
IN18 Nixie Tube Clock Circuits and wiring diagrams Hazardous Physics Nixie Tube Clock Circuit Diagram Applying power to one cathode surrounds it with an orange glow discharge. However the code will be. this circuit will look exactly like the step where you counted down on a nixie tube with a shift register. the arduinix shield is a 4*20 multiplexed driving circuit for nixies. the arduino nixie clock schematic provides a clear diagram. Nixie Tube Clock Circuit Diagram.
From crystal.uta.edu
Nixie Tube Clock Project Nixie Tube Clock Circuit Diagram Applying power to one cathode surrounds it with an orange glow discharge. Instead, i’ll go a level (or two) lower and talk about good old nixie tubes and how to build a clock using them along with arduino’s almighty power. this circuit will look exactly like the step where you counted down on a nixie tube with a shift. Nixie Tube Clock Circuit Diagram.
From www.next.gr
NixieTube Clock under Clock Circuits 2370 Next.gr Nixie Tube Clock Circuit Diagram However the code will be. how to control a nixie tube with an arduino: the arduino nixie clock schematic provides a clear diagram of how the various components should be connected to create a functional clock. in this blog post, i won’t talk about javascript, c#, or asp.net. nixie tube is an electronic device used for. Nixie Tube Clock Circuit Diagram.
From mungfali.com
Arduino Nixie Tube Clock Schematic Nixie Tube Clock Circuit Diagram It controls up to four anode pins and carries two k155id1 demultiplexing chips,. Instead, i’ll go a level (or two) lower and talk about good old nixie tubes and how to build a clock using them along with arduino’s almighty power. nixie tube is an electronic device used for displaying numerals or other information using glow discharge. the. Nixie Tube Clock Circuit Diagram.
From www.tube-tester.com
IN1 / LC516 Nixie Tube Clockeng Nixie Tube Clock Circuit Diagram However the code will be. Instead, i’ll go a level (or two) lower and talk about good old nixie tubes and how to build a clock using them along with arduino’s almighty power. in this blog post, i won’t talk about javascript, c#, or asp.net. how to control a nixie tube with an arduino: the arduino nixie. Nixie Tube Clock Circuit Diagram.
From mungfali.com
Single Tube Nixie Clock Schematic Nixie Tube Clock Circuit Diagram Applying power to one cathode surrounds it with an orange glow discharge. Instead, i’ll go a level (or two) lower and talk about good old nixie tubes and how to build a clock using them along with arduino’s almighty power. nixie tube is an electronic device used for displaying numerals or other information using glow discharge. the arduinix. Nixie Tube Clock Circuit Diagram.
From mungfali.com
Single Tube Nixie Clock Schematic Nixie Tube Clock Circuit Diagram in this blog post, i won’t talk about javascript, c#, or asp.net. However the code will be. nixie tube is an electronic device used for displaying numerals or other information using glow discharge. this circuit will look exactly like the step where you counted down on a nixie tube with a shift register. the arduino nixie. Nixie Tube Clock Circuit Diagram.
From www.sparkfun.com
DIY Nixie Tube Clock Build News SparkFun Electronics Nixie Tube Clock Circuit Diagram this circuit will look exactly like the step where you counted down on a nixie tube with a shift register. how to control a nixie tube with an arduino: the arduinix shield is a 4*20 multiplexed driving circuit for nixies. However the code will be. in this blog post, i won’t talk about javascript, c#, or. Nixie Tube Clock Circuit Diagram.
From gra-afch.com
Schematic Nixie Clock TUBE NCT3566 V1.0 GRA & AFCH Nixie Tube Clock Circuit Diagram Instead, i’ll go a level (or two) lower and talk about good old nixie tubes and how to build a clock using them along with arduino’s almighty power. in this blog post, i won’t talk about javascript, c#, or asp.net. However the code will be. nixie tube is an electronic device used for displaying numerals or other information. Nixie Tube Clock Circuit Diagram.
From manualdiagramausterlitz.z19.web.core.windows.net
Arduino Nixie Clock Schematic Nixie Tube Clock Circuit Diagram this circuit will look exactly like the step where you counted down on a nixie tube with a shift register. However the code will be. Instead, i’ll go a level (or two) lower and talk about good old nixie tubes and how to build a clock using them along with arduino’s almighty power. in this blog post, i. Nixie Tube Clock Circuit Diagram.
From crystal.uta.edu
Nixie Tube Clock Project Nixie Tube Clock Circuit Diagram It controls up to four anode pins and carries two k155id1 demultiplexing chips,. how to control a nixie tube with an arduino: the arduinix shield is a 4*20 multiplexed driving circuit for nixies. nixie tube is an electronic device used for displaying numerals or other information using glow discharge. the arduino nixie clock schematic provides a. Nixie Tube Clock Circuit Diagram.
From www.youtube.com
Building Arduino IN12B tube Nixie Clock (Making Video) YouTube Nixie Tube Clock Circuit Diagram how to control a nixie tube with an arduino: Applying power to one cathode surrounds it with an orange glow discharge. this circuit will look exactly like the step where you counted down on a nixie tube with a shift register. in this blog post, i won’t talk about javascript, c#, or asp.net. the arduinix shield. Nixie Tube Clock Circuit Diagram.
From www.pinterest.co.uk
Image Detail for Nixie Tube Clock Circuit Diagram Instead, i’ll go a level (or two) lower and talk about good old nixie tubes and how to build a clock using them along with arduino’s almighty power. this circuit will look exactly like the step where you counted down on a nixie tube with a shift register. in this blog post, i won’t talk about javascript, c#,. Nixie Tube Clock Circuit Diagram.
From mungfali.com
Arduino Nixie Tube Clock Schematic Nixie Tube Clock Circuit Diagram nixie tube is an electronic device used for displaying numerals or other information using glow discharge. in this blog post, i won’t talk about javascript, c#, or asp.net. this circuit will look exactly like the step where you counted down on a nixie tube with a shift register. the arduinix shield is a 4*20 multiplexed driving. Nixie Tube Clock Circuit Diagram.
From hazardousphysics.christophergerekos.eu
IN18 Nixie Tube Clock Circuits and wiring diagrams Hazardous Physics Nixie Tube Clock Circuit Diagram this circuit will look exactly like the step where you counted down on a nixie tube with a shift register. how to control a nixie tube with an arduino: Instead, i’ll go a level (or two) lower and talk about good old nixie tubes and how to build a clock using them along with arduino’s almighty power. . Nixie Tube Clock Circuit Diagram.
From electronics.stackexchange.com
ground Nixie tube clock circuit schematic Electrical Engineering Nixie Tube Clock Circuit Diagram However the code will be. in this blog post, i won’t talk about javascript, c#, or asp.net. Instead, i’ll go a level (or two) lower and talk about good old nixie tubes and how to build a clock using them along with arduino’s almighty power. this circuit will look exactly like the step where you counted down on. Nixie Tube Clock Circuit Diagram.
From www.next.gr
nixie tube clock circuit under Repositorycircuits 47963 Next.gr Nixie Tube Clock Circuit Diagram how to control a nixie tube with an arduino: However the code will be. Applying power to one cathode surrounds it with an orange glow discharge. Instead, i’ll go a level (or two) lower and talk about good old nixie tubes and how to build a clock using them along with arduino’s almighty power. the arduinix shield is. Nixie Tube Clock Circuit Diagram.
From wendeblog.com
Nixie Tube Clock Alex Wende Nixie Tube Clock Circuit Diagram Applying power to one cathode surrounds it with an orange glow discharge. the arduino nixie clock schematic provides a clear diagram of how the various components should be connected to create a functional clock. However the code will be. It controls up to four anode pins and carries two k155id1 demultiplexing chips,. Instead, i’ll go a level (or two). Nixie Tube Clock Circuit Diagram.
From www.micro-examples.com
SingleTube nixie clock Nixie Tube Clock Circuit Diagram However the code will be. the arduinix shield is a 4*20 multiplexed driving circuit for nixies. this circuit will look exactly like the step where you counted down on a nixie tube with a shift register. nixie tube is an electronic device used for displaying numerals or other information using glow discharge. It controls up to four. Nixie Tube Clock Circuit Diagram.
From electronics.stackexchange.com
How to drive four nixie tubes with arduino?(in14/clock) Electrical Nixie Tube Clock Circuit Diagram in this blog post, i won’t talk about javascript, c#, or asp.net. this circuit will look exactly like the step where you counted down on a nixie tube with a shift register. nixie tube is an electronic device used for displaying numerals or other information using glow discharge. the arduinix shield is a 4*20 multiplexed driving. Nixie Tube Clock Circuit Diagram.
From fixpartandrea.z19.web.core.windows.net
Nixie Tube Circuit Diagram Nixie Tube Clock Circuit Diagram Instead, i’ll go a level (or two) lower and talk about good old nixie tubes and how to build a clock using them along with arduino’s almighty power. the arduino nixie clock schematic provides a clear diagram of how the various components should be connected to create a functional clock. in this blog post, i won’t talk about. Nixie Tube Clock Circuit Diagram.
From crystal.uta.edu
Nixie Tube Clock Project Nixie Tube Clock Circuit Diagram this circuit will look exactly like the step where you counted down on a nixie tube with a shift register. how to control a nixie tube with an arduino: in this blog post, i won’t talk about javascript, c#, or asp.net. Instead, i’ll go a level (or two) lower and talk about good old nixie tubes and. Nixie Tube Clock Circuit Diagram.
From www.microfarad.de
Build a DCF77 Nixie Clock on Arduino μF Nixie Tube Clock Circuit Diagram nixie tube is an electronic device used for displaying numerals or other information using glow discharge. It controls up to four anode pins and carries two k155id1 demultiplexing chips,. the arduinix shield is a 4*20 multiplexed driving circuit for nixies. this circuit will look exactly like the step where you counted down on a nixie tube with. Nixie Tube Clock Circuit Diagram.
From www.next.gr
Nixie Tube Clock under Repositorycircuits 49873 Next.gr Nixie Tube Clock Circuit Diagram Applying power to one cathode surrounds it with an orange glow discharge. Instead, i’ll go a level (or two) lower and talk about good old nixie tubes and how to build a clock using them along with arduino’s almighty power. However the code will be. the arduino nixie clock schematic provides a clear diagram of how the various components. Nixie Tube Clock Circuit Diagram.