What Is Shear Plate Connection . It is a connection with pure normal force load (tension joint), pure shear loading, or. A shear connection is a joint that allows the transfer of shear forces between two members. This section investigates two additional configurations, one where the supported beam. In structural engineering, a shear connection is a joint that allows for the transfer of shear forces between two members. Single plate shear connections, often referred to as shear tabs, have gained considerable popularity in recent years due to their efficiency and ease. Single plate shear connections are used for a variety of framing configurations.
from www.reddit.com
It is a connection with pure normal force load (tension joint), pure shear loading, or. In structural engineering, a shear connection is a joint that allows for the transfer of shear forces between two members. A shear connection is a joint that allows the transfer of shear forces between two members. This section investigates two additional configurations, one where the supported beam. Single plate shear connections, often referred to as shear tabs, have gained considerable popularity in recent years due to their efficiency and ease. Single plate shear connections are used for a variety of framing configurations.
Accounting for torsion in beamtobeam shear connections r
What Is Shear Plate Connection Single plate shear connections are used for a variety of framing configurations. It is a connection with pure normal force load (tension joint), pure shear loading, or. In structural engineering, a shear connection is a joint that allows for the transfer of shear forces between two members. This section investigates two additional configurations, one where the supported beam. Single plate shear connections, often referred to as shear tabs, have gained considerable popularity in recent years due to their efficiency and ease. A shear connection is a joint that allows the transfer of shear forces between two members. Single plate shear connections are used for a variety of framing configurations.
From www.youtube.com
Lap Shear Connection Example Mechanics of Materials YouTube What Is Shear Plate Connection It is a connection with pure normal force load (tension joint), pure shear loading, or. A shear connection is a joint that allows the transfer of shear forces between two members. In structural engineering, a shear connection is a joint that allows for the transfer of shear forces between two members. This section investigates two additional configurations, one where the. What Is Shear Plate Connection.
From www.youtube.com
Design of singleplate shear connection YouTube What Is Shear Plate Connection This section investigates two additional configurations, one where the supported beam. Single plate shear connections are used for a variety of framing configurations. Single plate shear connections, often referred to as shear tabs, have gained considerable popularity in recent years due to their efficiency and ease. In structural engineering, a shear connection is a joint that allows for the transfer. What Is Shear Plate Connection.
From www.youtube.com
Shear connection design between beam and column Part 5 IS 8002007 What Is Shear Plate Connection In structural engineering, a shear connection is a joint that allows for the transfer of shear forces between two members. A shear connection is a joint that allows the transfer of shear forces between two members. It is a connection with pure normal force load (tension joint), pure shear loading, or. Single plate shear connections are used for a variety. What Is Shear Plate Connection.
From www.eng-tips.com
Conventional Shear Plate Connection AISC Structural engineering What Is Shear Plate Connection It is a connection with pure normal force load (tension joint), pure shear loading, or. In structural engineering, a shear connection is a joint that allows for the transfer of shear forces between two members. This section investigates two additional configurations, one where the supported beam. A shear connection is a joint that allows the transfer of shear forces between. What Is Shear Plate Connection.
From www.eng-tips.com
Shear plate of bolted connection inside or outside the web of a channel What Is Shear Plate Connection In structural engineering, a shear connection is a joint that allows for the transfer of shear forces between two members. Single plate shear connections, often referred to as shear tabs, have gained considerable popularity in recent years due to their efficiency and ease. This section investigates two additional configurations, one where the supported beam. Single plate shear connections are used. What Is Shear Plate Connection.
From www.ideastatica.com
Extended shear plate IDEA StatiCa What Is Shear Plate Connection In structural engineering, a shear connection is a joint that allows for the transfer of shear forces between two members. This section investigates two additional configurations, one where the supported beam. Single plate shear connections, often referred to as shear tabs, have gained considerable popularity in recent years due to their efficiency and ease. A shear connection is a joint. What Is Shear Plate Connection.
From www.youtube.com
Applying a Shear Plate Moment Connection in Revit YouTube What Is Shear Plate Connection Single plate shear connections are used for a variety of framing configurations. It is a connection with pure normal force load (tension joint), pure shear loading, or. In structural engineering, a shear connection is a joint that allows for the transfer of shear forces between two members. This section investigates two additional configurations, one where the supported beam. Single plate. What Is Shear Plate Connection.
From www.youtube.com
Shear plate connection column flange to beam connection fin plate What Is Shear Plate Connection In structural engineering, a shear connection is a joint that allows for the transfer of shear forces between two members. A shear connection is a joint that allows the transfer of shear forces between two members. Single plate shear connections are used for a variety of framing configurations. Single plate shear connections, often referred to as shear tabs, have gained. What Is Shear Plate Connection.
From www.ideastatica.com
Single Plate Shear Connections IDEA StatiCa What Is Shear Plate Connection In structural engineering, a shear connection is a joint that allows for the transfer of shear forces between two members. It is a connection with pure normal force load (tension joint), pure shear loading, or. A shear connection is a joint that allows the transfer of shear forces between two members. This section investigates two additional configurations, one where the. What Is Shear Plate Connection.
From gomeasure4me.com
Shear Plate Steel Connections in Advance Steel Go Measure 4 me in 3D What Is Shear Plate Connection It is a connection with pure normal force load (tension joint), pure shear loading, or. Single plate shear connections are used for a variety of framing configurations. Single plate shear connections, often referred to as shear tabs, have gained considerable popularity in recent years due to their efficiency and ease. In structural engineering, a shear connection is a joint that. What Is Shear Plate Connection.
From www.reddit.com
Accounting for torsion in beamtobeam shear connections r What Is Shear Plate Connection This section investigates two additional configurations, one where the supported beam. Single plate shear connections, often referred to as shear tabs, have gained considerable popularity in recent years due to their efficiency and ease. Single plate shear connections are used for a variety of framing configurations. In structural engineering, a shear connection is a joint that allows for the transfer. What Is Shear Plate Connection.
From www.slideserve.com
PPT Base Plate Moment Connection PowerPoint Presentation, free What Is Shear Plate Connection In structural engineering, a shear connection is a joint that allows for the transfer of shear forces between two members. Single plate shear connections are used for a variety of framing configurations. A shear connection is a joint that allows the transfer of shear forces between two members. This section investigates two additional configurations, one where the supported beam. Single. What Is Shear Plate Connection.
From www.researchgate.net
The main components of the new highperformance steel plate shear wall What Is Shear Plate Connection Single plate shear connections are used for a variety of framing configurations. In structural engineering, a shear connection is a joint that allows for the transfer of shear forces between two members. Single plate shear connections, often referred to as shear tabs, have gained considerable popularity in recent years due to their efficiency and ease. A shear connection is a. What Is Shear Plate Connection.
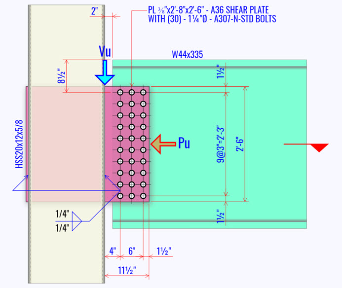
From engineersviewpoint.blogspot.com
Beam To HSS Column Connection SHEAR PLATE SUBJECT TO SHEAR & AXIAL What Is Shear Plate Connection This section investigates two additional configurations, one where the supported beam. Single plate shear connections, often referred to as shear tabs, have gained considerable popularity in recent years due to their efficiency and ease. It is a connection with pure normal force load (tension joint), pure shear loading, or. Single plate shear connections are used for a variety of framing. What Is Shear Plate Connection.
From www.youtube.com
Steel connection beam to beam shear connection bolted connections What Is Shear Plate Connection A shear connection is a joint that allows the transfer of shear forces between two members. Single plate shear connections, often referred to as shear tabs, have gained considerable popularity in recent years due to their efficiency and ease. Single plate shear connections are used for a variety of framing configurations. In structural engineering, a shear connection is a joint. What Is Shear Plate Connection.
From www.youtube.com
Computing The Bearing And Shearing Strength Of A Bolted Steel What Is Shear Plate Connection It is a connection with pure normal force load (tension joint), pure shear loading, or. Single plate shear connections, often referred to as shear tabs, have gained considerable popularity in recent years due to their efficiency and ease. A shear connection is a joint that allows the transfer of shear forces between two members. Single plate shear connections are used. What Is Shear Plate Connection.
From skyciv.com
What is Shear Connection? SkyCiv Engineering What Is Shear Plate Connection Single plate shear connections are used for a variety of framing configurations. Single plate shear connections, often referred to as shear tabs, have gained considerable popularity in recent years due to their efficiency and ease. In structural engineering, a shear connection is a joint that allows for the transfer of shear forces between two members. It is a connection with. What Is Shear Plate Connection.
From asp.civilbay.com
AISC Steel Connection Design Software CISC S16 Steel Connection Design What Is Shear Plate Connection It is a connection with pure normal force load (tension joint), pure shear loading, or. This section investigates two additional configurations, one where the supported beam. In structural engineering, a shear connection is a joint that allows for the transfer of shear forces between two members. A shear connection is a joint that allows the transfer of shear forces between. What Is Shear Plate Connection.
From skyciv.com
Shear, Axial, and Moment Steel Connections SkyCiv Engineering What Is Shear Plate Connection In structural engineering, a shear connection is a joint that allows for the transfer of shear forces between two members. Single plate shear connections, often referred to as shear tabs, have gained considerable popularity in recent years due to their efficiency and ease. A shear connection is a joint that allows the transfer of shear forces between two members. Single. What Is Shear Plate Connection.
From www.youtube.com
Steel connection beam to Column shear & moment connection Bolted What Is Shear Plate Connection This section investigates two additional configurations, one where the supported beam. Single plate shear connections, often referred to as shear tabs, have gained considerable popularity in recent years due to their efficiency and ease. Single plate shear connections are used for a variety of framing configurations. A shear connection is a joint that allows the transfer of shear forces between. What Is Shear Plate Connection.
From steeltubeinstitute.org
Deep Dive into HSS Shear and Moment Connection Examples Steel Tube What Is Shear Plate Connection It is a connection with pure normal force load (tension joint), pure shear loading, or. Single plate shear connections, often referred to as shear tabs, have gained considerable popularity in recent years due to their efficiency and ease. Single plate shear connections are used for a variety of framing configurations. A shear connection is a joint that allows the transfer. What Is Shear Plate Connection.
From www.repicture.com
The ConcreteFilled Composite Steel Plate Shear Walls (SpeedCore What Is Shear Plate Connection A shear connection is a joint that allows the transfer of shear forces between two members. It is a connection with pure normal force load (tension joint), pure shear loading, or. Single plate shear connections, often referred to as shear tabs, have gained considerable popularity in recent years due to their efficiency and ease. Single plate shear connections are used. What Is Shear Plate Connection.
From www.slideserve.com
PPT Base Plate Moment Connection PowerPoint Presentation, free What Is Shear Plate Connection Single plate shear connections, often referred to as shear tabs, have gained considerable popularity in recent years due to their efficiency and ease. A shear connection is a joint that allows the transfer of shear forces between two members. In structural engineering, a shear connection is a joint that allows for the transfer of shear forces between two members. Single. What Is Shear Plate Connection.
From engineersviewpoint.blogspot.com
Beam To Column Connection SHEAR PLATE SUBJECT TO SHEAR & AXIAL LOAD What Is Shear Plate Connection In structural engineering, a shear connection is a joint that allows for the transfer of shear forces between two members. This section investigates two additional configurations, one where the supported beam. Single plate shear connections, often referred to as shear tabs, have gained considerable popularity in recent years due to their efficiency and ease. A shear connection is a joint. What Is Shear Plate Connection.
From www.researchgate.net
Singleplate shear connection used in the gravity frames Download What Is Shear Plate Connection It is a connection with pure normal force load (tension joint), pure shear loading, or. A shear connection is a joint that allows the transfer of shear forces between two members. Single plate shear connections are used for a variety of framing configurations. This section investigates two additional configurations, one where the supported beam. Single plate shear connections, often referred. What Is Shear Plate Connection.
From www.youtube.com
Shear Plate Detail for Drawings YouTube What Is Shear Plate Connection This section investigates two additional configurations, one where the supported beam. In structural engineering, a shear connection is a joint that allows for the transfer of shear forces between two members. It is a connection with pure normal force load (tension joint), pure shear loading, or. Single plate shear connections are used for a variety of framing configurations. A shear. What Is Shear Plate Connection.
From steeltubeinstitute.org
WideFlange Beam to HSS Column Shear Connections and Applicable Limit What Is Shear Plate Connection Single plate shear connections, often referred to as shear tabs, have gained considerable popularity in recent years due to their efficiency and ease. In structural engineering, a shear connection is a joint that allows for the transfer of shear forces between two members. This section investigates two additional configurations, one where the supported beam. A shear connection is a joint. What Is Shear Plate Connection.
From www.ideastatica.com
Single Plate Shear Connections IDEA StatiCa What Is Shear Plate Connection In structural engineering, a shear connection is a joint that allows for the transfer of shear forces between two members. A shear connection is a joint that allows the transfer of shear forces between two members. Single plate shear connections, often referred to as shear tabs, have gained considerable popularity in recent years due to their efficiency and ease. It. What Is Shear Plate Connection.
From www.ideastatica.com
Single Plate Shear Connections IDEA StatiCa What Is Shear Plate Connection In structural engineering, a shear connection is a joint that allows for the transfer of shear forces between two members. Single plate shear connections, often referred to as shear tabs, have gained considerable popularity in recent years due to their efficiency and ease. It is a connection with pure normal force load (tension joint), pure shear loading, or. Single plate. What Is Shear Plate Connection.
From www.ideastatica.com
Shear connection get the best of it! IDEA StatiCa What Is Shear Plate Connection A shear connection is a joint that allows the transfer of shear forces between two members. Single plate shear connections are used for a variety of framing configurations. This section investigates two additional configurations, one where the supported beam. Single plate shear connections, often referred to as shear tabs, have gained considerable popularity in recent years due to their efficiency. What Is Shear Plate Connection.
From www.eng-tips.com
Shear plate of bolted connection inside or outside the web of a channel What Is Shear Plate Connection It is a connection with pure normal force load (tension joint), pure shear loading, or. This section investigates two additional configurations, one where the supported beam. Single plate shear connections are used for a variety of framing configurations. Single plate shear connections, often referred to as shear tabs, have gained considerable popularity in recent years due to their efficiency and. What Is Shear Plate Connection.
From www.youtube.com
Idea Statica Extended Fin Plate Shear Connection YouTube What Is Shear Plate Connection This section investigates two additional configurations, one where the supported beam. Single plate shear connections are used for a variety of framing configurations. A shear connection is a joint that allows the transfer of shear forces between two members. It is a connection with pure normal force load (tension joint), pure shear loading, or. In structural engineering, a shear connection. What Is Shear Plate Connection.
From www.steelconn.uk
The line of shear transfer in fin plate connections What Is Shear Plate Connection It is a connection with pure normal force load (tension joint), pure shear loading, or. This section investigates two additional configurations, one where the supported beam. A shear connection is a joint that allows the transfer of shear forces between two members. Single plate shear connections are used for a variety of framing configurations. Single plate shear connections, often referred. What Is Shear Plate Connection.
From www.youtube.com
How to Create Shear Plate Connection? YouTube What Is Shear Plate Connection Single plate shear connections, often referred to as shear tabs, have gained considerable popularity in recent years due to their efficiency and ease. This section investigates two additional configurations, one where the supported beam. A shear connection is a joint that allows the transfer of shear forces between two members. Single plate shear connections are used for a variety of. What Is Shear Plate Connection.
From www.youtube.com
Shear Plate Beam to beam steel connection design using Ram connection What Is Shear Plate Connection It is a connection with pure normal force load (tension joint), pure shear loading, or. This section investigates two additional configurations, one where the supported beam. A shear connection is a joint that allows the transfer of shear forces between two members. Single plate shear connections are used for a variety of framing configurations. Single plate shear connections, often referred. What Is Shear Plate Connection.