What Size Is A Bath Tap Gland . Once you have the cartridge out then you need to identify the thread size. What is the thread size? Although not exclusive, the table below shows the common sizes of valves fitted in different types of taps. Measuring a tap valve is fairly easy. How to measure a tap valve. If you measure across the bottom of the cartridge and the measurement is around 24mm,. A member of our experienced sales team can quickly help you identify the tap or shower part that you need and assist you in. Measuring the cartridge is crucial to ensure you purchase the correct replacement. In the uk 95% of taos are either bsp 1/2 (basin size) or 3/4 (bath size). A compatible cartridge will fit. Tap cartridges come in various sizes and designs. You just need to establish a few key dimensions. The 3 sizes below refers to bsp thread. Establish whether your tap cartridge is for 1/2 inch or 3/4 inch. Buy all tap spare parts from @tapmagician www.tapmagician.co.uk.
from www.toolstation.com
The 3 sizes below refers to bsp thread. If you measure across the bottom of the cartridge and the measurement is around 24mm,. Establish whether your tap cartridge is for 1/2 inch or 3/4 inch. A compatible cartridge will fit. You just need to establish a few key dimensions. If a tap has 2 handles, then it will require either a pair of quarter turn valves or 2 wind down (compression) valves. What is the thread size? A member of our experienced sales team can quickly help you identify the tap or shower part that you need and assist you in. Measuring a tap valve is fairly easy. How to measure a tap valve.
Made4Trade Threaded Tap Glands 8mm spline Without Threaded Collar
What Size Is A Bath Tap Gland Tap cartridges come in various sizes and designs. Tap cartridges come in various sizes and designs. In the uk 95% of taos are either bsp 1/2 (basin size) or 3/4 (bath size). Although not exclusive, the table below shows the common sizes of valves fitted in different types of taps. Establish whether your tap cartridge is for 1/2 inch or 3/4 inch. How to measure a tap valve. If you measure across the bottom of the cartridge and the measurement is around 24mm,. What is the thread size? If a tap has one handle,. Measuring a tap valve is fairly easy. Identify your tap or shower cartridge and replace it. If a tap has 2 handles, then it will require either a pair of quarter turn valves or 2 wind down (compression) valves. Buy all tap spare parts from @tapmagician www.tapmagician.co.uk. Measuring the cartridge is crucial to ensure you purchase the correct replacement. The 3 sizes below refers to bsp thread. A compatible cartridge will fit.
From www.thetapshop.ie
Fitting a Bathroom Basin Tap The Tap Shop DIY What Size Is A Bath Tap Gland Tap cartridges come in various sizes and designs. What is the thread size? You just need to establish a few key dimensions. A compatible cartridge will fit. A member of our experienced sales team can quickly help you identify the tap or shower part that you need and assist you in. Establish whether your tap cartridge is for 1/2 inch. What Size Is A Bath Tap Gland.
From www.divapor.com
Brass Tap Gland with Rubber Seal with Thread 1/2" (Suitable B&Q What Size Is A Bath Tap Gland Tap cartridges come in various sizes and designs. Buy all tap spare parts from @tapmagician www.tapmagician.co.uk. A member of our experienced sales team can quickly help you identify the tap or shower part that you need and assist you in. You just need to establish a few key dimensions. Measuring the cartridge is crucial to ensure you purchase the correct. What Size Is A Bath Tap Gland.
From www.limekitchenandbathroom.co.uk
Ideal Standard 1/2" A951130NU11 Tap Glands Lime Kitchen & Bathroom What Size Is A Bath Tap Gland How to measure a tap valve. You just need to establish a few key dimensions. A member of our experienced sales team can quickly help you identify the tap or shower part that you need and assist you in. Measuring a tap valve is fairly easy. If a tap has 2 handles, then it will require either a pair of. What Size Is A Bath Tap Gland.
From www.divapor.com
Brass Tap Gland with Rubber Seal with Thread 1/2" (Suitable B&Q What Size Is A Bath Tap Gland If a tap has 2 handles, then it will require either a pair of quarter turn valves or 2 wind down (compression) valves. How to measure a tap valve. Tap cartridges come in various sizes and designs. In the uk 95% of taos are either bsp 1/2 (basin size) or 3/4 (bath size). Although not exclusive, the table below shows. What Size Is A Bath Tap Gland.
From www.notjusttaps.co.uk
Standard 1/2" Replacement Tap Glands (Pair) Notjusttaps.co.uk What Size Is A Bath Tap Gland If a tap has 2 handles, then it will require either a pair of quarter turn valves or 2 wind down (compression) valves. How to measure a tap valve. A compatible cartridge will fit. Measuring a tap valve is fairly easy. Establish whether your tap cartridge is for 1/2 inch or 3/4 inch. Measuring the cartridge is crucial to ensure. What Size Is A Bath Tap Gland.
From www.toolstation.com
Made4Trade Threaded Tap Glands 8mm spline Without Threaded Collar What Size Is A Bath Tap Gland Establish whether your tap cartridge is for 1/2 inch or 3/4 inch. What is the thread size? Identify your tap or shower cartridge and replace it. The 3 sizes below refers to bsp thread. A compatible cartridge will fit. How to measure a tap valve. Measuring a tap valve is fairly easy. You just need to establish a few key. What Size Is A Bath Tap Gland.
From exofyswvj.blob.core.windows.net
How To Measure For Replacement Bathroom Faucet at Newport blog What Size Is A Bath Tap Gland Buy all tap spare parts from @tapmagician www.tapmagician.co.uk. Once you have the cartridge out then you need to identify the thread size. If a tap has 2 handles, then it will require either a pair of quarter turn valves or 2 wind down (compression) valves. Tap cartridges come in various sizes and designs. A member of our experienced sales team. What Size Is A Bath Tap Gland.
From www.ebay.co.uk
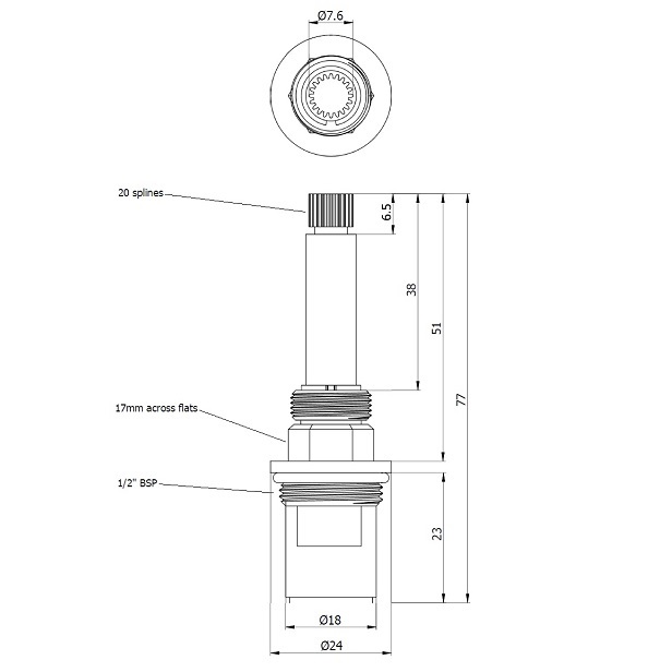
Ceramic tap gland pair 7.6mm x 14.9mm High Spline (20 Spline) eBay What Size Is A Bath Tap Gland The 3 sizes below refers to bsp thread. How to measure a tap valve. If a tap has 2 handles, then it will require either a pair of quarter turn valves or 2 wind down (compression) valves. Measuring the cartridge is crucial to ensure you purchase the correct replacement. A member of our experienced sales team can quickly help you. What Size Is A Bath Tap Gland.
From www.plumbsparesdirect.com
Bristan 1/2" BSP Tap Gland 20 Teeth DISC205 A2 Plumb Spares Direct What Size Is A Bath Tap Gland If a tap has one handle,. Once you have the cartridge out then you need to identify the thread size. Although not exclusive, the table below shows the common sizes of valves fitted in different types of taps. Measuring the cartridge is crucial to ensure you purchase the correct replacement. Establish whether your tap cartridge is for 1/2 inch or. What Size Is A Bath Tap Gland.
From www.fixthebog.uk
Ceramic tap gland Pair 8mm x 12mm High Spline 20 Spline What Size Is A Bath Tap Gland Measuring a tap valve is fairly easy. In the uk 95% of taos are either bsp 1/2 (basin size) or 3/4 (bath size). How to measure a tap valve. Identify your tap or shower cartridge and replace it. Buy all tap spare parts from @tapmagician www.tapmagician.co.uk. Measuring the cartridge is crucial to ensure you purchase the correct replacement. You just. What Size Is A Bath Tap Gland.
From exovtushm.blob.core.windows.net
Tap Gland Nut at Earl Houston blog What Size Is A Bath Tap Gland In the uk 95% of taos are either bsp 1/2 (basin size) or 3/4 (bath size). Measuring the cartridge is crucial to ensure you purchase the correct replacement. The 3 sizes below refers to bsp thread. What is the thread size? If you measure across the bottom of the cartridge and the measurement is around 24mm,. Identify your tap or. What Size Is A Bath Tap Gland.
From www.diy.com
Acrylic Full Turn Tap Gland, Set of 2 Departments DIY at B&Q What Size Is A Bath Tap Gland How to measure a tap valve. You just need to establish a few key dimensions. Measuring a tap valve is fairly easy. Tap cartridges come in various sizes and designs. If you measure across the bottom of the cartridge and the measurement is around 24mm,. Although not exclusive, the table below shows the common sizes of valves fitted in different. What Size Is A Bath Tap Gland.
From www.walmart.com
Replacement Tap Cartridge Valve Ceramic Disc Gland Quarter Turn 20 What Size Is A Bath Tap Gland If a tap has one handle,. Buy all tap spare parts from @tapmagician www.tapmagician.co.uk. What is the thread size? How to measure a tap valve. Tap cartridges come in various sizes and designs. A member of our experienced sales team can quickly help you identify the tap or shower part that you need and assist you in. Establish whether your. What Size Is A Bath Tap Gland.
From www.martinahayes.com.au
All Bathroom Dimensions Australia You Need To Know What Size Is A Bath Tap Gland If a tap has one handle,. Buy all tap spare parts from @tapmagician www.tapmagician.co.uk. What is the thread size? How to measure a tap valve. If a tap has 2 handles, then it will require either a pair of quarter turn valves or 2 wind down (compression) valves. Although not exclusive, the table below shows the common sizes of valves. What Size Is A Bath Tap Gland.
From www.divapor.com
Heritage TGRC01 Glastonbury Bath Pillar Taps What Size Is A Bath Tap Gland Identify your tap or shower cartridge and replace it. If you measure across the bottom of the cartridge and the measurement is around 24mm,. Once you have the cartridge out then you need to identify the thread size. Measuring a tap valve is fairly easy. A compatible cartridge will fit. If a tap has 2 handles, then it will require. What Size Is A Bath Tap Gland.
From www.ebay.co.uk
LOW PRESSURE TAP GLAND CARTRIDGE, 1/2" BSP, BATH MIXER & BASIN TAPS What Size Is A Bath Tap Gland A compatible cartridge will fit. If you measure across the bottom of the cartridge and the measurement is around 24mm,. A member of our experienced sales team can quickly help you identify the tap or shower part that you need and assist you in. Measuring a tap valve is fairly easy. The 3 sizes below refers to bsp thread. If. What Size Is A Bath Tap Gland.
From www.plumbsparesdirect.com
Bristan 3/4" BSP Tap Gland 20 Teeth DISC210 A2 Plumb Spares Direct What Size Is A Bath Tap Gland Once you have the cartridge out then you need to identify the thread size. You just need to establish a few key dimensions. What is the thread size? Identify your tap or shower cartridge and replace it. Measuring a tap valve is fairly easy. A member of our experienced sales team can quickly help you identify the tap or shower. What Size Is A Bath Tap Gland.
From www.plumbsparesdirect.com
Tap Glands 1/2" BSP Ceramic Disc 24 Teeth DISC017 Plumb Spares Direct What Size Is A Bath Tap Gland Buy all tap spare parts from @tapmagician www.tapmagician.co.uk. A member of our experienced sales team can quickly help you identify the tap or shower part that you need and assist you in. Measuring a tap valve is fairly easy. A compatible cartridge will fit. You just need to establish a few key dimensions. Identify your tap or shower cartridge and. What Size Is A Bath Tap Gland.
From www.ebay.co.uk
LOW PRESSURE TAP GLAND CARTRIDGE, 1/2" BSP, BATH MIXER & BASIN TAPS What Size Is A Bath Tap Gland Tap cartridges come in various sizes and designs. If a tap has 2 handles, then it will require either a pair of quarter turn valves or 2 wind down (compression) valves. Establish whether your tap cartridge is for 1/2 inch or 3/4 inch. Identify your tap or shower cartridge and replace it. The 3 sizes below refers to bsp thread.. What Size Is A Bath Tap Gland.
From www.plumbsparesdirect.com
Franke Tap Glands 28 Teeth What Size Is A Bath Tap Gland Identify your tap or shower cartridge and replace it. A member of our experienced sales team can quickly help you identify the tap or shower part that you need and assist you in. Buy all tap spare parts from @tapmagician www.tapmagician.co.uk. How to measure a tap valve. What is the thread size? A compatible cartridge will fit. In the uk. What Size Is A Bath Tap Gland.
From www.plumbsparesdirect.com
1/2" BSP Rubber Washer Tap Gland 18 Teeth GLAN010 C4 Plumb Spares What Size Is A Bath Tap Gland If you measure across the bottom of the cartridge and the measurement is around 24mm,. Once you have the cartridge out then you need to identify the thread size. Identify your tap or shower cartridge and replace it. A compatible cartridge will fit. In the uk 95% of taos are either bsp 1/2 (basin size) or 3/4 (bath size). What. What Size Is A Bath Tap Gland.
From www.wonkeedonkeetools.co.uk
What are the parts of a tap fitting? Wonkee Donkee Tools What Size Is A Bath Tap Gland A compatible cartridge will fit. If you measure across the bottom of the cartridge and the measurement is around 24mm,. Although not exclusive, the table below shows the common sizes of valves fitted in different types of taps. Identify your tap or shower cartridge and replace it. If a tap has 2 handles, then it will require either a pair. What Size Is A Bath Tap Gland.
From www.plumbsparesdirect.com
Franke Tap Glands 28 Teeth What Size Is A Bath Tap Gland You just need to establish a few key dimensions. Once you have the cartridge out then you need to identify the thread size. Buy all tap spare parts from @tapmagician www.tapmagician.co.uk. What is the thread size? A member of our experienced sales team can quickly help you identify the tap or shower part that you need and assist you in.. What Size Is A Bath Tap Gland.
From www.plumbsparesdirect.com
Tap Glands 3/4" BSP Ceramic Disc 20 Teeth DISC011 Plumb Spares Direct What Size Is A Bath Tap Gland Measuring the cartridge is crucial to ensure you purchase the correct replacement. A member of our experienced sales team can quickly help you identify the tap or shower part that you need and assist you in. Although not exclusive, the table below shows the common sizes of valves fitted in different types of taps. Tap cartridges come in various sizes. What Size Is A Bath Tap Gland.
From www.bellabathrooms.co.uk
Standard Bath Sizes UK Bella Bathrooms Blog What Size Is A Bath Tap Gland Measuring a tap valve is fairly easy. Tap cartridges come in various sizes and designs. If you measure across the bottom of the cartridge and the measurement is around 24mm,. The 3 sizes below refers to bsp thread. In the uk 95% of taos are either bsp 1/2 (basin size) or 3/4 (bath size). Establish whether your tap cartridge is. What Size Is A Bath Tap Gland.
From www.ebay.co.uk
Ceramic tap gland pair 7.6mm x 14.9mm High Spline (20 Spline) eBay What Size Is A Bath Tap Gland If you measure across the bottom of the cartridge and the measurement is around 24mm,. How to measure a tap valve. If a tap has 2 handles, then it will require either a pair of quarter turn valves or 2 wind down (compression) valves. Measuring a tap valve is fairly easy. A compatible cartridge will fit. Identify your tap or. What Size Is A Bath Tap Gland.
From www.plumbsparesdirect.com
Tap Gland 1/2" BSP 20 Teeth GLAN005 Plumb Spares Direct What Size Is A Bath Tap Gland Measuring a tap valve is fairly easy. If a tap has one handle,. Establish whether your tap cartridge is for 1/2 inch or 3/4 inch. The 3 sizes below refers to bsp thread. A compatible cartridge will fit. Although not exclusive, the table below shows the common sizes of valves fitted in different types of taps. Tap cartridges come in. What Size Is A Bath Tap Gland.
From www.westenddiy.co.uk
Oracstar Ceramic Tap Glands Pair 7 6mm x 14 9mm 20 Splines What Size Is A Bath Tap Gland In the uk 95% of taos are either bsp 1/2 (basin size) or 3/4 (bath size). What is the thread size? Tap cartridges come in various sizes and designs. Although not exclusive, the table below shows the common sizes of valves fitted in different types of taps. Measuring a tap valve is fairly easy. A member of our experienced sales. What Size Is A Bath Tap Gland.
From www.wilko.com
Wilko Ceramic Tap Gland with Short Spline 1/2in Wilko What Size Is A Bath Tap Gland Tap cartridges come in various sizes and designs. A compatible cartridge will fit. Measuring a tap valve is fairly easy. What is the thread size? How to measure a tap valve. A member of our experienced sales team can quickly help you identify the tap or shower part that you need and assist you in. In the uk 95% of. What Size Is A Bath Tap Gland.
From www.jewson.co.uk
Masefield Beta High Spline Tap Gland 8 x 12mm Dia Brass Pack of 2 What Size Is A Bath Tap Gland Buy all tap spare parts from @tapmagician www.tapmagician.co.uk. If a tap has one handle,. Once you have the cartridge out then you need to identify the thread size. Tap cartridges come in various sizes and designs. What is the thread size? Although not exclusive, the table below shows the common sizes of valves fitted in different types of taps. A. What Size Is A Bath Tap Gland.
From www.plumbsparesdirect.com
Tap Glands 24T DISC020 What Size Is A Bath Tap Gland In the uk 95% of taos are either bsp 1/2 (basin size) or 3/4 (bath size). Once you have the cartridge out then you need to identify the thread size. Measuring a tap valve is fairly easy. If a tap has 2 handles, then it will require either a pair of quarter turn valves or 2 wind down (compression) valves.. What Size Is A Bath Tap Gland.
From www.dreamstime.com
Three Threaded Brass Collar Tap Glands Stock Image Image of object What Size Is A Bath Tap Gland Once you have the cartridge out then you need to identify the thread size. Identify your tap or shower cartridge and replace it. Establish whether your tap cartridge is for 1/2 inch or 3/4 inch. If a tap has one handle,. Measuring the cartridge is crucial to ensure you purchase the correct replacement. If a tap has 2 handles, then. What Size Is A Bath Tap Gland.
From www.divapor.com
BLANCO PALACE CHROME BM5000CH Tap Gland (Same for Hot & Cold) What Size Is A Bath Tap Gland Measuring a tap valve is fairly easy. Establish whether your tap cartridge is for 1/2 inch or 3/4 inch. Measuring the cartridge is crucial to ensure you purchase the correct replacement. How to measure a tap valve. A compatible cartridge will fit. You just need to establish a few key dimensions. If you measure across the bottom of the cartridge. What Size Is A Bath Tap Gland.
From www.sinks-taps.com
Aquabro Bath Tap Easy Fit Kit What Size Is A Bath Tap Gland The 3 sizes below refers to bsp thread. If you measure across the bottom of the cartridge and the measurement is around 24mm,. Once you have the cartridge out then you need to identify the thread size. Although not exclusive, the table below shows the common sizes of valves fitted in different types of taps. You just need to establish. What Size Is A Bath Tap Gland.
From www.plumbsparesdirect.com
3/4" BSP Ceramic Disc Tap Gland 24 Teeth DISC022 B2 Plumb Spares Direct What Size Is A Bath Tap Gland Although not exclusive, the table below shows the common sizes of valves fitted in different types of taps. If a tap has one handle,. Identify your tap or shower cartridge and replace it. A member of our experienced sales team can quickly help you identify the tap or shower part that you need and assist you in. You just need. What Size Is A Bath Tap Gland.