Relay Switch For Starter . Today we're going over the steps on how to locate, remove and test the starter relay. When the ignition key is turned, it sends. When you turn on your ignition switch, it sends an electrical current to the starter relay, which transfers the current to the starter solenoid. A starter relay, also known as a starter solenoid, plays a crucial role in starting your car, acting as a bridge between the ignition switch and the starter motor. A starter solenoid relay is an electrical switch that controls the flow of current between the battery and the starter motor in a vehicle. Many things can cause a starter relay to fail. The function of the starter motor relay is to act as a switch that connects the battery to the starter motor. The starter solenoid, on the other handed, closes the. The solenoid sends the power to the starter motor,. The starter relay switches on the current that activates the starter solenoid. It is responsible for initiating the cranking of the. Corroded circuits, bridged contacts, moist relays, and aged relays are examples. When your starting relay fails or acts up,.
from wiringfixinjuries.z21.web.core.windows.net
The function of the starter motor relay is to act as a switch that connects the battery to the starter motor. The starter relay switches on the current that activates the starter solenoid. Corroded circuits, bridged contacts, moist relays, and aged relays are examples. When you turn on your ignition switch, it sends an electrical current to the starter relay, which transfers the current to the starter solenoid. Many things can cause a starter relay to fail. The starter solenoid, on the other handed, closes the. The solenoid sends the power to the starter motor,. It is responsible for initiating the cranking of the. When your starting relay fails or acts up,. When the ignition key is turned, it sends.
How To Wire A 12v Automotive Relay
Relay Switch For Starter The starter solenoid, on the other handed, closes the. When your starting relay fails or acts up,. Many things can cause a starter relay to fail. The starter solenoid, on the other handed, closes the. The solenoid sends the power to the starter motor,. A starter solenoid relay is an electrical switch that controls the flow of current between the battery and the starter motor in a vehicle. A starter relay, also known as a starter solenoid, plays a crucial role in starting your car, acting as a bridge between the ignition switch and the starter motor. Today we're going over the steps on how to locate, remove and test the starter relay. It is responsible for initiating the cranking of the. Corroded circuits, bridged contacts, moist relays, and aged relays are examples. When you turn on your ignition switch, it sends an electrical current to the starter relay, which transfers the current to the starter solenoid. When the ignition key is turned, it sends. The starter relay switches on the current that activates the starter solenoid. The function of the starter motor relay is to act as a switch that connects the battery to the starter motor.
From printablelibdumka.z21.web.core.windows.net
Change Over Relay Wiring Diagram Relay Switch For Starter When the ignition key is turned, it sends. A starter solenoid relay is an electrical switch that controls the flow of current between the battery and the starter motor in a vehicle. The solenoid sends the power to the starter motor,. When you turn on your ignition switch, it sends an electrical current to the starter relay, which transfers the. Relay Switch For Starter.
From wiringdiagram.2bitboer.com
Motorcycle Starter Relay Wiring Diagram Wiring Diagram Relay Switch For Starter A starter solenoid relay is an electrical switch that controls the flow of current between the battery and the starter motor in a vehicle. Many things can cause a starter relay to fail. Corroded circuits, bridged contacts, moist relays, and aged relays are examples. The solenoid sends the power to the starter motor,. When the ignition key is turned, it. Relay Switch For Starter.
From guidemanualscrapbooks.z21.web.core.windows.net
Testing A Starter Relay Switch Relay Switch For Starter A starter relay, also known as a starter solenoid, plays a crucial role in starting your car, acting as a bridge between the ignition switch and the starter motor. When your starting relay fails or acts up,. When the ignition key is turned, it sends. It is responsible for initiating the cranking of the. When you turn on your ignition. Relay Switch For Starter.
From www.aliexpress.com
Car Truck Motor Relay 12V 24V 120A Battery Switch for Automotive Relay Switch For Starter Many things can cause a starter relay to fail. A starter relay, also known as a starter solenoid, plays a crucial role in starting your car, acting as a bridge between the ignition switch and the starter motor. The starter relay switches on the current that activates the starter solenoid. When the ignition key is turned, it sends. When your. Relay Switch For Starter.
From userlibrarymehler.z19.web.core.windows.net
12 Volt Spdt Relay Wiring Diagram Relay Switch For Starter The solenoid sends the power to the starter motor,. The starter solenoid, on the other handed, closes the. The starter relay switches on the current that activates the starter solenoid. Today we're going over the steps on how to locate, remove and test the starter relay. Many things can cause a starter relay to fail. A starter solenoid relay is. Relay Switch For Starter.
From www.sunsky-online.com
SUNSKY 12V 200A Car Battery Remote Control Breaker Wireless Control Relay Switch For Starter It is responsible for initiating the cranking of the. A starter solenoid relay is an electrical switch that controls the flow of current between the battery and the starter motor in a vehicle. A starter relay, also known as a starter solenoid, plays a crucial role in starting your car, acting as a bridge between the ignition switch and the. Relay Switch For Starter.
From faktopwfgaragerepair.z13.web.core.windows.net
Solenoid Switch For Starter Relay Switch For Starter Today we're going over the steps on how to locate, remove and test the starter relay. The function of the starter motor relay is to act as a switch that connects the battery to the starter motor. A starter solenoid relay is an electrical switch that controls the flow of current between the battery and the starter motor in a. Relay Switch For Starter.
From shopee.co.id
Jual [Original] Relay Switch Starter Stater Motor Vario 125 FI Relay Switch For Starter Today we're going over the steps on how to locate, remove and test the starter relay. When the ignition key is turned, it sends. The starter relay switches on the current that activates the starter solenoid. The starter solenoid, on the other handed, closes the. Corroded circuits, bridged contacts, moist relays, and aged relays are examples. When you turn on. Relay Switch For Starter.
From guidediagrampotents.z13.web.core.windows.net
Electrical Diagram Relay Relay Switch For Starter When you turn on your ignition switch, it sends an electrical current to the starter relay, which transfers the current to the starter solenoid. The starter solenoid, on the other handed, closes the. The starter relay switches on the current that activates the starter solenoid. Corroded circuits, bridged contacts, moist relays, and aged relays are examples. A starter relay, also. Relay Switch For Starter.
From www.desertcart.in
Buy Heavy Duty Car ON/Off Switch Relay, WM686 12V 4Pin Start Relay RL Relay Switch For Starter When the ignition key is turned, it sends. The function of the starter motor relay is to act as a switch that connects the battery to the starter motor. The starter solenoid, on the other handed, closes the. It is responsible for initiating the cranking of the. Corroded circuits, bridged contacts, moist relays, and aged relays are examples. The solenoid. Relay Switch For Starter.
From www.classicindustries.com
19671971 All Makes All Models Parts 11450C 196771 Ford; Starter Relay Switch For Starter Today we're going over the steps on how to locate, remove and test the starter relay. When your starting relay fails or acts up,. When the ignition key is turned, it sends. A starter relay, also known as a starter solenoid, plays a crucial role in starting your car, acting as a bridge between the ignition switch and the starter. Relay Switch For Starter.
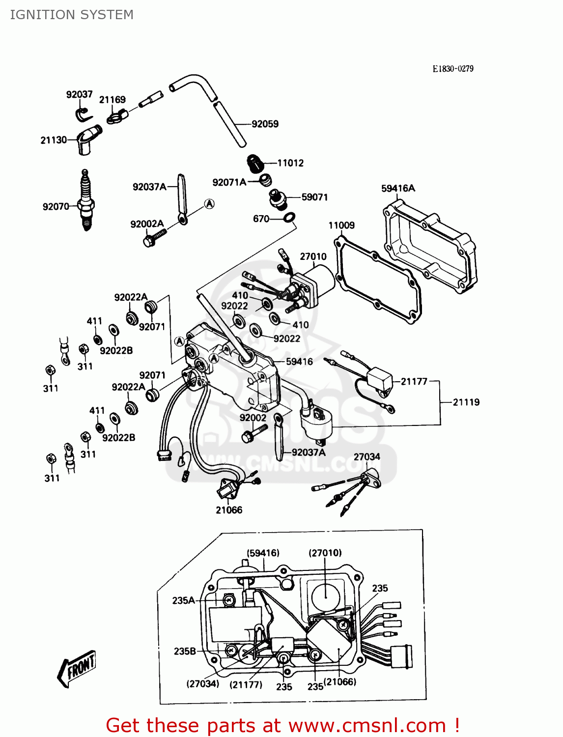
From www.cmsnl.com
270103703 Switch,starter Relay Kawasaki buy the 270103703 at CMSNL Relay Switch For Starter When you turn on your ignition switch, it sends an electrical current to the starter relay, which transfers the current to the starter solenoid. Today we're going over the steps on how to locate, remove and test the starter relay. Corroded circuits, bridged contacts, moist relays, and aged relays are examples. It is responsible for initiating the cranking of the.. Relay Switch For Starter.
From guidemanualscrapbooks.z21.web.core.windows.net
How To Test A Starter Relay Switch Relay Switch For Starter It is responsible for initiating the cranking of the. The function of the starter motor relay is to act as a switch that connects the battery to the starter motor. A starter solenoid relay is an electrical switch that controls the flow of current between the battery and the starter motor in a vehicle. Today we're going over the steps. Relay Switch For Starter.
From www.thedieselstop.com
where is the starter motor relay The Diesel Stop Relay Switch For Starter Corroded circuits, bridged contacts, moist relays, and aged relays are examples. When you turn on your ignition switch, it sends an electrical current to the starter relay, which transfers the current to the starter solenoid. When your starting relay fails or acts up,. When the ignition key is turned, it sends. The function of the starter motor relay is to. Relay Switch For Starter.
From www.guidingtech.com
5 Best Smart Relay Switches to Make Your Existing Sockets Smart Relay Switch For Starter The starter solenoid, on the other handed, closes the. When your starting relay fails or acts up,. A starter relay, also known as a starter solenoid, plays a crucial role in starting your car, acting as a bridge between the ignition switch and the starter motor. When the ignition key is turned, it sends. Today we're going over the steps. Relay Switch For Starter.
From peupetechnologies.com
12V Relay Switch 5 Pin for Electronics Peupe Technologies Relay Switch For Starter The solenoid sends the power to the starter motor,. Today we're going over the steps on how to locate, remove and test the starter relay. The starter relay switches on the current that activates the starter solenoid. A starter solenoid relay is an electrical switch that controls the flow of current between the battery and the starter motor in a. Relay Switch For Starter.
From www.essexmustang.com
6573 Mustang Starter Relay Switch Engine Compartment Electrical Relay Switch For Starter It is responsible for initiating the cranking of the. A starter solenoid relay is an electrical switch that controls the flow of current between the battery and the starter motor in a vehicle. A starter relay, also known as a starter solenoid, plays a crucial role in starting your car, acting as a bridge between the ignition switch and the. Relay Switch For Starter.
From guidemanualscrapbooks.z21.web.core.windows.net
Starter Solenoid Relay Switch Relay Switch For Starter A starter solenoid relay is an electrical switch that controls the flow of current between the battery and the starter motor in a vehicle. The solenoid sends the power to the starter motor,. The function of the starter motor relay is to act as a switch that connects the battery to the starter motor. Today we're going over the steps. Relay Switch For Starter.
From www.aliexpress.com
12V Starter Solenoid Relay Contactor Switch Engine 4 Terminals For Relay Switch For Starter When you turn on your ignition switch, it sends an electrical current to the starter relay, which transfers the current to the starter solenoid. Corroded circuits, bridged contacts, moist relays, and aged relays are examples. When your starting relay fails or acts up,. When the ignition key is turned, it sends. A starter solenoid relay is an electrical switch that. Relay Switch For Starter.
From www.citroen-traction-avant.com
Starter relay switch José Franssen sprl Relay Switch For Starter A starter solenoid relay is an electrical switch that controls the flow of current between the battery and the starter motor in a vehicle. The solenoid sends the power to the starter motor,. When the ignition key is turned, it sends. Many things can cause a starter relay to fail. A starter relay, also known as a starter solenoid, plays. Relay Switch For Starter.
From www.cmsnl.com
270103760 Switch,starter Relay Kawasaki buy the 270103760 at CMSNL Relay Switch For Starter A starter relay, also known as a starter solenoid, plays a crucial role in starting your car, acting as a bridge between the ignition switch and the starter motor. Corroded circuits, bridged contacts, moist relays, and aged relays are examples. The starter solenoid, on the other handed, closes the. Many things can cause a starter relay to fail. When your. Relay Switch For Starter.
From wiringfixinjuries.z21.web.core.windows.net
How To Wire A 12v Automotive Relay Relay Switch For Starter The starter relay switches on the current that activates the starter solenoid. A starter relay, also known as a starter solenoid, plays a crucial role in starting your car, acting as a bridge between the ignition switch and the starter motor. Many things can cause a starter relay to fail. A starter solenoid relay is an electrical switch that controls. Relay Switch For Starter.
From fixwiringsobranje.z13.web.core.windows.net
4 Pin Relay Wiring Diagram Starter Relay Switch For Starter Many things can cause a starter relay to fail. The solenoid sends the power to the starter motor,. A starter solenoid relay is an electrical switch that controls the flow of current between the battery and the starter motor in a vehicle. When you turn on your ignition switch, it sends an electrical current to the starter relay, which transfers. Relay Switch For Starter.
From www.2carpros.com
Location of Starter Relay Schematic Shows Relay in Engine Relay Switch For Starter Many things can cause a starter relay to fail. A starter relay, also known as a starter solenoid, plays a crucial role in starting your car, acting as a bridge between the ignition switch and the starter motor. The starter relay switches on the current that activates the starter solenoid. When your starting relay fails or acts up,. Today we're. Relay Switch For Starter.
From userlibrarymehler.z19.web.core.windows.net
Motorcycle Starter Relay Wiring Relay Switch For Starter When your starting relay fails or acts up,. When the ignition key is turned, it sends. The starter relay switches on the current that activates the starter solenoid. Many things can cause a starter relay to fail. The function of the starter motor relay is to act as a switch that connects the battery to the starter motor. The starter. Relay Switch For Starter.
From www.cmsnl.com
270103714 Switch,starter Relay Kawasaki buy the 270103714 at CMSNL Relay Switch For Starter It is responsible for initiating the cranking of the. Today we're going over the steps on how to locate, remove and test the starter relay. The starter relay switches on the current that activates the starter solenoid. The function of the starter motor relay is to act as a switch that connects the battery to the starter motor. A starter. Relay Switch For Starter.
From www.desertcart.ae
Buy DC Contactor, Normally Open Starter Relay SW‑3 Motor Relay Switch For Starter Corroded circuits, bridged contacts, moist relays, and aged relays are examples. The solenoid sends the power to the starter motor,. The starter solenoid, on the other handed, closes the. Today we're going over the steps on how to locate, remove and test the starter relay. The starter relay switches on the current that activates the starter solenoid. It is responsible. Relay Switch For Starter.
From www.cmsnl.com
270103714 Switch,starter Relay Kawasaki buy the 270103714 at CMSNL Relay Switch For Starter It is responsible for initiating the cranking of the. The starter solenoid, on the other handed, closes the. The solenoid sends the power to the starter motor,. Corroded circuits, bridged contacts, moist relays, and aged relays are examples. Today we're going over the steps on how to locate, remove and test the starter relay. Many things can cause a starter. Relay Switch For Starter.
From tech.bareasschoppers.com
Why You Shouldn't Run a High Wattage Headlight on Your Motorcycle Relay Switch For Starter The function of the starter motor relay is to act as a switch that connects the battery to the starter motor. A starter relay, also known as a starter solenoid, plays a crucial role in starting your car, acting as a bridge between the ignition switch and the starter motor. The starter solenoid, on the other handed, closes the. The. Relay Switch For Starter.
From wiringdiagram.2bitboer.com
24v Starter Relay Wiring Diagram Wiring Diagram Relay Switch For Starter Today we're going over the steps on how to locate, remove and test the starter relay. When you turn on your ignition switch, it sends an electrical current to the starter relay, which transfers the current to the starter solenoid. A starter relay, also known as a starter solenoid, plays a crucial role in starting your car, acting as a. Relay Switch For Starter.
From hohohihelagi.blogspot.com
[Get 28+] 5 Pin Relay Wiring Diagram With Switch Relay Switch For Starter Many things can cause a starter relay to fail. Today we're going over the steps on how to locate, remove and test the starter relay. The starter relay switches on the current that activates the starter solenoid. The starter solenoid, on the other handed, closes the. Corroded circuits, bridged contacts, moist relays, and aged relays are examples. When the ignition. Relay Switch For Starter.
From www.wiringwork.com
how to wire 3 prong switch with relay Wiring Work Relay Switch For Starter Corroded circuits, bridged contacts, moist relays, and aged relays are examples. It is responsible for initiating the cranking of the. When you turn on your ignition switch, it sends an electrical current to the starter relay, which transfers the current to the starter solenoid. When the ignition key is turned, it sends. The solenoid sends the power to the starter. Relay Switch For Starter.
From www.desertcart.in
Buy Starter Relay, SW‑3 Motor Switch Relay Starter Relay DC Relay Switch For Starter It is responsible for initiating the cranking of the. The solenoid sends the power to the starter motor,. A starter relay, also known as a starter solenoid, plays a crucial role in starting your car, acting as a bridge between the ignition switch and the starter motor. The starter solenoid, on the other handed, closes the. Today we're going over. Relay Switch For Starter.
From www.stateworldnews.com
Officially Licensed Shop Online Car Relay Switch Harness Waterproof 6x Relay Switch For Starter When you turn on your ignition switch, it sends an electrical current to the starter relay, which transfers the current to the starter solenoid. Corroded circuits, bridged contacts, moist relays, and aged relays are examples. Many things can cause a starter relay to fail. It is responsible for initiating the cranking of the. The solenoid sends the power to the. Relay Switch For Starter.
From www.lazada.com.ph
10 Pcs 5 Pin 12V Relay Switch (SPDT) (30/40 Amp) 12 Volt Automotive Relay Switch For Starter Today we're going over the steps on how to locate, remove and test the starter relay. Many things can cause a starter relay to fail. The starter solenoid, on the other handed, closes the. The starter relay switches on the current that activates the starter solenoid. A starter solenoid relay is an electrical switch that controls the flow of current. Relay Switch For Starter.