Ecu Engine Control Unit Pdf . In a passenger car, the engine management system (ems) is an electronically controlled system that uses an engine computer (the electronic control. Mtu has named the current. These units are the maximum ease of use and highest density on your control panel. Typically this involves the control. The ecu is an electronic engine control unit that is responsible for the monitoring and control of all engine functions. 2 ecu basics the engine control unit is used to control the operation of internal combustion engines.
from formulapedia.com
The ecu is an electronic engine control unit that is responsible for the monitoring and control of all engine functions. These units are the maximum ease of use and highest density on your control panel. 2 ecu basics the engine control unit is used to control the operation of internal combustion engines. In a passenger car, the engine management system (ems) is an electronically controlled system that uses an engine computer (the electronic control. Typically this involves the control. Mtu has named the current.
The Engine Control Unit (ECU) in Formula 1 Racing Formulapedia
Ecu Engine Control Unit Pdf In a passenger car, the engine management system (ems) is an electronically controlled system that uses an engine computer (the electronic control. These units are the maximum ease of use and highest density on your control panel. 2 ecu basics the engine control unit is used to control the operation of internal combustion engines. Typically this involves the control. In a passenger car, the engine management system (ems) is an electronically controlled system that uses an engine computer (the electronic control. Mtu has named the current. The ecu is an electronic engine control unit that is responsible for the monitoring and control of all engine functions.
From harbormarine.com.pe
QUICKSILVER, ECU (ENGINE CONTROL UNIT) Harbor Marine Ecu Engine Control Unit Pdf Typically this involves the control. In a passenger car, the engine management system (ems) is an electronically controlled system that uses an engine computer (the electronic control. 2 ecu basics the engine control unit is used to control the operation of internal combustion engines. The ecu is an electronic engine control unit that is responsible for the monitoring and control. Ecu Engine Control Unit Pdf.
From www.pinterest.co.uk
Professional ECU Components & diagnostic device supply Ecu Engine Control Unit Pdf 2 ecu basics the engine control unit is used to control the operation of internal combustion engines. In a passenger car, the engine management system (ems) is an electronically controlled system that uses an engine computer (the electronic control. The ecu is an electronic engine control unit that is responsible for the monitoring and control of all engine functions. Mtu. Ecu Engine Control Unit Pdf.
From www.scribd.com
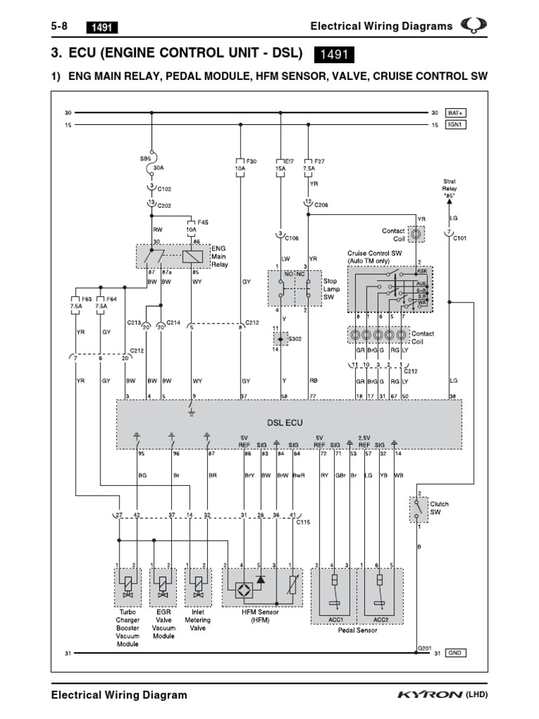
Ecu (Engine Control Unit DSL) 58 Electrical Wiring Diagrams PDF Ecu Engine Control Unit Pdf Typically this involves the control. In a passenger car, the engine management system (ems) is an electronically controlled system that uses an engine computer (the electronic control. These units are the maximum ease of use and highest density on your control panel. Mtu has named the current. The ecu is an electronic engine control unit that is responsible for the. Ecu Engine Control Unit Pdf.
From www.vtronics.in
Engine Management ECU (EMS ECU) Automotive Electronics Ecu Engine Control Unit Pdf 2 ecu basics the engine control unit is used to control the operation of internal combustion engines. These units are the maximum ease of use and highest density on your control panel. Mtu has named the current. In a passenger car, the engine management system (ems) is an electronically controlled system that uses an engine computer (the electronic control. The. Ecu Engine Control Unit Pdf.
From www.youtube.com
How Engine Control Unit (ECU) Works in Hindi Function and Advantages Ecu Engine Control Unit Pdf Mtu has named the current. These units are the maximum ease of use and highest density on your control panel. Typically this involves the control. In a passenger car, the engine management system (ems) is an electronically controlled system that uses an engine computer (the electronic control. 2 ecu basics the engine control unit is used to control the operation. Ecu Engine Control Unit Pdf.
From bhadraelectronics.com
Best Engine Control Unit (ECU) / ECM repair training course Ecu Engine Control Unit Pdf These units are the maximum ease of use and highest density on your control panel. The ecu is an electronic engine control unit that is responsible for the monitoring and control of all engine functions. Mtu has named the current. Typically this involves the control. In a passenger car, the engine management system (ems) is an electronically controlled system that. Ecu Engine Control Unit Pdf.
From mungfali.com
Schematic Diagram Of An Engine Experimental Platform. Ecu, Engine 224 Ecu Engine Control Unit Pdf The ecu is an electronic engine control unit that is responsible for the monitoring and control of all engine functions. In a passenger car, the engine management system (ems) is an electronically controlled system that uses an engine computer (the electronic control. Mtu has named the current. 2 ecu basics the engine control unit is used to control the operation. Ecu Engine Control Unit Pdf.
From pieces-okaz.com
ENGINE CONTROL UNIT ECU ENGINE CONTROL UNIT ECU SAAB 93 I ref 5380068 Ecu Engine Control Unit Pdf Mtu has named the current. The ecu is an electronic engine control unit that is responsible for the monitoring and control of all engine functions. 2 ecu basics the engine control unit is used to control the operation of internal combustion engines. These units are the maximum ease of use and highest density on your control panel. In a passenger. Ecu Engine Control Unit Pdf.
From clubcarwiringdiagram1.netlify.app
How Ecu Works Diagram Ecu Engine Control Unit Pdf The ecu is an electronic engine control unit that is responsible for the monitoring and control of all engine functions. In a passenger car, the engine management system (ems) is an electronically controlled system that uses an engine computer (the electronic control. 2 ecu basics the engine control unit is used to control the operation of internal combustion engines. Typically. Ecu Engine Control Unit Pdf.
From www.pinterest.com
Color ECU Pinout Diagrams Car ecu, Ecu, Engine control unit Ecu Engine Control Unit Pdf These units are the maximum ease of use and highest density on your control panel. The ecu is an electronic engine control unit that is responsible for the monitoring and control of all engine functions. Mtu has named the current. In a passenger car, the engine management system (ems) is an electronically controlled system that uses an engine computer (the. Ecu Engine Control Unit Pdf.
From pdfslide.net
(PDF) MODELING OF ENGINE PARAMETERS FOR D. MTU DIESEL ENGINE ECU Ecu Engine Control Unit Pdf 2 ecu basics the engine control unit is used to control the operation of internal combustion engines. The ecu is an electronic engine control unit that is responsible for the monitoring and control of all engine functions. These units are the maximum ease of use and highest density on your control panel. Mtu has named the current. Typically this involves. Ecu Engine Control Unit Pdf.
From www.scribd.com
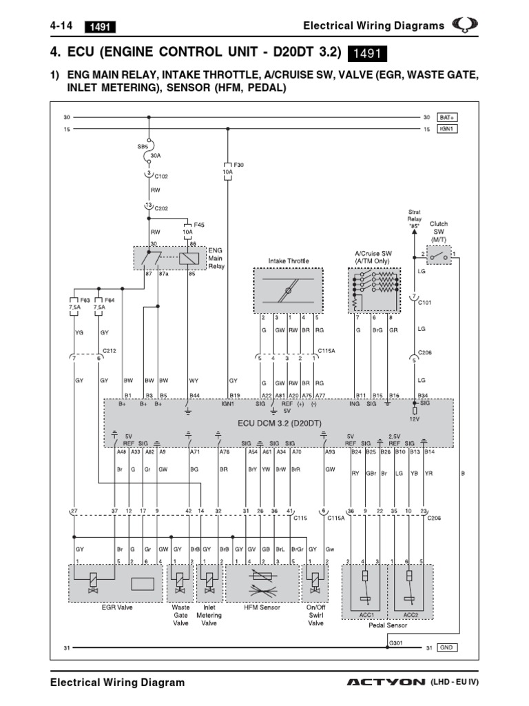
Ecu (Engine Control Unit D20Dt 3.2) 414 Electrical Wiring Diagrams Ecu Engine Control Unit Pdf 2 ecu basics the engine control unit is used to control the operation of internal combustion engines. In a passenger car, the engine management system (ems) is an electronically controlled system that uses an engine computer (the electronic control. The ecu is an electronic engine control unit that is responsible for the monitoring and control of all engine functions. These. Ecu Engine Control Unit Pdf.
From www.youtube.com
Engine Control Module (ECU) Circuits Working Explanation YouTube Ecu Engine Control Unit Pdf In a passenger car, the engine management system (ems) is an electronically controlled system that uses an engine computer (the electronic control. Typically this involves the control. 2 ecu basics the engine control unit is used to control the operation of internal combustion engines. Mtu has named the current. These units are the maximum ease of use and highest density. Ecu Engine Control Unit Pdf.
From dsportmag.com
ECU 101 Engine Management Systems Explained Ecu Engine Control Unit Pdf Mtu has named the current. Typically this involves the control. 2 ecu basics the engine control unit is used to control the operation of internal combustion engines. The ecu is an electronic engine control unit that is responsible for the monitoring and control of all engine functions. These units are the maximum ease of use and highest density on your. Ecu Engine Control Unit Pdf.
From www.worldecu.com
ECU Engine control unit NISSAN S180033109A 23710BR30B ECU Engine Ecu Engine Control Unit Pdf Typically this involves the control. 2 ecu basics the engine control unit is used to control the operation of internal combustion engines. These units are the maximum ease of use and highest density on your control panel. In a passenger car, the engine management system (ems) is an electronically controlled system that uses an engine computer (the electronic control. The. Ecu Engine Control Unit Pdf.
From www.scribd.com
ECU Engine Control Unit Diagnostic Trouble Codes 36135 JD Control Ecu Engine Control Unit Pdf Mtu has named the current. In a passenger car, the engine management system (ems) is an electronically controlled system that uses an engine computer (the electronic control. These units are the maximum ease of use and highest density on your control panel. 2 ecu basics the engine control unit is used to control the operation of internal combustion engines. Typically. Ecu Engine Control Unit Pdf.
From www.actronics.co.uk
How does the ECU (Engine Control Unit) in a car work? ACTRONICS LTD Ecu Engine Control Unit Pdf In a passenger car, the engine management system (ems) is an electronically controlled system that uses an engine computer (the electronic control. 2 ecu basics the engine control unit is used to control the operation of internal combustion engines. These units are the maximum ease of use and highest density on your control panel. Mtu has named the current. Typically. Ecu Engine Control Unit Pdf.
From www.cmdengine.com
ECU Engine Control Unit CMD Engine Ecu Engine Control Unit Pdf In a passenger car, the engine management system (ems) is an electronically controlled system that uses an engine computer (the electronic control. 2 ecu basics the engine control unit is used to control the operation of internal combustion engines. These units are the maximum ease of use and highest density on your control panel. The ecu is an electronic engine. Ecu Engine Control Unit Pdf.
From www.cmdengine.com
ECU Engine Control Unit CMD Engine Ecu Engine Control Unit Pdf Mtu has named the current. The ecu is an electronic engine control unit that is responsible for the monitoring and control of all engine functions. These units are the maximum ease of use and highest density on your control panel. Typically this involves the control. In a passenger car, the engine management system (ems) is an electronically controlled system that. Ecu Engine Control Unit Pdf.
From diagramlibrarycroquet.z21.web.core.windows.net
Ecm Motor Control Module Ecu Engine Control Unit Pdf The ecu is an electronic engine control unit that is responsible for the monitoring and control of all engine functions. In a passenger car, the engine management system (ems) is an electronically controlled system that uses an engine computer (the electronic control. Mtu has named the current. Typically this involves the control. These units are the maximum ease of use. Ecu Engine Control Unit Pdf.
From www.warrnambooloffroad.com.au
ARMAX PERFORMANCE ECU (Engine Control Unit) Warrnambool Offroad Ecu Engine Control Unit Pdf Mtu has named the current. These units are the maximum ease of use and highest density on your control panel. In a passenger car, the engine management system (ems) is an electronically controlled system that uses an engine computer (the electronic control. 2 ecu basics the engine control unit is used to control the operation of internal combustion engines. Typically. Ecu Engine Control Unit Pdf.
From www.slideserve.com
PPT ECU, Engine Control Unit PowerPoint Presentation, free download Ecu Engine Control Unit Pdf The ecu is an electronic engine control unit that is responsible for the monitoring and control of all engine functions. 2 ecu basics the engine control unit is used to control the operation of internal combustion engines. In a passenger car, the engine management system (ems) is an electronically controlled system that uses an engine computer (the electronic control. These. Ecu Engine Control Unit Pdf.
From powersystems.kohlerenergy.com
Engine Control Unit (ECU) Industrial Accessories KOHLER Ecu Engine Control Unit Pdf 2 ecu basics the engine control unit is used to control the operation of internal combustion engines. In a passenger car, the engine management system (ems) is an electronically controlled system that uses an engine computer (the electronic control. The ecu is an electronic engine control unit that is responsible for the monitoring and control of all engine functions. Mtu. Ecu Engine Control Unit Pdf.
From formulapedia.com
The Engine Control Unit (ECU) in Formula 1 Racing Formulapedia Ecu Engine Control Unit Pdf Mtu has named the current. Typically this involves the control. In a passenger car, the engine management system (ems) is an electronically controlled system that uses an engine computer (the electronic control. 2 ecu basics the engine control unit is used to control the operation of internal combustion engines. The ecu is an electronic engine control unit that is responsible. Ecu Engine Control Unit Pdf.
From innovationdiscoveries.space
What’s an Engine Control Module (ECM)? Ecu Engine Control Unit Pdf These units are the maximum ease of use and highest density on your control panel. 2 ecu basics the engine control unit is used to control the operation of internal combustion engines. Mtu has named the current. In a passenger car, the engine management system (ems) is an electronically controlled system that uses an engine computer (the electronic control. Typically. Ecu Engine Control Unit Pdf.
From www.worldecu.com
ECU Engine control unit FORD S180133050C, BV6112A650DGB Ecu Engine Control Unit Pdf Typically this involves the control. 2 ecu basics the engine control unit is used to control the operation of internal combustion engines. The ecu is an electronic engine control unit that is responsible for the monitoring and control of all engine functions. In a passenger car, the engine management system (ems) is an electronically controlled system that uses an engine. Ecu Engine Control Unit Pdf.
From gomechanic.in
What Is An ECU? Electronic Control Unit (ECU) Explained Ecu Engine Control Unit Pdf These units are the maximum ease of use and highest density on your control panel. The ecu is an electronic engine control unit that is responsible for the monitoring and control of all engine functions. In a passenger car, the engine management system (ems) is an electronically controlled system that uses an engine computer (the electronic control. Mtu has named. Ecu Engine Control Unit Pdf.
From www.youtube.com
How Engine Control Unit (ECU) Works Full Explained YouTube Ecu Engine Control Unit Pdf 2 ecu basics the engine control unit is used to control the operation of internal combustion engines. In a passenger car, the engine management system (ems) is an electronically controlled system that uses an engine computer (the electronic control. Mtu has named the current. Typically this involves the control. The ecu is an electronic engine control unit that is responsible. Ecu Engine Control Unit Pdf.
From innovationdiscoveries.space
What’s an Engine Control Module (ECM)? Ecu Engine Control Unit Pdf Mtu has named the current. The ecu is an electronic engine control unit that is responsible for the monitoring and control of all engine functions. 2 ecu basics the engine control unit is used to control the operation of internal combustion engines. These units are the maximum ease of use and highest density on your control panel. In a passenger. Ecu Engine Control Unit Pdf.
From enginediagrambozo.z21.web.core.windows.net
Car Ecu Circuit Diagram Ecu Engine Control Unit Pdf In a passenger car, the engine management system (ems) is an electronically controlled system that uses an engine computer (the electronic control. Mtu has named the current. 2 ecu basics the engine control unit is used to control the operation of internal combustion engines. The ecu is an electronic engine control unit that is responsible for the monitoring and control. Ecu Engine Control Unit Pdf.
From id.scribd.com
Pengenalan ECU (Engine Control Unit) PDF Ecu Engine Control Unit Pdf Mtu has named the current. In a passenger car, the engine management system (ems) is an electronically controlled system that uses an engine computer (the electronic control. 2 ecu basics the engine control unit is used to control the operation of internal combustion engines. The ecu is an electronic engine control unit that is responsible for the monitoring and control. Ecu Engine Control Unit Pdf.
From www.rschiptuning.com
ECU (Engine Control Unit) Ecu Engine Control Unit Pdf In a passenger car, the engine management system (ems) is an electronically controlled system that uses an engine computer (the electronic control. Typically this involves the control. Mtu has named the current. The ecu is an electronic engine control unit that is responsible for the monitoring and control of all engine functions. 2 ecu basics the engine control unit is. Ecu Engine Control Unit Pdf.
From www.scribd.com
ECU Engine Control Unit Diagnostic Trouble Codes 2 (6135 JD Control Ecu Engine Control Unit Pdf Mtu has named the current. In a passenger car, the engine management system (ems) is an electronically controlled system that uses an engine computer (the electronic control. These units are the maximum ease of use and highest density on your control panel. Typically this involves the control. 2 ecu basics the engine control unit is used to control the operation. Ecu Engine Control Unit Pdf.
From www.scribd.com
ECU Engine Control Unit Diagnostic Trouble Codes (6135 JD Control Ecu Engine Control Unit Pdf These units are the maximum ease of use and highest density on your control panel. The ecu is an electronic engine control unit that is responsible for the monitoring and control of all engine functions. In a passenger car, the engine management system (ems) is an electronically controlled system that uses an engine computer (the electronic control. Mtu has named. Ecu Engine Control Unit Pdf.
From mijnchiptuning.nl
Wat is een ECU en wat doet een ECU in uw auto of scooter? Ecu Engine Control Unit Pdf In a passenger car, the engine management system (ems) is an electronically controlled system that uses an engine computer (the electronic control. 2 ecu basics the engine control unit is used to control the operation of internal combustion engines. Typically this involves the control. These units are the maximum ease of use and highest density on your control panel. Mtu. Ecu Engine Control Unit Pdf.