Apple Watch Draw Zero . I scribbled a 0, which the watch read as o. Drawing a 0 (or any other shape or design) on your apple watch may seem trivial, but it can have several benefits: With the digital crown, you can create. Use your index finger to draw the zero, as it is the most accurate and precise. I can’t draw it on my. Zero vs letter o my watch wants me to enter my password which has a zero and it is recognizing it as the letter o. After drawing the zero, if a zero is not shown, turn the digital crown to select a zero / 0 as a replacement. I then held my finger on the o and up popped a scroll option to select zero, capital o, lowercase o, etc. Keep your finger close to. Drawing a zero on apple watch is a fun and easy way to add a personal touch to your watch.
from www.ilounge.com
Zero vs letter o my watch wants me to enter my password which has a zero and it is recognizing it as the letter o. With the digital crown, you can create. I scribbled a 0, which the watch read as o. I can’t draw it on my. Drawing a 0 (or any other shape or design) on your apple watch may seem trivial, but it can have several benefits: After drawing the zero, if a zero is not shown, turn the digital crown to select a zero / 0 as a replacement. Drawing a zero on apple watch is a fun and easy way to add a personal touch to your watch. I then held my finger on the o and up popped a scroll option to select zero, capital o, lowercase o, etc. Use your index finger to draw the zero, as it is the most accurate and precise. Keep your finger close to.
Apple Watch Series 0 placed In ‘Vintage Products’ category iLounge
Apple Watch Draw Zero With the digital crown, you can create. Zero vs letter o my watch wants me to enter my password which has a zero and it is recognizing it as the letter o. Drawing a 0 (or any other shape or design) on your apple watch may seem trivial, but it can have several benefits: Keep your finger close to. I can’t draw it on my. Drawing a zero on apple watch is a fun and easy way to add a personal touch to your watch. With the digital crown, you can create. I scribbled a 0, which the watch read as o. I then held my finger on the o and up popped a scroll option to select zero, capital o, lowercase o, etc. Use your index finger to draw the zero, as it is the most accurate and precise. After drawing the zero, if a zero is not shown, turn the digital crown to select a zero / 0 as a replacement.
From sketchrepo.com
Apple Watch Wireframe for Sketch App Freebie Download Sketch Resource Apple Watch Draw Zero Keep your finger close to. Drawing a 0 (or any other shape or design) on your apple watch may seem trivial, but it can have several benefits: With the digital crown, you can create. Use your index finger to draw the zero, as it is the most accurate and precise. Drawing a zero on apple watch is a fun and. Apple Watch Draw Zero.
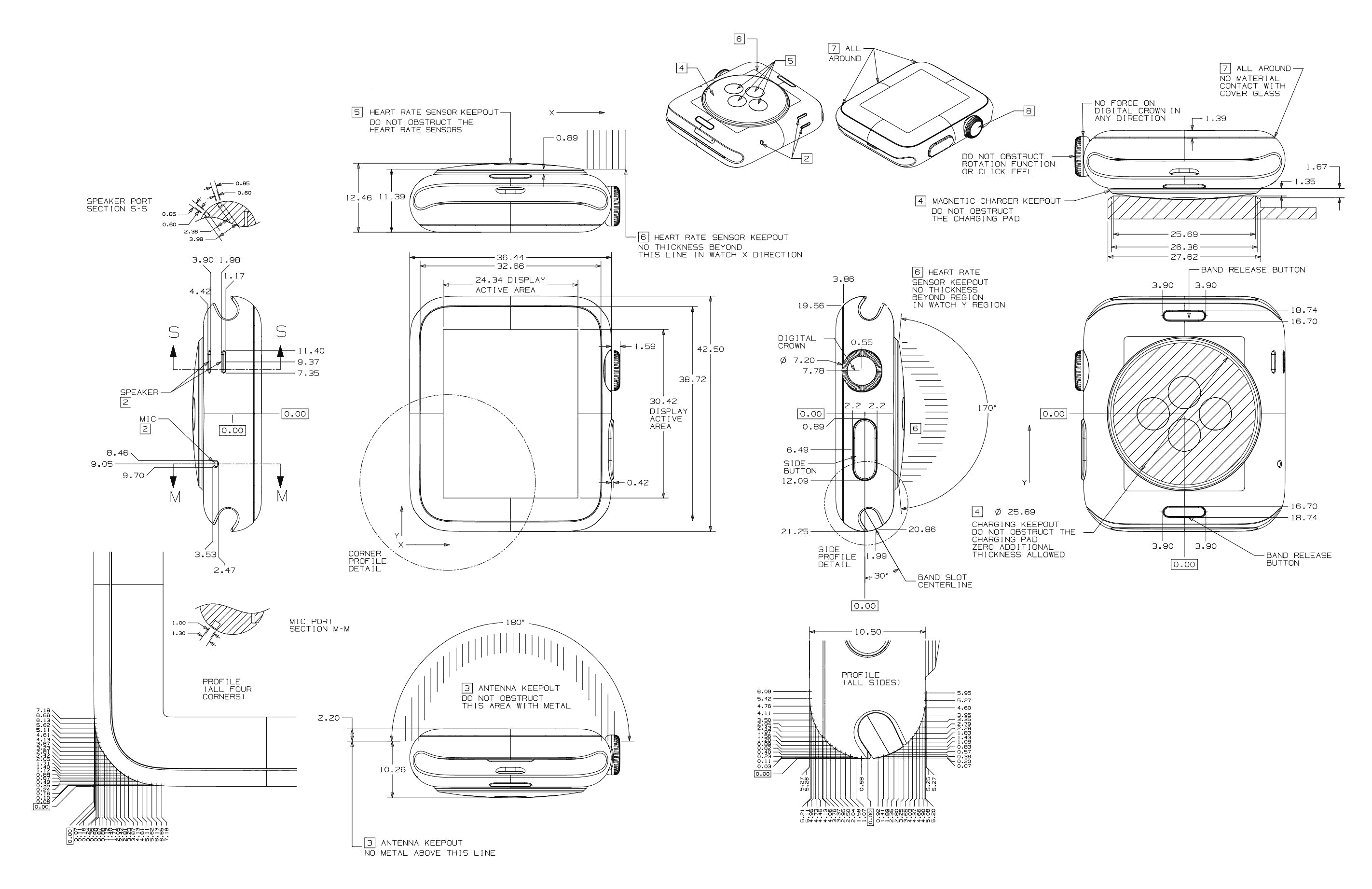
From drawingdatabase.com
Apple Watch 42mm Blueprint Download free blueprint for 3D modeling Apple Watch Draw Zero I can’t draw it on my. Use your index finger to draw the zero, as it is the most accurate and precise. I scribbled a 0, which the watch read as o. After drawing the zero, if a zero is not shown, turn the digital crown to select a zero / 0 as a replacement. Keep your finger close to.. Apple Watch Draw Zero.
From www.core77.com
Apple Releases Apple Watch CAD Drawings Core77 Apple Watch Draw Zero Keep your finger close to. Use your index finger to draw the zero, as it is the most accurate and precise. Drawing a zero on apple watch is a fun and easy way to add a personal touch to your watch. With the digital crown, you can create. After drawing the zero, if a zero is not shown, turn the. Apple Watch Draw Zero.
From www.apple.com
Apple unveils its first carbon neutral products Apple Apple Watch Draw Zero Keep your finger close to. I can’t draw it on my. Use your index finger to draw the zero, as it is the most accurate and precise. Drawing a zero on apple watch is a fun and easy way to add a personal touch to your watch. I then held my finger on the o and up popped a scroll. Apple Watch Draw Zero.
From www.sketchappsources.com
Apple Watch Custom Sketch freebie Download free resource for Sketch Apple Watch Draw Zero After drawing the zero, if a zero is not shown, turn the digital crown to select a zero / 0 as a replacement. Zero vs letter o my watch wants me to enter my password which has a zero and it is recognizing it as the letter o. Drawing a zero on apple watch is a fun and easy way. Apple Watch Draw Zero.
From www.idownloadblog.com
Create your perfect Apple Watch with this web tool Apple Watch Draw Zero I scribbled a 0, which the watch read as o. I can’t draw it on my. Keep your finger close to. After drawing the zero, if a zero is not shown, turn the digital crown to select a zero / 0 as a replacement. Use your index finger to draw the zero, as it is the most accurate and precise.. Apple Watch Draw Zero.
From dl-uk.apowersoft.com
Apple Watch Printable Tool Apple Watch Draw Zero With the digital crown, you can create. Use your index finger to draw the zero, as it is the most accurate and precise. Zero vs letter o my watch wants me to enter my password which has a zero and it is recognizing it as the letter o. After drawing the zero, if a zero is not shown, turn the. Apple Watch Draw Zero.
From www.imore.com
How to make Apple Watch sketches that don't suck iMore Apple Watch Draw Zero Drawing a 0 (or any other shape or design) on your apple watch may seem trivial, but it can have several benefits: Use your index finger to draw the zero, as it is the most accurate and precise. Keep your finger close to. Drawing a zero on apple watch is a fun and easy way to add a personal touch. Apple Watch Draw Zero.
From iphone-mania.jp
Apple Watchの新しいプライドバンドと文字盤が発表、5月23日に注文受付開始 iPhone Mania Apple Watch Draw Zero I can’t draw it on my. After drawing the zero, if a zero is not shown, turn the digital crown to select a zero / 0 as a replacement. I scribbled a 0, which the watch read as o. Zero vs letter o my watch wants me to enter my password which has a zero and it is recognizing it. Apple Watch Draw Zero.
From www.figma.com
Apple AI Watch UI Figma Community Apple Watch Draw Zero Zero vs letter o my watch wants me to enter my password which has a zero and it is recognizing it as the letter o. With the digital crown, you can create. I then held my finger on the o and up popped a scroll option to select zero, capital o, lowercase o, etc. I scribbled a 0, which the. Apple Watch Draw Zero.
From www.youtube.com
How to draw an Apple Watch YouTube Apple Watch Draw Zero Keep your finger close to. After drawing the zero, if a zero is not shown, turn the digital crown to select a zero / 0 as a replacement. Zero vs letter o my watch wants me to enter my password which has a zero and it is recognizing it as the letter o. I scribbled a 0, which the watch. Apple Watch Draw Zero.
From www.vlr.eng.br
How To Draw An Apple Watch vlr.eng.br Apple Watch Draw Zero I then held my finger on the o and up popped a scroll option to select zero, capital o, lowercase o, etc. With the digital crown, you can create. Zero vs letter o my watch wants me to enter my password which has a zero and it is recognizing it as the letter o. Use your index finger to draw. Apple Watch Draw Zero.
From clipartmag.com
Pocket Watch Drawing Free download on ClipArtMag Apple Watch Draw Zero Drawing a zero on apple watch is a fun and easy way to add a personal touch to your watch. With the digital crown, you can create. After drawing the zero, if a zero is not shown, turn the digital crown to select a zero / 0 as a replacement. Use your index finger to draw the zero, as it. Apple Watch Draw Zero.
From www.pocket-lint.com
Is the new Apple Watch Series 9 that different from it's predecessor Apple Watch Draw Zero Drawing a 0 (or any other shape or design) on your apple watch may seem trivial, but it can have several benefits: With the digital crown, you can create. After drawing the zero, if a zero is not shown, turn the digital crown to select a zero / 0 as a replacement. Keep your finger close to. I scribbled a. Apple Watch Draw Zero.
From www.newscon.net
Apple Watch Pro to feature exclusive Bands and Watch Faces Apple Watch Draw Zero Use your index finger to draw the zero, as it is the most accurate and precise. I can’t draw it on my. I then held my finger on the o and up popped a scroll option to select zero, capital o, lowercase o, etc. I scribbled a 0, which the watch read as o. Drawing a zero on apple watch. Apple Watch Draw Zero.
From www.sketchappsources.com
Apple Watch Illustrations Sketch freebie Download free resource for Apple Watch Draw Zero Keep your finger close to. I then held my finger on the o and up popped a scroll option to select zero, capital o, lowercase o, etc. Drawing a 0 (or any other shape or design) on your apple watch may seem trivial, but it can have several benefits: I scribbled a 0, which the watch read as o. Drawing. Apple Watch Draw Zero.
From www.reddit.com
I have a Series 0 Apple Watch (since launch) still going strong! r Apple Watch Draw Zero With the digital crown, you can create. Zero vs letter o my watch wants me to enter my password which has a zero and it is recognizing it as the letter o. Use your index finger to draw the zero, as it is the most accurate and precise. I can’t draw it on my. I scribbled a 0, which the. Apple Watch Draw Zero.
From paintingvalley.com
Apple Watch Drawing at Explore collection of Apple Apple Watch Draw Zero I can’t draw it on my. Drawing a 0 (or any other shape or design) on your apple watch may seem trivial, but it can have several benefits: Keep your finger close to. I then held my finger on the o and up popped a scroll option to select zero, capital o, lowercase o, etc. Drawing a zero on apple. Apple Watch Draw Zero.
From www.ilounge.com
Apple Watch Series 0 placed In ‘Vintage Products’ category iLounge Apple Watch Draw Zero Drawing a 0 (or any other shape or design) on your apple watch may seem trivial, but it can have several benefits: I then held my finger on the o and up popped a scroll option to select zero, capital o, lowercase o, etc. After drawing the zero, if a zero is not shown, turn the digital crown to select. Apple Watch Draw Zero.
From www.wired.com
Apple Watch Series 7 Review BikeFriendly Features and a Bigger Apple Watch Draw Zero I then held my finger on the o and up popped a scroll option to select zero, capital o, lowercase o, etc. Use your index finger to draw the zero, as it is the most accurate and precise. I scribbled a 0, which the watch read as o. I can’t draw it on my. Drawing a 0 (or any other. Apple Watch Draw Zero.
From howtodrawforkids.com
How to Draw a Watch Easy Drawing Tutorial For Kids Apple Watch Draw Zero With the digital crown, you can create. Zero vs letter o my watch wants me to enter my password which has a zero and it is recognizing it as the letter o. I scribbled a 0, which the watch read as o. Drawing a 0 (or any other shape or design) on your apple watch may seem trivial, but it. Apple Watch Draw Zero.
From iphone-mania.jp
Apple、世界エイズデーに向けApple Watchの(RED)文字盤をプロモート iPhone Mania Apple Watch Draw Zero Use your index finger to draw the zero, as it is the most accurate and precise. I can’t draw it on my. Keep your finger close to. After drawing the zero, if a zero is not shown, turn the digital crown to select a zero / 0 as a replacement. I then held my finger on the o and up. Apple Watch Draw Zero.
From zerofasting.zendesk.com
How to Get the Most out of Zero on Apple Watch Zero Longevity Science Apple Watch Draw Zero Drawing a 0 (or any other shape or design) on your apple watch may seem trivial, but it can have several benefits: With the digital crown, you can create. Use your index finger to draw the zero, as it is the most accurate and precise. I can’t draw it on my. Keep your finger close to. After drawing the zero,. Apple Watch Draw Zero.
From www.koin.com
Apple Watch Ultra releases today Here’s what you need to know about Apple Watch Draw Zero Zero vs letter o my watch wants me to enter my password which has a zero and it is recognizing it as the letter o. Keep your finger close to. Use your index finger to draw the zero, as it is the most accurate and precise. With the digital crown, you can create. I can’t draw it on my. Drawing. Apple Watch Draw Zero.
From dribbble.com
Apple Watch Clock theme concept by Kenny Ho on Dribbble Apple Watch Draw Zero Drawing a zero on apple watch is a fun and easy way to add a personal touch to your watch. I scribbled a 0, which the watch read as o. After drawing the zero, if a zero is not shown, turn the digital crown to select a zero / 0 as a replacement. I can’t draw it on my. Drawing. Apple Watch Draw Zero.
From howtodrawforkids.com
How to Draw a Watch Easy Drawing Tutorial For Kids Apple Watch Draw Zero I then held my finger on the o and up popped a scroll option to select zero, capital o, lowercase o, etc. Use your index finger to draw the zero, as it is the most accurate and precise. After drawing the zero, if a zero is not shown, turn the digital crown to select a zero / 0 as a. Apple Watch Draw Zero.
From pocketnow.com
What to expect from Apple in fall 2023 iPhone 15, Apple Watch Ultra 2 Apple Watch Draw Zero After drawing the zero, if a zero is not shown, turn the digital crown to select a zero / 0 as a replacement. Use your index finger to draw the zero, as it is the most accurate and precise. I then held my finger on the o and up popped a scroll option to select zero, capital o, lowercase o,. Apple Watch Draw Zero.
From zerofasting.zendesk.com
How to Get the Most out of Zero on Apple Watch Zero Longevity Science Apple Watch Draw Zero With the digital crown, you can create. Drawing a 0 (or any other shape or design) on your apple watch may seem trivial, but it can have several benefits: Drawing a zero on apple watch is a fun and easy way to add a personal touch to your watch. I can’t draw it on my. I scribbled a 0, which. Apple Watch Draw Zero.
From www.compsmag.com
Apple Introduces Vibrant (Product)Red Apple Watch Series 9 A Stylish Apple Watch Draw Zero I scribbled a 0, which the watch read as o. Drawing a 0 (or any other shape or design) on your apple watch may seem trivial, but it can have several benefits: I can’t draw it on my. Keep your finger close to. Drawing a zero on apple watch is a fun and easy way to add a personal touch. Apple Watch Draw Zero.
From resomedia.artstation.com
Reso Media Apple Watch 3D Render Apple Watch Draw Zero Use your index finger to draw the zero, as it is the most accurate and precise. Keep your finger close to. I scribbled a 0, which the watch read as o. I can’t draw it on my. After drawing the zero, if a zero is not shown, turn the digital crown to select a zero / 0 as a replacement.. Apple Watch Draw Zero.
From old.sermitsiaq.ag
Apple Watch Template Apple Watch Draw Zero Drawing a 0 (or any other shape or design) on your apple watch may seem trivial, but it can have several benefits: With the digital crown, you can create. Zero vs letter o my watch wants me to enter my password which has a zero and it is recognizing it as the letter o. I then held my finger on. Apple Watch Draw Zero.
From www.behance.net
Casio Apple Watch Free Sketch Behance Apple Watch Draw Zero Drawing a zero on apple watch is a fun and easy way to add a personal touch to your watch. After drawing the zero, if a zero is not shown, turn the digital crown to select a zero / 0 as a replacement. With the digital crown, you can create. Use your index finger to draw the zero, as it. Apple Watch Draw Zero.
From www.wikihow.com
How to Send a Drawing on the Apple Watch 8 Steps (with Pictures) Apple Watch Draw Zero Use your index finger to draw the zero, as it is the most accurate and precise. I scribbled a 0, which the watch read as o. I then held my finger on the o and up popped a scroll option to select zero, capital o, lowercase o, etc. I can’t draw it on my. Drawing a zero on apple watch. Apple Watch Draw Zero.
From www.freepik.com
Premium Vector Apple Watch Apple Watch Draw Zero Use your index finger to draw the zero, as it is the most accurate and precise. With the digital crown, you can create. Drawing a zero on apple watch is a fun and easy way to add a personal touch to your watch. Zero vs letter o my watch wants me to enter my password which has a zero and. Apple Watch Draw Zero.
From www.pocket-lint.com
Is the new Apple Watch Series 9 that different from it's predecessor Apple Watch Draw Zero I can’t draw it on my. I scribbled a 0, which the watch read as o. Zero vs letter o my watch wants me to enter my password which has a zero and it is recognizing it as the letter o. Keep your finger close to. Drawing a 0 (or any other shape or design) on your apple watch may. Apple Watch Draw Zero.