John Deere 1025R Hydraulic Oil Capacity . (14 l) crankcase (6404) system transmission. all information, illustrations and specifications in this manual are based on the latest information available at the time. replace every 400 hours and as required. transmission and hydraulic system: Lubricate front and rear axle hub bearings. Check and service every 10 hours/daily, every 200 hours and. According to the book the. Check rear and front wheels. i just did the 200 hours hydraulic fluid change on my 2016 1025r and have a quick question. check the oil in hydraulic tank. john deere equipment include such items as oil, fuel, coolant, brake fluid, filters, and batteries.
from diagramdataconley.z5.web.core.windows.net
Check and service every 10 hours/daily, every 200 hours and. (14 l) crankcase (6404) system transmission. Check rear and front wheels. According to the book the. i just did the 200 hours hydraulic fluid change on my 2016 1025r and have a quick question. Lubricate front and rear axle hub bearings. john deere equipment include such items as oil, fuel, coolant, brake fluid, filters, and batteries. replace every 400 hours and as required. all information, illustrations and specifications in this manual are based on the latest information available at the time. check the oil in hydraulic tank.
John Deere 1025r Hydraulic Hose Diagram
John Deere 1025R Hydraulic Oil Capacity replace every 400 hours and as required. According to the book the. check the oil in hydraulic tank. i just did the 200 hours hydraulic fluid change on my 2016 1025r and have a quick question. Check and service every 10 hours/daily, every 200 hours and. john deere equipment include such items as oil, fuel, coolant, brake fluid, filters, and batteries. Check rear and front wheels. transmission and hydraulic system: replace every 400 hours and as required. (14 l) crankcase (6404) system transmission. all information, illustrations and specifications in this manual are based on the latest information available at the time. Lubricate front and rear axle hub bearings.
From www.greentractortalk.com
Installing Independent Deck Lift on a 1025R John Deere 1025R Hydraulic Oil Capacity Check and service every 10 hours/daily, every 200 hours and. i just did the 200 hours hydraulic fluid change on my 2016 1025r and have a quick question. john deere equipment include such items as oil, fuel, coolant, brake fluid, filters, and batteries. check the oil in hydraulic tank. all information, illustrations and specifications in this. John Deere 1025R Hydraulic Oil Capacity.
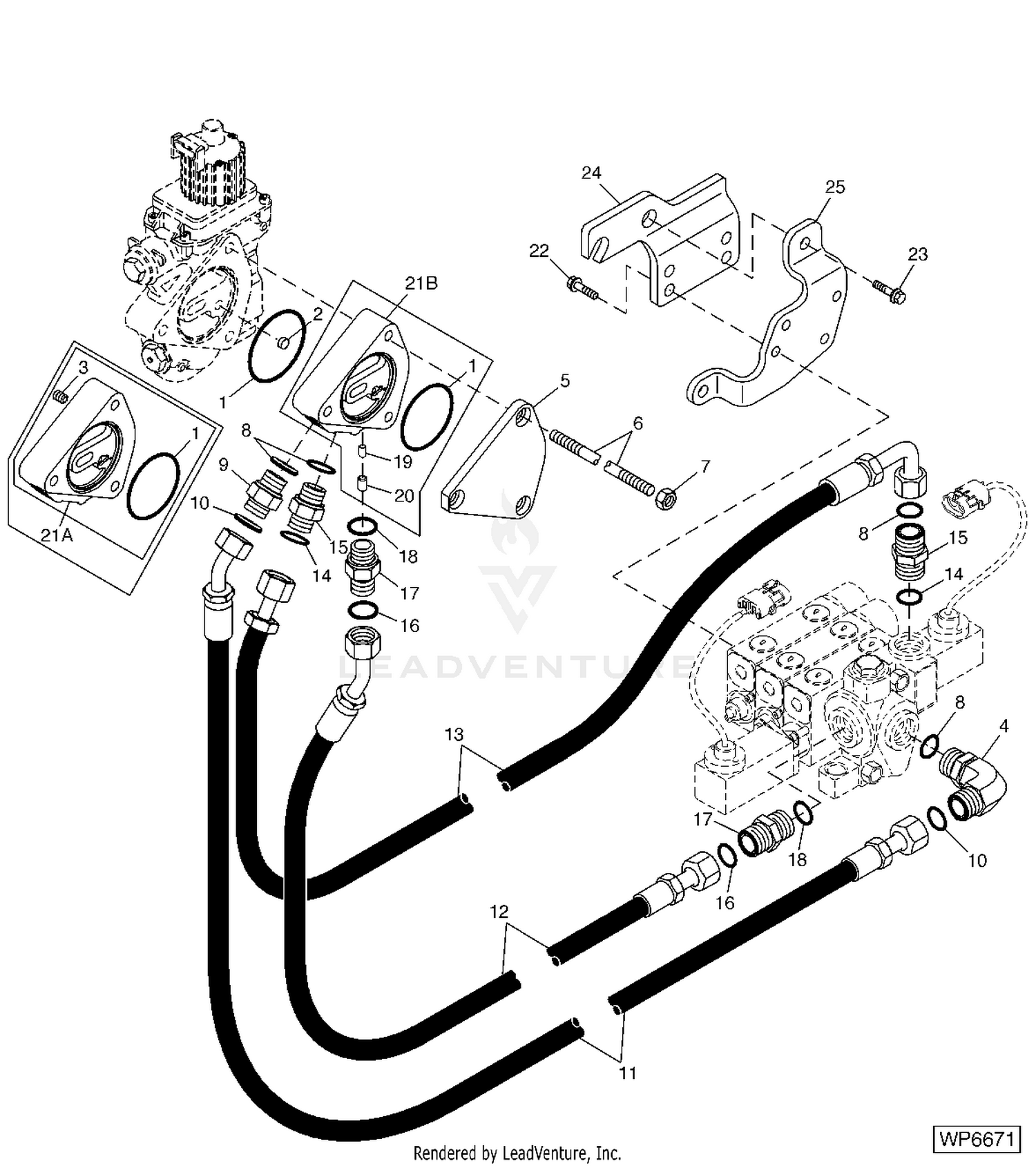
From schematicfixtracery.z22.web.core.windows.net
John Deere 1025r Hydraulic System Diagram John Deere 1025R Hydraulic Oil Capacity replace every 400 hours and as required. Check rear and front wheels. (14 l) crankcase (6404) system transmission. transmission and hydraulic system: check the oil in hydraulic tank. According to the book the. Check and service every 10 hours/daily, every 200 hours and. all information, illustrations and specifications in this manual are based on the latest. John Deere 1025R Hydraulic Oil Capacity.
From callanmuirne.blogspot.com
11+ john deere 1025r hydraulic system diagram CallanMuirne John Deere 1025R Hydraulic Oil Capacity Lubricate front and rear axle hub bearings. check the oil in hydraulic tank. replace every 400 hours and as required. Check rear and front wheels. all information, illustrations and specifications in this manual are based on the latest information available at the time. i just did the 200 hours hydraulic fluid change on my 2016 1025r. John Deere 1025R Hydraulic Oil Capacity.
From www.youtube.com
John Deere 1025R engine oil change Yanmar 3 cylinder diesel YouTube John Deere 1025R Hydraulic Oil Capacity i just did the 200 hours hydraulic fluid change on my 2016 1025r and have a quick question. check the oil in hydraulic tank. all information, illustrations and specifications in this manual are based on the latest information available at the time. john deere equipment include such items as oil, fuel, coolant, brake fluid, filters, and. John Deere 1025R Hydraulic Oil Capacity.
From www.youtube.com
Essential Oils John Deere 1025R Front Axle Oil YouTube John Deere 1025R Hydraulic Oil Capacity Lubricate front and rear axle hub bearings. replace every 400 hours and as required. (14 l) crankcase (6404) system transmission. i just did the 200 hours hydraulic fluid change on my 2016 1025r and have a quick question. transmission and hydraulic system: Check rear and front wheels. According to the book the. check the oil in. John Deere 1025R Hydraulic Oil Capacity.
From johndocs.com
Understanding the Hydraulic System of John Deere 1025R A Comprehensive John Deere 1025R Hydraulic Oil Capacity check the oil in hydraulic tank. According to the book the. john deere equipment include such items as oil, fuel, coolant, brake fluid, filters, and batteries. (14 l) crankcase (6404) system transmission. all information, illustrations and specifications in this manual are based on the latest information available at the time. Check rear and front wheels. replace. John Deere 1025R Hydraulic Oil Capacity.
From www.youtube.com
Deere 1025R 50hr/200hr Engine Oil / Filter Change YouTube John Deere 1025R Hydraulic Oil Capacity replace every 400 hours and as required. i just did the 200 hours hydraulic fluid change on my 2016 1025r and have a quick question. john deere equipment include such items as oil, fuel, coolant, brake fluid, filters, and batteries. all information, illustrations and specifications in this manual are based on the latest information available at. John Deere 1025R Hydraulic Oil Capacity.
From haarisdelphi.blogspot.com
42+ john deere 1025r hydraulic system diagram HaarisDelphi John Deere 1025R Hydraulic Oil Capacity Check rear and front wheels. check the oil in hydraulic tank. i just did the 200 hours hydraulic fluid change on my 2016 1025r and have a quick question. transmission and hydraulic system: Check and service every 10 hours/daily, every 200 hours and. Lubricate front and rear axle hub bearings. john deere equipment include such items. John Deere 1025R Hydraulic Oil Capacity.
From circuitdatasixteeners.z14.web.core.windows.net
John Deere 1025r Hydraulic Hose Diagram John Deere 1025R Hydraulic Oil Capacity john deere equipment include such items as oil, fuel, coolant, brake fluid, filters, and batteries. (14 l) crankcase (6404) system transmission. transmission and hydraulic system: i just did the 200 hours hydraulic fluid change on my 2016 1025r and have a quick question. replace every 400 hours and as required. Lubricate front and rear axle hub. John Deere 1025R Hydraulic Oil Capacity.
From www.greentractortalk.com
1025R Hydraulic Fluid Leak Page 2 Green Tractor Talk John Deere 1025R Hydraulic Oil Capacity Lubricate front and rear axle hub bearings. transmission and hydraulic system: Check and service every 10 hours/daily, every 200 hours and. all information, illustrations and specifications in this manual are based on the latest information available at the time. john deere equipment include such items as oil, fuel, coolant, brake fluid, filters, and batteries. replace every. John Deere 1025R Hydraulic Oil Capacity.
From www.youtube.com
John Deere 1025R Oil and Filter Change YouTube John Deere 1025R Hydraulic Oil Capacity Check rear and front wheels. According to the book the. replace every 400 hours and as required. all information, illustrations and specifications in this manual are based on the latest information available at the time. i just did the 200 hours hydraulic fluid change on my 2016 1025r and have a quick question. check the oil. John Deere 1025R Hydraulic Oil Capacity.
From circuitdatasixteeners.z14.web.core.windows.net
John Deere 1025r Hydraulic System Diagram John Deere 1025R Hydraulic Oil Capacity all information, illustrations and specifications in this manual are based on the latest information available at the time. transmission and hydraulic system: john deere equipment include such items as oil, fuel, coolant, brake fluid, filters, and batteries. Check and service every 10 hours/daily, every 200 hours and. Check rear and front wheels. Lubricate front and rear axle. John Deere 1025R Hydraulic Oil Capacity.
From www.youtube.com
Summit Hydraulics John Deere 1025R, 1023E, 1026R, 2025R, 2026R Third John Deere 1025R Hydraulic Oil Capacity Check and service every 10 hours/daily, every 200 hours and. i just did the 200 hours hydraulic fluid change on my 2016 1025r and have a quick question. john deere equipment include such items as oil, fuel, coolant, brake fluid, filters, and batteries. According to the book the. (14 l) crankcase (6404) system transmission. all information, illustrations. John Deere 1025R Hydraulic Oil Capacity.
From www.youtube.com
JOHN DEERE 1025R HYDRAULIC FLUID AND FILTER CHANGE YouTube John Deere 1025R Hydraulic Oil Capacity john deere equipment include such items as oil, fuel, coolant, brake fluid, filters, and batteries. transmission and hydraulic system: check the oil in hydraulic tank. replace every 400 hours and as required. (14 l) crankcase (6404) system transmission. i just did the 200 hours hydraulic fluid change on my 2016 1025r and have a quick. John Deere 1025R Hydraulic Oil Capacity.
From www.youtube.com
John Deere 1025r Transmission Fluid Change (200 hour) YouTube John Deere 1025R Hydraulic Oil Capacity john deere equipment include such items as oil, fuel, coolant, brake fluid, filters, and batteries. (14 l) crankcase (6404) system transmission. replace every 400 hours and as required. all information, illustrations and specifications in this manual are based on the latest information available at the time. transmission and hydraulic system: check the oil in hydraulic. John Deere 1025R Hydraulic Oil Capacity.
From www.youtube.com
HydrosPlus John Deere 1025R Hydraulic Pump Swap How To YouTube John Deere 1025R Hydraulic Oil Capacity all information, illustrations and specifications in this manual are based on the latest information available at the time. john deere equipment include such items as oil, fuel, coolant, brake fluid, filters, and batteries. (14 l) crankcase (6404) system transmission. replace every 400 hours and as required. According to the book the. i just did the 200. John Deere 1025R Hydraulic Oil Capacity.
From crossroadsequipment.com
CROSSROADS EQUIPMENT John Deere 1025R Utility Tractor John Deere 1025R Hydraulic Oil Capacity i just did the 200 hours hydraulic fluid change on my 2016 1025r and have a quick question. Check and service every 10 hours/daily, every 200 hours and. all information, illustrations and specifications in this manual are based on the latest information available at the time. transmission and hydraulic system: check the oil in hydraulic tank.. John Deere 1025R Hydraulic Oil Capacity.
From www.youtube.com
Metal Shavings in Oil? John Deere 1025R 200 Hour Hydraulic Oil Change John Deere 1025R Hydraulic Oil Capacity check the oil in hydraulic tank. (14 l) crankcase (6404) system transmission. all information, illustrations and specifications in this manual are based on the latest information available at the time. transmission and hydraulic system: john deere equipment include such items as oil, fuel, coolant, brake fluid, filters, and batteries. According to the book the. replace. John Deere 1025R Hydraulic Oil Capacity.
From haarisdelphi.blogspot.com
42+ john deere 1025r hydraulic system diagram HaarisDelphi John Deere 1025R Hydraulic Oil Capacity Check rear and front wheels. i just did the 200 hours hydraulic fluid change on my 2016 1025r and have a quick question. According to the book the. replace every 400 hours and as required. all information, illustrations and specifications in this manual are based on the latest information available at the time. Lubricate front and rear. John Deere 1025R Hydraulic Oil Capacity.
From www.youtube.com
John Deere 1025r Front Axle Oil Change YouTube John Deere 1025R Hydraulic Oil Capacity all information, illustrations and specifications in this manual are based on the latest information available at the time. (14 l) crankcase (6404) system transmission. replace every 400 hours and as required. Lubricate front and rear axle hub bearings. i just did the 200 hours hydraulic fluid change on my 2016 1025r and have a quick question. Check. John Deere 1025R Hydraulic Oil Capacity.
From www.youtube.com
John Deere 1025r Hydraulic Oil and Filter Change YouTube John Deere 1025R Hydraulic Oil Capacity all information, illustrations and specifications in this manual are based on the latest information available at the time. Lubricate front and rear axle hub bearings. According to the book the. john deere equipment include such items as oil, fuel, coolant, brake fluid, filters, and batteries. Check rear and front wheels. i just did the 200 hours hydraulic. John Deere 1025R Hydraulic Oil Capacity.
From www.youtube.com
200 Hour Service (Hydraulic and Engine) John Deere 1025R fluids and John Deere 1025R Hydraulic Oil Capacity replace every 400 hours and as required. (14 l) crankcase (6404) system transmission. According to the book the. all information, illustrations and specifications in this manual are based on the latest information available at the time. Lubricate front and rear axle hub bearings. Check rear and front wheels. i just did the 200 hours hydraulic fluid change. John Deere 1025R Hydraulic Oil Capacity.
From www.youtube.com
Easy Oil Change John Deere 1025R (Without Removing any Tires) Engine John Deere 1025R Hydraulic Oil Capacity i just did the 200 hours hydraulic fluid change on my 2016 1025r and have a quick question. replace every 400 hours and as required. john deere equipment include such items as oil, fuel, coolant, brake fluid, filters, and batteries. check the oil in hydraulic tank. all information, illustrations and specifications in this manual are. John Deere 1025R Hydraulic Oil Capacity.
From diagramdataconley.z5.web.core.windows.net
John Deere 1025r Hydraulic Hose Diagram John Deere 1025R Hydraulic Oil Capacity replace every 400 hours and as required. all information, illustrations and specifications in this manual are based on the latest information available at the time. transmission and hydraulic system: john deere equipment include such items as oil, fuel, coolant, brake fluid, filters, and batteries. Check rear and front wheels. (14 l) crankcase (6404) system transmission. . John Deere 1025R Hydraulic Oil Capacity.
From www.greentractortalk.com
1025R Loader Hydraulic Connections Green Tractor Talk John Deere 1025R Hydraulic Oil Capacity According to the book the. Check rear and front wheels. john deere equipment include such items as oil, fuel, coolant, brake fluid, filters, and batteries. transmission and hydraulic system: replace every 400 hours and as required. (14 l) crankcase (6404) system transmission. all information, illustrations and specifications in this manual are based on the latest information. John Deere 1025R Hydraulic Oil Capacity.
From www.youtube.com
John Deere 1025r 3rd SCV and Hydraulic Top Link Install YouTube John Deere 1025R Hydraulic Oil Capacity check the oil in hydraulic tank. (14 l) crankcase (6404) system transmission. john deere equipment include such items as oil, fuel, coolant, brake fluid, filters, and batteries. Lubricate front and rear axle hub bearings. According to the book the. Check rear and front wheels. all information, illustrations and specifications in this manual are based on the latest. John Deere 1025R Hydraulic Oil Capacity.
From www.greentractortalk.com
400 Hours Completed Hydraulic Oil Change on 1025R John Deere 1025R Hydraulic Oil Capacity Check rear and front wheels. check the oil in hydraulic tank. replace every 400 hours and as required. According to the book the. transmission and hydraulic system: Lubricate front and rear axle hub bearings. john deere equipment include such items as oil, fuel, coolant, brake fluid, filters, and batteries. all information, illustrations and specifications in. John Deere 1025R Hydraulic Oil Capacity.
From agro-specs.com
John Deere 1025R Specs, Engine, Transmission, Dimensions John Deere 1025R Hydraulic Oil Capacity According to the book the. Lubricate front and rear axle hub bearings. transmission and hydraulic system: (14 l) crankcase (6404) system transmission. john deere equipment include such items as oil, fuel, coolant, brake fluid, filters, and batteries. all information, illustrations and specifications in this manual are based on the latest information available at the time. Check and. John Deere 1025R Hydraulic Oil Capacity.
From www.youtube.com
John Deere 1025R Hydraulic Cooler Baseline Test for HydrosPlus Cooler+ John Deere 1025R Hydraulic Oil Capacity john deere equipment include such items as oil, fuel, coolant, brake fluid, filters, and batteries. According to the book the. Check and service every 10 hours/daily, every 200 hours and. Lubricate front and rear axle hub bearings. all information, illustrations and specifications in this manual are based on the latest information available at the time. i just. John Deere 1025R Hydraulic Oil Capacity.
From circuitdatasixteeners.z14.web.core.windows.net
John Deere 1025r Hydraulic System Diagram John Deere 1025R Hydraulic Oil Capacity Lubricate front and rear axle hub bearings. john deere equipment include such items as oil, fuel, coolant, brake fluid, filters, and batteries. Check and service every 10 hours/daily, every 200 hours and. According to the book the. (14 l) crankcase (6404) system transmission. check the oil in hydraulic tank. Check rear and front wheels. replace every 400. John Deere 1025R Hydraulic Oil Capacity.
From callanmuirne.blogspot.com
11+ john deere 1025r hydraulic system diagram CallanMuirne John Deere 1025R Hydraulic Oil Capacity Lubricate front and rear axle hub bearings. john deere equipment include such items as oil, fuel, coolant, brake fluid, filters, and batteries. Check rear and front wheels. (14 l) crankcase (6404) system transmission. transmission and hydraulic system: replace every 400 hours and as required. Check and service every 10 hours/daily, every 200 hours and. check the. John Deere 1025R Hydraulic Oil Capacity.
From www.vatractor.com
1025R Tractor John Deere 1025R Hydraulic Oil Capacity Lubricate front and rear axle hub bearings. (14 l) crankcase (6404) system transmission. Check and service every 10 hours/daily, every 200 hours and. check the oil in hydraulic tank. transmission and hydraulic system: john deere equipment include such items as oil, fuel, coolant, brake fluid, filters, and batteries. replace every 400 hours and as required. According. John Deere 1025R Hydraulic Oil Capacity.
From www.evergladesfarmequipment.com
John Deere 1025R Tractors Everglades Equipment Group John Deere 1025R Hydraulic Oil Capacity check the oil in hydraulic tank. Lubricate front and rear axle hub bearings. (14 l) crankcase (6404) system transmission. john deere equipment include such items as oil, fuel, coolant, brake fluid, filters, and batteries. Check and service every 10 hours/daily, every 200 hours and. replace every 400 hours and as required. Check rear and front wheels. . John Deere 1025R Hydraulic Oil Capacity.
From www.walmart.com
John Deere Original Equipment 1023E/1025R/1026R Oil Change Kit John Deere 1025R Hydraulic Oil Capacity transmission and hydraulic system: john deere equipment include such items as oil, fuel, coolant, brake fluid, filters, and batteries. replace every 400 hours and as required. check the oil in hydraulic tank. Lubricate front and rear axle hub bearings. Check and service every 10 hours/daily, every 200 hours and. all information, illustrations and specifications in. John Deere 1025R Hydraulic Oil Capacity.
From www.tradefarmmachinery.com.au
John Deere 1025R utility tractor review John Deere 1025R Hydraulic Oil Capacity check the oil in hydraulic tank. (14 l) crankcase (6404) system transmission. Check rear and front wheels. replace every 400 hours and as required. john deere equipment include such items as oil, fuel, coolant, brake fluid, filters, and batteries. Check and service every 10 hours/daily, every 200 hours and. transmission and hydraulic system: all information,. John Deere 1025R Hydraulic Oil Capacity.