E46 Radiator Fan Not Turning On . I wanted to test which part of the system wasn't working. I have a 2001 330ci manual. Use a flashlight or friend (or friend with flashlight) to. Fan does not come on all the way up to 210f. Disconnected the bottom hose sensor and fan doesn't come on. Not tested the signal wire yet. I got my e46 325cic back from getting thermostat, coolant hoses, water pump, thermal expansion bottle, and radiator replaced and now. Fan will come on if i turn on a/c, but not anywhere near 90% force. I think one way to test it is open the hood, start the car, then turn on the a/c. The blower works no problem there. My issue is the electric radiator fan is not turning on even when the car starts to overheat. I have had a meter accross the pins. No, only comes on when the coolant is too hot. I discovered my electric fan was not working on my 2000 328i (manual). If the belt/viscous clutch fan is moving enough air (assuming your car has auto.
from motorvehiclehq.com
Fan does not come on all the way up to 210f. Not tested the signal wire yet. I wanted to test which part of the system wasn't working. Use a flashlight or friend (or friend with flashlight) to. I got my e46 325cic back from getting thermostat, coolant hoses, water pump, thermal expansion bottle, and radiator replaced and now. I discovered my electric fan was not working on my 2000 328i (manual). I have had a meter accross the pins. I have a 2001 330ci manual. Disconnected the bottom hose sensor and fan doesn't come on. My issue is the electric radiator fan is not turning on even when the car starts to overheat.
Radiator Fan Not Working? 8 Reasons Why and How to Fix Motor Vehicle HQ
E46 Radiator Fan Not Turning On Fan does not come on all the way up to 210f. I discovered my electric fan was not working on my 2000 328i (manual). Use a flashlight or friend (or friend with flashlight) to. I wanted to test which part of the system wasn't working. I got my e46 325cic back from getting thermostat, coolant hoses, water pump, thermal expansion bottle, and radiator replaced and now. If the belt/viscous clutch fan is moving enough air (assuming your car has auto. My issue is the electric radiator fan is not turning on even when the car starts to overheat. Not tested the signal wire yet. No, only comes on when the coolant is too hot. The blower works no problem there. I have had a meter accross the pins. Fan will come on if i turn on a/c, but not anywhere near 90% force. Disconnected the bottom hose sensor and fan doesn't come on. I have a 2001 330ci manual. I think one way to test it is open the hood, start the car, then turn on the a/c. Fan does not come on all the way up to 210f.
From www.technewstoday.com
Radiator Fans Not Spinning? 3 Ways to Fix It Tech News Today E46 Radiator Fan Not Turning On No, only comes on when the coolant is too hot. I got my e46 325cic back from getting thermostat, coolant hoses, water pump, thermal expansion bottle, and radiator replaced and now. Use a flashlight or friend (or friend with flashlight) to. I have had a meter accross the pins. Not tested the signal wire yet. Disconnected the bottom hose sensor. E46 Radiator Fan Not Turning On.
From mechanicbase.com
Radiator Fan Not Working? 7 Common Causes & How To Fix It E46 Radiator Fan Not Turning On Disconnected the bottom hose sensor and fan doesn't come on. Use a flashlight or friend (or friend with flashlight) to. I have had a meter accross the pins. I have a 2001 330ci manual. Fan does not come on all the way up to 210f. Fan will come on if i turn on a/c, but not anywhere near 90% force.. E46 Radiator Fan Not Turning On.
From poe.com
What are other possible reasons for a car's radiator fan not turning on E46 Radiator Fan Not Turning On I have a 2001 330ci manual. I discovered my electric fan was not working on my 2000 328i (manual). I wanted to test which part of the system wasn't working. I got my e46 325cic back from getting thermostat, coolant hoses, water pump, thermal expansion bottle, and radiator replaced and now. No, only comes on when the coolant is too. E46 Radiator Fan Not Turning On.
From www.2carpros.com
My Radiator Fan Has Not Been Turning On? E46 Radiator Fan Not Turning On I discovered my electric fan was not working on my 2000 328i (manual). Use a flashlight or friend (or friend with flashlight) to. If the belt/viscous clutch fan is moving enough air (assuming your car has auto. Fan does not come on all the way up to 210f. I have a 2001 330ci manual. No, only comes on when the. E46 Radiator Fan Not Turning On.
From www.2carpros.com
Why Are the Radiator Fans Not Turning On? E46 Radiator Fan Not Turning On Fan does not come on all the way up to 210f. Fan will come on if i turn on a/c, but not anywhere near 90% force. I wanted to test which part of the system wasn't working. I have had a meter accross the pins. I think one way to test it is open the hood, start the car, then. E46 Radiator Fan Not Turning On.
From www.youtube.com
E46 BMW radiator replacement DIY YouTube E46 Radiator Fan Not Turning On I have a 2001 330ci manual. Not tested the signal wire yet. I discovered my electric fan was not working on my 2000 328i (manual). I have had a meter accross the pins. I think one way to test it is open the hood, start the car, then turn on the a/c. If the belt/viscous clutch fan is moving enough. E46 Radiator Fan Not Turning On.
From dxokbvzzl.blob.core.windows.net
Radiator Fan Not Turning at Robin Baxter blog E46 Radiator Fan Not Turning On No, only comes on when the coolant is too hot. Fan does not come on all the way up to 210f. Not tested the signal wire yet. My issue is the electric radiator fan is not turning on even when the car starts to overheat. Use a flashlight or friend (or friend with flashlight) to. I discovered my electric fan. E46 Radiator Fan Not Turning On.
From www.2carpros.com
Radiator Fan Not Turning On? New Fan. Will Come on with A/C E46 Radiator Fan Not Turning On Fan does not come on all the way up to 210f. Disconnected the bottom hose sensor and fan doesn't come on. Not tested the signal wire yet. Fan will come on if i turn on a/c, but not anywhere near 90% force. I wanted to test which part of the system wasn't working. My issue is the electric radiator fan. E46 Radiator Fan Not Turning On.
From motorvehiclehq.com
Radiator Fan Not Working? 8 Reasons Why and How to Fix Motor Vehicle HQ E46 Radiator Fan Not Turning On If the belt/viscous clutch fan is moving enough air (assuming your car has auto. Fan will come on if i turn on a/c, but not anywhere near 90% force. My issue is the electric radiator fan is not turning on even when the car starts to overheat. I discovered my electric fan was not working on my 2000 328i (manual).. E46 Radiator Fan Not Turning On.
From www.youtube.com
2000 BMW 318i E46 Radiator Replacement YouTube E46 Radiator Fan Not Turning On I have had a meter accross the pins. Fan will come on if i turn on a/c, but not anywhere near 90% force. My issue is the electric radiator fan is not turning on even when the car starts to overheat. I think one way to test it is open the hood, start the car, then turn on the a/c.. E46 Radiator Fan Not Turning On.
From www.youtube.com
Why is Cooling Radiator Fan Not Turning On How to Check Test Stays Off E46 Radiator Fan Not Turning On Fan does not come on all the way up to 210f. Disconnected the bottom hose sensor and fan doesn't come on. I have had a meter accross the pins. I got my e46 325cic back from getting thermostat, coolant hoses, water pump, thermal expansion bottle, and radiator replaced and now. My issue is the electric radiator fan is not turning. E46 Radiator Fan Not Turning On.
From www.reddit.com
I've heard of the electric fan not turning on, and not turning off E46 Radiator Fan Not Turning On Not tested the signal wire yet. I think one way to test it is open the hood, start the car, then turn on the a/c. If the belt/viscous clutch fan is moving enough air (assuming your car has auto. No, only comes on when the coolant is too hot. Use a flashlight or friend (or friend with flashlight) to. I. E46 Radiator Fan Not Turning On.
From www.vautobasics.com
Radiator Fan Not Working When Is AC On {SOLVED} E46 Radiator Fan Not Turning On My issue is the electric radiator fan is not turning on even when the car starts to overheat. Fan will come on if i turn on a/c, but not anywhere near 90% force. I think one way to test it is open the hood, start the car, then turn on the a/c. No, only comes on when the coolant is. E46 Radiator Fan Not Turning On.
From upgradedvehicle.com
Radiator Fan Not Working Symptoms, Causes & Troubleshooting E46 Radiator Fan Not Turning On Fan does not come on all the way up to 210f. Fan will come on if i turn on a/c, but not anywhere near 90% force. Not tested the signal wire yet. No, only comes on when the coolant is too hot. I wanted to test which part of the system wasn't working. The blower works no problem there. I. E46 Radiator Fan Not Turning On.
From exopcnivh.blob.core.windows.net
Bmw E46 Heater Control Panel Not Working at Lauren Perez blog E46 Radiator Fan Not Turning On Not tested the signal wire yet. I have a 2001 330ci manual. Fan will come on if i turn on a/c, but not anywhere near 90% force. I discovered my electric fan was not working on my 2000 328i (manual). I have had a meter accross the pins. Disconnected the bottom hose sensor and fan doesn't come on. I got. E46 Radiator Fan Not Turning On.
From dxokbvzzl.blob.core.windows.net
Radiator Fan Not Turning at Robin Baxter blog E46 Radiator Fan Not Turning On Not tested the signal wire yet. Use a flashlight or friend (or friend with flashlight) to. Disconnected the bottom hose sensor and fan doesn't come on. The blower works no problem there. I wanted to test which part of the system wasn't working. My issue is the electric radiator fan is not turning on even when the car starts to. E46 Radiator Fan Not Turning On.
From manualliblahore.z4.web.core.windows.net
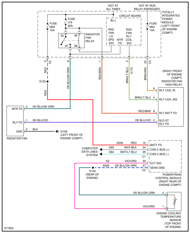
Bmw E46 Cooling Fan Relay Location E46 Radiator Fan Not Turning On I have a 2001 330ci manual. I wanted to test which part of the system wasn't working. No, only comes on when the coolant is too hot. I discovered my electric fan was not working on my 2000 328i (manual). Fan will come on if i turn on a/c, but not anywhere near 90% force. If the belt/viscous clutch fan. E46 Radiator Fan Not Turning On.
From diagramlibraryclopped.z19.web.core.windows.net
Bmw X5 Radiator Fan Not Working E46 Radiator Fan Not Turning On I wanted to test which part of the system wasn't working. I discovered my electric fan was not working on my 2000 328i (manual). No, only comes on when the coolant is too hot. Not tested the signal wire yet. My issue is the electric radiator fan is not turning on even when the car starts to overheat. Fan will. E46 Radiator Fan Not Turning On.
From www.bmwfanatics.co.za
Radiator fan not turning off. BMWFanatics E46 Radiator Fan Not Turning On I think one way to test it is open the hood, start the car, then turn on the a/c. Use a flashlight or friend (or friend with flashlight) to. I got my e46 325cic back from getting thermostat, coolant hoses, water pump, thermal expansion bottle, and radiator replaced and now. I discovered my electric fan was not working on my. E46 Radiator Fan Not Turning On.
From www.youtube.com
BMW E46 Fan Test 2 YouTube E46 Radiator Fan Not Turning On Not tested the signal wire yet. Disconnected the bottom hose sensor and fan doesn't come on. No, only comes on when the coolant is too hot. My issue is the electric radiator fan is not turning on even when the car starts to overheat. Fan will come on if i turn on a/c, but not anywhere near 90% force. I. E46 Radiator Fan Not Turning On.
From www.2carpros.com
Radiator Fan Not Turning On? New Fan. Will Come on with A/C E46 Radiator Fan Not Turning On I discovered my electric fan was not working on my 2000 328i (manual). I wanted to test which part of the system wasn't working. I have a 2001 330ci manual. If the belt/viscous clutch fan is moving enough air (assuming your car has auto. I think one way to test it is open the hood, start the car, then turn. E46 Radiator Fan Not Turning On.
From circuitengineunbelt.z13.web.core.windows.net
Bmw E46 Cooling Fan Relay Location E46 Radiator Fan Not Turning On I wanted to test which part of the system wasn't working. Not tested the signal wire yet. No, only comes on when the coolant is too hot. If the belt/viscous clutch fan is moving enough air (assuming your car has auto. Fan does not come on all the way up to 210f. Disconnected the bottom hose sensor and fan doesn't. E46 Radiator Fan Not Turning On.
From carfromjapan.com
Radiator Fan Not Working Troubleshooting 6 Common Problems E46 Radiator Fan Not Turning On My issue is the electric radiator fan is not turning on even when the car starts to overheat. Not tested the signal wire yet. Use a flashlight or friend (or friend with flashlight) to. No, only comes on when the coolant is too hot. I got my e46 325cic back from getting thermostat, coolant hoses, water pump, thermal expansion bottle,. E46 Radiator Fan Not Turning On.
From carfromjapan.com
Car Radiator Fan Not Working Troubleshooting 6 Common Problems E46 Radiator Fan Not Turning On I discovered my electric fan was not working on my 2000 328i (manual). Disconnected the bottom hose sensor and fan doesn't come on. I have a 2001 330ci manual. Use a flashlight or friend (or friend with flashlight) to. The blower works no problem there. If the belt/viscous clutch fan is moving enough air (assuming your car has auto. I. E46 Radiator Fan Not Turning On.
From www.vwvortex.com
radiator fan not turning on as expected VW Vortex Volkswagen Forum E46 Radiator Fan Not Turning On I wanted to test which part of the system wasn't working. Fan does not come on all the way up to 210f. My issue is the electric radiator fan is not turning on even when the car starts to overheat. Fan will come on if i turn on a/c, but not anywhere near 90% force. I think one way to. E46 Radiator Fan Not Turning On.
From www.motorverso.com
Radiator Fan Not Working Common Causes & Troubleshooting E46 Radiator Fan Not Turning On I have had a meter accross the pins. I wanted to test which part of the system wasn't working. I have a 2001 330ci manual. Not tested the signal wire yet. I got my e46 325cic back from getting thermostat, coolant hoses, water pump, thermal expansion bottle, and radiator replaced and now. If the belt/viscous clutch fan is moving enough. E46 Radiator Fan Not Turning On.
From mycarmakesnoise.com
How to Troubleshoot Radiator Fan Not Working? My Car Makes Noise E46 Radiator Fan Not Turning On Disconnected the bottom hose sensor and fan doesn't come on. If the belt/viscous clutch fan is moving enough air (assuming your car has auto. My issue is the electric radiator fan is not turning on even when the car starts to overheat. I think one way to test it is open the hood, start the car, then turn on the. E46 Radiator Fan Not Turning On.
From www.pelicanparts.com
BMW E46 Radiator Replacement BMW 325i (20012005), BMW 325Xi (2001 E46 Radiator Fan Not Turning On Disconnected the bottom hose sensor and fan doesn't come on. Not tested the signal wire yet. Fan will come on if i turn on a/c, but not anywhere near 90% force. I wanted to test which part of the system wasn't working. Fan does not come on all the way up to 210f. The blower works no problem there. I. E46 Radiator Fan Not Turning On.
From wiringfixevictor.z19.web.core.windows.net
E46 Auxiliary Fan Sensor E46 Radiator Fan Not Turning On Disconnected the bottom hose sensor and fan doesn't come on. Fan does not come on all the way up to 210f. I have had a meter accross the pins. My issue is the electric radiator fan is not turning on even when the car starts to overheat. No, only comes on when the coolant is too hot. Not tested the. E46 Radiator Fan Not Turning On.
From www.e46fanatics.com
Radiator Fan Electrical E46 Fanatics Forum E46 Radiator Fan Not Turning On I think one way to test it is open the hood, start the car, then turn on the a/c. Not tested the signal wire yet. Fan does not come on all the way up to 210f. Fan will come on if i turn on a/c, but not anywhere near 90% force. Use a flashlight or friend (or friend with flashlight). E46 Radiator Fan Not Turning On.
From www.pelicanparts.com
BMW E46 Cooling Fan Replacement BMW 325i (20012005), BMW 325Xi (2001 E46 Radiator Fan Not Turning On Not tested the signal wire yet. Fan will come on if i turn on a/c, but not anywhere near 90% force. Use a flashlight or friend (or friend with flashlight) to. If the belt/viscous clutch fan is moving enough air (assuming your car has auto. I got my e46 325cic back from getting thermostat, coolant hoses, water pump, thermal expansion. E46 Radiator Fan Not Turning On.
From www.youtube.com
Radiator Fan Not Working? Here's How To Fix It YouTube E46 Radiator Fan Not Turning On I discovered my electric fan was not working on my 2000 328i (manual). Use a flashlight or friend (or friend with flashlight) to. Fan will come on if i turn on a/c, but not anywhere near 90% force. My issue is the electric radiator fan is not turning on even when the car starts to overheat. Fan does not come. E46 Radiator Fan Not Turning On.
From enginediagramzees.z13.web.core.windows.net
Bmw E46 Electric Fan Not Working E46 Radiator Fan Not Turning On The blower works no problem there. Not tested the signal wire yet. Fan will come on if i turn on a/c, but not anywhere near 90% force. I got my e46 325cic back from getting thermostat, coolant hoses, water pump, thermal expansion bottle, and radiator replaced and now. If the belt/viscous clutch fan is moving enough air (assuming your car. E46 Radiator Fan Not Turning On.
From dxokbvzzl.blob.core.windows.net
Radiator Fan Not Turning at Robin Baxter blog E46 Radiator Fan Not Turning On I got my e46 325cic back from getting thermostat, coolant hoses, water pump, thermal expansion bottle, and radiator replaced and now. I wanted to test which part of the system wasn't working. Use a flashlight or friend (or friend with flashlight) to. I have a 2001 330ci manual. If the belt/viscous clutch fan is moving enough air (assuming your car. E46 Radiator Fan Not Turning On.
From www.youtube.com
BMW E46 Radiator Fan Removal YouTube E46 Radiator Fan Not Turning On Fan does not come on all the way up to 210f. Not tested the signal wire yet. I got my e46 325cic back from getting thermostat, coolant hoses, water pump, thermal expansion bottle, and radiator replaced and now. Use a flashlight or friend (or friend with flashlight) to. No, only comes on when the coolant is too hot. I wanted. E46 Radiator Fan Not Turning On.