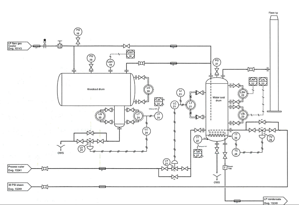
Water Seal Drum . Liquid seal drums are vessels that are used to separate the relief gases and the flare/header stack by a layer of liquid. The flashback seal drum helps to avoid air ingress by maintaining positive backpressure in horizontal sections of the flare header. The nao liquid seal provides protection against flame flashback as well as functions like a “check valve”. 100k+ visitors in the past month The relief header gas pressure will need to exceed the water. Often used to stage or control flow rates to multiple relief devices. Automatic water level control system available. Can be combined with a knockout drum in a single vessel. In the event of an. Seal drums are used to provide a positive seal thus preventing ingression of atmosphere air from flare stack to the flare header. Designed to bubble the waste gas through the water to ensure there is no path for a flashback to penetrate the water barrier.
from thepipingtalk.com
The relief header gas pressure will need to exceed the water. Can be combined with a knockout drum in a single vessel. Automatic water level control system available. Designed to bubble the waste gas through the water to ensure there is no path for a flashback to penetrate the water barrier. The nao liquid seal provides protection against flame flashback as well as functions like a “check valve”. In the event of an. 100k+ visitors in the past month The flashback seal drum helps to avoid air ingress by maintaining positive backpressure in horizontal sections of the flare header. Often used to stage or control flow rates to multiple relief devices. Seal drums are used to provide a positive seal thus preventing ingression of atmosphere air from flare stack to the flare header.
Flare systempartⅠ flare process, flare Drums & flare seals The
Water Seal Drum 100k+ visitors in the past month Can be combined with a knockout drum in a single vessel. Often used to stage or control flow rates to multiple relief devices. The relief header gas pressure will need to exceed the water. Seal drums are used to provide a positive seal thus preventing ingression of atmosphere air from flare stack to the flare header. Liquid seal drums are vessels that are used to separate the relief gases and the flare/header stack by a layer of liquid. Designed to bubble the waste gas through the water to ensure there is no path for a flashback to penetrate the water barrier. In the event of an. The flashback seal drum helps to avoid air ingress by maintaining positive backpressure in horizontal sections of the flare header. 100k+ visitors in the past month The nao liquid seal provides protection against flame flashback as well as functions like a “check valve”. Automatic water level control system available.
From whatispiping.com
Flare System Definition, Types, Components, and Design What Is Piping Water Seal Drum Liquid seal drums are vessels that are used to separate the relief gases and the flare/header stack by a layer of liquid. Automatic water level control system available. 100k+ visitors in the past month The relief header gas pressure will need to exceed the water. The nao liquid seal provides protection against flame flashback as well as functions like a. Water Seal Drum.
From www.water-pollutionsolutions.com
Seal 55 Gallon Drums Drum Tourniquet Prices & Specs Water Seal Drum Can be combined with a knockout drum in a single vessel. The flashback seal drum helps to avoid air ingress by maintaining positive backpressure in horizontal sections of the flare header. The relief header gas pressure will need to exceed the water. The nao liquid seal provides protection against flame flashback as well as functions like a “check valve”. Often. Water Seal Drum.
From thepipingtalk.com
Flare systempartⅠ flare process, flare Drums & flare seals The Water Seal Drum Liquid seal drums are vessels that are used to separate the relief gases and the flare/header stack by a layer of liquid. Seal drums are used to provide a positive seal thus preventing ingression of atmosphere air from flare stack to the flare header. In the event of an. Automatic water level control system available. The relief header gas pressure. Water Seal Drum.
From feeco.com
Rotary Drum Seals Water Seal Drum Liquid seal drums are vessels that are used to separate the relief gases and the flare/header stack by a layer of liquid. Seal drums are used to provide a positive seal thus preventing ingression of atmosphere air from flare stack to the flare header. The relief header gas pressure will need to exceed the water. In the event of an.. Water Seal Drum.
From endustriyel.havatek.com.tr
Havatek Water Seal Drum The relief header gas pressure will need to exceed the water. Designed to bubble the waste gas through the water to ensure there is no path for a flashback to penetrate the water barrier. Automatic water level control system available. The nao liquid seal provides protection against flame flashback as well as functions like a “check valve”. 100k+ visitors in. Water Seal Drum.
From www.indiamart.com
Stainless Steel Color Coated Water Seal Drum Storage Vessel, 10000 Water Seal Drum Designed to bubble the waste gas through the water to ensure there is no path for a flashback to penetrate the water barrier. In the event of an. Automatic water level control system available. 100k+ visitors in the past month Often used to stage or control flow rates to multiple relief devices. The nao liquid seal provides protection against flame. Water Seal Drum.
From thepipingtalk.com
Flare systempartⅠ flare process, flare Drums & flare seals The Water Seal Drum The relief header gas pressure will need to exceed the water. In the event of an. The nao liquid seal provides protection against flame flashback as well as functions like a “check valve”. Seal drums are used to provide a positive seal thus preventing ingression of atmosphere air from flare stack to the flare header. The flashback seal drum helps. Water Seal Drum.
From www.alibaba.com
Plastic Drum Plastic Drum For Water Seal Drum Plastic For Food Grade Water Seal Drum Designed to bubble the waste gas through the water to ensure there is no path for a flashback to penetrate the water barrier. Liquid seal drums are vessels that are used to separate the relief gases and the flare/header stack by a layer of liquid. The relief header gas pressure will need to exceed the water. 100k+ visitors in the. Water Seal Drum.
From www.chegg.com
Solved Examine this process, where the temperature of water Water Seal Drum Automatic water level control system available. The relief header gas pressure will need to exceed the water. Liquid seal drums are vessels that are used to separate the relief gases and the flare/header stack by a layer of liquid. The flashback seal drum helps to avoid air ingress by maintaining positive backpressure in horizontal sections of the flare header. 100k+. Water Seal Drum.
From tamagozzilla.blogspot.com
MO Memoir Memoirs of Metal Oxide Catalyst Research Group ระบบเผาแก๊ส Water Seal Drum Often used to stage or control flow rates to multiple relief devices. The relief header gas pressure will need to exceed the water. Designed to bubble the waste gas through the water to ensure there is no path for a flashback to penetrate the water barrier. In the event of an. Seal drums are used to provide a positive seal. Water Seal Drum.
From stock.adobe.com
water vessel seal drum prevent flare backfire in oil and gas pro Photos Water Seal Drum Liquid seal drums are vessels that are used to separate the relief gases and the flare/header stack by a layer of liquid. Seal drums are used to provide a positive seal thus preventing ingression of atmosphere air from flare stack to the flare header. Automatic water level control system available. The flashback seal drum helps to avoid air ingress by. Water Seal Drum.
From www.chegg.com
Solved Determine the LRV and URV settings for the water seal Water Seal Drum Liquid seal drums are vessels that are used to separate the relief gases and the flare/header stack by a layer of liquid. Seal drums are used to provide a positive seal thus preventing ingression of atmosphere air from flare stack to the flare header. The nao liquid seal provides protection against flame flashback as well as functions like a “check. Water Seal Drum.
From thepipingtalk.com
Flare systempartⅠ flare process, flare Drums & flare seals The Water Seal Drum The flashback seal drum helps to avoid air ingress by maintaining positive backpressure in horizontal sections of the flare header. Often used to stage or control flow rates to multiple relief devices. Seal drums are used to provide a positive seal thus preventing ingression of atmosphere air from flare stack to the flare header. The relief header gas pressure will. Water Seal Drum.
From tamagozzilla.blogspot.com
MO Memoir Memoirs of Metal Oxide Catalyst Research Group ระบบเผาแก๊ส Water Seal Drum In the event of an. Can be combined with a knockout drum in a single vessel. The relief header gas pressure will need to exceed the water. 100k+ visitors in the past month The flashback seal drum helps to avoid air ingress by maintaining positive backpressure in horizontal sections of the flare header. Liquid seal drums are vessels that are. Water Seal Drum.
From thepipingtalk.com
Flare systempartⅠ flare process, flare Drums & flare seals The Water Seal Drum Automatic water level control system available. 100k+ visitors in the past month In the event of an. Liquid seal drums are vessels that are used to separate the relief gases and the flare/header stack by a layer of liquid. The flashback seal drum helps to avoid air ingress by maintaining positive backpressure in horizontal sections of the flare header. Designed. Water Seal Drum.
From chempedia.info
Flare seal drum Big Chemical Encyclopedia Water Seal Drum The nao liquid seal provides protection against flame flashback as well as functions like a “check valve”. In the event of an. The relief header gas pressure will need to exceed the water. Automatic water level control system available. Often used to stage or control flow rates to multiple relief devices. Can be combined with a knockout drum in a. Water Seal Drum.
From thepipingtalk.com
Flare systempartⅠ flare process, flare Drums & flare seals The Water Seal Drum Can be combined with a knockout drum in a single vessel. The flashback seal drum helps to avoid air ingress by maintaining positive backpressure in horizontal sections of the flare header. Automatic water level control system available. Often used to stage or control flow rates to multiple relief devices. In the event of an. The relief header gas pressure will. Water Seal Drum.
From www.google.com
Patent US4655242 Water seal drum Google Patents Water Seal Drum Automatic water level control system available. Seal drums are used to provide a positive seal thus preventing ingression of atmosphere air from flare stack to the flare header. In the event of an. Liquid seal drums are vessels that are used to separate the relief gases and the flare/header stack by a layer of liquid. Designed to bubble the waste. Water Seal Drum.
From www.scribd.com
FA47405 Water Seal Drum PDF Water Seal Drum Designed to bubble the waste gas through the water to ensure there is no path for a flashback to penetrate the water barrier. The flashback seal drum helps to avoid air ingress by maintaining positive backpressure in horizontal sections of the flare header. Seal drums are used to provide a positive seal thus preventing ingression of atmosphere air from flare. Water Seal Drum.
From www.youtube.com
Liquid seal drum sizing Theory YouTube Water Seal Drum The relief header gas pressure will need to exceed the water. Automatic water level control system available. In the event of an. Designed to bubble the waste gas through the water to ensure there is no path for a flashback to penetrate the water barrier. Often used to stage or control flow rates to multiple relief devices. The nao liquid. Water Seal Drum.
From grabcad.com
Free CAD Designs, Files & 3D Models The GrabCAD Community Library Water Seal Drum Seal drums are used to provide a positive seal thus preventing ingression of atmosphere air from flare stack to the flare header. Designed to bubble the waste gas through the water to ensure there is no path for a flashback to penetrate the water barrier. 100k+ visitors in the past month The nao liquid seal provides protection against flame flashback. Water Seal Drum.
From pgeigroup.com
New delivery C2 refrigerant seal drum and Sour Water Stripper for Water Seal Drum Seal drums are used to provide a positive seal thus preventing ingression of atmosphere air from flare stack to the flare header. 100k+ visitors in the past month The relief header gas pressure will need to exceed the water. The flashback seal drum helps to avoid air ingress by maintaining positive backpressure in horizontal sections of the flare header. Can. Water Seal Drum.
From instrumentationtools.com
water seal drum lever transmitter Archives Inst Tools Water Seal Drum Seal drums are used to provide a positive seal thus preventing ingression of atmosphere air from flare stack to the flare header. Designed to bubble the waste gas through the water to ensure there is no path for a flashback to penetrate the water barrier. Automatic water level control system available. The flashback seal drum helps to avoid air ingress. Water Seal Drum.
From fd-separators.com
Comparison of knockout drums and centrifugal gasliquid separators Water Seal Drum The flashback seal drum helps to avoid air ingress by maintaining positive backpressure in horizontal sections of the flare header. Designed to bubble the waste gas through the water to ensure there is no path for a flashback to penetrate the water barrier. The relief header gas pressure will need to exceed the water. The nao liquid seal provides protection. Water Seal Drum.
From www.balkandraincleaning.com
Learn About A Water Seal Inside A Drain Trap Water Seal Drum Can be combined with a knockout drum in a single vessel. Designed to bubble the waste gas through the water to ensure there is no path for a flashback to penetrate the water barrier. 100k+ visitors in the past month Automatic water level control system available. The flashback seal drum helps to avoid air ingress by maintaining positive backpressure in. Water Seal Drum.
From www.ecospill.com.au
Drum Seal 500G Ecospill Spill Kits Water Seal Drum Often used to stage or control flow rates to multiple relief devices. Designed to bubble the waste gas through the water to ensure there is no path for a flashback to penetrate the water barrier. In the event of an. The relief header gas pressure will need to exceed the water. Automatic water level control system available. 100k+ visitors in. Water Seal Drum.
From thepipingtalk.com
Flare systempartⅠ flare process, flare Drums & flare seals The Water Seal Drum Seal drums are used to provide a positive seal thus preventing ingression of atmosphere air from flare stack to the flare header. Designed to bubble the waste gas through the water to ensure there is no path for a flashback to penetrate the water barrier. Can be combined with a knockout drum in a single vessel. The relief header gas. Water Seal Drum.
From www.airseadg.com
60L UN HDPE Plastic Drum, 1H2/X88/S Air Sea Containers (US) Water Seal Drum Liquid seal drums are vessels that are used to separate the relief gases and the flare/header stack by a layer of liquid. The relief header gas pressure will need to exceed the water. In the event of an. Designed to bubble the waste gas through the water to ensure there is no path for a flashback to penetrate the water. Water Seal Drum.
From www.hason-steel.com
Réalisations Archive Page 2 of 5 Acier Hason Water Seal Drum The relief header gas pressure will need to exceed the water. The flashback seal drum helps to avoid air ingress by maintaining positive backpressure in horizontal sections of the flare header. The nao liquid seal provides protection against flame flashback as well as functions like a “check valve”. Automatic water level control system available. Liquid seal drums are vessels that. Water Seal Drum.
From www.scribd.com
Liquid Seal Water Seal Drum PDF Water Seal Drum Automatic water level control system available. Seal drums are used to provide a positive seal thus preventing ingression of atmosphere air from flare stack to the flare header. The flashback seal drum helps to avoid air ingress by maintaining positive backpressure in horizontal sections of the flare header. The nao liquid seal provides protection against flame flashback as well as. Water Seal Drum.
From www.aliexpress.com
Free shipping 2 pieces Original authentic Panasonic drum washing Water Seal Drum Seal drums are used to provide a positive seal thus preventing ingression of atmosphere air from flare stack to the flare header. Liquid seal drums are vessels that are used to separate the relief gases and the flare/header stack by a layer of liquid. The nao liquid seal provides protection against flame flashback as well as functions like a “check. Water Seal Drum.
From www.yashbarrels.net
Drums And Containers 60 LTR FOT Rectangular Drum Manufacturer from Mumbai Water Seal Drum Automatic water level control system available. The nao liquid seal provides protection against flame flashback as well as functions like a “check valve”. Designed to bubble the waste gas through the water to ensure there is no path for a flashback to penetrate the water barrier. The flashback seal drum helps to avoid air ingress by maintaining positive backpressure in. Water Seal Drum.
From studylib.net
liquidsealdrums Water Seal Drum The relief header gas pressure will need to exceed the water. The nao liquid seal provides protection against flame flashback as well as functions like a “check valve”. Can be combined with a knockout drum in a single vessel. The flashback seal drum helps to avoid air ingress by maintaining positive backpressure in horizontal sections of the flare header. Seal. Water Seal Drum.
From www.hason-steel.com
Archives des Pressure Vessels Acier Hason Water Seal Drum The nao liquid seal provides protection against flame flashback as well as functions like a “check valve”. Designed to bubble the waste gas through the water to ensure there is no path for a flashback to penetrate the water barrier. The flashback seal drum helps to avoid air ingress by maintaining positive backpressure in horizontal sections of the flare header.. Water Seal Drum.
From www.airseadg.com
210L UN Steel Drum with Lacquer Lining, 1A2/Y/100 & 1A2/X270/S Air Water Seal Drum The relief header gas pressure will need to exceed the water. In the event of an. Often used to stage or control flow rates to multiple relief devices. The nao liquid seal provides protection against flame flashback as well as functions like a “check valve”. Liquid seal drums are vessels that are used to separate the relief gases and the. Water Seal Drum.