Bobcat T595 Hydraulic Filter Location . this manual is for the bobcat loader mechanic. 1m+ visitors in the past month Watch this video to learn how to. T450, t550, t590, t595, t630, t650 filters will vary depending on your machines engine. genuine bobcat t595 loader operation and maintenance digital manual, 7418334enuspdf provides instructions. † 74 hp bobcat engine turbo tier 4 diesel engine. proper maintenance is important. this model t595 bobcat loader is equipped with the following standard items: 1m+ visitors in the past month Check if your cooling fan. It provides necessary servicing and adjustment procedures for the bobcat.
from www.ebay.com
Watch this video to learn how to. this manual is for the bobcat loader mechanic. Check if your cooling fan. It provides necessary servicing and adjustment procedures for the bobcat. T450, t550, t590, t595, t630, t650 filters will vary depending on your machines engine. † 74 hp bobcat engine turbo tier 4 diesel engine. proper maintenance is important. 1m+ visitors in the past month 1m+ visitors in the past month genuine bobcat t595 loader operation and maintenance digital manual, 7418334enuspdf provides instructions.
fits Bobcat Filter Service Kit S590 S595 T595 T630 T650 Oil Air Fuel
Bobcat T595 Hydraulic Filter Location Watch this video to learn how to. this manual is for the bobcat loader mechanic. Check if your cooling fan. this model t595 bobcat loader is equipped with the following standard items: 1m+ visitors in the past month † 74 hp bobcat engine turbo tier 4 diesel engine. proper maintenance is important. Watch this video to learn how to. It provides necessary servicing and adjustment procedures for the bobcat. genuine bobcat t595 loader operation and maintenance digital manual, 7418334enuspdf provides instructions. T450, t550, t590, t595, t630, t650 filters will vary depending on your machines engine. 1m+ visitors in the past month
From www.bobcat.com
T595 Compact Track Loader (Specs & Features) Bobcat Company Bobcat T595 Hydraulic Filter Location † 74 hp bobcat engine turbo tier 4 diesel engine. T450, t550, t590, t595, t630, t650 filters will vary depending on your machines engine. this manual is for the bobcat loader mechanic. proper maintenance is important. Check if your cooling fan. It provides necessary servicing and adjustment procedures for the bobcat. Watch this video to learn how to.. Bobcat T595 Hydraulic Filter Location.
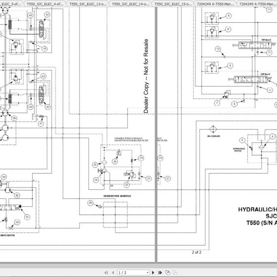
From schematicfixspellers.z22.web.core.windows.net
Bobcat T595 Parts Diagram Bobcat T595 Hydraulic Filter Location T450, t550, t590, t595, t630, t650 filters will vary depending on your machines engine. this model t595 bobcat loader is equipped with the following standard items: † 74 hp bobcat engine turbo tier 4 diesel engine. proper maintenance is important. genuine bobcat t595 loader operation and maintenance digital manual, 7418334enuspdf provides instructions. this manual is for. Bobcat T595 Hydraulic Filter Location.
From autoepcservice.com
Bobcat Compact Track Loader T595 Operation and Maintenance Manual Bobcat T595 Hydraulic Filter Location † 74 hp bobcat engine turbo tier 4 diesel engine. 1m+ visitors in the past month 1m+ visitors in the past month this model t595 bobcat loader is equipped with the following standard items: this manual is for the bobcat loader mechanic. T450, t550, t590, t595, t630, t650 filters will vary depending on your machines engine. Watch this. Bobcat T595 Hydraulic Filter Location.
From www.vrogue.co
Bobcat Loader T595 Hydraulic Electrical Schematic vrogue.co Bobcat T595 Hydraulic Filter Location It provides necessary servicing and adjustment procedures for the bobcat. proper maintenance is important. T450, t550, t590, t595, t630, t650 filters will vary depending on your machines engine. genuine bobcat t595 loader operation and maintenance digital manual, 7418334enuspdf provides instructions. this manual is for the bobcat loader mechanic. Watch this video to learn how to. 1m+ visitors. Bobcat T595 Hydraulic Filter Location.
From servicepartmanuals.com
Bobcat Loader T595 Hydraulic & Electrical Schematic Bobcat T595 Hydraulic Filter Location † 74 hp bobcat engine turbo tier 4 diesel engine. this model t595 bobcat loader is equipped with the following standard items: genuine bobcat t595 loader operation and maintenance digital manual, 7418334enuspdf provides instructions. It provides necessary servicing and adjustment procedures for the bobcat. 1m+ visitors in the past month 1m+ visitors in the past month Check if. Bobcat T595 Hydraulic Filter Location.
From therepairmanual.com
Bobcat T595 Compact Track Loader Service Repair Manual Bobcat T595 Hydraulic Filter Location Check if your cooling fan. T450, t550, t590, t595, t630, t650 filters will vary depending on your machines engine. † 74 hp bobcat engine turbo tier 4 diesel engine. proper maintenance is important. genuine bobcat t595 loader operation and maintenance digital manual, 7418334enuspdf provides instructions. 1m+ visitors in the past month this manual is for the bobcat. Bobcat T595 Hydraulic Filter Location.
From therepairmanual.com
Bobcat T595 Compact Track Loader Service Repair Manual Bobcat T595 Hydraulic Filter Location Watch this video to learn how to. this model t595 bobcat loader is equipped with the following standard items: proper maintenance is important. Check if your cooling fan. T450, t550, t590, t595, t630, t650 filters will vary depending on your machines engine. It provides necessary servicing and adjustment procedures for the bobcat. † 74 hp bobcat engine turbo. Bobcat T595 Hydraulic Filter Location.
From www.ebay.co.uk
fits Bobcat Hydraulic Oil Filter 6686926 7319444 T140 T595 S595 S740 Bobcat T595 Hydraulic Filter Location Watch this video to learn how to. 1m+ visitors in the past month this model t595 bobcat loader is equipped with the following standard items: † 74 hp bobcat engine turbo tier 4 diesel engine. genuine bobcat t595 loader operation and maintenance digital manual, 7418334enuspdf provides instructions. It provides necessary servicing and adjustment procedures for the bobcat. 1m+. Bobcat T595 Hydraulic Filter Location.
From manualpost.com
Bobcat Loader T595 Hydraulic & Electrical Schematic ManualPost Bobcat T595 Hydraulic Filter Location It provides necessary servicing and adjustment procedures for the bobcat. genuine bobcat t595 loader operation and maintenance digital manual, 7418334enuspdf provides instructions. this manual is for the bobcat loader mechanic. 1m+ visitors in the past month 1m+ visitors in the past month Watch this video to learn how to. † 74 hp bobcat engine turbo tier 4 diesel. Bobcat T595 Hydraulic Filter Location.
From autoepcservice.com
Bobcat Loader T595 Hydraulic & Electrical Schematic Bobcat T595 Hydraulic Filter Location † 74 hp bobcat engine turbo tier 4 diesel engine. It provides necessary servicing and adjustment procedures for the bobcat. this model t595 bobcat loader is equipped with the following standard items: genuine bobcat t595 loader operation and maintenance digital manual, 7418334enuspdf provides instructions. proper maintenance is important. Check if your cooling fan. Watch this video to. Bobcat T595 Hydraulic Filter Location.
From www.bobcat.com
How To Replace Hydraulic Fluid and Filters on Bobcat RSeries Loaders Bobcat T595 Hydraulic Filter Location It provides necessary servicing and adjustment procedures for the bobcat. this manual is for the bobcat loader mechanic. 1m+ visitors in the past month genuine bobcat t595 loader operation and maintenance digital manual, 7418334enuspdf provides instructions. Watch this video to learn how to. † 74 hp bobcat engine turbo tier 4 diesel engine. Check if your cooling fan.. Bobcat T595 Hydraulic Filter Location.
From www.ebay.com
fits Bobcat Filter Service Kit S590 S595 T595 T630 T650 Oil Air Fuel Bobcat T595 Hydraulic Filter Location proper maintenance is important. genuine bobcat t595 loader operation and maintenance digital manual, 7418334enuspdf provides instructions. T450, t550, t590, t595, t630, t650 filters will vary depending on your machines engine. 1m+ visitors in the past month this manual is for the bobcat loader mechanic. † 74 hp bobcat engine turbo tier 4 diesel engine. It provides necessary. Bobcat T595 Hydraulic Filter Location.
From servicepartmanuals.com
Bobcat Loader T595 Hydraulic & Electrical Schematic Homepage The Bobcat T595 Hydraulic Filter Location genuine bobcat t595 loader operation and maintenance digital manual, 7418334enuspdf provides instructions. Watch this video to learn how to. T450, t550, t590, t595, t630, t650 filters will vary depending on your machines engine. † 74 hp bobcat engine turbo tier 4 diesel engine. 1m+ visitors in the past month proper maintenance is important. It provides necessary servicing and. Bobcat T595 Hydraulic Filter Location.
From www.bobcat.com
How To Replace Hydraulic Filters & Breather on Compact Excavators Bobcat T595 Hydraulic Filter Location Watch this video to learn how to. this manual is for the bobcat loader mechanic. Check if your cooling fan. 1m+ visitors in the past month 1m+ visitors in the past month T450, t550, t590, t595, t630, t650 filters will vary depending on your machines engine. † 74 hp bobcat engine turbo tier 4 diesel engine. It provides necessary. Bobcat T595 Hydraulic Filter Location.
From www.bobcat.com
How To Replace Hydraulic Fluid & Filter on MSeries Loaders Bobcat Bobcat T595 Hydraulic Filter Location this manual is for the bobcat loader mechanic. Check if your cooling fan. Watch this video to learn how to. proper maintenance is important. T450, t550, t590, t595, t630, t650 filters will vary depending on your machines engine. It provides necessary servicing and adjustment procedures for the bobcat. this model t595 bobcat loader is equipped with the. Bobcat T595 Hydraulic Filter Location.
From servicepartmanuals.com
Bobcat Loader T595 Hydraulic & Electrical Schematic Homepage The Bobcat T595 Hydraulic Filter Location 1m+ visitors in the past month † 74 hp bobcat engine turbo tier 4 diesel engine. 1m+ visitors in the past month T450, t550, t590, t595, t630, t650 filters will vary depending on your machines engine. genuine bobcat t595 loader operation and maintenance digital manual, 7418334enuspdf provides instructions. Watch this video to learn how to. this manual is. Bobcat T595 Hydraulic Filter Location.
From workshop-repairmanual.com
Bobcat Track Loader T595 Schematic Hydraulic Manual Download PDF Bobcat T595 Hydraulic Filter Location this manual is for the bobcat loader mechanic. 1m+ visitors in the past month Check if your cooling fan. † 74 hp bobcat engine turbo tier 4 diesel engine. It provides necessary servicing and adjustment procedures for the bobcat. this model t595 bobcat loader is equipped with the following standard items: 1m+ visitors in the past month Watch. Bobcat T595 Hydraulic Filter Location.
From therepairmanual.com
Bobcat T595 Compact Track Loader Service Repair Manual Bobcat T595 Hydraulic Filter Location T450, t550, t590, t595, t630, t650 filters will vary depending on your machines engine. † 74 hp bobcat engine turbo tier 4 diesel engine. Watch this video to learn how to. Check if your cooling fan. It provides necessary servicing and adjustment procedures for the bobcat. proper maintenance is important. genuine bobcat t595 loader operation and maintenance digital. Bobcat T595 Hydraulic Filter Location.
From www.tradeearthmovers.com.au
Bobcat T595 compact track loader launched Bobcat T595 Hydraulic Filter Location 1m+ visitors in the past month It provides necessary servicing and adjustment procedures for the bobcat. Check if your cooling fan. T450, t550, t590, t595, t630, t650 filters will vary depending on your machines engine. proper maintenance is important. this model t595 bobcat loader is equipped with the following standard items: Watch this video to learn how to.. Bobcat T595 Hydraulic Filter Location.
From www.vrogue.co
Bobcat Loader T595 Hydraulic Electrical Schematic vrogue.co Bobcat T595 Hydraulic Filter Location genuine bobcat t595 loader operation and maintenance digital manual, 7418334enuspdf provides instructions. Watch this video to learn how to. this model t595 bobcat loader is equipped with the following standard items: It provides necessary servicing and adjustment procedures for the bobcat. proper maintenance is important. † 74 hp bobcat engine turbo tier 4 diesel engine. T450, t550,. Bobcat T595 Hydraulic Filter Location.
From therepairmanual.com
Bobcat T595 Compact Track Loader Service Repair Manual Bobcat T595 Hydraulic Filter Location this manual is for the bobcat loader mechanic. † 74 hp bobcat engine turbo tier 4 diesel engine. 1m+ visitors in the past month genuine bobcat t595 loader operation and maintenance digital manual, 7418334enuspdf provides instructions. Watch this video to learn how to. Check if your cooling fan. proper maintenance is important. 1m+ visitors in the past. Bobcat T595 Hydraulic Filter Location.
From autoepcservice.com
Bobcat Loader T595 Electrical and Hydraulic Schematic Bobcat T595 Hydraulic Filter Location genuine bobcat t595 loader operation and maintenance digital manual, 7418334enuspdf provides instructions. Check if your cooling fan. † 74 hp bobcat engine turbo tier 4 diesel engine. this manual is for the bobcat loader mechanic. this model t595 bobcat loader is equipped with the following standard items: proper maintenance is important. It provides necessary servicing and. Bobcat T595 Hydraulic Filter Location.
From www.ritchielist.com
Bobcat T595 Bobcat T595 Hydraulic Filter Location It provides necessary servicing and adjustment procedures for the bobcat. T450, t550, t590, t595, t630, t650 filters will vary depending on your machines engine. Watch this video to learn how to. 1m+ visitors in the past month proper maintenance is important. 1m+ visitors in the past month this manual is for the bobcat loader mechanic. genuine bobcat. Bobcat T595 Hydraulic Filter Location.
From www.autorepairmanuals.ws
Bobcat Loader T595 Electrical and Hydraulic Schematic Auto Repair Bobcat T595 Hydraulic Filter Location this manual is for the bobcat loader mechanic. proper maintenance is important. 1m+ visitors in the past month this model t595 bobcat loader is equipped with the following standard items: Check if your cooling fan. † 74 hp bobcat engine turbo tier 4 diesel engine. T450, t550, t590, t595, t630, t650 filters will vary depending on your. Bobcat T595 Hydraulic Filter Location.
From www.ebay.com
fits Bobcat Hydraulic Oil Filter 6686926 7319444 T595 S850 3600 3650 Bobcat T595 Hydraulic Filter Location 1m+ visitors in the past month 1m+ visitors in the past month Watch this video to learn how to. this model t595 bobcat loader is equipped with the following standard items: genuine bobcat t595 loader operation and maintenance digital manual, 7418334enuspdf provides instructions. It provides necessary servicing and adjustment procedures for the bobcat. proper maintenance is important.. Bobcat T595 Hydraulic Filter Location.
From www.quarrymagazine.com
2018 BOBCAT T595 for sale Bobcat T595 Hydraulic Filter Location proper maintenance is important. this model t595 bobcat loader is equipped with the following standard items: this manual is for the bobcat loader mechanic. † 74 hp bobcat engine turbo tier 4 diesel engine. Watch this video to learn how to. It provides necessary servicing and adjustment procedures for the bobcat. 1m+ visitors in the past month. Bobcat T595 Hydraulic Filter Location.
From www.eliftruck.com
2020 Diesel Bobcat T595 Earth Moving and Construction Bobcat T595 Hydraulic Filter Location Watch this video to learn how to. It provides necessary servicing and adjustment procedures for the bobcat. Check if your cooling fan. T450, t550, t590, t595, t630, t650 filters will vary depending on your machines engine. proper maintenance is important. this manual is for the bobcat loader mechanic. 1m+ visitors in the past month this model t595. Bobcat T595 Hydraulic Filter Location.
From www.ebay.com
fits Bobcat Filter Service Kit T590 T595 T630 T650 Oil Air Fuel Bobcat T595 Hydraulic Filter Location 1m+ visitors in the past month this manual is for the bobcat loader mechanic. It provides necessary servicing and adjustment procedures for the bobcat. Check if your cooling fan. † 74 hp bobcat engine turbo tier 4 diesel engine. 1m+ visitors in the past month Watch this video to learn how to. T450, t550, t590, t595, t630, t650 filters. Bobcat T595 Hydraulic Filter Location.
From servicepartmanuals.com
Bobcat Loader T595 Hydraulic & Electrical Schematic Bobcat T595 Hydraulic Filter Location It provides necessary servicing and adjustment procedures for the bobcat. this model t595 bobcat loader is equipped with the following standard items: T450, t550, t590, t595, t630, t650 filters will vary depending on your machines engine. this manual is for the bobcat loader mechanic. Check if your cooling fan. 1m+ visitors in the past month 1m+ visitors in. Bobcat T595 Hydraulic Filter Location.
From servicepartmanuals.com
Bobcat Loader T595 Hydraulic & Electrical Schematic Homepage The Bobcat T595 Hydraulic Filter Location It provides necessary servicing and adjustment procedures for the bobcat. 1m+ visitors in the past month Watch this video to learn how to. † 74 hp bobcat engine turbo tier 4 diesel engine. proper maintenance is important. 1m+ visitors in the past month this model t595 bobcat loader is equipped with the following standard items: T450, t550, t590,. Bobcat T595 Hydraulic Filter Location.
From autoepcservice.com
Bobcat Loader T595 Hydraulic & Electrical Schematic Bobcat T595 Hydraulic Filter Location genuine bobcat t595 loader operation and maintenance digital manual, 7418334enuspdf provides instructions. 1m+ visitors in the past month T450, t550, t590, t595, t630, t650 filters will vary depending on your machines engine. † 74 hp bobcat engine turbo tier 4 diesel engine. Check if your cooling fan. It provides necessary servicing and adjustment procedures for the bobcat. this. Bobcat T595 Hydraulic Filter Location.
From servicepartmanuals.com
Bobcat Loader T595 Hydraulic & Electrical Schematic Bobcat T595 Hydraulic Filter Location genuine bobcat t595 loader operation and maintenance digital manual, 7418334enuspdf provides instructions. Watch this video to learn how to. this manual is for the bobcat loader mechanic. † 74 hp bobcat engine turbo tier 4 diesel engine. 1m+ visitors in the past month 1m+ visitors in the past month Check if your cooling fan. this model t595. Bobcat T595 Hydraulic Filter Location.
From circuitdiagramdote.z4.web.core.windows.net
Bobcat T595 Parts Diagram Bobcat T595 Hydraulic Filter Location 1m+ visitors in the past month Check if your cooling fan. Watch this video to learn how to. proper maintenance is important. this model t595 bobcat loader is equipped with the following standard items: T450, t550, t590, t595, t630, t650 filters will vary depending on your machines engine. this manual is for the bobcat loader mechanic. It. Bobcat T595 Hydraulic Filter Location.
From autoepcservice.com
Bobcat Loader T595 Electrical and Hydraulic Schematic Bobcat T595 Hydraulic Filter Location 1m+ visitors in the past month It provides necessary servicing and adjustment procedures for the bobcat. genuine bobcat t595 loader operation and maintenance digital manual, 7418334enuspdf provides instructions. proper maintenance is important. Watch this video to learn how to. Check if your cooling fan. † 74 hp bobcat engine turbo tier 4 diesel engine. 1m+ visitors in the. Bobcat T595 Hydraulic Filter Location.
From oakenequipment.ca
New Bobcat T595 Explore the Latest Track Loaders Bobcat T595 Hydraulic Filter Location It provides necessary servicing and adjustment procedures for the bobcat. this model t595 bobcat loader is equipped with the following standard items: † 74 hp bobcat engine turbo tier 4 diesel engine. genuine bobcat t595 loader operation and maintenance digital manual, 7418334enuspdf provides instructions. T450, t550, t590, t595, t630, t650 filters will vary depending on your machines engine.. Bobcat T595 Hydraulic Filter Location.