Oil Pressure Sensor Location On Engine . a hands on guide on how to replace an oil switch/sensor leak.very simple to do for a diy home mechanic. an oil pressure sensor replacement is one of the easiest jobs for a. an oil pressure sensor (switch) monitors the oil pressure in the engine lubrication system and warns of low oil level. the oil pressure sensor is a component that measures the oil pressure in the engine and provides feedback to the ecm or oil pressure gauge. It is usually located near the oil pump or oil filter housing and connected to the engine oil gallery or oil passage. Find out the function, location, and signs of a bad oil pressure sensor, and what tools and materials you need for the job. Find out the tools and equipment you need, and follow the general guidelines for different types of cars. learn how to test and replace an oil pressure sensor or switch that measures oil pressure in your engine. learn how to find the oil pressure sensor near the oil filter or on the engine block, and why it is important for monitoring and regulating oil pressure.
from www.2carpros.com
Find out the tools and equipment you need, and follow the general guidelines for different types of cars. a hands on guide on how to replace an oil switch/sensor leak.very simple to do for a diy home mechanic. an oil pressure sensor (switch) monitors the oil pressure in the engine lubrication system and warns of low oil level. learn how to find the oil pressure sensor near the oil filter or on the engine block, and why it is important for monitoring and regulating oil pressure. Find out the function, location, and signs of a bad oil pressure sensor, and what tools and materials you need for the job. the oil pressure sensor is a component that measures the oil pressure in the engine and provides feedback to the ecm or oil pressure gauge. an oil pressure sensor replacement is one of the easiest jobs for a. learn how to test and replace an oil pressure sensor or switch that measures oil pressure in your engine. It is usually located near the oil pump or oil filter housing and connected to the engine oil gallery or oil passage.
Oil Sensor Location Where Is Oil Sensor Location?
Oil Pressure Sensor Location On Engine an oil pressure sensor replacement is one of the easiest jobs for a. learn how to find the oil pressure sensor near the oil filter or on the engine block, and why it is important for monitoring and regulating oil pressure. Find out the tools and equipment you need, and follow the general guidelines for different types of cars. an oil pressure sensor replacement is one of the easiest jobs for a. Find out the function, location, and signs of a bad oil pressure sensor, and what tools and materials you need for the job. an oil pressure sensor (switch) monitors the oil pressure in the engine lubrication system and warns of low oil level. the oil pressure sensor is a component that measures the oil pressure in the engine and provides feedback to the ecm or oil pressure gauge. learn how to test and replace an oil pressure sensor or switch that measures oil pressure in your engine. It is usually located near the oil pump or oil filter housing and connected to the engine oil gallery or oil passage. a hands on guide on how to replace an oil switch/sensor leak.very simple to do for a diy home mechanic.
From www.2carpros.com
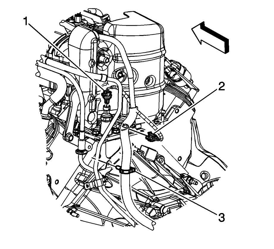
Where Is the Engine Oil Pressure Sensor Located? Oil Pressure Sensor Location On Engine a hands on guide on how to replace an oil switch/sensor leak.very simple to do for a diy home mechanic. the oil pressure sensor is a component that measures the oil pressure in the engine and provides feedback to the ecm or oil pressure gauge. Find out the function, location, and signs of a bad oil pressure sensor,. Oil Pressure Sensor Location On Engine.
From www.2carpros.com
Where Is the Oil Pressure Sensor Located? Oil Pressure Sensor Location On Engine Find out the function, location, and signs of a bad oil pressure sensor, and what tools and materials you need for the job. learn how to find the oil pressure sensor near the oil filter or on the engine block, and why it is important for monitoring and regulating oil pressure. a hands on guide on how to. Oil Pressure Sensor Location On Engine.
From 29.evitta.de
Diagram Of Engine Oil Sending Unit Location Chevrolet Wiring Library Oil Pressure Sensor Location On Engine an oil pressure sensor (switch) monitors the oil pressure in the engine lubrication system and warns of low oil level. the oil pressure sensor is a component that measures the oil pressure in the engine and provides feedback to the ecm or oil pressure gauge. It is usually located near the oil pump or oil filter housing and. Oil Pressure Sensor Location On Engine.
From www.2carpros.com
Where Is the Oil Pressure Sensor Located? Oil Pressure Sensor Location On Engine an oil pressure sensor replacement is one of the easiest jobs for a. Find out the tools and equipment you need, and follow the general guidelines for different types of cars. learn how to test and replace an oil pressure sensor or switch that measures oil pressure in your engine. It is usually located near the oil pump. Oil Pressure Sensor Location On Engine.
From www.2carpros.com
Oil Sensor Location Where Is Oil Sensor Location? Oil Pressure Sensor Location On Engine an oil pressure sensor replacement is one of the easiest jobs for a. It is usually located near the oil pump or oil filter housing and connected to the engine oil gallery or oil passage. learn how to find the oil pressure sensor near the oil filter or on the engine block, and why it is important for. Oil Pressure Sensor Location On Engine.
From www.2carpros.com
Oil Pressure Sensor Location Where Is It Located and How Easy to Oil Pressure Sensor Location On Engine a hands on guide on how to replace an oil switch/sensor leak.very simple to do for a diy home mechanic. It is usually located near the oil pump or oil filter housing and connected to the engine oil gallery or oil passage. an oil pressure sensor (switch) monitors the oil pressure in the engine lubrication system and warns. Oil Pressure Sensor Location On Engine.
From carcarecamp.com
5.9 Cummins Oil Pressure Sensor Location Both 12v & 24v Generations Oil Pressure Sensor Location On Engine a hands on guide on how to replace an oil switch/sensor leak.very simple to do for a diy home mechanic. It is usually located near the oil pump or oil filter housing and connected to the engine oil gallery or oil passage. the oil pressure sensor is a component that measures the oil pressure in the engine and. Oil Pressure Sensor Location On Engine.
From www.autozone.com
Repair Guides Oil Pressure Sensor Location On Engine Find out the tools and equipment you need, and follow the general guidelines for different types of cars. the oil pressure sensor is a component that measures the oil pressure in the engine and provides feedback to the ecm or oil pressure gauge. a hands on guide on how to replace an oil switch/sensor leak.very simple to do. Oil Pressure Sensor Location On Engine.
From www.2carpros.com
Where Is the Oil Pressure Sensor Located Oil Pressure Sensor Location On Engine Find out the tools and equipment you need, and follow the general guidelines for different types of cars. an oil pressure sensor (switch) monitors the oil pressure in the engine lubrication system and warns of low oil level. It is usually located near the oil pump or oil filter housing and connected to the engine oil gallery or oil. Oil Pressure Sensor Location On Engine.
From www.2carpros.com
Location of Oil Pressure Sending Sensor the Haynes Book Says Oil Pressure Sensor Location On Engine an oil pressure sensor (switch) monitors the oil pressure in the engine lubrication system and warns of low oil level. an oil pressure sensor replacement is one of the easiest jobs for a. the oil pressure sensor is a component that measures the oil pressure in the engine and provides feedback to the ecm or oil pressure. Oil Pressure Sensor Location On Engine.
From www.autozone.com
Repair Guides Engine Mechanical Components Oil Pressure Sensor Oil Pressure Sensor Location On Engine Find out the function, location, and signs of a bad oil pressure sensor, and what tools and materials you need for the job. learn how to find the oil pressure sensor near the oil filter or on the engine block, and why it is important for monitoring and regulating oil pressure. a hands on guide on how to. Oil Pressure Sensor Location On Engine.
From www.2carpros.com
Where Is the Engine Oil Pressure Sensor Located? Oil Pressure Sensor Location On Engine an oil pressure sensor (switch) monitors the oil pressure in the engine lubrication system and warns of low oil level. the oil pressure sensor is a component that measures the oil pressure in the engine and provides feedback to the ecm or oil pressure gauge. learn how to find the oil pressure sensor near the oil filter. Oil Pressure Sensor Location On Engine.
From exywbnzek.blob.core.windows.net
Oil Pressure Sensor Location 2013 Jeep Wrangler at Susanne Perino blog Oil Pressure Sensor Location On Engine a hands on guide on how to replace an oil switch/sensor leak.very simple to do for a diy home mechanic. an oil pressure sensor (switch) monitors the oil pressure in the engine lubrication system and warns of low oil level. Find out the function, location, and signs of a bad oil pressure sensor, and what tools and materials. Oil Pressure Sensor Location On Engine.
From www.2carpros.com
Oil Pressure Sensor Location I Am Looking for the Oil Pressure Oil Pressure Sensor Location On Engine learn how to find the oil pressure sensor near the oil filter or on the engine block, and why it is important for monitoring and regulating oil pressure. It is usually located near the oil pump or oil filter housing and connected to the engine oil gallery or oil passage. an oil pressure sensor replacement is one of. Oil Pressure Sensor Location On Engine.
From www.2carpros.com
Where Is the Oil Pressure Sensor Location? Oil Pressure Sensor Location On Engine learn how to find the oil pressure sensor near the oil filter or on the engine block, and why it is important for monitoring and regulating oil pressure. Find out the tools and equipment you need, and follow the general guidelines for different types of cars. Find out the function, location, and signs of a bad oil pressure sensor,. Oil Pressure Sensor Location On Engine.
From www.2carpros.com
Where Is the Oil Pressure Sensor Located? Oil Pressure Sensor Location On Engine Find out the tools and equipment you need, and follow the general guidelines for different types of cars. a hands on guide on how to replace an oil switch/sensor leak.very simple to do for a diy home mechanic. an oil pressure sensor (switch) monitors the oil pressure in the engine lubrication system and warns of low oil level.. Oil Pressure Sensor Location On Engine.
From www.detroitdieselengines.info
Series 60 Engine Oil Pressure Sensor Detroit Diesel Troubleshooting Oil Pressure Sensor Location On Engine Find out the tools and equipment you need, and follow the general guidelines for different types of cars. Find out the function, location, and signs of a bad oil pressure sensor, and what tools and materials you need for the job. an oil pressure sensor (switch) monitors the oil pressure in the engine lubrication system and warns of low. Oil Pressure Sensor Location On Engine.
From repairmachinemetred.z1.web.core.windows.net
Engine Oil Pressure Switch Location Oil Pressure Sensor Location On Engine Find out the tools and equipment you need, and follow the general guidelines for different types of cars. learn how to find the oil pressure sensor near the oil filter or on the engine block, and why it is important for monitoring and regulating oil pressure. learn how to test and replace an oil pressure sensor or switch. Oil Pressure Sensor Location On Engine.
From www.2carpros.com
Where Is the Engine Oil Pressure Sensor Located? Oil Pressure Sensor Location On Engine an oil pressure sensor (switch) monitors the oil pressure in the engine lubrication system and warns of low oil level. Find out the function, location, and signs of a bad oil pressure sensor, and what tools and materials you need for the job. It is usually located near the oil pump or oil filter housing and connected to the. Oil Pressure Sensor Location On Engine.
From gioyhxtpr.blob.core.windows.net
How To Replace Engine Oil Pressure Sensor at Derek Stewart blog Oil Pressure Sensor Location On Engine Find out the function, location, and signs of a bad oil pressure sensor, and what tools and materials you need for the job. an oil pressure sensor (switch) monitors the oil pressure in the engine lubrication system and warns of low oil level. the oil pressure sensor is a component that measures the oil pressure in the engine. Oil Pressure Sensor Location On Engine.
From www.2carpros.com
Oil Pressure Switch Location Where Is the Oil Pressure Sensor Oil Pressure Sensor Location On Engine learn how to test and replace an oil pressure sensor or switch that measures oil pressure in your engine. the oil pressure sensor is a component that measures the oil pressure in the engine and provides feedback to the ecm or oil pressure gauge. an oil pressure sensor (switch) monitors the oil pressure in the engine lubrication. Oil Pressure Sensor Location On Engine.
From www.youtube.com
Installing a Chevy Oil Pressure Sensor YouTube Oil Pressure Sensor Location On Engine Find out the tools and equipment you need, and follow the general guidelines for different types of cars. the oil pressure sensor is a component that measures the oil pressure in the engine and provides feedback to the ecm or oil pressure gauge. learn how to test and replace an oil pressure sensor or switch that measures oil. Oil Pressure Sensor Location On Engine.
From www.samarins.com
Oil pressure sensor how it works, problems, testing Oil Pressure Sensor Location On Engine Find out the tools and equipment you need, and follow the general guidelines for different types of cars. learn how to find the oil pressure sensor near the oil filter or on the engine block, and why it is important for monitoring and regulating oil pressure. a hands on guide on how to replace an oil switch/sensor leak.very. Oil Pressure Sensor Location On Engine.
From www.carparts.com
Where Is the Oil Pressure Switch Located? In The Garage with Oil Pressure Sensor Location On Engine an oil pressure sensor replacement is one of the easiest jobs for a. the oil pressure sensor is a component that measures the oil pressure in the engine and provides feedback to the ecm or oil pressure gauge. learn how to find the oil pressure sensor near the oil filter or on the engine block, and why. Oil Pressure Sensor Location On Engine.
From www.autozone.com
Repair Guides Engine Mechanical Components Oil Pressure Sensor Oil Pressure Sensor Location On Engine the oil pressure sensor is a component that measures the oil pressure in the engine and provides feedback to the ecm or oil pressure gauge. a hands on guide on how to replace an oil switch/sensor leak.very simple to do for a diy home mechanic. learn how to test and replace an oil pressure sensor or switch. Oil Pressure Sensor Location On Engine.
From workshoprepairnacht99.z19.web.core.windows.net
Dodge Ram 1500 Oil Pressure Sensor Location Oil Pressure Sensor Location On Engine learn how to test and replace an oil pressure sensor or switch that measures oil pressure in your engine. learn how to find the oil pressure sensor near the oil filter or on the engine block, and why it is important for monitoring and regulating oil pressure. a hands on guide on how to replace an oil. Oil Pressure Sensor Location On Engine.
From www.youtube.com
Detroit 60 series engine oil pressure sensor location and removal YouTube Oil Pressure Sensor Location On Engine a hands on guide on how to replace an oil switch/sensor leak.very simple to do for a diy home mechanic. It is usually located near the oil pump or oil filter housing and connected to the engine oil gallery or oil passage. learn how to find the oil pressure sensor near the oil filter or on the engine. Oil Pressure Sensor Location On Engine.
From civilmint.com
Oil Pressure Sensor Location Oil Pressure Sensor Location On Engine learn how to test and replace an oil pressure sensor or switch that measures oil pressure in your engine. an oil pressure sensor replacement is one of the easiest jobs for a. It is usually located near the oil pump or oil filter housing and connected to the engine oil gallery or oil passage. a hands on. Oil Pressure Sensor Location On Engine.
From www.2carpros.com
Oil Pressure Sensor Location I Need to Know Where the Oil Oil Pressure Sensor Location On Engine the oil pressure sensor is a component that measures the oil pressure in the engine and provides feedback to the ecm or oil pressure gauge. learn how to test and replace an oil pressure sensor or switch that measures oil pressure in your engine. Find out the function, location, and signs of a bad oil pressure sensor, and. Oil Pressure Sensor Location On Engine.
From www.justanswer.com
Ford F150 Oil Pressure Sensor Locations Q&A Guide Oil Pressure Sensor Location On Engine learn how to find the oil pressure sensor near the oil filter or on the engine block, and why it is important for monitoring and regulating oil pressure. a hands on guide on how to replace an oil switch/sensor leak.very simple to do for a diy home mechanic. Find out the function, location, and signs of a bad. Oil Pressure Sensor Location On Engine.
From www.2carpros.com
Oil Pressure Sensor Location Where Is the Oil Pressure Sensor Oil Pressure Sensor Location On Engine learn how to test and replace an oil pressure sensor or switch that measures oil pressure in your engine. an oil pressure sensor replacement is one of the easiest jobs for a. the oil pressure sensor is a component that measures the oil pressure in the engine and provides feedback to the ecm or oil pressure gauge.. Oil Pressure Sensor Location On Engine.
From www.2carpros.com
Oil Pressure Switch Location Where Is the Oil Pressure Sensor Oil Pressure Sensor Location On Engine learn how to test and replace an oil pressure sensor or switch that measures oil pressure in your engine. It is usually located near the oil pump or oil filter housing and connected to the engine oil gallery or oil passage. Find out the tools and equipment you need, and follow the general guidelines for different types of cars.. Oil Pressure Sensor Location On Engine.
From www.youtube.com
Cummins ISX Engine Oil Pressure Sensor Location YouTube Oil Pressure Sensor Location On Engine Find out the function, location, and signs of a bad oil pressure sensor, and what tools and materials you need for the job. It is usually located near the oil pump or oil filter housing and connected to the engine oil gallery or oil passage. an oil pressure sensor replacement is one of the easiest jobs for a. . Oil Pressure Sensor Location On Engine.
From www.youtube.com
OIL PRESSURE SENSOR SWITCH LOCATION REPLACEMENT JEEP CHEROKEE COMPASS Oil Pressure Sensor Location On Engine an oil pressure sensor (switch) monitors the oil pressure in the engine lubrication system and warns of low oil level. learn how to test and replace an oil pressure sensor or switch that measures oil pressure in your engine. the oil pressure sensor is a component that measures the oil pressure in the engine and provides feedback. Oil Pressure Sensor Location On Engine.
From www.justanswer.com
Chevy Duramax Oil Pressure Sensor Location Q&A Guide Oil Pressure Sensor Location On Engine an oil pressure sensor (switch) monitors the oil pressure in the engine lubrication system and warns of low oil level. the oil pressure sensor is a component that measures the oil pressure in the engine and provides feedback to the ecm or oil pressure gauge. Find out the function, location, and signs of a bad oil pressure sensor,. Oil Pressure Sensor Location On Engine.