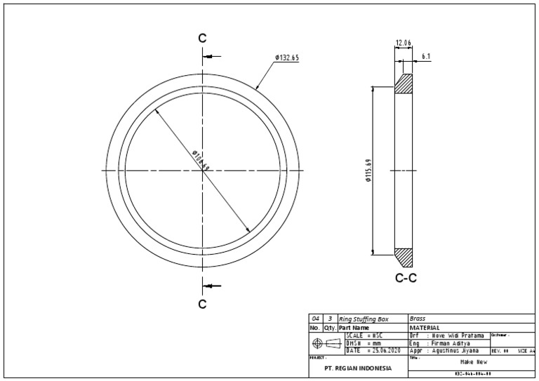
Ring Stuffing Box . [1] it is used to prevent leakage of fluid, such as water or steam,. Hold the packing tightly on the mandrel, but do not stretch excessively. The next rings should be put in 90 degrees from the last one (3, 6. Its robust construction, highest quality alloys and. It is typically constructed from cast iron or steel and assembled from two parts. It is best to locate the first ring with the cut at the top of the stuffing box (like a clock face, using the 12 o’clock position). The stuffing box is an annular space around the stem where packing rings are inserted for stem sealing. The stuffing box housing forms the outer casing that encloses the sealing rings and scraper rings. Cut the ring and insert it into the stuffing box, making certain it fits the packing. A stuffing box or gland package is an assembly which is used to house a gland seal. The stuffing box may contain one or more.
from parts.krafttank.com
A stuffing box or gland package is an assembly which is used to house a gland seal. Its robust construction, highest quality alloys and. [1] it is used to prevent leakage of fluid, such as water or steam,. The next rings should be put in 90 degrees from the last one (3, 6. Cut the ring and insert it into the stuffing box, making certain it fits the packing. Hold the packing tightly on the mandrel, but do not stretch excessively. The stuffing box is an annular space around the stem where packing rings are inserted for stem sealing. It is typically constructed from cast iron or steel and assembled from two parts. The stuffing box housing forms the outer casing that encloses the sealing rings and scraper rings. The stuffing box may contain one or more.
ORing (Stuffing Box) Kraft Tank Online Parts Store
Ring Stuffing Box Hold the packing tightly on the mandrel, but do not stretch excessively. A stuffing box or gland package is an assembly which is used to house a gland seal. It is best to locate the first ring with the cut at the top of the stuffing box (like a clock face, using the 12 o’clock position). It is typically constructed from cast iron or steel and assembled from two parts. Hold the packing tightly on the mandrel, but do not stretch excessively. The next rings should be put in 90 degrees from the last one (3, 6. Cut the ring and insert it into the stuffing box, making certain it fits the packing. Its robust construction, highest quality alloys and. [1] it is used to prevent leakage of fluid, such as water or steam,. The stuffing box housing forms the outer casing that encloses the sealing rings and scraper rings. The stuffing box is an annular space around the stem where packing rings are inserted for stem sealing. The stuffing box may contain one or more.
From www.c-vservice.com
SCRAPER RING AND STUFFING BOX Ring Stuffing Box It is best to locate the first ring with the cut at the top of the stuffing box (like a clock face, using the 12 o’clock position). Hold the packing tightly on the mandrel, but do not stretch excessively. The next rings should be put in 90 degrees from the last one (3, 6. The stuffing box may contain one. Ring Stuffing Box.
From www.slideserve.com
PPT Stuffing box PowerPoint Presentation, free download ID7047157 Ring Stuffing Box Hold the packing tightly on the mandrel, but do not stretch excessively. It is typically constructed from cast iron or steel and assembled from two parts. The stuffing box is an annular space around the stem where packing rings are inserted for stem sealing. A stuffing box or gland package is an assembly which is used to house a gland. Ring Stuffing Box.
From www.mining-technology.com
Six Steps to Properly Pack Your Stuffing Box for Prolonged Pump Life Ring Stuffing Box A stuffing box or gland package is an assembly which is used to house a gland seal. Cut the ring and insert it into the stuffing box, making certain it fits the packing. Hold the packing tightly on the mandrel, but do not stretch excessively. [1] it is used to prevent leakage of fluid, such as water or steam,. It. Ring Stuffing Box.
From parts.krafttank.com
ORing (Stuffing Box) Kraft Tank Online Parts Store Ring Stuffing Box The next rings should be put in 90 degrees from the last one (3, 6. The stuffing box is an annular space around the stem where packing rings are inserted for stem sealing. It is best to locate the first ring with the cut at the top of the stuffing box (like a clock face, using the 12 o’clock position).. Ring Stuffing Box.
From heco.gomaritimegroup.com
HighQuality Piston Rod Stuffing Boxes Heco international Ring Stuffing Box Cut the ring and insert it into the stuffing box, making certain it fits the packing. It is typically constructed from cast iron or steel and assembled from two parts. The stuffing box may contain one or more. The next rings should be put in 90 degrees from the last one (3, 6. Hold the packing tightly on the mandrel,. Ring Stuffing Box.
From minseal.com
Compression Packing Basics Structure, Function and Application Ring Stuffing Box The next rings should be put in 90 degrees from the last one (3, 6. It is best to locate the first ring with the cut at the top of the stuffing box (like a clock face, using the 12 o’clock position). The stuffing box housing forms the outer casing that encloses the sealing rings and scraper rings. Its robust. Ring Stuffing Box.
From pvmsas.co
STUFFING BOX RING PACKING PVM SAS Ring Stuffing Box A stuffing box or gland package is an assembly which is used to house a gland seal. It is best to locate the first ring with the cut at the top of the stuffing box (like a clock face, using the 12 o’clock position). The next rings should be put in 90 degrees from the last one (3, 6. Cut. Ring Stuffing Box.
From www.bellindustries.ca
Bell Industries Bell VeeRing Stuffing Box Packing Ring Stuffing Box It is best to locate the first ring with the cut at the top of the stuffing box (like a clock face, using the 12 o’clock position). It is typically constructed from cast iron or steel and assembled from two parts. Its robust construction, highest quality alloys and. Cut the ring and insert it into the stuffing box, making certain. Ring Stuffing Box.
From boattest.com
Stuffing Box Maintenance, Part 2 In With the New BoatTEST Ring Stuffing Box A stuffing box or gland package is an assembly which is used to house a gland seal. [1] it is used to prevent leakage of fluid, such as water or steam,. The next rings should be put in 90 degrees from the last one (3, 6. The stuffing box may contain one or more. It is best to locate the. Ring Stuffing Box.
From marinehowto.com
RePacking A Traditional Stuffing Box Marine How To Ring Stuffing Box The stuffing box housing forms the outer casing that encloses the sealing rings and scraper rings. A stuffing box or gland package is an assembly which is used to house a gland seal. It is typically constructed from cast iron or steel and assembled from two parts. The next rings should be put in 90 degrees from the last one. Ring Stuffing Box.
From www.steelobrien.com
83C STUFFING BOX Steel & O’Brien Manufacturing Ring Stuffing Box The stuffing box is an annular space around the stem where packing rings are inserted for stem sealing. A stuffing box or gland package is an assembly which is used to house a gland seal. Its robust construction, highest quality alloys and. It is best to locate the first ring with the cut at the top of the stuffing box. Ring Stuffing Box.
From empoweringpumps.com
Guide to Achieve Stuffing Box Reliability Empowering Pumps and Equipment Ring Stuffing Box Hold the packing tightly on the mandrel, but do not stretch excessively. The stuffing box housing forms the outer casing that encloses the sealing rings and scraper rings. A stuffing box or gland package is an assembly which is used to house a gland seal. The stuffing box is an annular space around the stem where packing rings are inserted. Ring Stuffing Box.
From spt-seals.en.made-in-china.com
11/4 in Cone Packing for Stuffing Box/ Packing Stuffing Box Ring Ring Stuffing Box A stuffing box or gland package is an assembly which is used to house a gland seal. The stuffing box may contain one or more. It is typically constructed from cast iron or steel and assembled from two parts. The stuffing box housing forms the outer casing that encloses the sealing rings and scraper rings. Hold the packing tightly on. Ring Stuffing Box.
From www.midlandchandlers.co.uk
Stern 11/4" Stuffing Box Complete Midland Chandlers Ring Stuffing Box It is best to locate the first ring with the cut at the top of the stuffing box (like a clock face, using the 12 o’clock position). A stuffing box or gland package is an assembly which is used to house a gland seal. [1] it is used to prevent leakage of fluid, such as water or steam,. The stuffing. Ring Stuffing Box.
From dnitt.com
2 1/4” x 1 1/8” O Ring Stuffing Box Rubber (60 per box) DNI Trinidad Ring Stuffing Box It is best to locate the first ring with the cut at the top of the stuffing box (like a clock face, using the 12 o’clock position). The stuffing box may contain one or more. The next rings should be put in 90 degrees from the last one (3, 6. It is typically constructed from cast iron or steel and. Ring Stuffing Box.
From www.sepco.com
How a Lantern Ring Helps Ensure Stuffing Box Reliability SEPCO, Inc. Ring Stuffing Box Cut the ring and insert it into the stuffing box, making certain it fits the packing. Its robust construction, highest quality alloys and. [1] it is used to prevent leakage of fluid, such as water or steam,. The stuffing box housing forms the outer casing that encloses the sealing rings and scraper rings. The stuffing box may contain one or. Ring Stuffing Box.
From www.pacificmarine.net
1 and 3/8 Inch Ultra X Marine Stuffing Box Packing 25 lbs box 1 Ring Stuffing Box [1] it is used to prevent leakage of fluid, such as water or steam,. The stuffing box housing forms the outer casing that encloses the sealing rings and scraper rings. It is typically constructed from cast iron or steel and assembled from two parts. A stuffing box or gland package is an assembly which is used to house a gland. Ring Stuffing Box.
From shop.stramat.com
Stuffing box with Oring 2048 STRAMAT Vertriebs GmbH Ring Stuffing Box [1] it is used to prevent leakage of fluid, such as water or steam,. Cut the ring and insert it into the stuffing box, making certain it fits the packing. The stuffing box may contain one or more. Its robust construction, highest quality alloys and. The stuffing box housing forms the outer casing that encloses the sealing rings and scraper. Ring Stuffing Box.
From www.engineeringtribe.com
Stuffing box (Pdf) Definition, parts, types, advantages, disadvantages Ring Stuffing Box Cut the ring and insert it into the stuffing box, making certain it fits the packing. It is best to locate the first ring with the cut at the top of the stuffing box (like a clock face, using the 12 o’clock position). [1] it is used to prevent leakage of fluid, such as water or steam,. The stuffing box. Ring Stuffing Box.
From www.duramaxmarine.com
Duramax Shaft Sealing Systems Johnson Heavyduty Stuffing Boxes Ring Stuffing Box The stuffing box may contain one or more. The stuffing box housing forms the outer casing that encloses the sealing rings and scraper rings. The next rings should be put in 90 degrees from the last one (3, 6. Cut the ring and insert it into the stuffing box, making certain it fits the packing. [1] it is used to. Ring Stuffing Box.
From icsweargroup.com
Stuffing Boxes ICS Wear Group, Supporting Local, Supporting You Ring Stuffing Box Hold the packing tightly on the mandrel, but do not stretch excessively. [1] it is used to prevent leakage of fluid, such as water or steam,. The stuffing box is an annular space around the stem where packing rings are inserted for stem sealing. A stuffing box or gland package is an assembly which is used to house a gland. Ring Stuffing Box.
From www.sealryt.com
Measuring your stuffing box Ring Stuffing Box It is typically constructed from cast iron or steel and assembled from two parts. Cut the ring and insert it into the stuffing box, making certain it fits the packing. A stuffing box or gland package is an assembly which is used to house a gland seal. The stuffing box may contain one or more. [1] it is used to. Ring Stuffing Box.
From www.oilmanchina.com
Nitrile Rubber Stuffing Box Cone Seal Packing And Ring Packing For Ring Stuffing Box The stuffing box housing forms the outer casing that encloses the sealing rings and scraper rings. The stuffing box is an annular space around the stem where packing rings are inserted for stem sealing. A stuffing box or gland package is an assembly which is used to house a gland seal. The stuffing box may contain one or more. It. Ring Stuffing Box.
From www.sepco.com
How to Achieve Stuffing Box Reliability SEPCO, Inc. Ring Stuffing Box It is best to locate the first ring with the cut at the top of the stuffing box (like a clock face, using the 12 o’clock position). The stuffing box may contain one or more. [1] it is used to prevent leakage of fluid, such as water or steam,. The next rings should be put in 90 degrees from the. Ring Stuffing Box.
From hongchangbengye.en.made-in-china.com
Expeller Ring/Stuffing Box High Chrome for Slurry Pump Spare Parts Ring Stuffing Box A stuffing box or gland package is an assembly which is used to house a gland seal. The stuffing box housing forms the outer casing that encloses the sealing rings and scraper rings. Its robust construction, highest quality alloys and. It is best to locate the first ring with the cut at the top of the stuffing box (like a. Ring Stuffing Box.
From www.luenseng.com.my
Waterbox Ring (Stuffing Box Or Spacer) Mining Equipment Ipoh, Perak Ring Stuffing Box It is typically constructed from cast iron or steel and assembled from two parts. It is best to locate the first ring with the cut at the top of the stuffing box (like a clock face, using the 12 o’clock position). The stuffing box housing forms the outer casing that encloses the sealing rings and scraper rings. Its robust construction,. Ring Stuffing Box.
From www.cpperformance.com
Stuffing Boxes Ring Stuffing Box A stuffing box or gland package is an assembly which is used to house a gland seal. The next rings should be put in 90 degrees from the last one (3, 6. [1] it is used to prevent leakage of fluid, such as water or steam,. The stuffing box housing forms the outer casing that encloses the sealing rings and. Ring Stuffing Box.
From www.slideserve.com
PPT Stuffing box PowerPoint Presentation, free download ID7047157 Ring Stuffing Box [1] it is used to prevent leakage of fluid, such as water or steam,. Hold the packing tightly on the mandrel, but do not stretch excessively. A stuffing box or gland package is an assembly which is used to house a gland seal. It is typically constructed from cast iron or steel and assembled from two parts. The stuffing box. Ring Stuffing Box.
From www.savree.com
Marine 2 Stroke Engine Stuffing Box Explained saVRee saVRee Ring Stuffing Box The stuffing box housing forms the outer casing that encloses the sealing rings and scraper rings. Its robust construction, highest quality alloys and. Cut the ring and insert it into the stuffing box, making certain it fits the packing. It is best to locate the first ring with the cut at the top of the stuffing box (like a clock. Ring Stuffing Box.
From www.scribd.com
Ring Stuffing Box PDF Ring Stuffing Box The stuffing box is an annular space around the stem where packing rings are inserted for stem sealing. Cut the ring and insert it into the stuffing box, making certain it fits the packing. Hold the packing tightly on the mandrel, but do not stretch excessively. [1] it is used to prevent leakage of fluid, such as water or steam,.. Ring Stuffing Box.
From hongchangbengye.en.made-in-china.com
Ah Type Slurry Pump Expeller Ring /Stuffing Box China Sump Pump Part Ring Stuffing Box Cut the ring and insert it into the stuffing box, making certain it fits the packing. Its robust construction, highest quality alloys and. The stuffing box may contain one or more. Hold the packing tightly on the mandrel, but do not stretch excessively. A stuffing box or gland package is an assembly which is used to house a gland seal.. Ring Stuffing Box.
From www.powerandmotoryacht.com
Stuffing The Box 4 Power & Motoryacht Ring Stuffing Box The stuffing box housing forms the outer casing that encloses the sealing rings and scraper rings. Cut the ring and insert it into the stuffing box, making certain it fits the packing. A stuffing box or gland package is an assembly which is used to house a gland seal. [1] it is used to prevent leakage of fluid, such as. Ring Stuffing Box.
From www.almship.com
STUFFING BOX RING (SCRAPPER RING) ALM SHIP EQUIPMENTS CloseClose Ring Stuffing Box It is best to locate the first ring with the cut at the top of the stuffing box (like a clock face, using the 12 o’clock position). Its robust construction, highest quality alloys and. Cut the ring and insert it into the stuffing box, making certain it fits the packing. It is typically constructed from cast iron or steel and. Ring Stuffing Box.
From spt-seals.en.made-in-china.com
11/4 Inch Cone Packing for Stuffing Box/ 840313116 Packing Stuffing Ring Stuffing Box [1] it is used to prevent leakage of fluid, such as water or steam,. Hold the packing tightly on the mandrel, but do not stretch excessively. The stuffing box housing forms the outer casing that encloses the sealing rings and scraper rings. The stuffing box may contain one or more. Cut the ring and insert it into the stuffing box,. Ring Stuffing Box.
From www.bellindustries.ca
Bell Industries Bell VeeRing Stuffing Box Packing Ring Stuffing Box It is typically constructed from cast iron or steel and assembled from two parts. The stuffing box may contain one or more. The stuffing box housing forms the outer casing that encloses the sealing rings and scraper rings. Its robust construction, highest quality alloys and. [1] it is used to prevent leakage of fluid, such as water or steam,. The. Ring Stuffing Box.